中心議題:
- 電容傳感器在便攜產品中的應用
- 電容傳感器取代機械開關的好處
電容傳感器滾輪在iPod等產品中獲得的成功,正在促使其他消費電子產品開發商考慮使用電容傳感器來改善產品的用戶界面,并使產品看起來更加美觀。事實上,電容觸摸傳感器接口的應用并不僅限于MP3播放器,而是可以用于目前采用傳統機械開關的任何產品之中,如新款手機的菜單控制按鈕。利用可靠性高、引人注目并具有成本效益的電容觸摸傳感器,可以輕松地改變這些高級功能菜單控制開關的式樣。
電容傳感器在便攜產品中的應用
電容觸摸傳感器接口通常由一個電容傳感器、一個電容數字轉換器(CDC)和一個主處理器組成(圖1)。傳感器利用標準兩層或四層PCB上的走線(trace)或柔性電路制造,因此不需要任何外部元件或材料。

圖1 典型電容觸摸傳感器接口
可靠的傳感器必須不受外界環境變化的影響,能夠在任何工作條件下保持精確的靈敏度水平。溫度或濕度的變化會導致PCB材料的特性發生變化,因此,印刷電路電容傳感器的輸出電平將發生漂移。例如,當用戶從開啟空調的汽車到一個濕熱環境時,就可能出現上述情況。為了避免發生斷續接觸錯誤,CDC必須包括實時的漂移補償功能(圖2)。

圖2 兩個傳感器在環境條件改變時的特性,漂移補償功能已使能
隨著環境條件的變化(例如,溫度或濕度上升),傳感器的環境參數(在用戶沒有與傳感器接觸期間,由CDC進行測量)會發生漂移。為了進行補償,需要動態改變高端和低端閾值電平,以確定有效的傳感器接觸。位置2、3、5、6處的參考電平進行重新調整,以保持最佳的閾值參考電平,從而自動跟蹤和補償漂移誤差。
[page]
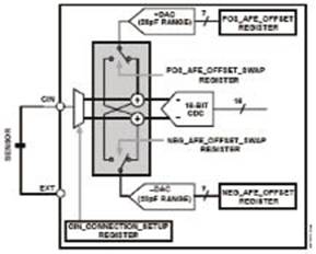
PCB還可能受到寄生電容的影響,這種電容最大可達20 pF,它會在電容觸摸傳感器視為受到按壓時,使閾值發生偏移,從而改變其靈敏度。為了對寄生電容進行補償,可以采用對DAC編程的方法,以抵消CDC的輸入。對于各PCB來說,這種寄生電容是一致的,因此可以在制造PCB的時候進行簡單的調整,這樣就不需要外部RC調諧元件,從而使材料、裝配和測試相關的成本最低。單獨調整每個傳感器的偏移,使設計者可以充分利用轉換器的分辨率(圖3)。

圖3 模擬前端,其中DAC幫助消除寄生電容的影響
電容傳感器取代機械開關的好處
傳統的機械開關具有用戶熟悉的靈敏度和觸覺反饋,對于電容傳感器來說,這些參數也必須加以考慮和優化。不同的傳感器可能需要獨特的靈敏度,這取決于開關功能或開關在產品中的物理位置。而且,一套靈敏度設置不可能適合所有的用戶,因此應該允許用戶設置不同的靈敏度水平,若能通過靈敏度控制菜單進行選擇將是最理想的。例如,AD7142支持這些靈敏性要求,允許一個單獨的16位靈敏度控制寄存器為每個傳感器編程。這些寄存器也可以嵌入到主機固件中,并在菜單顯示中提供,允許用戶選擇不同的靈敏度水平,以滿足其特殊需求。
在用戶沒有與傳感器接觸期間,如果對每個傳感器輸入取樣,則會白白浪費電池電量。為使電池效率最大化,CDC應能夠檢測到用戶停止觸碰傳感器,并自動切換到低功耗模式。當傳感器被再度觸碰時,IC將自動重新進入正常工作模式。
為了節省更多的功率,還應該包括一個完全關斷模式。這種情況下,只要禁用傳感器,就會關斷整個IC。在便攜產品中,禁用傳感器開關通常是通過設置一個機械開關或從控制菜單中選擇阻塞模式來完成的。
利用電容傳感器取代傳統的機械開關還有一個好處,就是制造與裝配工藝更加簡單。傳統的機械開關需要手工把每個開關插入到塑料殼體上的專用孔洞中,而一個包含所有這些開關的單一電容傳感器板可以一步到位,放置在這個塑料殼體下面。含有一個定位槽口的傳感器板安裝孔和一些膠水就足以完成傳感器板的安裝與位置校準。
主處理器板發射的電磁噪聲可能會耦合進入電容傳感器和傳感器走線中,導致不可預知的傳感器動作,使性能下降,但通過簡單的方法也可幫助將電磁干擾(EMI)對傳感器的影響降至最低。首先,CDC應安裝在傳感器板上,這會使傳感器走線長度最短,從而降低EMI被耦合到走線中的機會。其次,利用一個具有結實接地層的四層傳感器板,可以為傳感器提供額外的EMI屏蔽。如果這兩個方法不能有效地將EMI噪聲與傳感器隔離,還可以把一個接地金屬屏蔽體放置在傳感器板腔的上方(圖4)。

圖4 模擬前端,其中DAC幫助消除寄生電容的影響
電容傳感器電場也會耦合到產品的金屬殼或導電性金屬涂層等導電表面,導致不可預知的傳感器動作,這樣就造成機械限制,要求電容傳感器的邊緣與金屬表面的邊緣保持一定的距離。而且,電容傳感器的靈敏度也與傳感器正上方的塑料厚度有關。如果塑料過厚,通量電力線將不能有效地穿過塑料,使傳感器性能變得不可靠。通常,外殼與傳感器之間的距離應該大于1.0mm,塑料厚度應該小于4.0mm,使靈敏度保持在適當的范圍內。




