【導讀】消費者希望日常攜帶的各種電子設備能夠配備便攜、快速和高效的充電器。隨著大多數電子產品轉向 USB Type-C? 充電器,越來越多的用戶希望可以使用緊湊型電源適配器為所有設備充電。
消費者希望日常攜帶的各種電子設備能夠配備便攜、快速和高效的充電器。隨著大多數電子產品轉向 USB Type-C? 充電器,越來越多的用戶希望可以使用緊湊型電源適配器為所有設備充電。
在設計現代消費級 USB Type-C 移動充電器、PC 電源和電視電源時,面臨的挑戰是如何在縮小解決方案尺寸的同時保持甚至提高功率水平。德州儀器的低功耗氮化鎵 (GaN) 器件有助于在各種最流行的拓撲中解決這一問題,同時提供散熱、尺寸和集成方面的優勢。在過去的幾十年里,隨著 GaN 等寬帶隙技術的發展,交流/直流拓撲也出現了新的改進,旨在改善效率和功能。本文將深入探討這些器件在此類應用的流行拓撲中的優勢和兼容性,以及一些令人心動的新拓撲。
利用 ACF 和 AHB 拓撲更大限度提高效率和功率密度
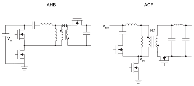
一些新開發的半橋拓撲可以優化效率,同時提供可變輸出電壓能力。如圖 1 所示的有源鉗位反激式 (ACF) 拓撲和非對稱半橋 (AHB) 拓撲有助于更大限度提高直流/直流級的效率和功率密度。ACF 和 AHB 拓撲不像準諧振 (QR) 反激式拓撲或零電壓開關 (ZVS) 反激式拓撲那樣使用有損緩沖器鉗位,而是能夠將泄漏能量回收到輸出端,因此可以進一步提高效率。這兩種拓撲還能夠完全消除低側場效應晶體管 (FET) 上的電壓尖峰,從而在次級側啟用低壓同步整流器 FET。此外,AHB 拓撲不需要第二個輸出濾波器,因此整體解決方案成本更低、體積更小。
圖 1:ACF 和 AHB 拓撲
LMG3624 集成式 GaN FET 具有集成的“無損”電流檢測功能,可通過降低功率損耗來幫助進一步提高效率,如圖 2 所示。例如,在 65W ACF 中,集成電流檢測的損耗不到 10mW,而傳統電流檢測方案的損耗約為 170mW。任何需要電流模式控制的拓撲(包括 ACF、AHB 等)都將大大受益于這種大幅降低的損耗,并實現更高效的整體解決方案。
圖 2:集成電流檢測與傳統電流檢測的功率損耗對比
圖騰柱 PFC 拓撲支持更高功率的設計
在大部分情況下,一旦功率水平達到 70W 以上,便需要功率因數校正 (PFC) 級。在 PFC 級中,如果希望利用 GaN 的功能,則需要考慮圖騰柱 PFC 拓撲,如圖 3 所示。去除橋式整流器后,由于反向恢復損耗為零,GaN FET 在這種拓撲結構中的價值得以增強。
金屬氧化物半導體場效應晶體管 (MOSFET) 具有體二極管,可產生高反向恢復電荷,而碳化硅 (SiC) 在反向恢復電荷方面的改進很小,因此 MOSFET 幾乎無法在這種拓撲中使用。另一方面,LMG3624 提供可調節的壓擺率,有助于在系統中找到電磁干擾和效率的合理平衡點。
圖 3:圖騰柱 PFC 拓撲
QR、ZVS、LLC 和升壓 PFC 拓撲中的低功耗 GaN
盡管新的拓撲已經開始受到關注,但將集成 GaN 與傳統拓撲結合使用仍然具有明顯優勢。在 QR 反激式拓撲、ZVS 反激式拓撲和傳統升壓 PFC 拓撲中采用 GaN 變得越來越常見,因為只需用 GaN FET 替換單個開關 FET,即可看到效率和開關頻率能力的提升(主要得益于 GaN 較低的輸入電容可以降低關斷損耗)。此外,LMG3624 GaN FET 具有低靜態電流,其待機模式還可以進一步降低靜態電流。QR、ZVS 和升壓 PFC 拓撲也受益于 LMG3624 中集成的無損電流檢測功能。
LLC 諧振轉換器拓撲已經存在了幾十年,在筆記本電腦適配器和電視電源等固定輸出電壓應用中很受歡迎,這些應用尚未普遍采用 USB Type-C 控制器來提供輸出電壓。與大多數半橋直流/直流拓撲相比,LLC 拓撲還將實現更高的變壓器效率。
結語
隨著對更小、更高效的交流/直流解決方案的需求不斷增長,消費者更喜歡更便攜的較小適配器。在工業環境中,隨著圖形處理單元的功率要求越來越高,PC 對于高效電源單元 (PSU) 的需求越來越迫切。更薄的 PSU 也為更纖薄的高端電視鋪平了道路。LMG3624 提供可集成到本文所述的所有拓撲中的功能和優勢,其多功能性有助于滿足這些應用的要求。
免責聲明:本文為轉載文章,轉載此文目的在于傳遞更多信息,版權歸原作者所有。本文所用視頻、圖片、文字如涉及作品版權問題,請聯系小編進行處理。
推薦閱讀:
基于 GaN 的高效率 1.6kW CrM 圖騰柱PFC參考設計 TIDA-00961 FAQ





