【導讀】隨著對逆變器的功率密度、效率、輸出波形質量等性能要求逐漸增加,中點鉗位型(Neutral Point Clamped,NPC)的三電平拓撲逆變器已經得到了廣泛的應用,典型的三電平拓撲有二極管型NPC(NPC1)、Conergy NPC(NPC2)、有源NPC(ANPC),如下圖所示。
隨著對逆變器的功率密度、效率、輸出波形質量等性能要求逐漸增加,中點鉗位型(Neutral Point Clamped,NPC)的三電平拓撲逆變器已經得到了廣泛的應用,典型的三電平拓撲有二極管型NPC(NPC1)、Conergy NPC(NPC2)、有源NPC(ANPC),如下圖所示。
相對于傳統的兩電平逆變器,三電平逆變器有以下優點:
輸出波形的諧波成分少:三電平逆變器相對兩電平逆變器,增加了一個零電平通路,相電壓可輸出三個電平,即+Vdc/2、0、-Vdc/2,根據下圖可以看到三電平逆變器輸出的電壓波形更加接近正弦波,具有更低的THD。
2. 損耗減小,開關頻率提升,系統成本降低:如NPC1拓撲中開關器件的電壓可減小為原來的一半,器件開關損耗大幅降低,因此可提高開關頻率減小輸出濾波器的體積和成本,如果在功率等級不變的情況下,可通過提高母線電壓減小輸出端的電流,減少輸出線纜的成本。
3. 器件可靠性提升:在同樣電壓等級的系統中,三電平拓撲中器件承受的阻斷電壓降低,器件的可靠性得以提升。
4. 改善電磁干擾EMI:由于開關過程中器件的dv/dt大幅降低,系統電磁干擾得到改善。
當然三電平拓撲也存在一些劣勢,例如器件成本增加、控制算法復雜度提升、損耗分布不均衡和中點電位波動等問題,但由于三電平拓撲的獨特優勢,在光伏、儲能、UPS、APF等眾多場合得以廣泛使用,下面就常見的三電平拓撲進行介紹。
NPC1
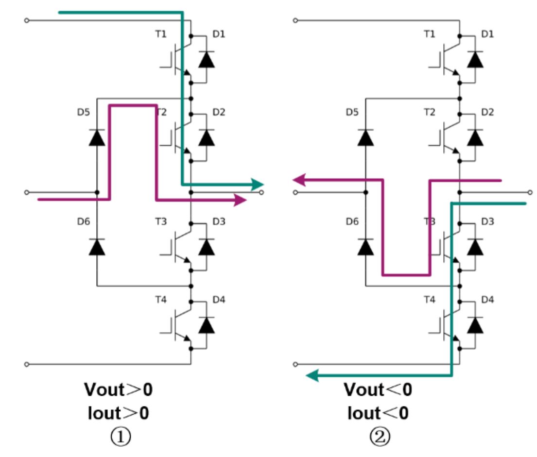
1.1. 電流路徑
上圖中藍綠色線條為導通電流路徑,紫色線條為對應的零電平換流路徑,功率因數為+1對應①和②兩種模態,功率因數為-1對應③和④兩種模態;
1.2. 損耗分布
以F3L225R12W3H3器件(NPC1)在100kW PCS的仿真為例,仿真條件為Vdc=1000V,Vac=380V,Fsw=16kHz,Fout=50Hz,在逆變工況時,NPC1的損耗主要集中在T1/T4管,包括導通損耗和開關損耗;T2/T3為常開狀態,損耗主要為導通損耗;D5/D6在換流時導通,其損耗包括導通損耗和反向恢復損耗。
在整流工況下,損耗主要集中在D1/D4管和T2/T3管,D1/D4存在導通損耗和反向恢復損耗,T2/T3在換流時產生導通損耗和開關損耗,而D2/D3和D5/D6僅存在導通損耗。
NPC2
在NPC2拓撲中,用一對共射極或共集電極的IGBT和反并聯二極管代替NPC1二極管鉗位的功能,減少了兩個二極管器件,其中T1/T4管承受全母線電壓,T2/T3管承受半母線電壓。
2.1. 電流路徑
NPC2的工作模態和NPC1類似,在逆變工況下,正半周期時,T2保持常開狀態,T1和D3換流;負半周期時,T3保持常開狀態,T4和D2換流。在整流工況下,正半周期時,T2仍保持常開狀態,由D1換流至T3/D2;負半周期時,由D4換流至T2/D3。
2.2. 損耗分布
以F3L500R12W3H7器件(NPC2)在100kW PCS的仿真為例,仿真條件為Vdc=1000V,Vac=380V,Fsw=16kHz,Fout=50Hz,在NPC2拓撲中T1/T4為高壓器件,開關損耗較大些,但由于電流路徑上的開關器件數量減少,導通損耗更小,因此NPC2拓撲在中低開關頻率的系統中效率更優。而NPC1拓撲中電流路徑上的器件數量增加,會產生更大的導通損耗,但每個器件只承受半母線電壓,開關損耗大幅降低,因此在高頻時更有優勢。
以Irms=150A,Vdc=730V,PF=1,M=1的工況為例進行仿真,使用相同電流等級,不同耐壓的模塊組成兩電平、NPC1和NPC2拓撲,各拓撲產生的總損耗隨開關頻率變化的曲線如上圖所示,可以看到兩電平拓撲僅在低頻時總損耗較小,NPC1和NPC2拓撲的總損耗在16kHz時存在交叉點,交叉點前NPC2拓撲整體損耗低于NPC1拓撲,效率更優,在交叉點后NPC1拓撲的總損耗的上升速率低于NPC2拓撲,高頻下NPC1拓撲的效率更優,值得注意的是交叉點的頻率也隨應用工況和具體器件特性不同而略有差異。
ANPC
將NPC1中的鉗位二極管更換為IGBT和反并聯二極管就形成了ANPC拓撲,其拓展了兩條零電平換流路徑,通過對零電平換流路徑的選擇和控制可以實現更均衡的損耗分布和更小的換流回路雜感。
3.1. 電流路徑
ANPC在每個模態時的零電平換流有多條路徑可供選擇,根據調制算法的不同分為ANPC-1和ANPC-2以及ANPC-1-00等,三種調制算法的狀態表如下所示。
可以看出在ANPC-1中,采用短換流回路進行換流,T2和T3以輸出電壓基波分量的頻率進行開關動作,其余均以開關頻率進行開關動作(表中以深灰色標記)。
在ANPC-2中,采用長換流回路進行換流,T2和T3以開關頻率進行開關動作,其余均以輸出電壓基波分量的頻率進行開關動作。
ANPC-1-00是在ANPC-1的基礎上增加了‘0’狀態,此時0+和0-充當P至0和N至0轉換時的中間切換態,ANPC-1-00調制算法通過兩條并聯的換流路徑減小了零電平時的導通損耗,以上不同的調制算法會產生不同的損耗分布。
本文主要和大家討論了三電平逆變器拓撲的優勢、常見三電平拓撲的換流路徑、損耗分布,后續會針對三電平的雙脈沖測試、阻斷態均壓問題、調制策略等內容和大家討論,敬請期待。
(作者:Hou Henry,來源:英飛凌工業半導體)
免責聲明:本文為轉載文章,轉載此文目的在于傳遞更多信息,版權歸原作者所有。本文所用視頻、圖片、文字如涉及作品版權問題,請聯系小編進行處理。
推薦閱讀:
基于 GaN 的高效率 1.6kW CrM 圖騰柱PFC參考設計 TIDA-00961 FAQ






