中心議題:
- 變流器的組成原理
- 多電壓等級恒功率輸出的變流器實例
解決方案:
- 變頻功率單元串聯
1 引言
隨著電力電子器件的發展,變流器廣泛應用于電信、能源、交通運輸、軍事裝備、材料工程、電力系統和電氣傳動領域,以驅動電氣傳動機構或作為變頻電源使用。目前,比較先進的高壓電機變頻調速裝置采用igbt功率單元串聯(h橋串聯)多電平技術、數字控制技術、spwm脈寬調制技術,具有高效節能、高功率因數及高可靠性等特點,結束了傳統方法造成的能源和人力浪費,延長了電機、風機、水泵等使用壽命,改善了生產工藝,提高了生產效率。
h橋串聯多電平技術的發展為變流器的大容量化開辟了新的途徑,電平數量越多,輸出波形諧波失真越小,越接近于正弦輸出,更適合大容量、高電壓的場合。
目前,變頻裝置在輸出電壓降低時輸出功率也等比的減小,在需要多電壓等級恒功率輸出的場合,只能選擇多個變頻調速裝置來實現,通過一個變流器能夠實現多電壓等級恒功率輸出的變流器是電力電子設備市場急需的產品。
2 變流器組成原理
a、b、c三相電源接入變流器,其輸出接電動機,如圖1所示。

全電壓等級如圖2所示,每相由n個變流功率單元串聯組成一個變流鏈,實現全電壓三相交流恒功率輸出,其中n為偶數。

[page]
1/2全電壓等級如圖3所示,由n/2個變頻功率單元串聯組成1個變流鏈,每相由2個變流鏈相并聯,實現1/2全電壓等級的三相交流恒功率輸出,其中n為偶數。

1/4全電壓等級如圖4所示,由n/4個變頻功率單元串聯組成1個變流鏈,每相由4個變流鏈相并聯,實現1/4全電壓等級的三相交流恒功率輸出,其中n為偶數。

1/8全電壓等級如圖5所示,由n/8個變頻功率單元串聯組成1個變流鏈,每相由8個變流鏈相并聯,實現1/8全電壓等級的三相交流恒功率輸出,其中n為偶數。

[page]
1/n全電壓等級如圖6所示,由n個變頻功率單元并聯組成,實現1/n全電壓等級的三相交流恒功率輸出。

直流或單相交流恒功率輸出如圖7所示,如將每相n個變頻功率單元并聯,再將三相所屬變流并聯單元再進行并聯,可實現直流輸出或單相交流恒功率輸出。

該方法需要滿足的控制條件是:
(1)各變頻功率單元的串、并聯通過控制相應開關的分、合閘來實現,控制原則是所需恒功率輸出的電壓等級;
(2)同一個變流鏈中的各變頻功率單元輸出同相位、同頻率,而且電壓幅值相等;
(3)并聯的各個變流鏈輸出電流相等。
[page]
3 變流壓實例
實施例1:n=8,功率為5000kva。
圖8所示的是全電壓等級13.2kv的拓撲圖:每相由8個變頻功率單元串聯組成1個變流鏈,實現全電壓13.2kv三相交流恒功率5000kva輸出。
圖9所示的是1/2全電壓等級6.6kv的拓撲圖:由4個變頻功率單元串聯組成1個變流鏈,每相由2個變流鏈相并聯,實現6.6kv等級的三相交流恒功率5000kva輸出。

圖10所示的是1/4全電壓等級3.3kv的拓撲圖:由2個變頻功率單元串聯組成1個變流鏈,每相由4個變流鏈相并聯,實現3.3kv等級的三相交流恒功率5000kva輸出。

[page]
圖11的是1/8全電壓等級1.65kv的拓撲圖:由1個變頻功率單元組成一個變流鏈,每相由八個變流鏈相并聯,實現1.65kv電壓等級的三相交流恒功率5000kva輸出。
圖12所示的是直流0-1000v或單相交流恒功率輸出的拓撲圖:如將每相8個變頻功率單元并聯,再將三相所述變流并聯單元再進行并聯,可實現直流輸出0-1000v恒功率5000kva輸出。

圖13的是變流器具體原理圖:為n=8、功率為5000kva變流器。其輸出能力、對應的開關狀態和控制方式如表所示。
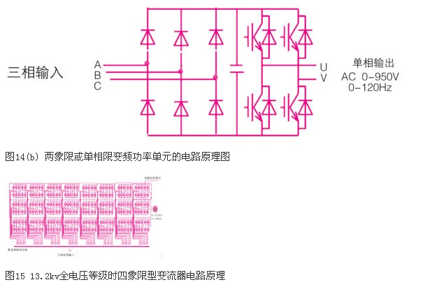
圖13中的每個變頻功率單元的具體原理見圖14,當變頻功率單元為圖14(a)時就是四象限變流電,當變頻功率單元為圖14(b)時就是兩(或單)象限變流器。

圖14(a)中,此變頻功率單元基本拓撲結構為交椫睏交型三相可控整流/單相逆變輸出的電壓源型變頻器,整流側為三相可控整流橋,將輸入的三相交流整流成直流;逆變側為單相逆變,實現單相可控交流0~950v輸出。此變頻功率單元能夠實現能量的雙向流動,電流可從電網經中間直流電容流向電機,也可因電機制動或電機工作在發電工況時,電流從電機經直流環節的電容流向電網,實現四象限運行控制。其中可控整流器件和逆變器件可以是igbt(igct、iegt)。
圖14(b)中,此變頻功率單元基本拓撲結構為交椫睏交型三相二極管不可控整流/單相逆變輸出的電壓源型變頻器,即此變頻單元是三相交流輸入,單相輸出為可控的交流0~950v。其中逆變器件可以是igbt(igct、iegt)。

此變流器基于多電平h橋串聯技術,最高輸出達到13.2kv,無需升壓變壓器,容量為5000kva。
[page]
由電網送來的三相交流電接入整流移相變壓器t2,整流移相變壓器t2的二次有24個三相繞組分別給24個變頻功率單元供電,每相由8個變頻功率單元的單相輸出首尾串聯,而每個變頻功率單元的輸出電壓可控制在0~950v范圍內,各變頻功率單元輸出的pwm波移相疊加后,形成7.6kv的相電壓,a、b、c三相采用y形連接,形成了線電壓最高為13.2kv的高質量的正弦波輸出(頻率在0~120hz可設定,電壓在0~13.2kv)供給電動機或作為變頻電源。
每個變頻功率單元是完全成熟的技術,而變頻功率單元的輸出電壓和串聯數量決定了此變流器的最高輸出電壓,每個變頻功率單元的額定電流決定此變流器的輸出電流。
整流移相變壓器的一次繞組是y型,每個二次繞組為延邊△型,一次電壓根據應用電網的電壓設計。
通過對各開關的分合閘控制,實現a、b、c三相每相各自變頻單元的并聯,而得到不同電壓等級的輸出。保證了不同電壓等級下的功率輸出仍然是5000kva。
交流輸出端子共有4組,直流輸出端子1組,輸出能力、開關的刀閘狀態、控制方式見附表。

圖15是全電壓13.2kv等級時四象限型變流器電路原理圖。變頻功率單元為圖14-a時,每相8個變頻功率單元串聯,實現全電壓13.2kv三相交流恒功率5000kva輸出。
4 結束語
本文介紹的可變電壓恒功率輸出的高壓大功率變流器,已制成實用的高壓變頻器產品,是高壓電機性能試驗的理想設備。因為一臺此高壓變頻器可以用于多種電壓等級的高壓大功率電機性能試驗。這樣可以節省大量設備投資,節省設備安裝產地,是種很實用的創新產品,即有實用價值,更有推廣價值。




