【導讀】硅基MOSFET和IGBT過去一直在電力電子應用行業占據主導地位,這些應用包括不間斷電源、工業電機驅動、泵以及電動汽車(EV)等。然而,市場對更小型化產品的需求,以及設計人員面臨的提高電源能效的壓力,使得碳化硅(SiC)MOSFET成為這些應用中受歡迎的替代品。
硅基MOSFET和IGBT過去一直在電力電子應用行業占據主導地位,這些應用包括不間斷電源、工業電機驅動、泵以及電動汽車(EV)等。然而,市場對更小型化產品的需求,以及設計人員面臨的提高電源能效的壓力,使得碳化硅(SiC)MOSFET成為這些應用中受歡迎的替代品。
與硅基MOSFET一樣,SiC MOSFET的工作特性和性能也依賴于柵極驅動電路的設計,該電路負責開啟和關閉器件。然而,SiC的特定特性要求對MOSFET器件和柵極驅動電路進行仔細選擇,以確保安全地滿足應用需求,并盡可能提高效率。在本文中,我們將討論為SiC MOSFET選擇柵極驅動器時應考慮的標準。
電力電子設計中的效率
電力電子系統可處理高達數十兆瓦的大量電能,在當今市場上,電力電子應用設計越來越受到效率需求以及法規要求的推動。電流密度和效率是實現市場所需的更小外形尺寸的關鍵因素,因為更高的效率可降低功耗,從而減少對印刷電路板和外殼冷卻解決方案的需求。
隨著排放法規的日益嚴格,效率問題也受到了越來越多的關注。例如,MOSFET是電力驅動系統(PDS)的關鍵元件,這些系統驅動著電動機的運轉。據歐盟委員會估計,僅在歐洲就有約80億臺電動機在使用,其消耗的電能幾乎占該地區電能的一半1。因此,毋庸置疑,這些設備的電氣效率會受到越來越嚴格的監管要求。
SiC MOSFET只要使用得當,就能在功率密度和效率方面提供顯著優勢。更緊湊的SiC元件具有更高的開關頻率,可以減小整體系統尺寸,在電動汽車等對空間和重量敏感的應用中具有明顯優勢。不過,為了實現SiC MOSFET的潛在優勢,必須通過精心選擇合適的柵極驅動器,使器件適合應用的具體要求。
SiC MOSFET 特性
系統尺寸和電氣效率是許多現代電力電子系統的關鍵要求,而碳化硅已成為一種流行的半導體技術。作為一種寬禁帶材料,SiC與硅相比具有眾多優勢,包括高熱導率、低熱膨脹系數、高最大電流密度和卓越的導電性。此外,SiC的低開關損耗和高工作頻率也提高了效率,特別是在需要大電流、高溫和高熱導率的應用中。
碳化硅器件的電壓閾值高達10千伏,而硅器件的電壓閾值僅為900伏,臨界擊穿場強也更高,因此厚度更薄的碳化硅器件可以支持更高的額定電壓。
如果實施得當,SiC器件能為設計人員帶來效率和開關頻率方面的重要優勢,而且更緊湊的SiC元件還能減小整個系統的尺寸。這些優勢對于電動汽車、軌道交通或能源基礎設施等對空間和重量敏感的應用極為有用。隨著碳化硅技術不斷進步,可承受的電壓也越來越高,器件的額定電壓可達1700V及以上,它相對于傳統硅材料的優勢將更加明顯。
SiC MOSFET柵極驅動器設計考慮因素
柵極驅動器的設計可確保電源應用中使用的MOSFET安全運行。選擇柵極驅動器時需要考慮的因素包括:
?米勒電容(CDG) 與寄生導通(PTO)
SiC MOSFET容易產生寄生導通(PTO),這是由于米勒電容CDG在開關過程中將漏極電壓耦合到柵極。當漏極電壓上升時,該耦合電壓可能會短暫超過柵極閾值電壓,使MOSFET導通。在同步降壓轉換器等電路中,MOSFET通常成對使用,其中有一個高壓側和一個低壓側MOSFET,而PTO會導致這些電路中的“直通”(shoot-through)導通。
當高壓側和低壓側MOSFET同時導通時,就會發生直通導通,導致高壓通過兩個MOSFET短路到GND。這種直通的嚴重程度取決于MOSFET的工作條件和柵極電路的設計,關鍵因素包括總線電壓、開關速度,(dv/dt)和漏極-源極電阻(RDS(ON))。在最壞的情況下,PTO會引發災難性的后果,包括短路和MOSFET損壞。
與PCB布局和封裝有關的寄生電容和電感也會加劇PTO。如下文所述,可以通過對器件的關斷電壓進行負偏置來避免這種情況。
?柵極驅動器電壓范圍
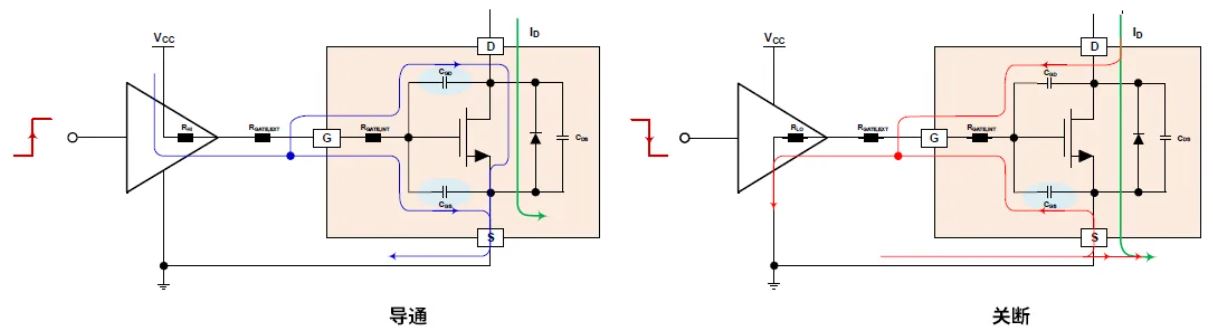
MOSFET的導通和關斷是通過向其柵極施加電壓實現的,電壓由專用的柵極驅動器提供,如圖1所示。柵極驅動器負責提供拉電流,使MOSFET的柵極充電至最終導通電壓VGS(ON),并在器件放電至最終關斷電壓VGS(OFF)時提供灌電流。
圖1:柵極驅動器在MOSFET開/關操作中的驅動方式和電流路徑。MOSFET模型包括寄生電容,如CGD和CGS,它們必須充電和放電。
柵極驅動的正電壓應足夠高,以確保MOSFET能夠完全導通,同時又不超過最大柵極電壓。在使用碳化硅MOSFET時,必須考慮到它們通常需要比硅MOSFET更高的柵極電壓。同樣,雖然0 V的電壓足以確保硅MOSFET關斷,但通常建議SiC器件采用負偏置電壓,以消除寄生導通的風險。在關斷過程中,允許電壓向下擺動到-3 V甚至-5 V,這樣就有了一定的余量或裕度,可以避免在某些情況下觸發VGS(TH),從而意外導通器件。
以這種方式負偏置柵極電壓還能降低MOSFET的EOFF損耗。如圖2所示,在驅動安森美的第2代"EliteSiC M3S "系列SiC MOSFET時,將關斷電壓從0 V降到-3 V,可將EOFF損耗降低25%。
圖2:負柵極偏置(來源:AND90204/D)
RDS(ON)是當器件通過施加到柵極上的特定柵極到源極電壓(VGS)導通時,MOSFET的漏極和源極之間的電阻。隨著VGS的增加,RDS(ON)通常會減小,一般來說,RDS(ON)越小越好,因為MOSFET被用作開關。總柵極電荷QG(TOT)是使MOSFET完全導通所需的電荷,單位為庫侖,通常與RDS(ON)成反比。QG(TOT)電荷由柵極驅動器提供,因此驅動器必須能夠提供拉灌所需的電流。
優化功率損耗
要利用碳化硅MOSFET降低開關損耗,設計人員需要注意權衡考慮多方面因素。SiC MOSFET的總功率損耗是其導通損耗和開關損耗之和。導通損耗的計算公式為ID2*RDS(ON),其中ID為漏極電流,選擇RDS(ON)較低的器件可將導通損耗降至最低。然而,由于上述QG(TOT)與RDS(ON)之間的反比關系,較低的RDS(ON)值要求柵極驅動器具有較高的拉電流和灌電流。換句話說,當設計人員選擇RDS(ON)值較低的SiC MOSFET來減少大功率應用中的導通損耗時,柵極驅動器的拉電流(導通)和灌(關斷)電流要求也會相應增加。
SiC MOSFET的開關損耗更為復雜,因為它們受到QG(TOT)、反向恢復電荷(QRR)、輸入電容(CISS)、柵極電阻(RG)、EON損耗和EOFF損耗等器件參數的影響。開關損耗可以通過提高柵極電流的開關速度來降低,但與此同時,較快的開關速度可能會帶來不必要的電磁干擾(EMI),特別是在半橋拓撲結構中,在預期的開關關斷時還可能觸發PTO。如上所述,還可以通過負偏置柵極電壓來降低開關損耗。
柵極驅動器示例- 安森美 NCP(V)51752
因此,柵極驅動器的設計對于確保電力電子應用中的SiC MOSFET按預期工作至關重要。幸運的是,市場上有大量由安森美等制造商提供的專用柵極驅動IC,這些IC讓設計者無需把精力放在驅動電路設計的細節中,同時節省了物料清單(BoM)成本和PCB空間。
例如,NCP(V)51752系列隔離式SiC柵極驅動器專為功率MOSFET和SiC MOSFET器件的快速開關而設計,拉電流和灌電流分別為4.5 A和9 A。NCP(V)51752系列包括創新的嵌入式負偏壓軌機制,無需系統為驅動器提供負偏壓軌,從而節省了設計工作和系統成本。
結論
SiC MOSFET具有增強的導電性、低開關損耗、高工作頻率和高耐壓能力,為快速電池充電器和伺服驅動器等電力電子應用的設計人員帶來了眾多優勢。柵極驅動器電路的設計是確保SiC MOSFET發揮預期功能、優化損耗并防止PTO情況造成損壞的關鍵。因此,謹慎選擇MOSFET和柵極驅動器對最終應用的性能至關重要。
[1]歐盟委員會 - 能源標簽和生態設計, https://ec.europa.eu/info/energy-climate-change-environment/standards-to..., retrieval date: 6/21/2021.
(本文作者:Bob Card,安森美營銷經理)
免責聲明:本文為轉載文章,轉載此文目的在于傳遞更多信息,版權歸原作者所有。本文所用視頻、圖片、文字如涉及作品版權問題,請聯系小編進行處理。
推薦閱讀:


