- 靜電放電保護方案概覽
- 抑制器技術比較
- 應用及終端產品
- 間隙技術(空氣間隙)
高清電視及顯示器的發展加速提高了信號傳輸速率,除此之外,USB 2.0以及USB 3.0等高速串行協議的應用也使信號速率在不斷提高。隨著信號速率的提高,以前傳統的ESD保護技術已顯得過時,多層壓敏電阻、硅二極管的高電容、漏電流以及鉗位電壓已經不能提供準確可靠的保護,以保證高速信號不發生明顯的信號降級。
通過采用間隙技術(gap technology),特別是采用空氣作為間隙,已經在低電容抑制器、更低漏電流、更低鉗位電壓等方面實現了可觀的性能提升。總之,在重復多次或持續的 ESD事件后,聚合物間隙抑制器會降級,而空氣間隙器件仍將保持非常低的電容、漏電流和觸發電壓,即使在1s事件間隔內經過1000次ESD事件,也能保持良好的性能。
靜電放電保護方案概覽
對于數據速率在350Mb/s或低于350Mb/s的應用,瞬態抑制二極管和多層壓敏電阻是提供保護的極好選擇。這些應用包括標清LCD顯示器、TFT顯示器,以及大多數的計算機周邊接口及連接。這些信號天生就允許高的插入損耗、高鉗位電壓和觸發電壓。鑒于電源引腳上并沒有任何信號,因此,高速抑制相應并不是必需的。瞬態抑制二極管和多層壓敏電阻也可以有效地保護像USB 2.0以及其他更高速率的接口電源引腳。但是,對于像DVI、HDMI、USB 3.0以及最新的IEEE 1394 A和B標準下的數據通信線路,實現最小信號失真的高速抑制響應對于系統性能和電路保護是至關重要的。這些應用包括數字視頻設備、MP3播放器、手機、 PDA、網絡交換器、有線和衛星電視機頂盒、打印機、掃描儀、復印機以及筆記本電腦和上網本等計算機設備。

圖1 不同數據速率對應的靜電放電抑制技術
表 1給出了在靜電放電抑制器件中常用的幾種核心技術的優點和缺點對比。聚合物靜電放電抑制器件在各種技術中可提供最低的漏電流,可承受非常高的靜電放電電壓脈沖,但在多次靜電放電事件后器件會開始降級。除此之外,該類器件相對高的觸發電壓和鉗位電壓(比空氣間隙放電產品高出50~100倍)則意味著更多的靜電放電脈沖能量可以通過被保護的電路。
表1 幾種不同抑制器技術比較


多年以來,在多種電器設備中廣泛應用多層壓敏電阻來提供有效的靜電放電抑制。多層壓敏電阻相對較低的擊穿電壓和觸發電壓以及能經受多次脈沖的能力是相當令人滿意的。可是,多層壓敏電阻具有較高的漏電流和電容,并且降低電容帶來的有害影響導致其無法勝任高速數據的應用。[page]
基于硅的瞬態電壓抑制器件工作在標準P/N結的擊穿狀態,相比基于聚合物-間隙(polymer- gapbased)的器件可提供相對低的觸發電壓和鉗位電壓。該類器件的泄漏電流比空氣間隙器件(air-gap device)的高10~20倍,其相對較高的固有電容導致高信號失真和插入損耗。基于空氣間隙的器件在以上討論過的所有技術中可提供最低的電容和鉗位電壓,其工作在兩個電極間的惰性氣體擊穿狀態。基于空氣間隙的器件可以防止高達15kV的脈沖,它們在經歷1000次脈沖沖擊后性能特點也相當穩定(如圖2 所示)。基于空氣間隙的器件泄漏電流略高于基于聚合物-間隙的器件,但是其電容和插入損耗與聚合物器件相當或者稍好一些,并且其鉗位電壓和觸發電壓要低得多。

圖2 基于空氣-間隙的器件在經歷1000次脈沖沖擊后性能特點也相當穩定
應用及終端產品
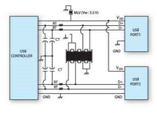
許多高速數據應用和終端產品采用混合式保護方式,在數據和時鐘線上采用基于間隙的器件,在電源連接部分采用多層壓敏電阻或基于硅的瞬態電壓抑制二極管。例如,USB接口的D+和D–線要求高速保護,這可以采用分立的芯片利用附加的多層壓敏電阻或瞬態電壓抑制器件用于VDD電源保護。PC、筆記本電腦、上網本等產品中常常需要多個USB接口連接。
對于這些設備,兩個分離的端口的數據線對(data line pairs)可以采用在USB控制器和端口之間的一個單芯片陣列來實現保護功能(如圖3所示)。理想情況下,靜電放電抑制器件應該盡可能地在物理上靠近 USB端口,以保證提供合適的電路保護。

圖3 兩個分離的端口的數據線對可以采用在USB控制器和端口之間的一個單芯片陣列來實現保護功能
現在,在高清電視和顯示器中,HDMI連接已經非常普遍。這些連接器共擁有19個引腳,包括:3個數據通道對(data channel pairs)(每個帶一個地)、一個TMDS對(加上地)、DDC數據、時鐘、CE遠程線,所有這些都需要高速保護。通過將2個數據通道對采用一個陣列,另一個數據通道對與TMDS時鐘對采用一個陣列,則只需要兩個靜電放電抑制陣列,即可對8個高速連接提供有效的保護,剩下的3個(DDC數據、時鐘、CE 遠程線)可以采用分立的靜電放電抑制芯片來實現保護功能。
數碼相機、手機、PDA中常用的小型存儲卡的保護相對來說就比較簡單了,唯一不同的一點要求是器件的尺寸要小,像0402尺寸的器件就可以很好地滿足要求。
雖然0201尺寸的器件還不能確定什么時候會面市,但可以預見將來會出現0201尺寸的器件。對這些SIM卡,常用分立的高速抑制芯片來保護I/O、時鐘、復位引腳,而VCC電源引腳則采用多層壓敏電阻或瞬態抑制器件來實現保護功能。
由USB、HDMI、DVI以及其他的高速接口帶來的更快的數據通信速率,使得過去傳統的ESD解決方案不再有效。多層壓敏電阻和基于硅的瞬態電壓抑制器件具有太高的電容,導致無法保證高速數據通信時的不失真和插入損耗。新型的基于間隙的器件將有效電容大大降低,達到 0.05pF或者更低。此外,基于間隙的器件可提供非常低的漏電流和極高的穩定性,甚至可以經受上千次的ESD事件。近期的技術突破使得比聚合物器件具有更低電容和更低觸發電壓,以及鉗位電壓的基于空氣間隙的ESD抑制器件成為現實。低觸發電壓和低鉗位電壓意味著可實現更精確的保護,以及更少的來自ESD 的能量到達敏感器件,以得到更長久的可靠性。




