【導讀】集成電路 (IC) 降低了硬件開發成本,促進了電子設備的小型化并具有廣泛的功能,因此比以往任何時候都更加搶手。為確保大批量生產的質量,半導體制造商需要可靠、緊湊的自動測試設備 (ATE) ,能夠在保持信號低電平、信號高電平且損耗最小的情況下快速開關高頻 AC 和 DC 電流。
集成電路 (IC) 降低了硬件開發成本,促進了電子設備的小型化并具有廣泛的功能,因此比以往任何時候都更加搶手。為確保大批量生產的質量,半導體制造商需要可靠、緊湊的自動測試設備 (ATE) ,能夠在保持信號低電平、信號高電平且損耗最小的情況下快速開關高頻 AC 和 DC 電流。
基于光電 MOSFET 的固態繼電器 (SSR) 是 IC 測試儀和 ATE 應用的理想之選。這些器件的微型尺寸和無磨損特性尤其引人關注。
本文簡要討論 ATE 的要求。然后介紹 Panasonic 的 PhotoMOS 系列固態繼電器中不同類型的光伏 MOSFET 繼電器,并著重說明這種繼電器在元件幾何形狀和開關特性方面的差異。本專題最后還將介紹加快開關速度和降低 PhotoMOS 特定型漏電流的設計技巧。
封裝密度高,信號路徑短
自動 IC 測試儀使用密集的針狀適配器(探頭卡)與被測設備 (DUT) 接觸,以進行功能測試。測試頭中的模塊可產生并分配高速測試脈沖,提供適當的電壓并開關測量通道。每次測試時都必須在密閉空間內進行,以盡量減少線路損耗,縮短信號傳播時間并減少干擾和信道串擾。
為此,設計人員可以使用小型開關元件,如 Panasonic 的 AQ 系列繼電器。例如,壓控 CC 型 AQY2C1R6PX PhotoMOS 固態繼電器采用 TSON 封裝, 大小為 3.51 mm2 (1.95 × 1.80 mm)(圖 1)。該器件利用電容耦合提供 200 V 隔離保護,并采用電壓控制且控制功率只需 1.2 mW。
圖 1:所示為 AQ 系列小信號 PhotoMOS 繼電器的外殼尺寸(以 mm 為單位)。(圖片來源:Panasonic,經作者修改)
電流控制 RF 型 AQY221R6TW PhotoMOS 繼電器封裝小,僅為 3.8 mm2,但其 VSSOP 外殼比 AQY2C1R6PX 高 3.6 倍。該器件的控制功率只需 75 mW,并利用光耦合提供 200 V 保護隔離。CC 和 RF 型的漏電流 (ILeak) 非常低,僅為 10 納安 (nA) 。
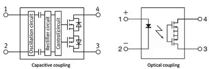
圖 2 顯示了帶電容耦合的 CC 型繼電器(左) 和帶光學耦合的 RF 型繼電器(右)的電路原理。
圖 2:AQY2C1R6PX CC 型 PhotoMOS 固態繼電器(左)采用電容耦合,由電壓驅動;AQY221R6TW RF 型(右)采用光耦合,由電流驅動。(圖片來源:Panasonic,經作者修改)
GE AQV214EHAX 型還采用了光耦合技術,在控制電路 (IN) 和負載電路 (OUT) 之間提供高達 5 kV 的較高保護絕緣。該器件采用體積較大的 6-SMD 封裝,尺寸為 8.8 mm x 6.4 mm,有鷗翼引線。GE 系列的 SSR 只需 75 mW 控制功率,即可在最高 400 V 電壓下開關高達 150 mA 的負載電流。
優化接觸電阻和輸出電容
與典型的半導體器件一樣,固態繼電器也具有“導通”電阻 (Ron) 和輸出電容 (Cout) ,這兩個參數分別會導致熱損耗和漏電流。根據需要開關的信號類型,不同類型的繼電器會對這兩個參數中的某一個進行優化。
Ron 特別低的固態繼電器,在開關高頻 AC 測試脈沖時衰減較小。具有低 Cout 的固態繼電器,可對 DC 信號進行更精確的測量,而 Cout 高的固態繼電器則適用于開關更高的功率。圖 3 所示為一個自動半導體器件測試系統,并說明了哪些 PhotoMOS 繼電器類型最適合測試頭測量模塊中的各種信號路徑。
圖 3:這套自動半導體測試系統的每個信號路徑都需要特定類型的 PhotoMOS 繼電器。(圖片來源:Panasonic)
AQY2C1R3PZ 和 AQY221N2TY PhotoMOS 繼電器分別具有 1.2 pF 和 1.1 pF 的低 Cout。這樣,這些器件的開關時間可達 10 μs 和 20 μs (AQY2C1R3PZ) ,以及 10 μs 和 30 μs (AQY221N2TY) 。這兩款繼電器的折衷結果是增大了 Ron,分別達到 10.5 Ω 和 9.5 Ω,并導致損耗和元件發熱增加。這些 PhotoMOS 繼電器適用于以較低的電流快速開關測量信號,而且在高頻信號下產生的反射/相移較小。
前文討論過的 AQY2C1R6PX 和 AQY221R6TW 更適合開關速度較慢的電源信號和電流較大的電源電壓。雖然這些器件的 Ron 較低,導致元件發熱較少,但其 Cout 較大,會對信號產生積分器效應。
將信號失真降至最低
例如,用于 AC 信號的光電三端雙向可控硅,或者用于脈動 AC 信號的帶雙極晶體管的光耦合器,只代表簡單開關 (1 form A) 的半導體繼電器這些器件會因閾值、觸發電壓和開關延遲而導致負載信號失真。此外,反向恢復電流會產生諧波過沖(瞬時振蕩)和 10 mmA 至 100 mA 漏電流。
在 Panasonic 的 PhotoMOS 繼電器中,帶有驅動電路的 FET 半橋最大程度地減少了這些信號失真,因此適用于諸如高速測試脈沖、測量信號和電源電壓等 AC 和 DC 小信號的低損耗開關。關斷時,兩個輸出連接之間的漏電流低于 1 微安 (μA)。
PhotoMOS 繼電器分為 form A 型(單極單擲、常開觸點 (SPST-NO))或 form B 型(常閉觸點、SPST-NC)以及多路產品。設計人員可通過組合 form A 和 form B 型器件來制造 form C 型開關,如單刀雙擲 (SPDT) 、單刀轉換開關和雙刀雙擲 (DPDT) 開關。
例如,AQS225R2S 是一款采用 SOP16 封裝的 4 路 PhotoMOS 繼電器 (4SPST-NO),在開關電壓高達 80 V 的情況下可處理高達 70 mA 的電流。此外,AQW214SX 是一款采用 SOP8 封裝的雙路 PhotoMOS 繼電器 (2SPST-NO) ,在開關電壓高達 400 V 時可處理高達 80 mA 的負載電流。
圖 4 所示為 SSR、PhotoMOS 和光耦合器的內部結構及其典型的信號失真。PhotoMOS 繼電器在阻性負載下不會造成信號削波或類似失真。
圖 4:由于閾值電壓和觸發電壓,SSR 和光耦合器會導致輸出信號失真;而 PhotoMOS 繼電器在開關 AC 和 DC 信號時不會失真。(圖片來源:Panasonic,經作者修改)
為了減弱感性和容性開關負載的反饋效應,從而保護 PhotoMOS 輸出級,設計人員必須在輸出側添加鉗位和續流二極管、RC 和 LC 濾波器或壓敏電阻。在 CC 系列中,鉗位二極管可保護輸入振蕩器免受過壓峰值的影響,并將控制信號限制在 3 V 至 5.5 V 之間,而 RC 濾波器可確保殘余紋波小于 ±0.5 伏。
減小漏電流
斷電時,PhotoMOS 繼電器的 Cout 可作為交流電流和高頻脈沖序列的旁路。為了大幅降低此類漏電流并最大限度地提高高頻隔離能力,Panasonic 建議使用三個獨立的 PhotoMOS 繼電器,形成 T 電路(圖 5,左)。在主信號路徑中,1 Form A PhotoMOS 繼電器 S1 和 S2 均為低 Ron 器件,而 1 Form A 短路開關 S3 則為低 Cout 器件。
圖 5:當 S1 和 S2 斷開時,接通的繼電器 S3 對所有泄漏電流起短路作用(T 電路處于斷開狀態,右圖) 。(圖片來源:Panasonic,經作者修改)
T 電路接通狀態(圖 5,中間):在 S1 和 S2 接通的情況下,其 Ron 最大程度地衰減信號電平,而關斷的 S3 繼電器的低 Cout 則對高頻(低通)的衰減很小。
T 電路關斷狀態(圖 5 右):如果 S1 和 S2 處于斷電狀態,其 Cout 即為高頻旁路(高通),但接通的 S3 繼電器會使通過 S1 的容性信號短路(吸入回路)。
T 電路的接通/斷開定時必須以先斷后通 (BBM) 開關的方式實現。因此,在接通 S3 之前,應先斷開 S1 和 S2。對于繼電器,BBM 表示觸點分別開關,而先通后斷 (MBB) 表示觸點以橋接方式開關。
加快 PhotoMOS 繼電器的開關速度
PhotoMOS 繼電器的內部光電傳感器可用作太陽能電池,提供柵極充電電流。因此,LED 發出的光脈沖越亮,開關速度就越快。例如,圖 6 中的自舉元件 R1/R2/C1 會產生較大的電流脈沖。
圖 6:自舉元件 R1/R2/C1 提高了 PhotoMOS 繼電器的接通速度。(圖片來源:Panasonic)
在接通瞬間,C1 對 R2 起短路作用,因此 R1 的低電阻允許大電流流過。如果 C1 帶有電荷且電阻較高,則需要添加 R2,以減少磁繼電器的保持電流。因此,AQV204 PhotoMOS 繼電器的接通時間從 180 μs 縮短到 30 μs。
結束語
通過使用小型無磨損的 PhotoMOS 繼電器,設計人員可以提高 ATE 應用的信號密度和測量速度,同時減少維護需求。此外,遵循推薦的設計技術有助于最大限度地減少漏電流和開關時間。
(作者:Jens Wallmann)
免責聲明:本文為轉載文章,轉載此文目的在于傳遞更多信息,版權歸原作者所有。本文所用視頻、圖片、文字如涉及作品版權問題,請聯系小編進行處理。
推薦閱讀:
STM32開發者社區:從這里開啟你的STM32之旅!小白和PRO都友好





