【導讀】在我們深入討論主題之前,我們將簡要回顧VNA的動態范圍如何影響其準確測量濾波器響應的能力。然后,我們將檢查干擾信號可能導致的不準確性。一旦我們掌握了背景信息,我們將準備討論可以幫助我們避免由于動態范圍不足而導致的測量誤差的技術。
本文解釋了如何估計矢量網絡分析儀(VNA)對給定測量所需的動態范圍,然后討論了將動態范圍提高到所需水平的四種技術。
正如我們在前一篇文章中所了解到的,矢量網絡分析儀(VNA)的動態范圍在測量例如高選擇性濾波器的頻率響應時起著關鍵作用。在本文中,我們將了解如何估計測量所需的VNA動態范圍。我們還將討論四種提高VNA動態范圍的方法,即:
信號平均。
調整中頻(IF)帶寬。
分段掃描。
使用可重新配置的測試端口。
在我們深入討論主題之前,我們將簡要回顧VNA的動態范圍如何影響其準確測量濾波器響應的能力。然后,我們將檢查干擾信號可能導致的不準確性。一旦我們掌握了背景信息,我們將準備討論可以幫助我們避免由于動態范圍不足而導致的測量誤差的技術。
濾波器響應測量中的動態范圍
系統的動態范圍定義為系統可以測量的最高和最低振幅信號之間的差異,如圖1所示。
圖1。動態范圍演示。圖片由Steve Arar提供
圖2展示了為什么在測量具有大阻帶抑制的濾波器時,VNA的動態范圍是一個關鍵因素。
在具有不同動態范圍的兩個VNA上測量的帶通濾波器的頻譜。
圖2:使用具有較差動態范圍(左)和良好動態范圍(右)的VNA測量的帶通濾波器的頻率響應。圖片由安捷倫科技提供
在圖2的左側部分,靈敏度約為–60 dB的VNA用于測量具有90 dB阻帶抑制的濾波器。較差的動態范圍導致VNA主要測量其自身的噪聲本底,而不是濾波器的阻帶行為。在圖的右半部分,使用靈敏度為–100 dBm的VNA測量相同的濾波器。增加的動態范圍提供了濾波器響應的更精確的測量。
既然我們已經回顧了動態范圍的重要性,讓我們探討一下干擾信號對我們測量的影響。
干擾信號與測量誤差
假設我們打算測量單音輸入,但在我們測量的頻譜中會出現不希望的信號分量。出于討論的目的,我們將假設兩個信號處于相同的頻率:
所需信號的振幅為1。
不期望的信號具有x的幅度,其中x遠小于1。
總的測量振幅(Vm)可以寫成這兩個分量的總和:
公式1
在上述方程中,包括項ejθ以說明兩個信號之間的任意相位差(θ)。整個信號是1和x的矢量求和;測量值取決于兩個信號之間的相位差。圖3可以幫助我們直觀地看到隨著θ的變化,不需要的分量如何影響我們的測量。
期望信號和不期望信號的矢量表示。
圖3。期望信號和不期望信號的矢量表示。圖片由Steve Arar提供
根據θ,測量值的幅度可以在1–x和1+x之間的任何位置。Vm與所需幅度(單位)的比率是幅度測量誤差。因此,以分貝表示,幅度誤差可以從20log(1–x)到20log(1+x)。這兩個誤差極限(正幅度和負幅度)與相位誤差一起繪制在圖4中。
測量誤差是干擾信號振幅和相位的函數。
圖4。測量誤差是干擾信號振幅和相位的函數。圖片(修改)由安捷倫科技提供
例如,假設不期望信號的幅度為x=0.1,這對應于比期望信號低20dB的干擾信號幅度。誤差將在-0.92 dB和0.83 dB之間。我們也可以使用上面的誤差圖作為圖形工具來估計誤差,從而得出類似的值。
如圖3所示,不希望的信號也會影響Vm的相位角。由此產生的相位誤差的最大值為φmax=arcsin(x)。當x比所需信號低20dB時,我們的φmax=5.74度,這與圖4中提供的相位誤差曲線一致。
估計所需動態范圍:方法和示例
現在的問題出現了:對于給定的測量誤差,VNA應該提供多大的動態范圍?這個問題的確切答案需要復雜的分析。然而,我們可以通過假設VNA的噪聲基底與干擾我們測量的不期望信號具有相同的振幅來獲得所需動態范圍的粗略估計。
為了理解這種技術,讓我們使用圖4中的錯誤圖來完成一個示例。這個例子,連同上一節中的數學內容,也可以在名為“安捷倫網絡分析器基礎知識”的安捷倫技術文檔中找到。
假設我們想要測量具有80dB阻帶抑制的濾波器的頻率響應。我們需要什么VNA動態范圍才能將測量響應的幅度誤差保持在0.1dB以下?假設僅存在單個干擾信號。
我們可以在圖4中看到,不超過0.1 dB的幅度誤差對應于比所需信號幅度低約39 dB的干擾信號幅度。因此,為了在測量濾波器的阻帶時達到所需的精度水平,VNA的本底噪聲應比濾波器的阻頻帶響應低39dB。我們還知道濾波器的阻帶衰減比其通帶衰減多80dB。因此,VNA應當提供大約80+39=119dB的動態范圍。
一些現代VNA提供150 dB的動態范圍,但我們仍然可以認為119 dB的動態幅度相對較高。這些水平的動態范圍可以通過應用信號平均技術和/或調整VNA的中頻(IF)帶寬來實現,正如我們將在文章的后續部分中討論的那樣。
然而,在我們繼續之前,如果我們將幅度誤差保持在0.1 dB以下,相位誤差會是什么?如果我們回頭看圖4,我們可以看到小于0.1 dB的幅度誤差對應于不超過0.65度的相位測量誤差。
信號平均值
通常,為了減少噪聲對測量的影響,我們可以多次重復測量并對測量值取平均值。由于噪聲樣本不相關,信號平均可以抑制噪聲項,而不會影響電路的實際確定性輸出。
如果我們重復測量M次,信號平均值將使原始噪聲方差降低M倍。換句話說,每次平均值翻倍,信噪比(SNR)就會提高3dB。
信號平均是一種強大的技術,用于降低VNA的本底噪聲并提高其動態范圍,這就是為什么大多數VNA都具有平均功能。然而,因為它需要重復測量,所以取平均值會導致總體測量時間增加。
例如,讓我們考慮當我們將給定VNA IF帶寬的平均值從10增加到100時會發生什么。由于平均數增加了10倍,我們知道噪聲方差(或噪聲平均功率)減少了10倍。就分貝而言,SNR提高了10log(10)=10 dB。換句話說,本底噪聲降低了10 dB。然而,由于測量次數的增加,掃描時間增加了十倍。
調整中頻帶寬
VNA允許我們調整接收機中頻部分的數字濾波器的帶寬。通過使這些濾波器變窄,我們可以去除更大一部分的噪聲,從而提高濾波器的動態范圍。然而,與平均技術一樣,這種改進是以增加測量時間為代價實現的。
VNA通過在指定頻率范圍內的特定數量的頻率點上進行測量來表征DUT的響應。每個點的測量時間取決于IF濾波器的穩定時間。Copper Mountain Technologies為IF濾波器的沉降時間提供了以下等式:
公式2
中頻濾波器設置時間
中頻帶寬以赫茲為單位;中頻帶寬系數因VNA模型而異。圖5顯示了中頻帶寬如何影響SC5090 VNA的動態范圍和中頻濾波器設置時間。與銅山科技公司的許多其他VNA一樣,該VNA的IF帶寬系數為1.18。
示例VNA的動態范圍和濾波器穩定時間與IF帶寬的關系。
圖5。例如VNA的動態范圍和穩定時間與IF帶寬的關系。圖片由銅山科技提供
由于較窄的IF濾波器需要更多的時間來穩定,測量時間與用戶可選擇的IF帶寬成反比。例如,方程2預測,如果我們將IF帶寬從1Hz增加到1MHz,則IF濾波器的建立時間將減少106倍。這與圖5中提供的數據一致,圖5顯示沉降時間從1.18秒下降到1.18μs。
因為進入系統的噪聲功率與系統帶寬成比例,所以將IF濾波器帶寬從1Hz增加到1MHz也會使噪聲功率增加106倍。以分貝為單位,這對應于10log(106)=60 dB的本底噪聲增加。我們可以在圖5中看到,帶寬的增加導致VNA的動態范圍減少了60 dB(從150 dB到90 dB)。
與信號平均相比,IF帶寬減少方法可以為給定的動態范圍改進提供稍快的測量時間。如果測量速度是應用程序中的一個關鍵因素,您可以參考Keysight應用程序說明“了解和改進網絡分析儀動態范圍”以了解更多詳細信息。如果沒有,兩種方法都應該同樣有效。
區段掃描
我們還可以通過使用分段掃描來改善動態范圍,而不是線性掃頻。這包括將測量的頻率跨度分解為兩個或多個段。每個段都可以有自己的測量參數(頻點數量、中頻帶寬、功率電平等),使我們能夠優化每個段的速度和動態范圍。
分段掃描方法在表征高選擇性濾波器時非常有用。我們可以在濾波器的通帶中使用寬的IF帶寬,在通帶中噪聲可能不太受關注,同時在濾波器的阻帶中也使用低IF帶寬,這可能會受到噪聲的高度影響。
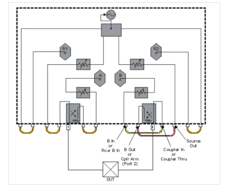
可重新配置的測試端口
一些VNA允許用戶通過重新配置測試端口來實現極高的動態范圍。在這些模型中,VNA內定向耦合器的端口被路由到前面板,以便用戶可以修改信號到達測量接收器的路徑。圖6顯示了可用于增加動態范圍的測試端口配置。
VNA測試端口的配置模型。
圖6。VNA測試端口的配置模型。圖像由Keysight提供
在上圖中:
R1和R2是參考接收器。
A和B是測量接收器。
左側測試端口連接到DUT的輸入端口。此測試端口具有標準連接。然而,另一個測試端口被配置為繞過定向耦合器。
DUT的輸出通過耦合器的主線連接到測量接收器路徑。因此,從主線到耦合端口的耦合器損耗不再像在標準連接中那樣位于測量路徑中。消除此損耗項可提高分析儀的有效靈敏度,通常提高14 dB或更高。
通過上述配置,耦合器不再是信號路徑的一部分。因此,VNA不能用于進行反向測量。此外,請注意,必須監控進入接收器的電源,以防止壓縮。然后,我們可以根據需要使用分段掃描方法來調整功率水平。例如,在測量濾波器時,我們可以使用阻帶中較高的功率電平和通帶中較低的功率電平進行分段掃描+阻帶中的10 dBm和通帶中的-6 dBm是典型的選擇。
總結
在本文中,我們了解了一種簡單的方法來估計VNA進行給定測量所需的動態范圍,以及幾種改進動態范圍的方法。早期,我們還探討了干擾信號對測量精度的影響。當我們在未來的文章中討論如何校準VNA以降低測量不確定性時,我們將回到這一點。
免責聲明:本文為轉載文章,轉載此文目的在于傳遞更多信息,版權歸原作者所有。本文所用視頻、圖片、文字如涉及作品版權問題,請聯系小編進行處理。
推薦閱讀:
STM32開發者社區:從這里開啟你的STM32之旅!小白和PRO都友好



