【導讀】在現在使用的MOS和IGBT等開關電源應用中,所需要面對一個常見的問題 — 米勒效應,本文將主要介紹MOS管在開通過程中米勒效應的成因、表現、危害及應對方法。
在現在使用的MOS和IGBT等開關電源應用中,所需要面對一個常見的問題 — 米勒效應,本文將主要介紹MOS管在開通過程中米勒效應的成因、表現、危害及應對方法。
米勒效應的成因
在講這個之前需要先回顧下MOS的開通過程。

圖一
從t1開始時刻,Vgs開始上升的時候,Vds和Id保持不變,這個過程中驅動電流ig為Cgs充電,Vgs上升。一直到t1結束,Vgs上升到Vg(th),也就是門極開啟電壓時候。在整個t1時間,MOS處于截止區。
從t2時刻開始,MOS就開始導通了,標志就是Id開始上升。電流從原來的電感出來流經二極管,現在開始要慢慢的向MOS換流。所以MOS的漏極電流Id在逐漸上升,二極管的電流在逐漸減小,但是電流之和始終等于電感電流,在開關開通的這個過程中可以認為電感電流是沒有變化的。這個時間段內驅動電流仍然是為Cgs充電。在t2這段時間里,Id只是在線性上升,到t2結束時刻,Id上升到電感電流,換流結束。在電感電流上升的這個過程中Vds會稍微有一些下降,這是因為下降的di/dt在雜散電感上面形成一些壓降,所以側到的Vds會有一些下降。從t2開始時刻,MOS進入了飽和區。
在Id上升至最大(t2結束),即刻就進入了米勒平臺時期。米勒平臺就是Vgs在一段時間幾乎維持不動的一個平臺。前面說了,從t2開始時刻,MOS進入了飽和區,在飽和有轉移特性:Id=Vgs*Gm。其中Gm是跨導。那么可以看出,只要Id不變Vgs就不變。Id在上升到最大值以后,也就是MOS和二極管換流結束后,Id就等于電感電流了,而此時又處于飽和區,所以Vgs就會維持不變,也就是維持米勒平臺的電壓。
從t2結束驅動的電流ig為Cgd充電(從另一個方向來說,可以叫放電),然后Vds就開始下降了。由于超級結在開通伊始的縱向擴散,比較小的GD電容,所以Vds一開始下降的比較快,縱向擴散完成后,變成橫向擴散,GD電容變大,所以Vds下降的斜率變緩。那么米勒平臺什么時候結束呢?米勒平臺要想結束,必須進入線性區,不然繼續在飽和區待下去,就會被和Id“綁”在一起,所以當MOS進入線性區之后,米勒平臺結束。根據MOS的特性曲線,在Vds下降到等于此時的Vgs-Vg(th)這個值的時候,MOS進入線性區(t4開始時刻)。此時Vds的大小會由Rds*Id決定,驅動電流開始繼續為Cgs和Cgd充電。而Vgs也開始恢復繼續上升,MOS基本導通。
下面來詳細說明下米勒平臺形成的過程。

圖二
在t2開始的時刻,處在飽和區的MOS轉移特性公式,真實為Ich=Vgs*Gm,Ich為溝道電流,即上圖中DS之間的電流。于是當驅動電流為Cgs充一點電,Vgs增加Δvgs,那么Ich增加Δich,而Ich增加的部分只能由Cds放電提供,(因為從電路中的來的那部分電流已經固定),于是Cds放電為Ich提供增加的電流。于是Vds就下降,也就是Vgd會下降,那么Δigd=Cgd*ΔVgd/Δt,igd就會增加,然后igs就會下降,所以Vgs就不能增加,只能這樣動態的維持在米勒平臺附近。可以看出這是一個負反饋的過程。所以Cgd也叫反饋電容。
2. 米勒電容在MOS開通過程中帶來的問題
1. dv/dt 限制
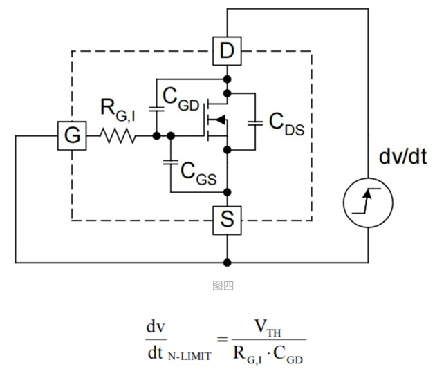
當MOS管 DS兩端電壓迅速上升的時,通過Cgd所產生電流在MOS管GS兩端寄生電阻上產生的壓降大于開啟電壓時,會使MOS打開。所以在使用前需要根據實際情況計算相關參數,以保證在各類工況下都不出來MOS誤打開的情況。這里面又分三種情況:
(1)可以看到通過Cgs和Cgd兩個電容分壓可得到GS兩端電壓

圖三

在低壓應用中一般由這個等式即可判定MOS是否會存在誤打開的動作
(2)高壓應用中還需要確定MOS的本身dv/dt 極限。這一特性對應于在外部驅動阻抗為零的理想情況下,設備在不開機的情況下所能承受的最大dv/dt。

這個公式所計算得到的結果在評估MOS在特定應用中的適應性很重要。
(3)實際應用中,還需要考慮驅動的寄生電阻及所外加的驅動電阻。

需要注意的是MOS管的開啟電壓是一個與溫度正相關的參數,在計算上述公式時要考慮到開啟電壓隨溫度的偏移量。
2. 米勒振蕩
我們知道,MOS管的輸入與輸出是相位相反,恰好180度,也就是等效于一個反相器,也可以理解為一個反相工作的運放,所以當輸入電阻較大時,開關速度比較緩慢,圖二中Cgd這顆積分電容影響不明顯,但是當開關速度比較高,而且VDD供電電壓比較高,比如310V下,通過Cgd的電流比較大,強的積分很容易引起振蕩,這個振蕩叫米勒振蕩。
如下圖中藍色線

圖六
因為MOS管的反饋引入了電容,當這個電容足夠大,并且前段信號變化快,后端供電電壓高,三者結合起來,就會引起積分過充振蕩,要想解決解決這個米勒振蕩,在頻率和電壓不變的情況下,一般可以提高MOS管的驅動電阻,減緩開關的邊沿速度,其次比較有效的方式是增加Cgs電容。在條件允許的情況下,可以在Cds之間并上低內阻抗沖擊的小電容,或者用RC電路來做吸收電路。
一般Si MOS的Vgs電壓工作范圍為正負20V,超過這個電壓,柵極容易被擊穿,所以在米勒振蕩嚴重的場合,需要加限壓的穩壓二極管。但更嚴重的問題來自米勒振蕩容易引起MOS管的二次開關或多次開關引起的MOS損耗加劇,最終可能燒毀。
3. 米勒振蕩的應對
減緩驅動強度

a. 提高MOS管G極的輸入串聯電阻,一般該電阻阻值在1~100歐姆之間,具體值看MOS管的特性和工作頻率,阻值越大,開關速度越緩。
b. 在MOS管GS之間并聯瓷片電容,一般容量在1nF~10nF附近,看實際需求。調節電阻電容值,提高電阻和電容,降低充放電時間,減緩開關的邊沿速度,這個方式特別適合于硬開關電路,消除硬開關引起的振蕩,但是這兩種措施都會引起MOS損耗的上升,取值需要結合實際電路應用。
2. 加強關閉能力
a. 差異化充放電速度,采用二極管加速放電速度

b. 當第一種方案不足時,關閉時直接把GS短路

米勒振蕩還有可能是MOS源極對地寄生電感偏大,在MOS進入開啟狀態從二極管換流至MOS的瞬態電流在MOS源極對地的寄生電感上產生一個壓降,所以在PCB布板的要遵守開關電源布板的基本要求。
(來源:Arrow Solution)
免責聲明:本文為轉載文章,轉載此文目的在于傳遞更多信息,版權歸原作者所有。本文所用視頻、圖片、文字如涉及作品版權問題,請聯系小編進行處理。
推薦閱讀:



