【導讀】至關重要的是,鋰離子電池組必須具有良好的電池管理系統,用于監測許多電池電壓和電池溫度。如果沒有這種監控,熱失控會導致電池爆炸。該設計理念提出了一種低功率電路,可測量多達12個熱敏電阻的溫度。它為多路復用器供電和配置,并將多路復用器置于關斷狀態,以便在不測量溫度時節省功耗。
至關重要的是,鋰離子電池組必須具有良好的電池管理系統,用于監測許多電池電壓和電池溫度。如果沒有這種監控,熱失控會導致電池爆炸。該設計理念提出了一種低功率電路,可測量多達12個熱敏電阻的溫度。它為多路復用器供電和配置,并將多路復用器置于關斷狀態,以便在不測量溫度時節省功耗。
高壓、多節、串聯電池可用于電動汽車、混合動力電動汽車、電動自行車、電動工具和許多其他設備。由于其高能量密度,鋰離子電池在這些應用中很受歡迎。至關重要的是,這些高能電池組具有良好的電池管理系統,用于監控許多電池電壓和電池溫度。如果沒有這種監控,熱失控會導致電池爆炸。
目前用于電池組的數據采集IC測量多個電池電壓(通常為12個),但它們最多只能掃描和測量兩個溫度。該設計理念提出了一種低功率電路,可測量多達12個熱敏電阻的溫度。它為多路復用器供電,并將多路復用器置于關斷狀態,以便在不測量溫度時節省功耗。
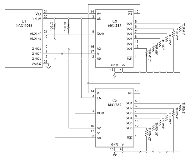
圖1所示的低功耗電路掃描并測量電池中所有電池的溫度。兩個MAX382多路復用器將12個熱敏電阻切換到數據采集IC(如MAX11068或MAX17830)的兩個輔助輸入端,一次兩個熱敏電阻,分為六對。數據采集IC為熱敏電阻提供偏置,同時為多路復用器供電并控制其開關和使能/禁用功能。
圖1.兩個MAX382多路復用器使該數據采集IC能夠監測更多的溫度。這里,一個與熱敏電阻并聯的100pF電容用于濾除噪聲。
熱敏電阻偏置于數據采集IC的熱電源輸出(THRM)。此配置可節省功耗,因為當禁用輔助輸入進行掃描時,內部開關會禁用 THRM。請注意,當不需要測量外部溫度檢測設備時,應禁用(不掃描)這些輔助輸入。將 THRM 連接到多路復用器使能輸入可在不需要溫度測量時將多路復用器置于關斷模式,從而節省額外功耗。當輔助輸入未被掃描時,兩個多路復用器僅從V吸收0.56μA機 管 局.THRM 僅在掃描輔助輸入時的短暫間隔內(即需要溫度測量時)啟用多路復用器。數據采集IC的GPIO端口在12個熱敏電阻之間切換輔助輸入。
THRM、AUXIN1 和 AUXIN2 波形的示波器(圖 2)顯示,THRM 僅在最大采集時間 (~700μs) 下啟用。此最長時間在此處僅用于說明。采集的實際建立時間可通過軟件編程,應確定,以便AUXIN_電容有足夠的時間建立。
圖2.此示波器照片顯示,僅當系統啟動輸入通道掃描時,才會啟用 THRM、AUXIN1 和 AUXIN2。
使用圖1所示電路和偽代碼(表2),在不同溫度下讀取ADC的輸出。表1比較了帶和不帶多路復用器的數據采集IC的輸出,并以百分比表示誤差。誤差 (%) = [(帶多路復用器的 ADC 輸出)-(不帶多路復用器的 ADC 輸出)]/4096 × 100(其中 4096 是以十進制表示的滿量程 ADC 值)。多路復用器的導通電阻會導致誤差。為了最小化導通電阻,使用了電阻相對較高(在較高溫度下)的熱敏電阻(村田熱敏電阻100kΩ、NXFT15WF104FA2B050)。
免責聲明:本文為轉載文章,轉載此文目的在于傳遞更多信息,版權歸原作者所有。本文所用視頻、圖片、文字如涉及作品版權問題,請聯系小編進行處理。
推薦閱讀:



