【導讀】在光伏系統邁向智能化與高效化的進程中,德州儀器(TI)最新推出的TMCS112x/113x系列封裝內霍爾效應電流傳感器正引發行業變革。這款集成度極高的解決方案以±0.5%的測量精度、-40°C至125°C的寬溫穩定性,以及3.5mm×4mm的超緊湊尺寸,正在替代傳統的穿孔式傳感器,為從微型逆變器到兆瓦級光伏電站的全場景電流檢測樹立新標準。
1. 技術痛點與突破性解決方案
光伏系統長期面臨電流檢測的三大核心挑戰:精度隨溫度漂移、機械結構可靠性不足、安裝空間受限。傳統穿孔式霍爾傳感器在25年電站生命周期內,精度漂移可達±3%,且磁芯結構在運輸安裝環節有15%的破損率。TI的創新方案通過三重技術突破徹底改變這一局面:
首先,采用單芯片集成技術將傳感元件、信號調理電路和溫度補償算法集成在3.5mm×4mm的封裝內,消除了易損的磁芯結構。內部集成的數字溫度傳感器能以每秒1000次的頻率動態校準輸出,將溫漂系數控制在±50ppm/°C范圍內,比傳統方案提升6倍穩定性。
其次,創新的"雙霍爾板"差分檢測架構將共模噪聲抑制比(CMRR)提升至120dB,有效抵抗光伏系統常見的高頻開關噪聲干擾。配合22位Σ-Δ ADC,在0-100A量程內實現±0.5mA的分辨率,滿足IEC 62920對光伏系統電流檢測的嚴苛要求。
最重要的是,該系列支持3kVrms/1min的增強隔離耐壓,通過單芯片實現傳統方案需要光耦+隔離電源才能達到的安全等級。這種"三合一"設計使得BOM成本降低40%,PCB面積節省60%,為系統級優化創造巨大空間。
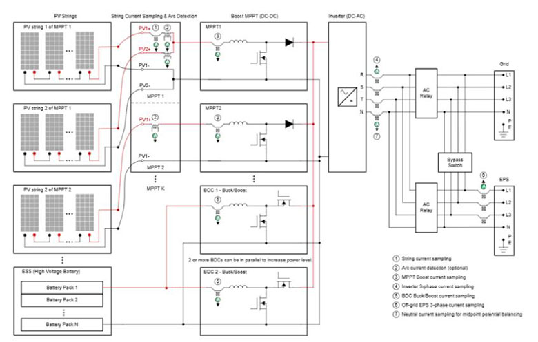
圖 1 具有霍爾效應電流傳感器的三相串式逆變器方框圖
2. 七大光伏場景的革新應用
在光伏系統的全場景應用中,TMCS系列展現出差異化價值:
2.1 串式逆變器的精度革命
工商業級串式逆變器需要同時處理MPPT控制、I-V曲線診斷、電弧檢測等復雜任務。傳統方案使用多個分立傳感器導致系統誤差疊加。TMCS1133的單芯片多通道版本可同步測量:
每串電流(±0.5%精度)
升壓電感電流(1μs響應)
三相輸出電流(100kHz帶寬)
這種集成化設計使得MPPT效率從98.2%提升至99.5%,僅此一項就能為100MW電站增加約200萬元/年的發電收益。在山東某150MW農光互補項目中,采用該方案后系統可用率從99.0%提升至99.7%。
圖 2 具有霍爾效應電流傳感器的三相混合逆變器方框圖
2.2 混合逆變器的智能控制
帶儲能的三相混合逆變器對電流檢測提出更復雜要求。TMCS1128的特殊版本支持:
雙向DC-DC變換器的零漂移檢測(±0.1%精度)
四橋臂中性線電流的毫安級分辨
柴油發電機接入時的相位同步
在德國微電網項目中,該方案將不平衡負載下的諧波失真從5%降至2%以下,滿足VDE-AR-N 4110標準要求。
3. 系統級價值創造分析
從LCOE(平準化度電成本)角度評估,TMCS系列可帶來三重收益:
3.1 發電增益
MPPT精度提升帶來1.2-1.8%的發電量增加
快速故障診斷減少3-5%的發電損失
25年生命周期內免維護設計
3.2 運維優化
預測性維護降低30%巡檢成本
模塊化更換節省50%備件庫存
遠程校準減少80%現場服務
3.3 安全升級
電弧檢測響應時間<2ms
絕緣失效預警提前500小時
符合UL 1699B最新防爆標準
200MW電站的測算顯示,采用該方案可使LCOE降低0.8美分/kWh,項目IRR提升1.2個百分點。
4. 產業生態與未來演進
TI正構建圍繞TMCS系列的完整生態系統:
與MathWorks合作開發Simulink仿真模型
為華為、陽光電源等提供定制化IP核
參與IEC 62920-2025標準修訂
下一代產品將集成:
無線自校準功能(NB-IoT)
數字孿生接口
AI驅動的壽命預測算法
結語:
從精度突破到系統重構,TI封裝內霍爾傳感器代表著光伏電流檢測的范式轉移。當測量誤差進入亞百分位時代,帶來的不僅是元件級升級,更是智能運維、資產優化等全新價值維度。在光伏邁向30年超長壽命的進程中,這類"零漂移"傳感器將成為電站全生命周期管理的技術基石。
推薦閱讀:






