【導讀】使用壓電元件,壓電加速度計產生與施加的加速度成比例的電荷輸出。電荷輸出是一種難以測量的信號類型,因為它會隨著時間的推移通過泄漏電阻逐漸減小。
壓電加速度計的背景
使用壓電元件,壓電加速度計產生與施加的加速度成比例的電荷輸出。電荷輸出是一種難以測量的信號類型,因為它會隨著時間的推移通過泄漏電阻逐漸減小。
此外,作為壓電加速度計中使用的典型傳感元件,這些傳感器會產生每牛頓數十或數百皮庫侖范圍內的少量電荷。因此,通常需要信號調理電路才能成功提取加速度信息,而不會耗散任何電荷。這需要具有大輸入阻抗的放大級,以防止產生的電荷通過與傳感元件并聯的放大器的輸入阻抗泄漏。
事實上,盡管皮埃爾和雅克居里于 1880 年發現了壓電效應,但直到 1950 年代,由于缺乏具有足夠高輸入阻抗的放大器,它才具有實際用途。電荷放大器是處理壓電傳感器輸出的技術。電荷放大器將傳感器產生的電荷轉換為可用的電壓信號。
文章“理解和實現壓電傳感器系統的電荷放大器”和“如何設計壓電傳感器的電荷放大器”很好地介紹了電荷放大器的基礎知識。
下面,我們將簡要概述基本概念以及一些額外的細節。
壓電傳感器等效電路
首先,圖 1 顯示了兩個可用于模擬壓電傳感器的等效電路。
圖 1. 壓電傳感器的兩個示例電路模型 (a) (b) 及其原理圖符號 (c)。
壓電傳感元件由放置在兩個電極之間的介電材料組成。當施加機械力時,傳感器會產生一些電荷。考慮到這一點,壓電加速度計可以建模為在受到加速度時自行充電的電容器。這種用法導致圖 1(a) 中的電路模型。在這個等效電路中,電荷源 q p與傳感器的電容 C p并聯放置。電阻器 R p模擬傳感器的絕緣電阻,為產生的電荷創建泄漏路徑。
另一方面,圖 1(b) 描繪了另一種電路模型,該模型使用與傳感器電容器串聯的電壓源來考慮產生的電荷的影響。開路壓電傳感元件的輸出電壓等于產生的電荷 q p除以電容 C p。在圖 1(b) 中,結合了 V eq以產生傳感器的開路電壓。,圖 1(c) 顯示了壓電傳感器的典型示意圖符號。
電荷放大器配置——確定輸出電壓
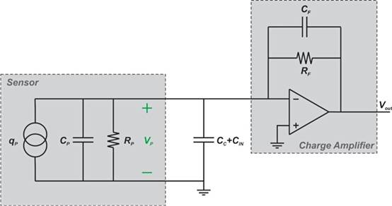
電荷放大器的基本配置如圖 2 所示。
圖 2. 顯示傳感器內電荷放大器配置的示意圖。
在此圖中,電容器 C C + C IN模擬電纜電容加上電荷放大器的輸入電容。當傳感器受到加速時,傳感器產生的電荷 q p出現在電容器 C p和 C C + C IN上。
傳感器的輸出電壓試圖改變運算放大器反相輸入的電位。但是,我們知道,由于負反饋機制和運放的高增益,運放的反相輸入保持在虛地。
運算放大器實際上將一些電荷轉移到反相輸入,以使傳感器的輸出電壓為零,并將反相輸入保持在虛地。該電荷與傳感器產生的電荷相等,極性相反。運算放大器通過反饋路徑提供此電荷,即通過 R F和 C F的組合。
使用適當設計的電荷放大器,RF在感興趣的頻率范圍內遠大于 C F的阻抗。因此,C F是反饋路徑中的主要元件,放大器傳輸到反相輸入端的電荷是通過反饋電容器提供的。換句話說,電荷放大器補償傳感器產生的電荷 q p ,反饋電容器 C F中具有相反極性的等量電荷。
因此,等于 C F兩端電壓的輸出電壓可計算為:
$$V_{, out} = -frac{q_{p}}{C_{F}}$$
使用電荷放大器的主要優點
使用電荷放大器,傳感器兩端的電壓理想情況下為零。因此,任何與傳感器并聯的絕緣電阻,如電纜的絕緣電阻或傳感器的漏電電阻Rp,都不能流過電流。因此,傳感器產生的電荷不會消散。此外,輸出電壓只是反饋電容的函數,因此傳感器和電纜電容不能改變電路的增益。
電荷放大器時間常數參數——反饋電阻
反饋電阻R F為放大器的反相輸入提供直流通路,并設置該節點的直流電壓。但是,添加此電阻器會限制測量直流(或極低頻率)加速度信號時的精度。
正如我們上面所討論的,傳感器產生的電荷通過電荷放大器操作轉移到反饋電容器。此電荷可通過與 C F并聯的反饋電阻器逐漸泄漏。
事實上,放大器的準靜態行為由時間常數參數決定:
$$ au=R_{F}C_{F}$$
在電荷放大器的上下文中,準靜態(或近靜態)行為是指測量在相對較長的持續時間內保持恒定的信號。為了測量非常低頻的信號,時間常數應該化。
為了更好地理解時間常數參數對我們測量的影響,請考慮圖 3 中所示的波形。
圖 3.輸出電荷放大器(底部)和傳感器信號(頂部)波形。圖片由奇石樂提供。
在此圖中,頂部波形顯示傳感器產生的電荷,而底部波形顯示電荷放大器的輸出。在此示例中,假設充電波形具有固定的直流值以及一些高頻分量。輸入的高頻分量按預期出現在輸出中。然而,初接近輸入直流值的輸出直流值逐漸接近零伏。這種趨勢是由于存儲在 C F中的靜電荷通過 R F泄漏。
如您所見,經過一個 $$ au$$ 的時間間隔后,輸出的 DC 值減少到其初始值的 37%。對于某些類型的電荷放大器,可以在不同的反饋電阻值之間切換,以根據加速度信號的低頻內容調整時間常數參數。
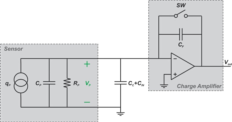
帶復位開關的電荷放大器
或者,一些電荷放大器包含一個復位開關而不是反饋電阻器,如圖 4 所示,這為我們提供了時間常數值。
圖 4. 顯示電荷放大器的原理圖,使用復位開關,配置有傳感器。
在進行測量之前,打開開關以使反饋電容器放電并設置運算放大器反相輸入的直流電壓。然后,關閉開關以開始測量階段,如圖 5 所示。
圖 5. 電荷放大器的電路操作。圖片由奇石樂提供
同樣,上部曲線顯示傳感器產生的電荷,下部曲線描述電荷放大器的輸出。請注意,當開關打開時,輸出為零。結果,復位開關也為隨后的測量固定了零點。
雖然合并一個復位開關可以化時間常數,但它會使電路容易出現漂移現象。漂移是指電荷放大器輸出在一段時間內發生的變化,而不是由被測物理參數的變化(我們討論的加速度)引起的。漂移是由幾種不同的非理想效應引起的,例如運算放大器的輸入偏置電流和失調電壓。
為了進一步討論,應該更詳細地評估反饋電阻器對放大器低頻響應和漂移行為的影響。
免責聲明:本文為轉載文章,轉載此文目的在于傳遞更多信息,版權歸原作者所有。本文所用視頻、圖片、文字如涉及作品版權問題,請聯系小編進行處理。
推薦閱讀:
海康威視發布2022年ESG報告:科技為善,助力可持續的美好未來




