【導讀】工業、儀器儀表、光通信和醫療保健行業有越來越多的應用開始使用多通道數據采集系統,導致印刷電路板 (PCB) 密度和熱功耗方面的挑戰進一步加大。這些應用對高通道密度的需求,推動了高通道數、低功耗、小尺寸集成數據采集解決方案的發展。這些應用還要求精密測量、可靠性、經濟性和便攜性。系統設計人員在性能、熱穩定性和PCB密度之間進行取舍以維持最佳平衡,并且被迫不斷尋找創新方式來解決這些挑戰,同時要將總物料 (BOM) 成本降低最低。
本文重點說明多路復用數據采集系統的設計考慮,并聚焦于通過集成多路復用輸入ADC解決方案來應對空間受限應用(如光收發器、可穿戴醫療設備、物聯網IoT和其他便攜式儀器)的這些技術挑戰。本文提出的低功耗解決方案采用集成式多路復用輸入4通道/8通道、16位、250 kSPS PulSAR® ADCs AD7682/AD7689,其提供2.39 mm × 2.39 mm小型晶圓級芯片規模封裝 (WLCSP),可節省60%以上的板空間,能夠很好地解決高通道密度和電池供電便攜式系統的挑戰,同時具有靈活的配置和高精度性能。
多路復用數據采集系統
多通道數據采集系統通常采用不同類型的分立單通道或集成多路復用且同步采樣的模擬信號鏈來與各類傳感器(如溫度、壓力、振動傳感器及基于應用要求的其他許多傳感器)接口。例如:將多個輸入通道復用至一個ADC,各通道均使用一個采樣保持放大器,以及將多個輸入通道復用至一個ADC,各通道均使用一個ADC以便對各通道同步采樣。第一種情況通常使用逐次逼近型 (SAR) 模數轉換器 (ADC),如圖1所示。它能節省相當多的功耗、空間和成本,各通道的輸入端可能需要低通抗混疊濾波器,其通道切換和順序與ADC轉換時間正確同步。第二種情況如圖2所示,可實現的吞吐速率要除以同步采樣的通道數,但采樣通道之間仍可以保持恒定的相位。如圖3所示,某些應用要求每個通道使用專用放大器和ADC并對輸入同步采樣,以提高每通道的采樣速率并保護相位信息,代價是板面積和功耗會增加。同步采樣ADC通常用于自動測試設備、電力線監控和多相電機控制,這些應用要求各通道以較高吞吐速率連續采樣,以保護通道之間的相位關系,實現精確的瞬時測量。

圖1. 簡化多通道數據采集信號鏈——第一種情況

圖2. 簡化多通道數據采集信號鏈——第二種情況

圖3. 簡化多通道數據采集信號鏈——第三種情況
多路復用的關鍵優勢在于每個通道需要的ADC數量較少,因而空間、功耗和成本更低。然而,多路復用系統可實現的吞吐速率等于單一ADC吞吐速率除以采樣通道數。SAR型ADC具有低延遲和動態功耗與吞吐速率成比例的固有優點。它們常用于通道復用架構,非常適合于檢測和監控功能。光收發器模塊采用的多路復用數據采集系統需要高通道密度,可穿戴醫療設備要求小尺寸和低功耗,來自多個傳感器的信號需要監控,多個輸入通道復用到單個或多個ADC。多路復用數據采集系統的主要挑戰之一是,當輸入切換到下一通道時,它需要快速響應接近滿量程幅度的步進輸入,以使建立時間或串擾問題最小化。下面介紹基于SAR架構的多路復用輸入ADC用于光收發器和可穿戴電子設備的實際例子, 其中解釋了為什么AD7689是此類應用的理想選擇。
光收發器
100 Gbps光收發器市場在未來十年將迎來增長機會,因為它支持高速相干光傳輸。光收發器的關鍵挑戰是采集并處理更寬帶寬的信號,或以更低的功耗在更小的空間中復用多個輸入通道。當今收發器最初是針對遠程應用而設計的,尺寸、功耗和成本結構限制了其在對成本更敏感的城域網中的使用。城域網包括:都會區域500 km至1000 km、都會核心100 km至500 km和都會接入100 km以下應用。由于城域網競爭激烈,空間溢價相當高,使得線路卡密度異常重要,因此,較低成本的光線路卡或較小尺寸的插接式模塊對相干應用越來越重要。
在光網絡中,隨著每通道的比特率從10 Gbps提高到100 Gbps或更高,光纖非理想因素會嚴重降低信號質量,影響其傳輸性能。當光纖缺陷引起光噪聲、非線性效應和消散等不利影響時,遠程光網絡也會產生技術挑戰。為了應對這些重大挑戰,許多40 Gbps和100 Gbps光收發器制造商使用相干技術來支持更高數據速率連接、最大的覆蓋范圍和更長的距離,以適應城域遠程、遠程和超遠程網絡需求。相干技術一般會整合多級信號格式和相干檢測,利用雙重極化、正交和相移鍵控 (DP-QPSK) 優化信號調制,從而抑制較高數據速率時的光纖影響,使得100 Gbps傳輸在經濟上和技術上可行。下一代100 Gbps(及以上)數據速率光收發器將要求更低的功耗和更小的尺寸,以便提高通道密度,大幅節省空間、功耗和成本。根據具體要求,光系統的通道數通常在8到64之間。對PCB設計人員而言,元件放置和走線布線變得重要起來,尤其是高通道密度系統。
圖4顯示了通用光模塊的簡化框圖,其中包括發射器、接收器、微型ITLA(集成可調諧激光組件)和數據采集器件。圖5顯示了微型ITLA的簡化框圖,它是一種寬帶電子調諧激光器件,用于控制快速波長切換。發射器包括Mach-Zehnder驅動器和調制器,用以控制出射激光的幅度或強度。多路復用輸入ADC通常用在控制和監測功能中,以便對來自光模塊和微型ITLA的多個通道的數據進行數字化。

圖4. 光模塊簡化框圖

圖5. 微型集成可調諧激光組件簡化框圖
利用可穿戴電子設備監測生命體征
圖6顯示了典型可穿戴電子設備的簡要框圖。現代可穿戴電子設備集成了多種傳感器來實時精確監測人體多種生物指標。它們提供靈活的用戶接口用于數據存儲,通過Wi-Fi將數據傳輸到個人智能手機、平板電腦或筆記本電腦。此類設備利用生物電位、生物阻抗或光傳感器來獲取有關心率、呼吸速率、血氧飽和度 (SpO2) 等多種生命體征的信息。聲傳感器用來提取有關血壓和飲食活動的信息,溫度傳感器用來測量體溫。基于MEMS的慣性運動傳感器(加速度計)用來跟蹤每日身體活動。來自不同傳感器的信號需要進行模擬信號調理,然后多路復用到ADC。根據系統要求,某些信號可能還需要進行同步采樣。ADC隨后對這些信號進行數字化,處理器或微控制器最終對其進行后期處理,提取有關各種生理指標的信息。

圖6. 可穿戴電子設備簡化框圖
心電圖 (ECG) 傳統上用來監測心臟活動,這對生理監測和心臟診斷至關重要。然而,智能可穿戴系統使用光傳感器和生物阻抗傳感器,支持將心率監護儀集成到腕表、腕帶或活動追蹤器等可穿戴電子設備中。
在光系統中,快速閃爍的紅外光透射皮膚表面,光電檢測器測量血紅細胞吸收的光線。模擬前端調理該微弱信號并將其數字化,然后利用光電脈搏波 (PPG) 技術進行后處理,以提取有關心率、呼吸速率和SpO2等多種生理變量的信息。
與光等技術相比,生物阻抗傳感器的功耗要低得多,因而可延長電池續航時間。生物阻抗傳感器可用來測量呼吸速率或皮膚阻抗。通過電極將一個正弦信號注入皮膚(體組織),測量、數字化并后處理流過的微小電流,從而精確解讀各種生理信號,如呼吸速率、皮膚電導率或肺積水等。
這些設備需要高集成度、非常敏感、高性價比、高效率、可裝入微小模塊中的電池供電解決方案。它們必須精確可靠地監測多種生理變量,同時能夠更好地抑制運動產生的偽像和外部環境條件,否則真實信號可能被噪聲淹沒,導致讀數不準確。因此,ADC必須具有良好的噪聲性能,常常利用過采樣或均值法來改善整體動態范圍。目標輸入頻段是從DC到250 Hz,故而ADC采樣速率接近數kSPS。
集成多路復用輸入4通道/8通道、16位、250 kSPS ADC
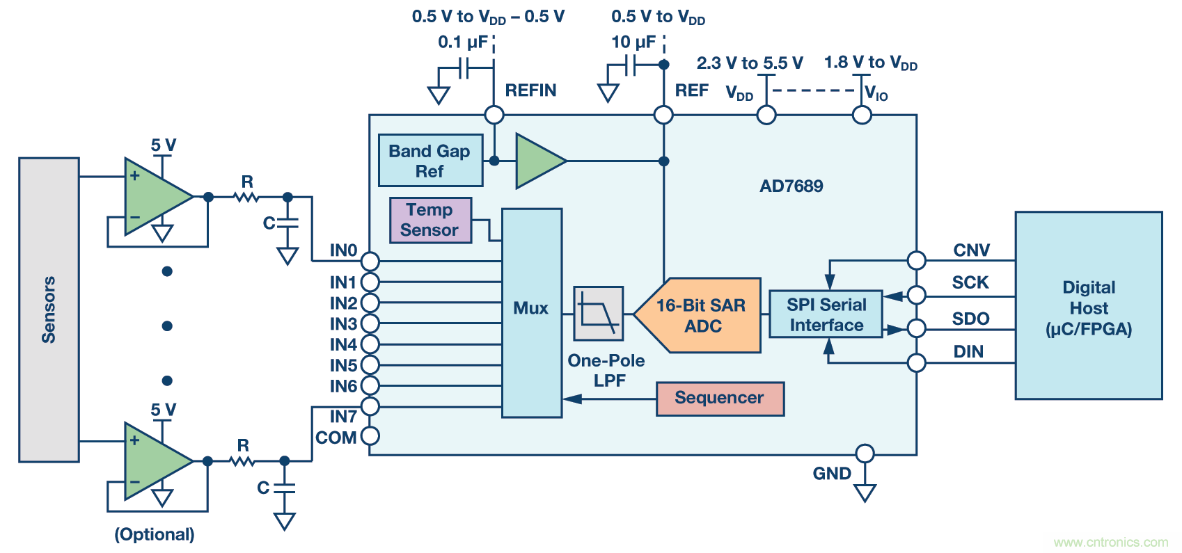
AD7682/AD7689是業界領先的集成多路復用輸入4通道/8通道、16位、250 kSPS SAR型ADC,采用ADI公司專有0.5 μm CMOS工藝制造。集成4通道/8通道低串擾多路復用器引入的鄰道間不匹配極小,支持順序采樣。這些ADC允許選擇超低溫漂的內部2.5 V或4.096 V精密基準電壓源、外部基準電壓源或外部緩沖基準電壓源,片上溫度傳感器監控ADC的內部溫度典型值。這樣就無需外部元件,大幅節省PCB面積和BOM成本。這些ADC內置一個通道序列器,用于逐個或成對掃描通道,內部溫度傳感器可以重復使能或禁用。其靈活的串行數字接口兼容SPI、MICROWIRE、QSPI和其他數字主機。用戶可通過內部14位配置寄存器選擇各種選項,包括要采樣的通道數、基準電壓源、溫度傳感器和通道序列器。在轉換模式、轉換后讀取模式以及含或不含繁忙指示的轉換全程讀取模式下,該接口允許執行4線式讀操作。AD7682/AD7689非常適合高通道密度應用,例如光收發器、可穿戴醫療設備和其他用于精密檢測與監控的便攜式儀器。
圖7顯示了AD7689用于一個多通道數據采集系統的簡化框圖,其提供易于使用的靈活配置選項和精密性能。它能解決與通道切換、序列化和建立時間相關的復雜設計問題,節省設計時間。

圖7. AD7689典型應用框圖(未顯示所有連接和去耦)
對于多通道、多路復用應用,有些設計人員利用低輸出阻抗緩沖器處理多路復用器輸入端的反沖影響(取決于所用的吞吐速率)。SAR ADC的輸入帶寬(數十MHz)和ADC驅動器的輸入帶寬(數十到數百MHz)高于采樣頻率,而所需輸入信號帶寬通常在數十Hz到數百kHz范圍。因此,根據系統要求,多路復用器輸入端可能需要單極點低通RC抗混疊濾波器來消除不需要的信號(混疊),防止其折回到目標帶寬中,從而限制噪聲并減輕建立時間問題。各輸入通道使用的RC濾波器值應根據以下取舍關系精心選擇(因為過多的限帶可能影響建立時間并增加失真):電容較大會有助于衰減多路復用器的反沖影響,但也可能會降低前一放大器級的相位裕量,使其變得不穩定。為使RC濾波器具有高Q、低溫度系數,并且在變化電壓下具有穩定的電氣特性,建議使用C0G或NP0型電容。應選用合理的串聯電阻值,以保持放大器穩定并限制其輸出電流。電阻值不可過大,否則多路復用器反沖后ADC驅動器將無法對電容再充電。
小尺寸
AD7682/AD7689現可提供2.39 mm × 2.39 mm、引腳兼容、晶圓級芯片規模封裝 (WLCSP),它比現有4 mm × 4 mm引線框芯片規模封裝 (LFCSP) 或其他同類競爭器件小60%以上,故而可以在很小的系統空間中實現更高的電路密度。圖8所示為小型WLSCP尺寸與標準6 mm鉛筆尺寸對比圖。

圖8. AD7682/AD7689晶圓級芯片規模封裝與標準鉛筆的尺寸對比
AD7682/AD7689 WLCSP芯片的有源側在反面,可以利用焊球連接到PCB,圖11顯示了PCB裝配后的芯片尺寸。PCB裝配后芯片表面與基板之間的實際距離(離板高度)與印刷在基板上的阻焊網和焊盤直徑有關。

圖9. PCB裝配后的AD7682/AD7689 WLCSP尺寸
低功耗
AD7682/AD7689需要一個模擬和數字內核電源 (VDD) 以及一個數字輸入/輸出接口電源 (VIO),以便與任何介于1.8 V和VDD之間的邏輯直接接口。VDD和VIO引腳也可以連在一起以節省系統所需的電源數量,并且它們與電源時序無關。這些器件采用5 V (VDD) 和1.8 V (VIO) 電源供電,其功耗與吞吐速率成線性比例關系,故而可以實現非常低的功耗:在采用外部5 V基準電壓源的情況下,100 SPS時的典型功耗約為1.7 μW,250 kSPS時為12.5 mW,如圖10所示。因此,該ADC具有高效率,對高低采樣速率(甚至低至數Hz)均適合,能夠很好地支持便攜式和電池供電系統。該器件的重要特性之一是其會在每個轉換階段結束時自動關斷,僅消耗非常低的待機電流(典型值50 nA),因而在不使用器件時可以節省電池電量,延長電池續航時間。

圖10. AD7682/7689工作電流與吞吐速率的關系
精密性能
對于需要多個AD7682/AD7689器件的應用,使用內部基準電壓緩沖器緩沖外部基準電壓會更有效,這樣能降低SAR轉換串擾。由于內部基準電壓限制在4.096 V,因此使用5 V外部基準電壓源時SNR性能最佳。對于2 kHz輸入信號音,采用5 V外部基準電壓源且以250 kSPS全速運行時,它提供出色的交流和直流性能:INL為±1.5 LSB,信納比 (SINAD) 約為93 dB,有效位數 (ENOB) 約為15.2位。圖11顯示了給定外部基準電壓下SNR、SINAD和ENOB的典型性能。

圖11. AD7682/7689 SNR、SINAD和ENOB與基準電壓的關系
結論
下一代插接式光收發器模塊和其他便攜式系統需要高效率、小尺寸、低成本數據采集系統。AD7682/AD7689提供業界領先的集成度和精密性能,支持廣泛的傳感器接口,設計人員利用這些器件不僅能滿足苛刻的用戶要求,還能實現系統的差異化。這種高效率集成ADC解決方案能夠應對空間受限應用的高電路密度和熱功耗挑戰,與現有LFCSP和競爭產品相比可節省60%以上的空間,對高低采樣速率應用都很合適。
推薦閱讀:






