該集成電路信號尋跡器電路簡單,僅需一片小功率集成功放電路LM386和5個電容就能組成整機,而且尋跡能力極強。從調諧回路至功放電路,都能方便地檢出故障所在,由于聲音宏亮,在檢查中放及低放電路時,還可以用喇叭放音,無需老掛著耳機,使用很方便。

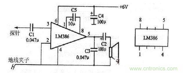
電路原理如上圖所示。Cl為隔直電容;C2是輸出電容;C3的作用是防止自激;C4是電源濾波電容。
信號經Cl從集成電路LM386的③腳輸入,由于LM386的輸入端是微電流偏置,而且有很寬的頻響,所以不需外接二極管就能完成檢波。信號經放大后由LM386⑤腳輸出。LM386的①腳和⑧腳是增益控制,直接用10μF的電容把兩腳連接起來,就可獲得最高的增益。

這款超簡單的集成電路信號尋跡器電路設計,是不是很合你的心意,如果有誰diy了實物,希望能夠大家分享下制作過程和心得!
相關閱讀:
專家支招:如何減少集成電路中的天線效應
http://www.szzhuce.cn/rf-art/80022399
經驗分享:檢修集成電路時的五種拆卸方法
http://www.szzhuce.cn/cp-art/80021753
集成電路測試的方法及其問題解決
http://www.szzhuce.cn/gptech-art/80022538




