- 探討紅外遙控技術在汽車中的應用
- 實現了紅外線遙控信號的接收解碼
- 改善了公交系統的服務質量
紅外線遙控是目前應用最廣泛的一種通信和遙控手段。由于紅外線遙控器具有體積小、功耗低、功能強、成本低等特點。因此,彩電、錄像機、音響設備、空調、玩具、門鈴以及遙控汽車路牌等其它小型裝置上也紛紛采用紅外線遙控。為改變目前汽車上的車頭路牌指示燈(以下簡稱車號器),無法靈活改變的缺陷,把紅外遙控用在其中,使其可以輕松實現遠距離、非接觸性的一次改變車號的目的,從而改變以前用人工翻牌的舊模式。
一、 汽車車號器的紅外遙控系統
汽車上的車號器,原用簡單的LED數碼管控制,使用起來很不方便,為了能遠離的控制它,就采用了紅外遙控。通常紅外遙控系統由發射和接收兩部分組成,應用編/解碼電路專用集成電路芯片來進行控制操作,如圖1所示,發射部分包括鍵盤矩陣、編碼調制、紅外發送器。接收部分包括光電轉換放大器、解調、解碼電路。紅外發送每次編碼的發送是一個鍵值,即一個十六進制的數據。為了達到一次能發送一組數據(如車次號,通常為三位十進制數),我們可以采用89C2051的軟件編碼/解碼的方法,先一次性輸入一組車號,按下發送鍵后,全部發送出;同時在接收時,用連續接收方法,一次性解碼所有數據。

遙控發射器的專用芯片很多,但在汽車車號器遙控中,采用的是 89C2051 芯片。用P1口組成矩陣掃描反饋,獲取鍵值,用內部的定時器1產生一個38K的軟件定時中斷,驅動P1.0產生一個38K的方波,當作紅外線的調制基波,需要發送的數據,以串行方式,用波特率為1200,帶奇偶校驗的方式,直接送至TXD的串口發送端,而后TXD和P1.0進行邏輯與后,經過40106整形,用三極管驅動紅外發射管直接發出。其原理圖如下:

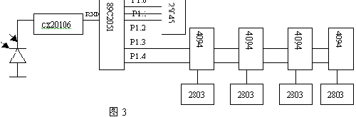
接收器部分,主要由CX20106和89C2051、顯示驅動4094、2803及數據存儲器和看門狗25045組成,用解碼芯片CX20106把38K的載波過濾后,得到一組波形,即以波特率為1200的串口數據,直接送至89C2051的RXD接收,用軟件讀取串口,輸入緩存,得到一組數據,判斷正確后,存放在非易失性的EEPROM25045中,同時直接用脈沖移位方式,送數據至4094,經2803驅動后顯示,同時用25045的看門狗定時,保證在程序失控等情況下,能正確返回而不造成錯誤接收。由于串行口方式傳輸,本身帶有奇偶校驗和起停位校驗,可以大大提高數據的可靠性,同時在數據組中還加入了累加和校驗,再次提高了可靠性,因此在實際應用中,即使在露天、太陽直射、光照很強等惡劣環境下,都能保證不會誤收數據而造成顯示錯誤。其原理圖如下:

四、 軟件編程
單片機89C2051軟件包括主程序,串行口中斷服務程序和定時中斷服務程序三部分,在2051單片機內部RAM區建立相應的工作單元和標志位。
(一)、發送程序:SEND-BUFO∽SEND-BUF3為四個字符發送緩沖區,SEND-MARK為請求發送標志。當鍵盤掃描到有發送請求時,啟動定時器,在P1.0輸出一個38K的方波,同時啟動串行口,把SEND-BUFO至SEND-BUF3中的數據,發送至SBUF中,合成后發送。其程序流程過程如下:
發送主程序:初始化時設置定時器、看門狗和串行口,并清顯示,而后掃描鍵盤。若有鍵按下,進行按鍵處理;若是發送鍵,則置串口發送標志,啟動定時器和串行發送程序,后返回主程序中的顯示程序,送顯示數據至緩沖區。
串口中斷程序:現場保護,取發送數據至發送緩沖區,啟動軟件定時產生38K的方波,而后判數據是否發送完畢,結束則清除發送標志,反之,則返回繼續送數據。
定時中斷程序:現場保護回填定時長度,啟動計數定時,并在指定的管腳P1.0取反,變成反相電平,返回。
(二)、接收程序:REC-BUFO∽REC-BUF4為四個字符的接收緩沖區,REC-MARK為數據接收完整的標志。當串行口中斷產生時,按次序接收數據至REC-BUF0至REC-BUF3中,數據滿后,計算累加和。如果正確,置REC-MARK標志;反之,把緩沖區數據清零。主程序中若判斷有REC-MARK標志,則把數據進行處理后,送外存25045和顯示緩沖區中顯示,同時由于接收是在汽車中進行,電源電壓和其它干擾很多,包括有可能產生的串行口誤判等。因此,為了保證程序能正常運行,啟動了25045中的看門狗電路,以每隔500ms時間定時刷新。其程序流程過程如下:
接收主程序:初始化時設置定時器、看門狗、清顯示和外存25045判斷有否數據接收標志,若有進行數據判斷,正確的寫至數據外存,并送至顯示區顯示,反之,返回主程序的顯示程序和刷新看門狗。
串行口中斷接收程序:現場保護后,判斷接收數據是否為頭或尾部數據,作相應處理是正常數據時存放緩存,并指針加一,當完整的一組數據正常收到后,置接收數據標志后返回。
定時中斷程序和發送一致,只是定時刷新看門狗。
五、結束語
以上方法非常簡單地實現了紅外線遙控信號的接收解碼,極大地節約了硬件實現的資源開銷。該紅外遙控系統的設計已應用于公交車中,改善了公交系統的服務質量,提高了工作效力。



