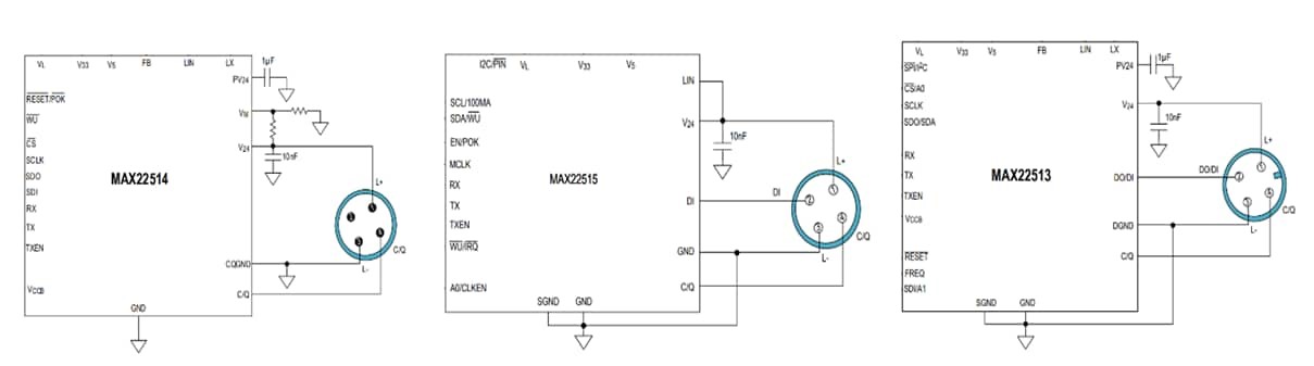
【導讀】選擇IO-Link從站收發器時,我們先要考慮該器件支持的連接器引腳功能的數量和類型。有些智能工廠器件可能只需要一個C/Q引腳來進行數據傳輸/切換,MAX22514非常適合此類任務。有些器件可能需要IO-Link連接,其中包括額外的數字輸入(DIN),以傳輸來自基本傳感器或按鈕開關的信號。在這種情況下,MAX22515是更好的選擇。還有些器件可能還需要將DIN配置為數字輸出(DO),而MAX22513提供了這種額外的自由度。
出色的IO-Link從站收發器應能夠全方面滿足應用要求。這是智能工廠系列的最后一篇博文,討論了選擇IO-Link從站收發器時需要考慮的因素,并說明了ADI公司IO-Link收發器產品系列的特性如何幫助盡可能簡化這一過程。請點擊此處查看之前的博文。
連接器引腳功能
選擇IO-Link從站收發器時,我們先要考慮該器件支持的連接器引腳功能的數量和類型。有些智能工廠器件可能只需要一個C/Q引腳來進行數據傳輸/切換,MAX22514非常適合此類任務。有些器件可能需要IO-Link連接,其中包括額外的數字輸入(DIN),以傳輸來自基本傳感器或按鈕開關的信號。在這種情況下,MAX22515是更好的選擇。還有些器件可能還需要將DIN配置為數字輸出(DO),而MAX22513提供了這種額外的自由度。
圖1.IO-Link從站收發器上的端口引腳功能
小尺寸
隨著工業運營自動化程度不斷提高,工廠車間的設備密度也在迅速增加。這迫使IO-Link傳感器和執行器不斷縮小,使收發器封裝尺寸成為關鍵特性。設計可放入超小型外殼的IO-Link器件并非易事,而采用2.5 x 2mm WLCSP(晶圓級芯片規模封裝)的MAX22515可以幫助應對這一挑戰。
集成度高、熱耗散低
傳感器和執行器外殼不斷縮小會導致一個意外后果,即表現為熱量形式的功耗成為更大的問題。IO-Link從站通常從IO-Link主站(24V電源)獲取電源,但僅需要低數字電平電壓(3-5V)即可運行。電壓大幅下降會導致相當大的功率浪費。傳統方法是使用外部DC-DC降壓轉換器,但額外的元件會導致增加電路板尺寸。具有高效率全集成式DC-DC轉換器的IO-Link收發器可以順利解決此問題,例如MAX22513或者MAX22514,前者可通過低輸出電阻驅動器(典型值2Ω)提供高達300mA的電流,后者則通過2.4 Ω驅動器提供高達200mA的電流。
圖2.外殼橫截面,可見采用集成有DC-DC轉換器的MAX22513可節省大量空間
同樣,帶有集成振蕩器(充當管理通信鏈路的從站微控制器的時鐘源)的IO-Link收發器可以節省空間并簡化物料清單(BOM)。MAX22513和MAX22514均具有集成振蕩器。
穩健性
工廠車間條件嚴苛、不容怠慢,若沒有充分的保護措施抵御瞬時浪涌和靜電放電(ESD),敏感的半導體電路將很快遭到破壞。ADI公司的IO-Link收發器集成了±60V電纜接口保護功能,具備應對工業環境嚴苛條件所需的堅固耐用性能。此外,這些收發器具有可調限流值和擺率的發送器,以實現更優越的電磁兼容性(EMC)。
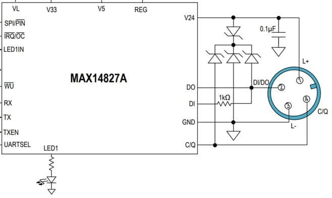
LED驅動器
某些應用需要IO-Link收發器來驅動外部狀態LED,而MAX14827A和MAX14828可提供此功能。
圖3.配置為驅動LED的MAX14827A IO-Link從站收發器
通信和控制接口
從站微控制器帶有各種通信和控制接口,為了實現更優異的靈活性,ADI公司的IO-Link收發器支持不同的接口選項,包括:
SPI - MAX22514或MAX22513
I2C - MAX22513或MAX22515
引腳模式 - MAX22515
總結
本系列博客文章介紹了IO-Link如何充分體現“智能工廠”概念。這種多功能接口簡化了與智能傳感器和執行器的通信,將信號傳輸與電纜供電技術相結合。隨著工業自動化系統日益互連和智能化以適應集中控制和優化生產的需求,它已成為關鍵賦能因素之一。下表總結了ADI公司IO-Link產品系列中從站收發器的特性。
圖4.ADI公司IO-Link從站收發器產品系列及特性表格
關于ADI
Analog Devices, Inc. (NASDAQ: ADI)是全球領先的半導體公司,致力于在現實世界與數字世界之間架起橋梁,以實現智能邊緣領域的突破性創新。ADI提供結合模擬、數字和軟件技術的解決方案,推動數字化工廠、汽車和數字醫療等領域的持續發展,應對氣候變化挑戰,并建立人與世界萬物的可靠互聯。ADI公司2023財年收入超過120億美元,全球員工約2.6萬人。攜手全球12.5萬家客戶,ADI助力創新者不斷超越一切可能。
(來源:ADI公司,作者:Michael Jackson和Brian Condell)
免責聲明:本文為轉載文章,轉載此文目的在于傳遞更多信息,版權歸原作者所有。本文所用視頻、圖片、文字如涉及作品版權問題,請聯系小編進行處理。
推薦閱讀:



