【導讀】目前,電路仿真領域呈現采用全方位電路仿真方法的趨勢。我們認為,在所有安裝的電路仿真器中,有75%用于系統設計,而不是IC設計。幾乎所有這些仿真器都是SPICE的變體。隨著電子行業不斷發展,系統工程師面對日益增多的集成電路,尤其是無處不在的運算放大器,也需要愈加精準的模型。但是,這些IC器件的速度和復雜性不斷提高,給初期的SPICE開發人員帶來了始料未及的問題。
由于典型的運算放大器中包含大量有源器件,僅使用晶體管級模型的電路仿真會消耗大量時間,特別是電路中包含多個運算放大器時。由于涉及多個非線性方程,即使是簡單的半導體器件模型也會消耗大量計算時間。在某些情況下,完成整個仿真所需的時間可能超過構建工程原型所需的時間。顯然,這種情況完全背離了使用SPICE的初衷。
幸運的是,我們可以通過使用盡可能準確地表示運算放大器的宏模型來縮短仿真時間,而無需使用大量晶體管或其他非線性器件。然而,無論出于何種意圖和目的,要設計一個能完全模擬實際器件的宏模型是一個相當大的挑戰。對于電路設計人員來說,運算放大器模型要切實起到作用,則不能只涵蓋所有重要的DC參數,還要能夠在遠超單位增益交越頻率的區域內合理地仿真近似AC特性。
現有的宏模型是不夠的
許多運算放大器的宏模型已包含在多個可用軟件仿真器的器件庫中。這些模型大多數都是基于Graeme Boyle和他的同事(見參考文獻1)所做的初期工作,他們在20世紀70年代中期開發了一些宏模型,以緩解當時已經超負荷的大型計算機的CPU時間緊張問題。Boyle幾乎去除了宏模型中的所有晶體管,只保留了兩個晶體管。保留的這兩個器件構成了運算放大器的差分輸入級;后續的所有級都采用線性控制源、無源元件和二極管來實現。輸入級中保留的晶體管有助于仿真實際影響,例如偏置電流,以及輸出dV/dt隨差分輸入電壓的變化。
Boyle方法大大減少了所有非線性元件的數量,所以每個放大器所需的仿真時間也大幅縮短。相比完全采用晶體管的仿真,Boyle結構確實有明顯改善,但該結構仍有一些不足之處,這也促進了新的宏模型的開發。該結構具有以下缺陷:
-Boyle模型只提供兩個極(沒有零)來顯示整個放大器的頻率響應——這種配置僅適用于較慢的運算放大器,完全不適合如今速度更快的器件。
-所有內部產生的節點電壓都以地為基準,即使放大器相對于地“浮空”。這種配置不能體現運算放大器的真實運行狀況——幾乎所有可用的器件都不提供接地參考。
-輸出端電流從連接到地的受控源流出,而不是像在實際放大器中那樣從電源軌流出。此特性完全排除了基于放大器的輸出電流(在電源軌之間正確分流)來仿真電路的情況。
理想元件可以降低復雜性
開發原始的Boyle模型(圖1)的電路拓撲結構時,使用了兩種基本的宏模型建模方法(稱為簡化法和構造法),這兩種方法在開發新宏模型時也非常有用。

圖1:Boyle運算放大器宏模型的一個重大缺陷是所有電壓都以地為基準

圖2:新運算放大器宏模型本質上是模塊化的。在運算放大器設計中,可以通過級聯任何構建模塊來獲得任意數量的極和零點。
這種簡化技術使用簡單的理想元件來代替電路的實際部分,從而持續降低運算放大器主要內部級的復雜性。因此,可以通過利用此方法的功能模塊來高度仿真實際電路。在圖1中,輸入級模型就是一個很好的簡化示例。該模型保留了發射極耦合對的差分輸入特性,但消除了所有有源負載;它用理想元件代替尾電流源;并承擔產生第二放大器極的任務。增加一個電容(CE)即可使該模型在此級中提供一個極,而減少元件總數則能加快仿真運行速度。
另一方面,可以使用構造法構建一個完全由理想元件組成的電路模塊,高度仿真器件實際部分的行為。遺憾的是,構造法常常會導致一些子部分與實際等效部分毫不相似。圖1的輸出級就是一個很好的示例:它提供了必要的輸出電壓限幅,具有正確的輸出電阻,還提供了短路限流值;但與實際運算放大器原理圖沒有一點相似之處。
開發改進的宏模型
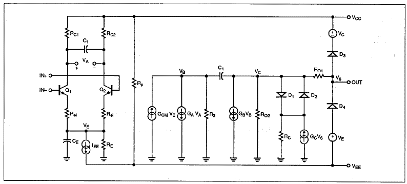
開發新的宏模型(圖2)的目的是創建一個能夠像實際運算放大器一樣運行的模型;但它仍然必須足夠簡單,可以作為一個通用模型使用。圖3、圖4和圖5顯示該模型由處理輸入信號的幾個級聯部分組成。

圖3:新模型的輸入級與Boyle模型的輸入級相似,但之后所有級的結構都截然不同

圖4:除提供零點的共模增益級外,還提供三種類型的頻率成形網絡

圖5:新輸出級還配有電流源,對供電軌之間的負載電流正確分流
由于該模型在構建時采用了簡化技術,所以其輸入級與Boyle模型非常相似。但是,由于生成新模型的剩余部分時采用了構造法,在輸入級之后,這兩個宏模型毫無任何相似之處。注意,在任何信號處理模塊中都沒有接地參考。相反,在實施差分至單端轉換后,所有內部產生的節點電壓都以供電軌之間的中點為基準。這個中點在模型中稱為VH,由兩個連接在供電軌之間的等值電阻產生。
在使用新宏模型對任何特定的運算放大器建模時,其最低要求基本上與Boyle拓撲的要求相同:一個差分輸入級、一個增益級和一個輸出級。這種配置可以產生基本的雙極頻率響應,且可以從仿真時間這個角度直接比較這兩種宏模型。您可以在增益級和輸出級之間添加單位增益極、極零點和零極點模塊的任意組合,以獲得所需的頻率相關開環增益滾降。模塊之間的區別在于:極零點模塊產生的極點頻率比零點低,而零極點產生的極點頻率比零點高。
框圖2“模型參數的計算”顯示了基于圖3、4和5所示的構建模塊構建運算放大器所需完成的計算。只要給出所探討的運算放大器的某些數據手冊參數,結合必要的極零點位置,就可以使用計算器輕松完成這些計算。
圖3中的輸入級是一個簡化雙晶體管電路。新模型和舊模型的主要區別在于:在新模型中,輸入級使用與實際運算放大器同類型的輸入器件,即NPN或PNP雙極性器件、P通道JFET(或者如果適用,使用N通道器件),或者MOSFET。Boyle模型只允許在輸入級使用雙極性器件,如果是對雙極性輸入運算放大器進行建模,這毫無問題。但是,如果使用Boyle技術對一個FET輸入運算放大器建模,則必須大幅提高輸入晶體管的電流增益,以獲得所需的輸入偏置電流。此外還必須通過發射極負反饋來降低其跨導。這些更改導致的結果是:無法在寬輸入差分電壓范圍(一般是1至2V)內正確仿真FET輸入放大器的輸出dV/dt的常見變化。A降級之后的雙極輸入級具有線性化、雙曲正切傳遞特性(見文獻2),而FET輸入級具有平方律傳遞特性(見文獻3)。顯然,這些特性并不對等。因此,由于FET輸入級的參數計算并不比雙極性級復雜,所以在模型中使用正確的輸入器件是有意義的。
所有表現出非理想行為的輸入級參數(如失調電壓、失調電流和輸入電容)都使用單獨的理想元件進行建模。此外,在反相和同相輸入端之間連接兩個等值電阻,以產生共模輸入電壓。模型的后續部分會用到輸入電壓,先進行擴展和頻率成形,之后反饋到輸入級用于修正失調電壓。
該模型假設輸入晶體管是完全匹配的,且沒有任何會改變整體頻率響應的結電容。但是,通過為雙極性級選擇合適的電流增益,或為FET級選擇合適的柵極漏電流,它也可以得出正確的輸入偏置電流。通過使負載電阻值等于晶體管跨導的倒數,可以將差分對的電壓增益設為單位增益。這個假設簡化了確定壓擺率限制元件的計算。為方便起見,將輸入級的尾電流標稱值設為1 mA;但是,這個值可以降低到100µA、10µA或1µA,具體取決于放大器的總靜態電流。
增益級的特性
該模型的開環增益通常在一個單級(見圖3)中實現,該級由兩個電壓控制電流源、兩個電阻、兩個電容和一個電壓限制網絡組成。在這個級中,也會發生差分至單端信號轉換。電壓限制網絡由一對二極管組成,每個二極管都連接到自己的電壓源。該網絡防止增益級和模型的其他內部節點在輸入過載驅動條件下出現超過電源軌電壓的擺幅。在開環增益級必須限制電壓;否則,后續節點可能會嘗試仿真大信號(數百千伏)的產生。
兩個電容(與電阻并聯)決定放大器主極點和壓擺率。目前,宏模型只能處理對稱的正負壓擺率,因為對稱是最容易仿真的情況。但是,未來的增強宏模型可能允許仿真對稱正負壓擺率之間的一些變化。最后,該級在這兩個電壓控制電流源上各添加一個直流分量,構成放大器靜態電源電流的主要部分。
對運算放大器頻率響應的研究表明,在大多數情況下,精確仿真實際器件在高頻率下的增益和相位變化需要兩個以上的極點。此外,不同類型的運算放大器具有不同數量的極點和零點。為了讓這些不同類型的電路都能輕松轉換成兼容SPICE的子電路(而不必每次都從頭開始),那么一個真正的通用模型必須是高度模塊化的,并且具有任意數量(大量)的極點和零點。所以,最終架構使用了所有單個運算放大器模型都通用的一些基本構建模塊。這些模塊如圖4所示。
所有頻率成形模塊在DC條件下具有單位增益,因為每個電壓控制電流源(VCCS)的gm都等于從VCCS(電壓控制電流源)的每個節點連接至電源軌的電阻的倒數。這種拓撲結構優勢在于,在為一個特定放大器生成模型時,可以標注單獨的極點或極零點對。因而可以查看它們各自對放大器的凈頻率響應的影響,這樣極零點調整變得非常容易。因為所有頻率成形模塊在DC條件下都具有單位增益,所以這個過程不會改變模型的DC開環增益。
圖4中的共模增益級由兩個VCCS組成,它們驅動兩個等值電阻,每個電阻與一個電感串聯連接至其中一個電源軌。電感仿真大部分放大器隨著輸入頻率增加而表現出的CMRR的典型衰減。輸入共模電壓(相對于Vh節點)控制電流源。每個控制電流源的gm都等于相關電阻值除以DC條件下放大器的CMRR的值的倒數。
所以,從輸入共模網絡到內部共模增益節點的增益等于放大器的CMRR的倒數。(“增益”一詞用在這里并不恰當,因為共模增益的值要遠小于單位增益)。
SPICE仿真器的發展
電路仿真器SPICE及其增強版本SPICE2最初是加州大學伯克利分校在上個世紀70年代開發出來的(見參考文獻4)。最初是為了幫助設計工程師在晶體管級分析集成電路(所以這個首字母縮略詞是表示:Simulation Program with integrated Circuit Emphasis,集成電路模擬的仿真程序)。相比在實驗室由人力計算,SPICE支持使用計算機評估設計,其速度更快,也更徹底。SPICE迅速流行,很快傳播到系統級設計社區,受到IC設計人員的青睞。
初版SPICE是一個公用程序,僅象征性收取少量費用;但是,許多軟件供應商都意識到需要一個完全受支持、可以調整和不斷改進的商用電路仿真器。這類程序的第一個基于大型機的版本包括Meta-Software的HSpice、NCSS分時軟件的I-Spice和電子工程軟件的precision。近來,大部分大型機版本經過調整可用于工作站,還有一些可用于IBM PC和兼容產品。
SPICE的首個PC版本是由MicroSim Corp推出的PSpice。之后陸續推出了其他版本,例如Intusoft推出的IS-Spice。其他公司,包括ADI公司(提供一種名為Saber的行為仿真軟件包)已經選擇脫離傳統的SPICE格式,放棄使用“盒裝”電路元件來構建模型。相反,Saber基于嚴格定義的用一種稱為Mast的特定建模語言編寫的方程來控制任何所需電路模型的行為。
電感器在共模增益上增加一個零點,這相當于在共模CMRR上增加一個極點。共模電壓,在經過擴展和適當的頻率成形之后,按照理論要求輸送回輸入級。這一步通過將輸入級偏置電壓源變成單位增益電壓控制電壓源來實現,其直流分量等于放大器的VOS。
圖5中并未完全顯示輸出級的操作。在接收所有適當的頻率成形之后,內部運算放大器輸出信號顯示為以輸出級處理之前的最后一個節點的Vh為基準的電壓。輸出模塊中的兩個電壓控制電流源驅動兩個連接至供電軌的等值電阻,就像其他模塊一樣。但是,此時,兩個電壓控制電流源的gm的排列方式使它們能夠作為有源電流發生器。所以,每個gm源產生的電流恰好足以通過并行電阻提供所需壓降。
當輸出端沒有負載時,該模型不會從任一電源軌吸取電流。所以,它表現得比較像是理想的單位增益B類輸出級,且無交越失真。因為兩個電阻的值都等于開環輸出電阻的兩倍,所以輸出級看起來就像是以Vh為基準的電壓源,具有正確的DC輸出電阻。仿真正確的輸出電阻意味著DC開環增益會在放大器加載時適當降低。
模型參數計算
以下公式可用于構建改進的宏模型,以實現任何運算放大器仿真。它分別針對每個可用的構建模塊進行計算,并討論了一些電源考量因素。
輸入級和增益級計算
a. 通用計算
參考圖3來確定此處提到的元件和信號。首先,選擇IEE,其值要略小于放大器的總靜態電流。為方便起見,可以將IEE設置為1mA、100µA、10µA或1µA,

其中fp1 =放大器主極點,
AVOL = 開環直流增益

fp2 = 第二放大器極點

T = 27°C
(兩個二極管均適用)。
您可以將數據手冊中的一些參數直接運用到模型中。這些參數包括:
EOS =輸入失調電壓(僅限直流分量);
IOS = 輸入失調電流;CIN = 輸入電容。
b. 雙極性輸入級計算
首先,必須評估以下公式,確定是否可以使用新宏模型對討論的運算放大器進行建模:
其中VT = 0.02585V(27°C時)。
如果此方程成立,可以繼續進行接下來的計算。如果不成立,則必須修改模型,使其與特定的運算放大器匹配。

其中βF為輸入晶體管的正向電流增益,IBIAS為輸入偏置電流。

其中RID為差分輸入電阻。如果RID不是指定的數據手冊參數,則將R1和R2的值設為5 x 1011Ω。
c. JFET輸入級計算
如果設計中包含JFET輸入級,則使用柵極至源極截止電壓VTO的默認值-2.000V。另外,將第一級電流源的名稱改為ISS。主要計算是確定β,即JFET的增益系數:
其中ISS為第一級尾電流。
為了獲得最大輸出dV/dt,尾電流只能來自差分對的一側;因此需要差分輸入電壓等于:
此外,輸入偏置電流由柵極漏極電流和柵極源極漏電流組成。所以,
其中IBIAS為27℃時的輸入偏置電流。此外,
其中RID為差分輸入電阻(一般為1 x 1012Ω。
最后,可以將R5和R6的值設置為零,因為JFET輸入放大器通常不需要降級。
頻率成形級計算
要確認頻率成形級的參數,請參見圖4。在所有三類頻率成形級中,為方便起見,將G3和G4設置為A/V的1 x 10-6倍。此外,fZ為零點頻率,fp為極點頻率。
然后,在極零點級,

在零極點級,

在極點級,

共模增益級計算
要確認共模增益級的參數,請參見圖4。

其中,fCM為共模極。
輸出級計算
要確認輸出級的參數,請參見圖5。二極管D7和D8的擊穿電壓標稱值設置為50V。通過實驗確定了電感L5的值。ROUT為開環輸出阻抗;VT為0.02585V(27°C時);所有二極管的IS均為1 x 10-12A。所以:

可以通過以下公式確定圖3中電阻R9和R10的值:
其中dISY/dVSY表示電源電壓變化引起的電源電流變化。該模型中VCC與VEE之間的總靜態電流為:
其中,N為該模型中頻率成形和共模增益級的總數;R一般為1 x 106Ω;此值以及頻率成形級中G源的跨導,可以根據低功耗運算放大器適當調整;
IDC是增加至G1和G2源的直流偏移,以補償模型的剩余部分消耗的電流和 的靜態電流之間的差值
但是,這種簡單的推挽式輸出級存在一個微妙的問題。無論這個級是吸電流還是源電流,負載電流總是均勻分布在兩個電源軌上,而實際輸出級不會如此。所以,以源負載電流為例,凈正電源電流的增加幅度只有流入負載中電流的一半。而負電源電流則是減少相同的量。為了補償這種異常,會強制電流從正電源軌流向負電源軌,數量正好是負載電流的一半。這種校正電流必須始終沿著相同的方向流動——即使輸出電流的極性相反。

圖6:OP-42宏模型遠比Boyle模型復雜,需要更長的仿真時間,但其精度大幅提高
列表1:OP-42 SPICE宏模型網絡列表
OP-42宏模型 © PMI 1990
SUBCKT OP-42 1 2 30 99 50
15.9 MHZ時的輸入級和極點

45 HZ時的第二級和極點

1.80 MHZ/2.20 MHZ時的極零點對

1.80 MHZ/2.20 MHZ時的極零點對

53 MHZ時的極點

53 MHZ時的極點

53 MHZ時的極點

100 KHZ時增益為零的共模增益網絡

79.6 MHZ時的極點

輸出級

使用的模型
JX PJF模型(BETA=999.3E-6 VTO=-2.000 IS=8E-11)
DX模型 D(IS=1E-15)
DY模型 D(IS=1 E-15 BV=50)
ENDS OP-42
因此,圖5中兩個校正源的作用是在供電軌之間產生一個等于輸出電流一半的單極性補償電流。在SPICE中,因為難以實現絕對值VCCS,所以必須具有兩個線性校正源——一個校正源對應半個輸出電流周期。與每個源串聯的二極管執行半波整流,
齊納二極管確保當電流反向時,始終為每個源提供導電路徑。所有這些附加元件最終形成了一個輸出級模型,其直流行為非常接近實際電路的行為。
為了解決發射極跟隨器輸出級阻抗隨頻率升高的典型現象,宏模型內置一個輸出電感,連接在中間輸出節點和實際宏模型輸出節點之間(參見圖5)??梢酝ㄟ^在模型上使用容性負載來確定這個電感的值,經過不斷試驗和試錯,直到過沖量與采用同樣負載的實際運算放大器極為接近為止。
出色的運算放大器宏模型還必須具備短路電流限制特性,在圖5中,通過使用二極管D3和D4以及電壓源V3和V4,將前一個頻率成形級的輸出電壓(VF)箝位到中間輸出節點(V0)來實現限制。注意,在沒有負載的情況下,前一級的信號始終等于理想的輸出電壓,并且輸出級就像是具有有限輸出阻抗的電壓源。二極管和電壓源的作用相當于箝位有效輸出電阻上的壓降。通過適當選擇每個電壓源,可以獲得所需的輸出限流。
由于新結構的主要目標是提高交流精度,因此該模型也必須正確表示共模行為。因此,建模團隊選擇PMI OP-42(JFET輸入運算放大器)作為第一個實驗對象,主要是因為Boyle模型無法正常仿真JFET輸入級。雖然在測試整個模型之前,該團隊必須計算出與JFET輸入級有關的所有方程,但之后發現,從數學角度處理這個級相當容易,并不妨礙最終的宏模型結構開發。

圖7:以單位增益、反相配置連接OP-42時,增益響應在6MHz左右有一個小高峰;2MHz之后,相位偏移急劇增加。

圖8:采用新的宏模型,OP-42的仿真增益響應(a)與實際器件非常相似,在4MHz有一個小峰值。相位響應(b)非常不錯。這條曲線與實際器件的曲線非常接近。

圖9:OP-42的Boyle模型(a)在4MHz時,沒有顯示實際器件所具備的幅度峰值特性。相位響應(b)也不是很準確,特別是在超過10MHz的區域。

圖10:具有430pF電容負載的OP-42在500kHz、200mV峰值方波的驅動下顯示過沖和欠沖
圖6顯示隨之得出的結果。實際OP-42具有約10MHz的增益帶寬乘積,以及50V/µs的對稱壓擺率。從該放大器的CMRR與頻率關系曲線可以看出,該模型的共模增益級需要一個零點(約100kHz處)。
列表1所示為OP-42宏模型的網絡列表,它有8個極點、2個零點,以及在共模增益級的100kHz處的一個零點。即使是一個相對穩定的放大器模型也需要這些極點和零點,以便準確地模擬實際器件在高頻率下的增益和相位行為。
查看網絡列表的輸出級部分可知,開環輸出電阻為45Ω。與輸出端口串聯的250nH電感可以補償高頻率下有效開環輸出阻抗的上升。由二極管D3和D4以及電壓源V3和V4組成的限流網絡將最大輸出電流箝位在約±30mA。
仿真精度比較
圖7顯示作為反相單位增益放大器連接的實際OP-42的增益和相位響應,該放大器具有1kΩ輸入和反饋電阻,采用±15V電源供電。在閉環增益曲線上,可以看到一個小峰值(約2dB),在超過2MHz之后,相位偏移急劇增加。圖8a和圖8b顯示在相同條件下,新OP-42宏模型的增益和相位響應。增益響應顯示與實際電路具有相同的閉環峰值;相位響應與實際器件的相位響應幾乎完全一樣,至少達到10MHz。
圖9a和9b顯示采用Boyle模型時的輸出曲線,從中可以明顯看出Boyle模型在響應精度方面的缺陷。增益響應未出現2dB峰值,表明急劇滾降,在超過10MHz之后,結果非常不準確。Boyle模型的相位響應與實際電路的響應相去甚遠。OP-42宏模型采用多個極零點補碼,可以更準確地仿真實際電路的交流響應。

圖11:采用新的宏模型仿真OP-42(采用430pF容性負載)的結果顯示,該模型的輸出級具有對稱性

圖12:采用Boyle模型仿真OP-42時,仿真了大約等量的過沖,但其振鈴頻率過低
圖10顯示在430pF容性負載下,測量的反相單位增益OP-42放大器的瞬態響應。對于400mVp-p輸入信號,大約有75%的過沖和100%的欠沖。新的宏模型仿真結果(參見圖11)顯示大約115%的過沖和欠沖。這個仿真值與波形負半部的實際值相當接近,但與正半部的實際值不同。對于這種異常,給出的解釋是:盡管新的宏模型的輸出級完全對稱,但所建模的運算放大器可能并非如此。OP-42實際上具有不對稱、完全由NPN晶體管組成的輸出級。所以,高頻開環響應是可變的,具體取決于輸出級是吸電流還是源電流。
Boyle配置也將運算放大器的輸出級建模為完全對稱的電壓源,如圖12所示,它在輸出波形負半部的欠沖仿真并不正確。它在正半部的仿真與實際電路非常接近,但是振鈴頻率低于實際電路。

圖13:除了多了一個增益級之外,OP-61的模型示意圖與OP-42類似
列表2:OP-61 SPICE宏模型網絡列表
OP-61宏模型 © PMI 1989
SUBCKT OP-61 1 2 34 99 50
300 MHZ時的輸入級和極點

第一個增益級

2.5KHZ時的第二增益級和極點

4MHZ / 8MHZ時的極零點對

85MHZ / 300MHZ時的零極點對

40MHZ時的極點

200MHZ時的極點

200MHZ時的極點

200MHZ時的極點

40 KHZ時增益為零的共模增益網絡

300MHZ時的極點

輸出級

使用的模型
QX NPN模型(BF=1250)
DX模型 D(IS=1E-15)
DY模型 D(IS=1E-15 BV = 50)
ENDS OP-61
Boyle方法本身不支持對非對稱輸出級行為建模,很遺憾,這種新的宏模型也是如此。但是,這個缺陷是可以解決的。如果在生成模型的過程中發現過沖值與欠沖值不同,那么在輸出電感相關計算中應使用兩個值中較大的一個。然后,在容性負載下,該電感值將會產生最差情況下的過沖和欠沖結果。
執行時間比較
假設宏模型不存在收斂問題,那么SPICE進行操作點計算或生成直流轉換曲線所需的時間很大程度上取決于網絡列表中指定的電路元件數量。因此,新的OP-42宏模型的速度幾乎比Boyle模型慢一半,需要進行2.27次迭代,才能得出最終的解決方案。對于交流分析案例,情況也是這樣,新的宏模型的運行時間幾乎是Boyle宏模型的兩倍。但是,在仿真交流響應時,這兩種模型需要的迭代次數基本是相同的。
由于所涉因素很多,很難評估瞬態分析需要多大的計算量。特別是,新的宏模型會展示比Boyle模型更多的細節。所以,仿真器必須使用更精細的時間步長,相應地執行更多的計算。但是,模型中大量的理想元件使得模型具有很好的收斂性能。所以,有時可以通過在單個時間步長內進行更多次迭代來加快分析速度,這樣,仿真器可以保持粗略的時間步長,并減少回溯次數。
大多數SPICE仿真器將瞬變迭代次數默認為10。您可以在.OPTIONS部分將ITL4設置為一個更大的數值(比如40),以覆蓋這個默認值。此外,將RELTOL放寬到0.01(默認值通常為0.001),通過略微降低準確性也可加快運行時間。這種降低是可行的,因為宏模型本身也只是一種近似法。但是,請注意,圖11和圖12是在RELTOL設置為0.001而不是0.01時生成的,所以曲線會更為準確。另一種加快瞬態分析速度的方法是使用GEAR積分,而不是梯形積分;但是,使用這種積分得出結果的振蕩幅度要比實際結果低得多。
RELTOL使用0.01,ITL4和梯形積分使用40,OP-42宏模型的瞬變運行速度比Boyle慢3.64倍,且需要2.15倍迭代。仿真速度雖然大幅降低,但是可以接受,并且精度大大提高,足以抵消這種降低。
OP-61宏模型
OP-61是一種雙極輸入寬帶精密運算放大器,典型的增益帶寬積為200MHz(測試頻率為1 MHz時),壓擺率為40V/µs。圖13所示的這種器件的模型比OP-42的模型稍微復雜一點。OP-61的共模抑制在比OP-42的CMRR低的頻率下開始滾降,但在1MHz時,其值仍然非??捎^,為80dB。網絡列表(參見列表2)表明OP-61模型需要9個極點和2個零點來模擬開環頻率響應,并且共模增益在40kHz時為零。
注意,這個模型在差分輸入級和主增益級(參見圖13c)之間有一個額外的增益級(圖13中的級b),可以生成放大器主極點。這個特殊的模型需要額外的增益級,因為OP-61不能滿足極限方程要求,該方程涉及雙極性輸入級的壓擺率、開環增益和主極點頻率(參見框1)。OP-61模型需要100dB開環增益和40V/µs壓擺率,但其增益帶寬積(以及由此得出的主極點頻率)太高,無法由單個級生成所有開環電壓增益。
所以,該模型使用兩個增益級,共同提供所需的100dB增益。第一個增益級的增益為200;第二個為500。必須對第一個增益級箝位,以限制施加給第二個增益級中電壓控制電流源的最大驅動電壓。這個箝位操作會限制傳遞給補償電容C5和C6的峰值電流,從而限制第二個增益級的最大dV/dt。
因為輸入級的最大差分輸出電壓僅為51.6mV,所以第一個增益級必須提供較大增益。為了便于對電壓源和二極管進行箝位,需要一個更大的電壓。第一個增益級的200增益在擺動期間可以產生相對于Vh的±10.32V無阻尼電壓,但是無論使用哪個供電軌,箝位電路都會將此值限制為約±5.0V。這種配置支持進行可靠箝位,即使電源電壓低至±4.4V,這也導致所需壓擺率為40V/µs。

圖14:將一個實際OP-61連接為反相放大器,增益為10時,增益響應在10MHz時顯示達到3dB峰值。

圖15:OP-61宏模型的仿真增益(a)顯示了在10MHz時的正確峰值。此外,它在40MHz時的相位響應(b)與實際器件的響應僅偏差10°。

圖16:實際OP-61連接為反相放大器,且增益為10,容性負載為207pF時,其瞬態響應不太對稱。輸入信號為500kHz方波,峰值幅度為10mV。垂直標度為0.1 V/div,水平標度為0.2µs/div。

圖17:OP-61宏模型仿真的瞬態響應非常接近實際器件的瞬態響應
仿真精度比較
圖14顯示了配置為反相放大器、增益為10的實際OP-61的增益和相位響應測量值。其中使用了一個1kΩ反饋電阻、一個100Ω輸入電阻和±15V電源。在10MHz范圍內,振幅響應出現約3dB的峰值,在10MHz以上,相位偏移急劇增加。對于這些響應,新的宏模型(參見圖15a和15b)的測量值與OP-61非常一致。增益曲線顯示,在稍高于10MHz的位置,出現了所需的增益峰值(稍微超出2dB)。相位響應精度也非常不錯;在40MHz時,誤差只有10°左右,可能在試驗板由于寄生電容和其他物理效應導致的偏差范圍內。因此,這個新的宏模型是一個可以預測OP-61性能的有用工具,甚至可以在評估試驗板之前進行預測。
圖16顯示了OP-61的瞬態響應,看起來非常不穩定,但該器件正在驅動207pF容性負載。該波形顯示過沖量和欠沖量之間存在一些不對稱性(180%對比220%),但是OP-61和OP-42一樣,并沒有完全平衡的輸出級結構。所選的輸出電感(模型中的L5)在很大程度上決定了仿真的瞬態響應與實際響應之間的相似程度。事實上,圖17所示的仿真產生了對稱的過沖和欠沖(約150%),與圖16相比稍低,但其振鈴頻率則稍高。這種差異對用戶來說并不太重要。但是,如果這很重要,可以稍微增大輸出電感的值,使仿真響應更接近實際器件響應。
通過與OP-42(沒有OP-61的Boyle模型)比較,您可以大致了解新OP-61模型的性能。在計算直流偏置點時,OP-61宏模型比OP-42宏模型更快。但是,進行交流響應仿真時,OP-61宏模型則比OP-42宏模型慢1.18倍。
進行瞬態響應仿真時,OP-61宏模型所花的時間是OP-42宏模型的1.76倍,迭代次數是OP-42的1.56倍。在這方面,您應該記住,瞬態運行的仿真時間隨著輸出振蕩的加劇而增加。所以,直接比較OP-42和OP-61的執行時間并不公平,因為OP-42的響應比OP-61更平緩。
仿真目標在不斷改變
計算機模型用于對一些物理現象進行準確建模;現象越復雜,計算機執行必要計算所需的時間就越長。Boyle運算放大器模型的目標是減少需要仿真的非線性元件的數量,從而將運行時間縮短至可接受的水平。Boyle模型在建立時并未考慮到最終準確性,但它可以正確預測運算放大器的低頻性能,對于當時的低性能器件來說,結果是令人滿意的。
但是如今,對更高性能的需求日益增長,如果可以準確預測新器件的性能,則可以幫助避免設計錯誤,以免在生產階段因糾正這些錯誤耗費大量成本。所以,準確的高頻性能建模至關重要,在這一領域,Boyle模型無法滿足需求。本文所描述的經過改進的運算放大器宏模型不僅能比Boyle模型更準確地仿真運算放大器的高頻響應和瞬態行為,還不會耗費過多的CPU時間。如今,擁有了強大的桌面工作站,建模的重點是提高仿真精度,而不是縮短執行時間。所以,新的宏模型提供了良好的折衷方案。
這個新的宏模型的最大限制因素在于:為了保證SPICE的兼容性,該模型必須以包含實際電路元件的網絡列表的形式編寫。一些新仿真器(如ADI公司的Saber)允許您用專門的編程語言來定義模型,無需采用電路類型架構。Saber建模語言稱為Mast,與C語言非常類似,可以有效管理內部變量。例如,允許完全用數學方法來描述新的宏模型的輸出級。Saber模型不需要SPICE模型用來對輸出級電流實施校正的所有二極管和額外源。輸出級的定義方程會直接考慮從模型輸出端獲取的任何負載電流。在不久的將來,新的宏模型很可能會在Saber中實現。
參考文獻
1. Boyle, Graeme R., et al, "Macromodeling of Integrated Circuit Operational Amplifiers," IEEE Journal of Solid State Circuits, Vol. sc-9, no. 6, December, 1974.
2. Gray, Paul R. and Robert G. Meyer, Analysis and Design of Analog Integrated Circuits, John Wiley & Sons, 1977, pp 159-161.
3. ibid, pp 175-177.
4. Laurence W. Nagel,“SPICE2:A Computer Program to Simulate Semiconductor Circuits," U.C.Berkeley Memorandum No. M520, May, 1975.
推薦閱讀:




