【導讀】對于汽車、通信以及測試與測量設備等廣大系統制造商來說,技術的發展帶來了終端功能與性能的大幅提升,其根源在于系統中配備的功能愈加豐富的電子模塊。
對于汽車、通信以及測試與測量設備等廣大系統制造商來說,技術的發展帶來了終端功能與性能的大幅提升,其根源在于系統中配備的功能愈加豐富的電子模塊。然而功能越豐富,電路就越復雜,不論是新款汽車中裝載的中控集成式多媒體系統、高性能音響系統,還是體積越來越小的5G通信設備(手機及基站),抑或是要求精度越來越高的儀器儀表,對于高精度數字和模擬IC的要求都愈發嚴苛,特別是在供電需求方面。
作為任何電子系統設計不可或缺的部分,電源性能的高低對于系統性能的高低有著至關重要的影響。而電磁干擾(EMI)特性則是其中最關鍵的性能之一。這種干擾通過電磁感應、靜電耦合或傳導來影響電路,對于電源性能的任何要求(功率密度增加、開關頻率更高以及電流更大)都會擴大EMI的影響。因此,如果在設計初期不加以考慮,將會嚴重影響產品的性能及上市時間。針對此種現狀,ADI推出了專為低EMI場景設計的Silent Switcher系列架構穩壓器解決方案。
Silent Switcher架構這樣消除EMI干擾
最常用的EMI管制標準是CISPR 25 Class 5,它詳細說明了150 kHz至1 GHz頻率下的可接受限值。要在達到該要求,通常會涉及復雜的設計和測試程序,包括在解決方案的尺寸、總效率、可靠性和復雜性等眾多方面進行權衡。傳統方法通過減慢開關邊沿或降低開關頻率來控制EMI,由此帶來的弊端是效率降低,最小開關時間增加,解決方案尺寸增大。替代緩解方案包含龐大復雜的EMI濾波器、緩沖器或金屬屏蔽,這會顯著增加電路板空間、元件和裝配方面的成本,并使熱管理和測試復雜化。
Silent Switcher降壓型穩壓器設計在高開關頻率(>2 MHz)下提供高效率、超低電磁干擾輻射,從而可實現非常緊湊且低噪聲的降壓解決方案。該系列采用了特殊的設計和封裝技術:在設計上,通過將熱回路分成極性相反的兩個回路,形成可以相互抵消的局部磁場;在封裝上,通過倒裝硅芯片并添加銅柱來縮短內部FET到封裝引腳和輸入電容的距離,以縮小熱回路的范圍。利用上述技術,Silent Switcher在2 MHz下能夠實現>92%的效率,同時可以輕松符合CISPR 25 5類峰值EMI限制。

Silent Switcher穩壓器中的磁場抵消
新一代的Silent Switcher 2技術的內部結構采用銅柱代替鍵合線,增加了內部旁路電容,以及集成式襯底接地平面以進一步提高EMI,使其對PCB布局不敏感,從而可簡化設計并降低性能風險。

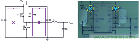
典型的Silent Switcher應用原理圖及其在PCB上的外觀
采用Silent Switcher架構的幾大典型應用場景
Ø 應對車載高電流應用
汽車應用要求系統不產生可能干擾其他汽車系統正常運行的電磁噪聲。例如,開關電源是高效率電源轉換器,但會產生不受歡迎的可能影響其他系統的高頻信號。開關穩壓器噪聲發生在開關頻率及其諧波處。受此類噪聲影響的傳感器和其他儀器可能會運行不正常,引起可聞噪聲或嚴重的系統故障。
下圖展示了一種低 IQ(靜態電流)、低噪聲解決方案,支持汽車I/O和外設的高電流應用。前端的LT8672保護電路免受電池反向故障和高頻交流紋波的影響,正向壓降只有幾十mV。LT8650S的開關頻率為 400 kHz,輸入范圍為3 V至40 V,兩個通道并聯工作時輸出能力為8 A。兩個去耦電容靠近LT8650S的輸入引腳放置。由于采用 Silent Switcher 2技術,即使沒有安裝EMI濾波器,高頻EMI性能也十分出色。該系統符合CISPR 25 Class 5峰值和均值的限值要求,而且裕量很大。

LT8672 和 LT8650S 配置用于高輸出電
下圖顯示了在30 MHz至1 GHz范圍內的垂直極化的輻射EMI均值測試結果。完整解決方案具有原理圖簡單、總元件數非常少、尺寸緊湊等特點,而且EMI性能不受電路板布局變化的影響。

LT8672 和 LT8650S EMI 性能: 30 MHz 至 1 GHz
Ø 應對寬調光比LED照明應用
LED 照明的許多應用都需要寬調光比。以汽車為例,汽車平視顯示器、信息娛樂系統和儀表盤照明中使用的 LED 背光燈必須具備足夠的亮度,以便與在白天不斷涌入車內的直射陽光相抗衡,而且還能把亮度降低幾個數量級,以避免在夜間使駕駛者出現瞬間致盲。這種極端 LED 調光要求在不增加昂貴降噪組件和復雜性的情況下會難以符合 CISPR EMI 標準。
LT3932 通過納入許多旨在最大限度降低 EMI 的內置功能,使得可同時實現高調光比和低 EMI:
· 借助其用于低 EMI 熱環路的 Silent Switcher® 架構最大限度降低 EMI。
· 內置的擴展頻譜頻率調制 (SSFM) 功能電路有助降低傳導和輻射 EMI。
· LT3932 的轉換速率是受控的,以在保持低噪聲性能的同時優化效率。

2MHz 汽車 LED 驅動器具有低 EMI 和在內部產生的 PWM 調光以及整個輸入范圍內的 90% 峰值效率 (未采用 EMI 濾波器時效率為 ~91%)
集成了 36V、2A 開關的 LT3932 同步降壓型 LED 驅動器將其高效率集成化電源開關內置在一個小外形 4mm x 5mm QFN 封裝中,并能以高達 2MHz 開關頻率運行,適用于緊湊的高帶寬設計。憑借用于處理開路和短路 LED 的內置故障保護功能,以及旨在幫助降低 EMI 的擴展頻譜頻率調制,LT3932 可滿足汽車和工業 LED 照明應用的苛刻要求。

LT3932 電路通過了 CISPR 25 Class 5 輻射平均 EMI 測試
Ø 應對高精度測試測量應用
為了確保高精度,精密測試和測量系統需要具有低紋波和輻射噪聲的電源解決方案,從而不會降低高分辨率轉換器信號鏈的性能。在這些測試和測量應用中,生成雙極和/或隔離系統電源給系統設計人員帶來了電路板面積、開關紋波、EMI和效率方面的挑戰。
許多精密測試和測量儀器(如源表或電源)需要進行多象限操作,以獲取并測量正負信號。這就需要從單個具有低噪聲的正電源輸入有效地生成正負電源。使用Silent Switcher、μModule穩壓器 LTM8074 提高降至更低電壓的高效率解決方案如下圖所示。

在低EMI的情況下將電壓降至更低電壓軌的電源解決方案
LTM8074是采用小型4 mm × 4 mm尺寸BGA封裝的Silent Switcher、µModule降壓穩壓器,能夠以低輻射噪聲提供高達1.2 A電流。此µModule器件效率高且具有極低的輻射噪聲,因此是為噪聲敏感精密信號鏈供電的絕佳選擇。根據連接到放大器、DAC或ADC等由電源供電元件的PSRR,也許可以從Silent Switcher輸出端直接為其供電,無需LDO穩壓器進一步過濾電源紋波,而傳統開關需要這樣做。1.2A的高輸出電流也意味著在需要的情況下,它可用于為FPGA等系統中的數字硬件供電。LTM8074的小尺寸和高集成度使其非常適合空間受限應用,同時簡化并加速開關穩壓器電源的設計和布局。
總結
電子系統當前和未來都在不斷發展普及,可以預見,對低 EMI的要求注定會越來越嚴苛。基于此,ADI將會不斷地發展Silent Switcher架構,不斷地提供越來越多的解決方案,以幫助系統設計人員更加從容應對現在、以及將來的各種挑戰。
免責聲明:本文為轉載文章,轉載此文目的在于傳遞更多信息,版權歸原作者所有。本文所用視頻、圖片、文字如涉及作品版權問題,請電話或者郵箱聯系小編進行侵刪。



