【導讀】超寬帶UWB(Ultra-Wide Band)定義為:相對其中心頻率有高比例的帶寬。即任何波形,只要帶寬大于中心頻率的25%,就可認為是超寬帶。超寬帶使用脈寬很窄的基帶脈沖,典型為納秒量級。
超寬帶UWB(Ultra-Wide Band)定義為:相對其中心頻率有高比例的帶寬。即任何波形,只要帶寬大于中心頻率的25%,就可認為是超寬帶。超寬帶使用脈寬很窄的基帶脈沖,典型為納秒量級。從頻域上看,其能量稀薄地擴散在整個使用的帶寬里。超寬帶技術在許多軍事領域有著廣泛的應用,如超寬帶隱蔽通信、超寬帶傳感器、穿墻監控、非金屬地雷探測、穿透植物尋的制導等領域。
基于微功率脈沖雷達(Micro power Impulse Radar)的運動傳感器可作為防盜報警器,隱蔽地安裝在房屋的天花板上,它可以穿過天花板探測指定區域內人體的移動。微功率脈沖雷達的微功率、低成本等特性要求其具體電路設計必須要有其自身的特點。
1、 MIR運動傳感器實現原理
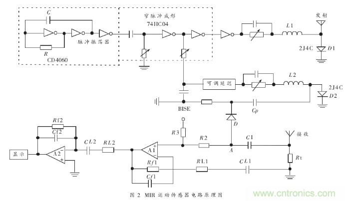
MIR運動傳感器由發射單元、接收顯示單元和天線三部分組成,如圖1所示。發射部分是從脈沖振蕩產生(1.8MHz,占空比50%),窄脈沖成形(脈寬幾十納秒),最后經階躍二極管成形脈寬為400ps左右的快脈沖,由偶極子超寬帶天線發射出去;接收部分采用相關取樣的辦法,提取從目標反射回來的超寬帶信號,由取樣延遲、取樣門信號產生、積分取樣、寬帶信號放大、帶通濾波和顯示部分組成。

取樣延遲是將發射部分的窄脈沖信號延遲,經快脈沖成形后作為相關接收機的參考信號。取樣門寬的脈沖寬度決定傳感器的空間分辨率,根據具體需要可取100ps~400ps。積分取樣是將天線接收的微弱的、被目標反射的超寬帶信號進行積分,從而提高信噪比。對于重復頻率為1MHz的發射脈沖,如果積分時間常數取1毫秒,將有10000個脈沖在積分器被平均。被平均的接收信號經過放大1000倍后,通過一個帶通濾波器就可以將信號檢測出來。對于人體運動的檢測,其上、下截止頻率可分別取0.1Hz和10Hz。
電路見圖2。圖2中較有特色的是發射端的“電感激勵快脈沖成形”和“相關檢測電路”。在該電路的印制板設計中,必需考慮分布參數,并采用微帶工藝。

1.1 電感激勵快脈沖成形
階躍恢復二極管是一種特殊的變容管,又稱作階躍二極管。它在突變電壓激勵下,能產生持續時間極短的快脈沖,一般用于十倍以上的倍頻。
D1、D2為階躍二極管,L1、L2為微帶電感(nH級)。該電路可以激勵輸入為窄脈沖的方波,成形為皮秒級的快脈沖。其中一路用于發射脈沖,另一路延遲快成形后用于取樣門信號。在該電路的具體參數選擇中,脈沖寬度和脈沖幅度是一對矛盾,即為追求較窄的脈沖寬度,必須以犧牲輸出脈沖幅度為代價,降低輸出的平均功率。
經過多次電路試驗,得到了上升沿小于350ps左右的脈沖源(見圖3),脈沖底寬小于800ps。在實際運動傳感器參數選擇中,主要考慮信號頻譜匹配于天線的帶寬(500MHz~1.4GHz),同時要考慮有盡可能大的輸出幅度。

1.2 微功率脈沖雷達信號的相關檢測電路
是否能在微瓦級發射功率的條件下檢測到被測物體微弱的反射信號是接收系統的關鍵。相關檢測的優點是它以相對于參考信號的形式積累被接受信號,可以產生大于噪聲電平輸出信號。
圖2中,當無天線信號時,A點電平為偏置基準電平,為50mV~150mV。當接收天線接收到物體反射信號時,信號在C1偏置電平的基準上充電。此時取樣門的負信號經Cp使D導通,物體的反射信號按信號的重復周期和取樣脈沖信號脈寬多次充放電,在A點平均并能很好地抑制外來噪聲,此電壓經A1運放輸出,其波形時間關系如圖4所示。

2 、微功率脈沖雷達運動傳感器探測實驗
對所完成的運動傳感器系統主要做了兩種試驗:(1)不同材質目標探測和分辯率試驗;(2)穿透性試驗。實驗(1)選用多種材質(金屬、木材、人體等)。實驗表明:其探測靈敏度和材料的介電常數ε成正比,和目標的體積成正比。
穿透性試驗以檢驗傳感器系統的穿透性為目的,這也是超寬帶探測最為顯著的特點。用TEK602存儲示波器接MIR接收機的輸出,在實驗室穿透30cm磚墻能清楚地探測到走廊上人體運動穿過探測區域時,由該傳感器獲取的波形。
圖5是人在走廊上走過,MIR在實驗室里天線貼墻、方向向著走廊。從圖5中可以看出人進出探測區域一進一出的兩個波峰。

免責聲明:本文為轉載文章,轉載此文目的在于傳遞更多信息,版權歸原作者所有。本文所用視頻、圖片、文字如涉及作品版權問題,請聯系小編進行處理。



