【導讀】隨著對精度要求的不斷提高,全差分信號鏈組件因出色的性能脫穎而出,這類組件的一個主要優點是可通過信號路由拾取噪聲抑制。由于輸出會拾取這種噪聲,輸出經常會出現誤差并因而在信號鏈中進一步衰減。
提問:我們可以使用儀表放大器生成差分輸出信號嗎?
隨著對精度要求的不斷提高,全差分信號鏈組件因出色的性能脫穎而出,這類組件的一個主要優點是可通過信號路由拾取噪聲抑制。由于輸出會拾取這種噪聲,輸出經常會出現誤差并因而在信號鏈中進一步衰減。
此外,差分信號可以實現兩倍于同一電源上的單端信號的信號范圍。因此,全差分信號的信噪比(SNR)更高。經典的三運放儀表放大器具有許多優點,包括共模信號抑制、高輸入阻抗和精確(可調)增益;但是,在需要全差分輸出信號時,它就無能為力了。人們已經使用一些方法,用標準組件實現全差分儀表放大器。但是,它們有著各自的缺點。

圖1. 經典儀表放大器
一種技術是使用運算放大器驅動參考引腳,正輸入為共模,負輸入為將輸出連接在一起的兩個匹配電阻的中心。該配置使用儀表放大器輸出作為正輸出,運算放大器輸出作為負輸出。由于兩個輸出是不同的放大器,因此這些放大器之間動態性能的失配會極大地影響電路的整體性能。
此外,兩個電阻的匹配導致輸出共模隨輸出信號運動,結果可能導致失真。在設計該電路時,在選擇放大器時必須考慮穩定性,并且可能需要在運算放大器上設置一個反饋電容,用于限制電路的總帶寬。最后,該電路的增益范圍取決于儀表放大器。因此,不可能實現小于1的增益。

圖2. 使用外部運算放大器生成反相輸出
另一種技術是將兩個儀表放大器與輸入開關并聯。與前一電路相比,這種配置具有更好的匹配驅動電路和頻率響應。但它不能實現小于2的增益。該電路還需要精密匹配增益電阻,以實現純差分信號。這些電阻的失配會導致輸出共模電平的變化,其影響與先前的架構相同。

圖3. 使用第二儀表放大器產生反相輸出
這兩種方法對可實現的增益以及匹配組件的要求存在限制。
新型交叉連接技術
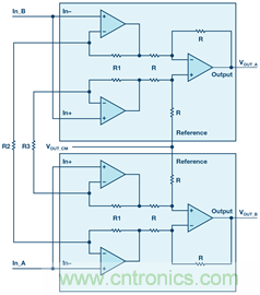
通過交叉連接兩個儀表放大器,如圖4所示,這種新電路使用單個增益電阻提供具有精密增益或衰減的全差分輸出。通過將兩個參考引腳連接在一起,用戶可以根據需要調整輸出共模。

圖4. 交叉連接技術——生成差分儀表放大器輸出的解決方案
In_A的增益由以下等式推出。由于輸入電壓出現在儀表放大器2的輸入緩沖器的正端子上,而電阻R2和R3另一端的電壓為0 V,因此這些緩沖器的增益遵循適用于同相運算放大器配置的等式。同樣,對于儀表放大器1的輸入緩沖器,增益遵循反相運算放大器配置。由于差分放大器中的所有電阻都匹配,因此緩沖器輸出的增益為1。

圖5. 儀表放大器內部的匹配電阻是交叉連接技術的關鍵
根據對稱性原則,如果在In_B施加電壓V2且In_A接地,則結果如下:
將這兩個結果相加得到電路的增益。

增益電阻R3和R2設置電路的增益,并且只需要一個電阻來實現全差分信號。正/負輸出取決于安裝的電阻。不安裝R3將導致增益等式中的第二項變為零。由此可得,增益為2 × R1/R2。不安裝R2會導致增益等式中的第一項變為零。由此可得,增益為–2 × R1/R3。需要注意的另一點是增益純粹是一個比率,因此可以實現小于1的增益。請記住,由于R2和R3對增益有相反的影響,所以,使用兩個增益電阻會使第一級增益高于輸出。如果在選擇電阻值時不小心,結果會加大由于第一級運算放大器在輸出端引起的偏差。
為了演示這個電路的實際運用情況,我們把兩個 AD8221 儀表放大器連接起來。數據手冊將R1列為24.7kΩ,因此當R2為49.4kΩ時,可實現等于1的增益。
CH1是In_A的輸入信號,CH2為VOUT_A,CH3為VOUT_B。輸出A和B匹配且反相,差值在幅度上等于輸入信號。

圖6. 使用交叉連接技術生成差分儀表放大器輸出信號,在增益 = 1的條件下測得的結果
接下來,將49.4kΩ增益電阻從R2移至R3,電路的新增益為–1。現在Out_A與輸入反相,輸出之間的差值在幅度上等于輸入信號。

圖7. 使用交叉連接技術生成差分儀表放大器輸出信號,在增益 = –1的生成長圖條件下測得的結果。
如前所述,其他技術的一個限制是無法實現衰減。根據增益等式,使用R2 = 98.8kΩ,電路會使輸入信號衰減兩倍。

圖8. 使用交叉連接技術生成差分儀表放大器輸出信號,在增益 = 1/2的條件下測得的結果
最后,為了證明高增益,選擇R2 = 494Ω以實現G = 100。

圖9. 使用交叉連接技術生成差分儀表放大器輸出信號儀表放大器,在增益 = 100條件下測得的結果。
該電路的性能表現符合增益等式的描述。為了獲得最佳性能,使用此電路時應采取一些預防措施。增益電阻的精度和漂移會增加儀表放大器的增益誤差,因此要根據誤差要求選擇合適的容差。
由于儀表放大器的Rg引腳上的電容可能導致較差的頻率性能,因此如果需要高頻性能,應注意這些節點。此外,兩個儀表放大器之間的溫度失配會因失調漂移導致系統失調,因此在此應注意布局和負載。使用雙通道儀表放大器,如 AD8222 ,有助于克服這些潛在的問題。
結 論
交叉連接技術保持儀表放大器的所需特性,同時提供附加功能。盡管本文討論的所有示例都實現了差分輸出,但在交叉連接電路中,輸出的共模不會受電阻對失配的影響,與其他架構不同。因此,始終都能實現真正的差分輸出。而且,如增益等式所示,差分信號衰減是可能存在的,這就消除了采用漏斗放大器的必要性,在以前,這是必不可少的。最后,輸出的極性由增益電阻的位置決定(使用R2或R3),這為用戶增加了更多的靈活性。
推薦閱讀:




