【導讀】工業傳感器電源領域目前創新迭出,但也充滿挑戰。智能邊緣的實現需要智能數據方面的準備。這就需要在電源方面進行創新。在某些情況下,智能邊緣傳感器需要由單對雙絞線電纜供電,單對以太網供電(SPoE)解決方案可以滿足需要。在其他應用中,納安級功耗解決方案有助于節省能源,從而在傳感器側實現更長的電池運行時間。此外,一些智能傳感器需要超低噪聲電源,以使傳感器數據不受影響。最后,在邊緣添加傳感器智能將需要使用功率密度更高的電源。這是因為,新傳感器需要適應現有的外形尺寸。
工業傳感器電源領域目前創新迭出,但也充滿挑戰。智能邊緣的實現需要智能數據方面的準備。這就需要在電源方面進行創新。在某些情況下,智能邊緣傳感器需要由單對雙絞線電纜供電,單對以太網供電(SPoE)解決方案可以滿足需要。在其他應用中,納安級功耗解決方案有助于節省能源,從而在傳感器側實現更長的電池運行時間。此外,一些智能傳感器需要超低噪聲電源,以使傳感器數據不受影響。最后,在邊緣添加傳感器智能將需要使用功率密度更高的電源。這是因為,新傳感器需要適應現有的外形尺寸。
0 1 工業系統中的智能邊緣
工業系統中,智能邊緣可以 指 獨立選擇和處理數據的傳感器。傳感器和中央控制單元之間傳輸的數據量較少,因此數據傳輸的難度較小。當然,要處理傳感器提供的數據,需要使用微控制器。一個簡單的例子是用于檢測特定信息的光學傳感器。例如,它可以檢測不小心踏入自動化制造區域、從而將自己置于危險之中的人員。處理圖像數據時,必須確保能夠準確無誤地識別人員,以便快速做出響應,關停機器。這應該有助于防止傷害。其目標是在智能邊緣處理圖像數據。只有一個信號(即,在攝像頭視野中檢測到的人)被傳輸到中央計算機。不再需要將圖像數據傳輸到中央計算機。因此,需要的傳輸帶寬更低,傳輸也得以簡化。
0 2 智能邊緣是如何設計的?
通過在智能邊緣添加處理單元(微控制器),就可以創建智能傳感器。然而,該單元的電流消耗較高。為了提供傳感器所需的更高電流,我們需要新的供電概念。對于現有工業廠房和基礎設施來說,尤其如此。除了實現安全數據傳輸之外,解決方案還應能夠輕松且安全地滿足更高電流需求。
0 3 使用現有2線電纜實現智能邊緣
SPoE可以通過2線電纜來用作電源,因此有助于實現智能邊緣。SPoE與以太網供電(PoE)類似,但可以使用現有2線電纜(例如4 mA至20 mA接口)來實現。SPoE可將高達52 W的功率傳輸400米的距離,或將高達20 W的功率傳輸長達1千米的距離。SPoE在IEEE 802.3cg標準中作出了規定。線路的工作電壓為24 V或55 V。這種電源的特點是能量傳輸和數據傳輸可以在同一根2線電纜上進行。數據通信基于10BASE-T1L標準。圖1顯示了SPoE通過一根長達1 km的2線電纜提供高達52 W的功率。
圖1. SPoE通過一根長達1 km的2線電纜提供高達52 W的功率。
0 4 工業環境中的納安級功耗傳感器
在智能邊緣的應用場景中,工業環境中的低功耗傳感器的一個例子是振動傳感器,它們分布在加工廠中,用以監測每臺機器。
記錄的振動對應于不同的頻率,提供關于機械軸承和軸是否仍能可靠運行的指示。從中可以識別出老化的早期跡象。通過這種方式可以降低計劃外資產停機或超出特定運行容差的可能性。對振動的精密測量使得這種反應成為可能。振動數據監測需要復雜的算法來實時評估大量數據。數據處理可以在部署位置本地進行,或在中央位置進行。若采用集中評估,所有收集到的傳感器數據都必須通過電纜傳輸,或通過無線電波無線傳輸。
在許多應用中,直接在傳感器上本地實施數據評估是有利的。對于這樣的實施方案,現有工業廠房可以簡單地配備振動傳感器,無需鋪設額外的電纜。如果傳感器檢測到超出容差的頻率范圍,它即會發出規定的警告信號。
此類傳感器可以通過磁吸方式固定到機器或設備上,并且通常形成網格網絡,通過無線電波傳輸數據。在這種網格網絡中,各種傳感器相互通信,并傳輸有關哪個軸承顯示出明顯老化跡象的信息。因此,工業廠房可以輕松具備預測性維護能力。ADI的 OtoSense? 智能電機傳感器(SMS)技術就是其中的一個例子。它是一種基于人工智能技術的完整硬件和軟件解決方案,用于狀態監控。ADI OtoSense SMS通過將先進的檢測技術與領先的數據分析相結合來監控電機狀況。
系統正常運行的一個重要先決條件是為傳感器提供適當的電源。振動傳感器不僅必須為傳感器本身提供適當的電源,還必須為用于評估數據的本地微處理器以及用于無線通信的RF模塊的操作提供適當的電源。傳感器系統的設計有助于盡可能降低電流消耗。它可以使用電池作為能源,或者使用能量收集。這兩種技術經常一起使用。增加能量收集功能可延長電池壽命,這樣就不必頻繁更換電池。能量收集可以使用多種能源。根據傳感器的位置,可以使用太陽能電池、熱電發電機(TEG)或壓電轉換器。特別是在工業生產設備中,通常存在可以通過TEG轉換為電能的溫度梯度。借助壓電傳感器,機械運動也可以轉換為電能。
對于通過電池和能量收集等方式供電的設備,優化電壓轉換十分重要。高效率是關鍵。有幾種不同的納安級功耗管理集成電路適用于此目的。
圖2所示為采用MAX38650的電壓轉換電路示例。它是一款100 mA納安級功耗降壓開關穩壓器。它可以在輸入側采用高達5.5 V的電 源電壓,并且可提供1.2 V至5 V之間的穩壓輸出電壓。在運行期間,開關穩壓器本身僅消耗390 nA的電流(典型值)。這是非常低的靜態電流。當開關穩壓器關斷時,其僅消耗5 nA電流。傳感器數據不是連續獲取的,僅在發生故障時才需要通信。這意味著MAX38650可以經常切換到省電模式,以進一步節省能源。
圖2. 用于電池供電傳感器的納安級功耗電壓轉換。
每個基本電壓轉換電路一般都有一個反饋引腳。為了提供穩壓輸出電壓,需要一個簡單的電阻分壓器。然而,電阻分壓器在節能電路中沒有多大意義。根據具體電阻值,要么流經分壓器的電流過高,導致高損耗,要么電阻值很高,以致反饋節點具有非常高的阻抗。結果,噪聲會耦合到反饋節點并直接影響所需電壓的調節。干擾在工業廠房中是一個尤其突出的問題。如圖2所示,MAX38650有一個RSEL引腳。它使用單個電阻工作,該電阻用于設置輸出電壓。當MAX38650開啟時,200 μA的電流短暫流過該外部電阻。所得電壓用于設置電壓轉換器整個工作持續時間所需的輸出電壓。這是兩全其美的策略:工作期間的漏電流較低,輸出電壓可調且穩健。
0 5 適用于超小信號電源
許多傳感器可以測量非常小的信號。為了防止這些信號失真,必須使用噪聲非常低的電源。傳導和輻射干擾源是主要噪聲源。借助開關模式電源開關穩壓器的輸入側和輸出側的附加濾波器電路,可以大大減少傳導干擾,但對于輻射信號源而言,情況就沒那么簡單了。良好的電路板布局可以防范過多干擾輻射。即使如此,系統中仍然存在殘余噪聲耦合。只有通過良好的屏蔽(即金屬外殼)才能減少這種情況。然而,此類屏蔽的制造不僅耗時長,而且成本高。
采用Silent Switcher技術的開關穩壓器提供了一種非常巧妙的解決方案,可以有效地減少輻射干擾。任何開關模式電源中出現的脈沖電流路徑都是對稱設計的,因此產生的磁場在很大程度上相互抵消。該技術與倒裝芯片技術相結合可以顯著減少輻射干擾,后者消除了開關穩壓器IC中的鍵合線。
輻射干擾可減少多達40 dB。這相當于輻射功率減少到原來的萬分之一。
圖3顯示了Silent Switcher技術的對稱設計,同時產生的局部脈沖電流以綠色顯示。脈沖電流產生不同極性的脈沖磁場,它們大部分相互抵消。
圖3. Silent Switcher技術大幅降低了輻射干擾。
Silent Switcher技術現已發展到第三代。在這一代產品中,超低噪聲線性穩壓器還采用了特殊的超低噪聲技術,以減少低頻范圍的干擾,特別是10 Hz至100 kHz之間的干擾。這一代Silent Switcher技術使得在許多應用中可以省去開關模式電源開關穩壓器和敏感負載之間的濾波線性穩壓器。
0 6 僅使用一個電感的開關穩壓器
有些傳感器需要放置在非常狹小的空間中,尤其是當現有傳感器應在同一位置替換為現代智能邊緣傳感器的時候。由于功能增強,通常還需要更多的電氣元件。因此,必須找到減小物理尺寸的創新方法。
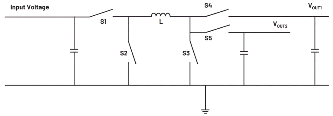
電壓轉換領域的一個有趣例子是單電感多輸出(SIMO)技術,它支持使用單個電感生成多個不同的輸出電壓。該技術可以節省原本要由多個電感占用的電路板空間。
圖4顯示了提供兩個精密調節輸出電壓的簡單SIMO穩壓器電路示例。額外的電源電壓可以輕松生成。僅需要一個電感L。
圖4. SIMO電源適用于超小型傳感器。
SIMO技術可以通過如下方式實現:單個電感連續用于所有單獨的輸出電壓。一定量的能量被置于電感中,然后用于產生電壓VOUT1。之后,另一規定量的能量被置于電感中并用于產生電壓 VOUT2。通過這種方式,每個產生的電壓都正好獲得了保持其穩定所需的能量。
0 7 工業傳感器需要適應性強的電源
本文介紹的電源領域創新都展示了如何為現代工業傳感器提供理想供電解決方案。傳感器變得越來越智能。它們生成的數據已經在智能邊緣本地進行評估。越來越多的傳感器被用于工業廠房,以幫助優化流程并盡可能地減少停機時間。為了跟上這一趨勢,有必要采用能量收集等創新的供電概念。
免責聲明:本文為轉載文章,轉載此文目的在于傳遞更多信息,版權歸原作者所有。本文所用視頻、圖片、文字如涉及作品版權問題,請聯系小編進行處理。
推薦閱讀:




