【導讀】電動汽車(EV)的主要目標之一是提高其動力轉換裝置的效率。電力轉換的效率越高,電動汽車一次充電后的行駛距離就越遠。例如,減少DC-DC(或DC/DC)轉換器中的損耗,可使轉換器和整車的能效提高、設計進一步簡化并減少元件的發熱。
電動汽車(EV)的主要目標之一是提高其動力轉換裝置的效率。電力轉換的效率越高,電動汽車一次充電后的行駛距離就越遠。例如,減少DC-DC(或DC/DC)轉換器中的損耗,可使轉換器和整車的能效提高、設計進一步簡化并減少元件的發熱。
DC/DC 轉換器有多種類型,本文將重點介紹諧振 DC/DC 轉換器。諧振轉換器是一種基于開關的轉換器,其中包含一個諧振槽,用于控制輸入到輸出的功率流。諧振轉換器通常用于高壓應用,以平滑波形、提高功率因數并降低高頻功率開關(如 MOSFET 和 IGBT)造成的開關損耗。LLC 電路在諧振轉換器應用中經常用到,因為它能在整個工作范圍內實現零電壓開關 (ZVS) 和零電流開關 (ZCS),支持更高的開關頻率,減少元件占用空間,并降低電磁干擾 (EMI)。
圖 1. 諧振轉換器框圖(資料來源:STMicroelectronics)
[https://www.st.com/content/ccc/resource/technical/document/application_n...
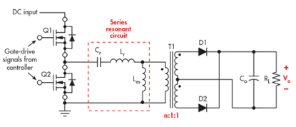
諧振轉換器建立在諧振逆變器的基礎上,該逆變器使用開關網絡將直流輸入電壓轉換為方波,然后將方波加到諧振電路中。 如圖 2 所示,諧振槽由諧振電容 Cr、諧振電感 Lr 和變壓器的磁化電感 Lm 串聯而成。LLC 電路選擇性地吸收方波特定諧振頻率上的最大功率,并通過磁共振釋放正弦電壓。該交流波形經變壓器放大或縮小、整流和濾波后產生轉換后的直流輸出電壓,從而濾除一切高階諧波。
圖 2. 簡化的 LLC 諧振 DC/DC 轉換器(資料來源:Electronic Design )
[https://www.electronicdesign.com/power/llc-resonant-converters-raise-pow...
在為 DC/DC 轉換器選擇合適的諧振電容器時,電容器的均方根電流 (RMS) 是需要考慮的最重要參數之一。它影響電容器的可靠性、電壓紋波和轉換器的整體性能(取決于諧振電路的拓撲結構)。散熱也受均方根電流(RMS)和其他內部損耗的影響。
事實上,在電動汽車轉換器系統和其他大功率應用中,電容器的自發熱是一個普遍關注的問題。對于諧振電容器,我們通常推薦具有穩定容值及高精度、低損耗的多層陶瓷電容器(MLCC)以防止過熱現象的產生。樓氏電容(KPD)專業制造的MLCC相關系列產品可滿足這一應用需求,歡迎垂詢!
無論您需要哪種規格的電容器,選擇經驗豐富的電容器供應商與之合作都十分重要,他們了解電容器特性對溫升和可靠性的影響從而能給到您最適用的建議。如需了解更多信息,請點擊下方閱讀原文與我們聯系,或閱讀我們的往期文章樓氏電容|在電動汽車應用中選擇車規級多層陶瓷電容器時的注意事項,了解在電動汽車中選用MLCC時需考慮的因素。
本文轉載自:Knowles樓氏電容微信公眾號
免責聲明:本文為轉載文章,轉載此文目的在于傳遞更多信息,版權歸原作者所有。本文所用視頻、圖片、文字如涉及作品版權問題,請聯系小編進行處理。
推薦閱讀:
高通高級副總裁卡圖贊:手機市場仍在緩慢復蘇 第三代驍龍8適逢其時




