【導讀】高效化和小型化,一直都是功率電源發展的兩個方向。同步BUCK在這兩個方面的卓越表現,也是在越來越多的場合得到了運用,像鋰電池充電、二次磚塊電源等等。如圖1所示,同步BUCK相較傳統BUCK最主要的區別是用MOSFET器件代替了傳統的續流二極管,而MOSFET更低的導通損耗也為整個電源系統帶來了更高的效率。但是在電池充電和其他大容性負載的場合,擁有更高效率的同步BUCK在電路軟起動階段,會遇到比較大的挑戰。甚至在某些惡劣情況下,過大的反向電感電流會導致電感飽和或者下管MOSFET被擊穿的風險。

圖1 異步BUCK和同步BUCK示意圖

圖2 同步BUCK軟起動階段反向電感電流示意圖
原因是同步BUCK在軟起階段,如果輸出端是帶電池或者其他大容性負載情況,重啟時輸出端極易殘余一定的電壓。而同步BUCK在軟起動階段,其上管驅動信號占空比會從小到大逐周期釋放。這就造成每個周期電感電流上升值無法彌補由于殘余電壓造成的反向電感電流跌路值。再加上同步BUCK天然支持FCCM模式,電感電流會反向不斷增大,以至于無法遏制。如圖2所示,在這種情況下,過大的反向電感電流會導致電感飽和或者下管過流損壞,對電路造成不可逆的傷害。
為了解決這個問題,最直接有效的方法是在同步BUCK軟啟動階段引入二極管仿真模式,讓下管MOSFET驅動強制拉低,只讓其寄生的反并聯二極管參與工作。TI在工業界應用極其廣泛的同步BUCK控制器LM5116,就自帶這個功能。下圖3表明了LM5116內部實現該功能的邏輯圖,在LM5116軟起動階段,其通過比較SW和DEMB點電壓判斷電感電流是否為負值。若電感電流為負值,內置的比較器會主動拉低下管MOSFET驅動信號,以強制同步BUCK進入二極管仿真模式,以保護電路不被過大的負電感電流損壞。這個特性,也讓LM5116在市場上廣受歡迎。

圖3 LM5116內部框圖和二級管仿真模式實現圖
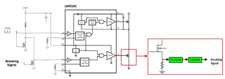
當然,除了上述LM5116自帶的集成功能之外,本文也在下面介紹了怎么用分立的方案更靈活地在其他同步BUCK設計中搭建二極管仿真模式以保護下管MOSFET。以半橋驅動LM5102為例,見圖4。

圖4 基于LM5102/TLV6742/LM2903搭建的分立二極管仿真模式實現方案
TI的半橋驅動器LM5102,以其死區時間可控,雙入雙出的架構優點,倍受電源設計市場的喜愛。在圖4中,利用TLV6742運放搭建下管低邊電流信號同向放大電路。當電感電流為一定負值時,超過設定的閾值,會觸發比較器LM2903輸出電平跳變為高,從而輸出關斷信號。該關斷信號連接到LM5102下管PWM信號輸入端的制動MOSFET驅動極,從而拉低LM5102下管輸入端信號,以強制讓同步BUCK進入二極管仿真模式。
免責聲明:本文為轉載文章,轉載此文目的在于傳遞更多信息,版權歸原作者所有。本文所用視頻、圖片、文字如涉及作品版權問題,請聯系小編進行處理。
推薦閱讀:





