【導讀】目前市面上,汽車大燈的光源主要有鹵素,氙氣和LED大燈三種。鹵素車燈,鹵素是車燈填充物的主要元素,這其中應用于汽車車燈的主要是碘或者是溴。它的優點在于制造成本低,缺點在于熱量過大,使用壽命不長。
氙氣車燈,氙氣是一種惰性氣體,被填充在車燈里,而后經過車內部增壓器的增壓,產生的壓力可以瞬間將氙氣電離從而產生光亮,其優點在于價格低廉,照明度亮度比鹵素要高;缺點在于一些極端天氣下,射出的光線并不足以穿透大霧,這就有可能造成安全隱患。
LED車燈,今年來,LED作為新型照明光源具有優良的性能,其應用正在迅猛增長。其主要優點在于壽命長,高效率、低能耗。缺點在于成本高,散熱不好。從LED車燈技術發展現狀與趨勢來講,其價格正在穩步下降, LED車燈向個性化和藝術化方向發展,同時LED智能控制系統也將快速發展。
TPS92633-Q1的特點
TPS92633-Q1是TI新推出的LED驅動,可用于汽車尾燈,內/外部小燈上。TPS92633-Q1 是一款線性驅動器,可承受4.5V到40V的寬壓輸入,每通道輸出電流達150mA。該芯片的診斷功能包括LED開路,LED對地短路和單 LED 短路檢測。 TPS92633-Q1 的one-fails-all-fail功能能夠與其他 LED 驅動器 (如 TPS9261x-Q1 ,TPS92630/8-Q1 和 TPS92830-Q1) 配合使用。除此以外,TPS92633-Q1還有三點獨特的設計。
1. 獨特的熱管理設計,避免設備高溫。
TPS92633-Q1的每個通道提供兩個電流輸出路徑,電流從電源流經 R(SNSx)進入集成的電流調節電路,并通過 OUTx 針腳和 Resx 針腳流向 LED。 OUTx 引腳和 Resx 引腳上的電流輸出都是獨立調節的,以實現所需的總電流。輸出 OUTx 和 Resx 的總和電流等于流過 R(SNSx) 的電流。
OUTx 連接LED 負載的陽極,但是 Resx 通過外部電阻連到 LED ,利用外部電阻實現熱分享,其方式如圖1所示。當供電電壓低于或者接近于LED需要的正向電壓時,電流主要通過圖1的紅色路徑;當供電電壓高于LED需要的正向電壓,電流路徑轉為綠色,通過R(SHUNT)分壓以實現熱分散。圖2 顯示了R (resx) 為 68.5 Ω 時的功耗分配曲線,由圖可知輸出功耗的分配主要取決于供電電壓。

圖1 電流流向示意圖

圖2 輸出功耗分配和供電電壓的關系
2. 跨板調節LED亮度。
TPS92633-Q1有模擬調光功能,通過等式1可知通過調整ICTRL腳上電阻的大小,可以調整輸出電流,從而實現LED 的亮度調節。為了抑制噪聲,建議使用兩個電阻,其中一個固定電阻放置的離ICTRL腳越近越好,另外一個調光電阻可以放在另外一個放置LED的PCB板上,如圖3所示。

圖3 跨板調節示意圖
3. NTC熱敏電阻調整輸出電流。
模擬電流控制功能還允許在 ICTRL 引腳上連接 NTC 熱敏電阻,根據測量的 PCB 板溫度或 LED 單元溫度實現輸出電流的調整。 NTC 熱敏電阻隨著溫度升高而降低。它導致 ICTRL 引腳上的 R(ICTRL) 等效電阻降低,根據等式1可得出隨著R(ICTRL)降低輸出電流降低。圖4中, R1 和 R2 的電阻值與 NTC 熱敏電阻配合使用,以實現高溫下,輸出電流的調整。具體輸出電流隨溫度變化曲線如圖5所示。

圖4 外部NTC熱敏電阻應用原理圖

圖5 輸出電流隨溫度變化曲線
典型應用及PCB Layout
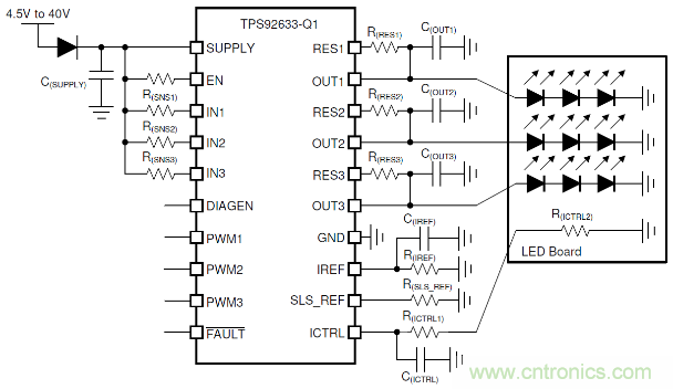
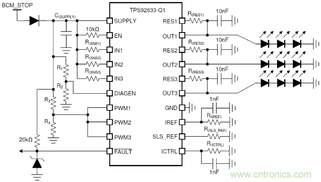
TPS92633-Q1可以用來驅動汽車的尾燈和內部小燈,其典型應用如圖6所示。圖7是TPS92633-Q1的PCB布局示例,主要考慮兩大要素:
散熱是TPS92633-Q1布局的主要考慮因素。
在PCB的頂層和底層都建議有較大的散熱面積。因為R(RESx)與TPS92633-Q1一樣有功耗,建議將R(RESx)電阻器放置在距離TPS92633-Q1設備20 mm以上的位置。在R(RESx)周圍還需要較大的銅澆注區域,以幫助散熱。
抗噪性是TPS92633-Q1布局的次要考慮因素。
SUPPLY、ICTRL和IREF引腳的噪聲去耦電容放置在盡可能靠近引腳的位置。R(RESx)電阻器放置在盡可能靠近INx管腳的位置,并通過最短的PCB連線到SUPPLY腳。

圖6 TPS92633-Q1的典型應用

圖7 TPS92633-Q1的PCB布局示例
參考資料:
[1] 車燈的市場空間、技術升級與企業布局(證券研究報告)
[2] TPS92633-Q1 Three-Channel Automotive High-Side LED Driver with Thermal Sharing and Off-Board Binning datasheet
免責聲明:本文為轉載文章,轉載此文目的在于傳遞更多信息,版權歸原作者所有。本文所用視頻、圖片、文字如涉及作品版權問題,請聯系小編進行處理。
推薦閱讀:




