【導讀】電氣隔離電源被廣泛用于各種應用的原因有很多。在某些電路上,出于安全考慮,必須實施電氣隔離。在其他電路中,則會使用功能性隔離來攔截信號受到的干擾。
電氣隔離電源被廣泛用于各種應用的原因有很多。在某些電路上,出于安全考慮,必須實施電氣隔離。在其他電路中,則會使用功能性隔離來攔截信號受到的干擾。
電氣隔離電源設計一般采用反激式轉換器。這些調節器的設計非常簡單。圖1所示為這類調節器的典型設計,其中采用了一個 ADP1071 反激式控制器。之所以能看出這是一個反激式轉換器,是因為它的點和變壓器并不匹配。其中采用了原邊電源開關(Q1)。此外,也需要采用副邊整流器電路。這可以采用肖特基二極管來實現,但為了獲得更高效率,一般會使用一個有源開關(圖1中為Q2)。對應的ADP1071控制器負責控制這些開關,并為反饋路徑FB提供電氣隔離。

圖 1. 典型的反激式穩壓器(反激式轉換器),功率最高可達約 60 W 。
雖然反激式轉換器極為常用,但這種拓撲存在實用局限性。圖1中的變壓器T1并未作為典型的變壓器使用。當Q1處于開啟狀態時,不會有電流流經T1的次級繞組。初級電流的電能幾乎全部存儲在變壓器線圈中。降壓轉換器在扼流圈(電感)中存儲電能,反激式轉換器采用與之類似的方式在變壓器中存儲電能。當Q1處于閉合狀態時,T1的次級會形成電流,為輸出電容COUT 和輸出提供電能。這種概念很容易實現,但在更高功率下概念本身存在局限。變壓器T1被用作儲能元件。所以,該變壓器也能稱為耦合電感(扼流圈)。這就要求變壓器存儲所需的電能。電源的電能等級越高,需要的變壓器體積越大,成本越高。在大部分應用中,功率上限約為60 W。
如果需要使用電氣隔離電源來獲取更高功率,那么正向轉換器是一個不錯的選擇。概念如圖2所示。在這里,變壓器真正用作典型變壓器。當電流流過初級的Q1時,次級也會形成電流。所以,變壓器無需具備儲能作用。事實上,反過來也是成立的。必須確保變壓器始終在Q1閉合期間放電,以免它在幾個周期后意外達到飽和。

圖 2. 反激式控制器(正向轉換器),功率最高可達約 200 W 。
如果是實現相同功率,正向轉換器所需的變壓器體積比反激式轉換器所需的體積小。所以,即使在功率等級低于60 W時,正向轉換器也非常實用。但存在一個缺點,即必須避免變壓器線圈在每個周期無意地存儲電能,這應由圖2中開關Q4和電容C C 的有源箝位布線實現。此外,正向轉換器一般要求在輸出端采用額外的電感L1。但是,如此之后,在同等功率水平下,輸出電壓的紋波會比使用反激式轉換器時低。
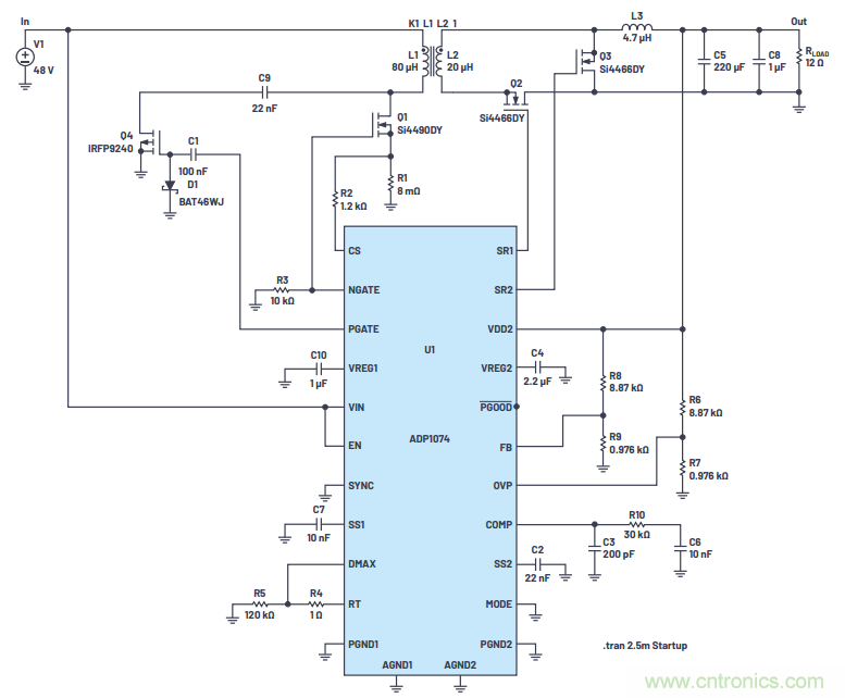
電源管理IC(例如來自ADI的ADP1074)提供了一個非常緊湊的正向轉換器設計解決方案。當需要高于約60 W的功率水平時,通常會使用這種結構。低于60 W時,根據電路的復雜性和可實現的效率,采用正向轉換器也是比采用反激式轉換器更好的選擇。為了更簡單地確定使用哪種拓撲,建議使用免費電路模擬器LTspice模擬仿真。圖3所示為在LTspice模擬環境下,ADP1074正向轉換器電路的模擬仿真原理圖。

圖 3. LTspice® 中模擬的采用 ADP1074 的電路示例。
ADP1074
●電流模式控制器,實現有源鉗位正激式拓撲
●集成5 kV(寬體SOIC封裝)或3.0 kV(LGA封裝)電介質額定絕緣電壓,采用ADI公司的iCoupler專利技術
●寬電源電壓范圍
●主面VIN:高達60 V
●輔面VDD2:高達36 V
●用于電源開關和有源鉗位復位開關的集成1 A主面MOSFET驅動器
●用于同步整流的集成1 A輔面MOSFET驅動器
●集成誤差放大器和<1%精密基準電壓
●可編程斜率補償
●可編程頻率范圍:50 kHz至600 kHz(典型值)
●頻率同步
●可編程最大占空比限值
●可編程軟啟動
●從預充電負載開始平穩啟動
●可編程死區時間
●使用MODE引腳的省電輕負載模式
免責聲明:本文為轉載文章,轉載此文目的在于傳遞更多信息,版權歸原作者所有。本文所用視頻、圖片、文字如涉及作品版權問題,請電話或者郵箱聯系小編進行侵刪。


