【導讀】眾所周知,無刷直流電機既具有交流電機簡單,運行可靠,維護方便等優點,又具有直流電機運行效率高,不受機械換向限制,調速性能好,易于做到大容量、高轉速等特點。本文提出了一種基于TMS320F2812的全數字永磁無刷直流電機控制方案。
1 引言
TI公司的TMS320F2812數字信號處理器(DSP)既具有高速信號處理和數字功能所需的體系結構。還具有專為電機控制應用提供單片解決方案所需的外圍設備。以TMS320F2812為核心的全數字電機控制系統極大地簡化了硬件設計,提高了系統的可靠性,降低了成本,并對無刷直流電機的普及應用具有良好的前景。為此,提出了一種基于TMS320F2812的全數字永磁無刷直流電機控制方案。
2 系統設計方案
該系統設計采用三相Y型永磁方波無刷電機PWM控制方案,通電方式為兩兩通電。圖1給出控制系統原理框圖。它采用全數字三閉環控制。其中,電流環采用PI調節器,速度環采用遇限削弱積分的積分分離PID控制算法,它的輸出極性決定了正反轉方向,從而可實現電機的四象限運行。位置環采用PI調節器。逆變器采用全橋型PWM調制。

3 系統硬件設計
圖2給出基于TMS320F2812的無刷直流電機控制系統。采用TMS320F2812作為控制器,用于處理采集到的數據和發送控制命令。TMS320F2812控制器首先通過3個I/0端口捕捉直流電機上霍爾元件H1,H2,H3的高速脈沖信號,檢測轉子的轉動位置,并根據轉子的位置發出相應的控制字,以改變PWM信號的當前值,進而改變直流電機驅動電路(全橋控制電路IGBT)中功率管的導通順序,實現對電機轉速和轉動方向的控制。電機的碼盤信號A,B通過TMS320F2812 DSP控制器的CAP1,CAP2端口捕捉的。捕捉到的數據存儲在寄存器中,通過比較捕捉到A,B兩相脈沖值,以確定當前電機的正反轉狀態和轉速。在系統運行中,驅動保護電路檢測當前系統的運行狀態,如果系統中出現過流或欠壓狀況,PWM信號驅動器(IR2131)啟動內部保護電路,鎖存后繼PWM信號輸出,同時通過FAULT引腳拉低TMS320F2812控制器的PDPINTA引腳電壓,啟動DSP控制器的電源驅動保護。這時所有EV模塊的輸出引腳將被硬件置為高阻態,從而保護控制系統。以下主要介紹系統中的轉子位置檢測電路、相電流檢測電路、驅動電路、系統保護電路等。

3.1 轉子位置檢測電路
控制無刷直流電機時,DSP控制器根據轉子的當前轉動位置,發送相應的控制字,通過改變PWM脈沖信號的占空比控制電機。無刷直流電機的轉子位置是由位置傳感器來檢測的。該系統設計采用了3個光電式位置傳感器(霍爾元件),它們是利用光電效應制成的,由跟隨電機轉子一起旋轉的遮光板和固定不動的光源及光電管等部件組成。
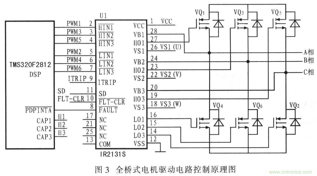
隨著電機轉子的旋轉,光電管間歇接收從光源發出的光,不斷導通和截止,從而產生一系列“0”和“l”的信號。這些脈沖信號通過I/0端口傳輸給DSP,DSP讀取霍爾元件的狀態值,以確定轉子的當前位置。再通過改變PWM信號的占空比控制驅動電路,改變IGBT的導通順序,實現電機的換相控制.并調節電機的轉速。電機驅動電路控制橋臂上的功率管導通順序為VQ1,VQ2→VQ2,VQ3→VQ3,VQ4→VQ4,VQ5→VQ5,VQ6→VQ6,VQ1(兩兩通電)。電機轉子每轉一圈,H1,H2,H3將出現10l→100→110→010→011→00l的6種狀態,DSP對每一種狀態發送相應的控制字。改變電機的通電相序,實現電機的連續運行。圖3給出電機驅動電路控制原理圖。

3.2 相電流檢測電路
電流反饋通道由霍爾元件、運算放大器和A/D轉換器組成。電流反饋采用變比為1:1 000的磁平衡式霍爾元件,該元件的輸出為電流信號,并且信號較弱,必須經過精密電阻轉換成電壓信號,再經過放大處理,得到電流的雙極性信號。因為DSP中A/D轉換單元的輸入范圍是0~3.3 V(單極性),需要設計將雙極性信號變為單極性的電路,再送到A/D轉換器。圖4給出電路原理圖。

3.3 驅動電路
電機控制器驅動電路采用IR2131(見圖5)。IR2131/IR2132是一種采用高壓、高速功率MOSFlET和IGBT的驅動器。IR2131可同時控制6個功率管的導通和關斷。通過輸出端口H01,H02,H03分別控制三相全橋驅動電路中上半橋VQ1、VQ5、VQ5的導通和關斷,通過輸出端口L0l、L02、L03分別控制三相全橋驅動電路中下半橋VQ4、VQ6、VQ2的導通和關斷,從而實現控制電機轉速和正反轉。

3.4 系統保護電路
在無刷直流電機控制系統中,保護電路具有重要作用,可保護控制系統的核心器件DSP免受高壓、過電流的沖擊,同時也保護電機的驅動電路免遭損壞。整個系統的保護電路主要由電路隔離、信號隔離和驅動保護3部分組成。
3.4.1 隔離電路
信號隔離電路是把控制電路與驅動電路之間的控制信號和驅動信號通過光電隔離器進行信號隔離,實現不同電壓之間的信號傳輸,如圖6所示。該隔離電路可實現對DSP的6路PWM輸出信號與IGBT的光電隔離,并實現驅動和電平轉換功能。

3.4.2 保護電路
為保證系統中功率轉換電路及電機驅動電路安全可靠工作,TMS320F2812還提供了PDPINT輸入信號,利用它可方便地實現伺服系統的各種保護功能。圖7給出具體實現電路。各種故障信號由CD8128綜合后,經光電隔離輸入到PDPINT引腳。有任何故障狀態出現時CD8128輸出低電平,PDPINT引腳也被拉為低電平。此時,DSP內的定時器立即停止計數,所有PWM輸出引腳全部呈高阻狀態.同時產生中斷信號,通知CPU有異常情況發生。整個過程不需程序干預,全部自動完成,這對實現各種故障狀態的快速處理非常有用。
4 系統與上位機的通訊
系統采用SCI接口完成與上位機的通訊功能,采用RS-232通信,通過上位機給定位置量.同時控制過程中電機的速度、電流、位置反饋量等參數,以實時發送上位機顯示;SPI接口完成串行驅動數碼管顯示功能.通過數字I/O擴展的鍵盤設定位置給定量,由數碼管顯示。
5 實驗結果
在硬件電路的基礎上,通過軟件編程得到圖8所示的兩個實驗結果。其中,圖8(a)為系統在常規PID控制下的系統跟蹤特性曲線;圖8(b)為系統在模糊PID系統跟蹤特性下的試驗曲線。

6 結語
采用TMS320F2812為核心設計的數字伺服系統,解決了伺服系統中PWM信號的生成、電機速度反饋及電機電流反饋問題,方便地實現了保護功能,極大地簡化了系統硬件設計,提高了系統的可靠性,減小了伺服系統的體積。降低了成本(降低約20%)。實驗結果驗證了該方法的有效性。
【推薦閱讀】
D級放大器如何彌補與高分辨率AB級放大器的差距
場效應管特性及單端甲類功放制作全過程
光學雷達(LiDAR)在無人駕駛技術中的應用
低壓低功耗CMOS電流反饋運算放大器設計
節能燈和電子整流器三極管參數的選擇指南



