【導讀】隨著大量研究的投入越來越多的領域都出現了逆變電源的身影。尤其是讓全世界都十分關注的能源問題和環保問題,逆變電源也正在被用于其中。本文將以實例為大家講解有關單相正弦波逆變電源設計。
本系統實現輸入直流電壓15V,輸出交流電壓有效值10V,額定功率10W,交流電壓頻率在20至100Hz可步進調整。以MSP430單片機為控制核心,產生SPWM波控制全橋電路,然后經過LC濾波電路得到失真度小于0.5%的正弦波。采用PID算法反饋控制使輸出交流電壓負載調整率低于1%,采用開關電源作為輔助電源、合理選用MOSFET等使系統效率達到90%,采用輸入電流前饋法來估計輸出電流以實現過流保護以及自恢復功能。
引言
要求實現單項正弦波逆變電源,輸入直流15V,輸出交流電壓有效值10V,功率10W,且頻率20至100Hz步進可調,要求波形無明顯失真,負載調整率小于1%,效率盡可能高,系統要具備過流保護以及自恢復功能。由于輸出功率較小,為了提高系統的效率,我們采用TI提供的MSP430系列超低功耗微控制器來產生SPWM波,配合TI超低導通電阻和快速導通MOSFET,在MOSFET的驅動上使用TI開發的高驅動能力半橋驅動芯片UCC27211。系統簡潔明了,以最簡單的方法實現了所有的功能,且利用矩陣按鍵和LCD顯示設備為用戶提供了良好的交互界面。以下將集中講述系統的大體框架和具體的實現方法。
1 系統方案
設Ud為直流輸入電壓,Uo為輸出電壓。輸出電壓Uo的展開傅里葉級數為

考慮到系統效率,不需要進行boost升壓,可以直接逆變。故本系統結構圖如圖1所示。SPWM信號控制硬件全橋電路,然后經過LC濾波電路可以得到正弦波。以MSP430單片機為核心的數字控制系統需要采樣電流量、控制硬件電路系統以及形成良好的人際交互界面。

圖1:系統結構框圖
1.1 硬件電路設計
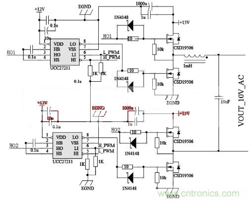
全橋逆變和LC濾波電路如圖2所示。L_PWM和H_PWM由43O單片機產生經過6N137隔離進入MOS驅動芯片UCC27211驅動全橋,后級LC濾波器的截止頻率為
可以濾除載波頻率。考慮到MOS管需要相對較小的導通電阻RDS(on)和較小上升時間和下降時間的,本系統選用CSD19506。本系統需要驅動全橋,為了提高MOSFET的導通速度,降低開關損耗,因而選用TI提供的高速半橋驅動芯片UCC27211。圖2是全橋部分電路圖。

圖2:全橋逆變電路和LC濾波電路
1.2 系統軟件設計
軟件結構框圖如圖1,主程序框圖如圖3。程序執行的流程如下所述:單片機上電之后,系統進行按鍵、片上ADC12和LCD顯示屏初始化,程序查詢按鍵,若有相應按鍵按下,修改正弦波頻率,然后AD采樣電流判斷是否過流;否則返回繼續查詢按鍵。如果輸出過流,程序將關閉SPWM輸出,延時自恢復;否則返回按鍵查詢。

圖3:主程序流程圖示意
[page]
2 技術細節
2.1 SPWM波的產生
本系統采用自然采樣法產生SPWM波,以正弦波為調制波,等腰三角波為載波進行比較,在兩個波形的自然交點時刻控制開關器件的通斷。其優點是所得SPWM波形最接近正弦波,但由于三角波與正弦波交點有任意性,脈沖中心在一個周期內不等距,從而脈寬表達式是一個超越方程,若采用實時計算的方式得到SPWM波的話,計算繁瑣,非MSP430所能勝任。本系統充分利用MSP430的定時器,搭建了一個簡易的DDS;讓其計數器作增減計數構成三角波載波,再把正弦波表作為數組預先存入MSP430中,我們只需在定時器中斷中更新比較寄存器數值即可得到調制正弦波。由于MSP430定時器自帶比較功能,兩者比較即可得到SPWM波輸出,繼而撇開了繁瑣的超越方程求解。最終我們利用此方法得到的SPWM波濾波后的正弦波失真度達到了0.5%。圖4是自然采樣原理圖。
圖4:SPWM波產生原理圖
2.2 效率提高
影響逆變電源效率的因素有很多,比如系統的靜態損耗,輔助電源效率過低,構成全橋的MOSFET帶來的導通損耗和開關損耗過大以及橋路順時同時導通帶來的損耗等,針對這些問題,我們逐一提出了改善的方法。對于系統的靜態損耗,我們采用TI的低靜態電流芯片和超低功耗單片機作為系統主控芯片,另外為了降低輔助電源帶來的損耗,我們采用開關電源作為系統的輔助電源,最大限度的提高輔助電源的效率;TI最新開發的超低導通電阻MOSFET有助于減少逆變電源開關管的導通損耗,另外其超快的導通速度配合SPWM波死區時間的設定使得全橋的開關損耗大幅度降低。以上措施使得系統在滿載時效率高達90%以上。
2.3 輸出電壓PID調節
由于輸入電壓隨著負載變大會有降低,切系統濾波電感具有電阻成分,這些因素導致在系統開環下負載調整率較大,因此本系統采用閉環反饋調整輸出電壓穩定在10V。我們選用經典PID反饋調整,對輸出電壓進行采樣,與參考電壓比較得到誤差電壓后進行位移式PID調節,PID運算輸出作為SPWM的調制度K,與正弦波表相乘后形成新的波表進行生成SPWM波運算。用此方法后負載調整率降到了1%以下,圖5是反饋過程框圖。

圖5:PID反饋環框圖
2.4 輸入電流前饋實現過流保護
由于輸出電流是交流,且與系統不共地,為了不增加系統的復雜度,本系統并沒有直接測量輸出電流來實現過流保護,而是測量系統的輸入電流,由于實際中輸入輸出滿足Pout=Pin*η,而效率雖然隨著負載的變化而變化,但是總體來說相對穩定,故可以采用二次擬合得到效率隨輸入電流變化的關系式,這樣可得到輸出電流表達式:Iout=Uin*Iin*η/Uout,繼而實現輸出電流的監測。
3 逆變電源的應用前景
逆變電源具備以下優點:
(1)變頻,逆變電源能將市電轉換為用戶所需頻率的交流電。
(2)變相,逆變電源能將單相交流電轉轉為多相交流電,也能將多相交流電轉換為單向交流電。
(3)逆變電源能將直流電轉換為交流電,能將低質量的市電轉換為高質量的穩壓穩頻的交流電。
正是由于以上的這些優點,使得逆變電源在生活中得到了廣泛的應用。就目前看來逆變電源已經應用于航空,航海,電力,鐵路交通,郵電通信等諸多領域。而且隨著大量研究的投入越來越多的領域都出現了逆變電源的身影。尤其是讓全世界都十分關注的能源問題和環保問題,逆變電源也正在被用于其中。現今最典型的當屬太陽能光伏逆變器了,它的應用使太陽能發電直接并入電網成為了可能。總而言之,越來越多的新興領域都在逆變器的伴隨之下誕生,縱觀它的發展趨勢,我們不難知道其應用前景一片大好。







