【導讀】本文介紹的IGBT脈沖激光電源,為工作于重復脈沖方式的固體激光器提供電能。該激光器采用氙燈作泵浦光源,在惰性氣體燈中,氙氣的總轉換效率最高。
近年來,高功率Nd:YAG固體激光器已廣泛用于工業加工領域和醫療儀器領域,如材料加工、激光測距、激光打標、激光醫療、激光核聚變等。與氣體激光器或其他激光器(如化學激光器,自由電子激光器等)相比,固體激光器具有結構緊湊、牢固耐用等優點,其運行方式多樣,可在脈沖、連續、調Q及鎖模下運行。
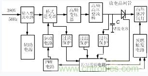
1、原理框圖
本文介紹的激光電源為工作于重復脈沖方式的固體激光器提供電能。該激光器采用氙燈作泵浦光源,在惰性氣體燈中,氙氣的總轉換效率最高。激光器用于激光打標,工作頻率每秒60次。電源系統采用IGBT管全橋逆變方式,工作頻率為20kHz,控制電路采用PWM方式。
圖1:原理框圖
圖1示出電源原理框圖,整個電路可分為主電路(電力變換電路)和控制電路兩大部分。來自電網的380V交流電壓經整流濾波后得到約520V左右的直流電壓,加到橋式逆變器上。逆變器主功率開關采用三菱公司的CT60型IGBT管。PWM電路產生一對相位互差180°的脈沖電壓控制逆變橋的四個功率管,將直流電壓變換為高頻方波電壓,再經高頻高壓整流橋得到高壓直流(約1400V),向儲能電容Co充電。電容Co上電壓充到預定值(1000V)后,控制電路發出信號,將放電晶閘管觸發導通,Co上電壓快速向負載氙燈釋放,激光器正常工作。
預燃觸發電路針對負載氙燈特性而設,該型激光器要求先通入近兩萬伏的高壓脈沖,將其內部擊穿,再維持較低的連續電流(約100~200mA),激光器才能在電容Co的斷續放電狀態下正常工作。因此,電源的工作步驟應是:開機——預燃觸發——電容放電。
2、工作原理及仿真波形
圖2示出電源主電路,V1—V4組成橋式逆變器,兩端并聯RCD吸收支路,L為限流電感,Co為儲能電容,Lo用于限制Co對負載氙燈的放電電流,保護氙燈。
圖2:主電路圖
此處將限流電感L放在變壓器原邊。這除了能實現功率管的零電壓開通外,例如在V1,V4關斷后,由于L的續流作用,D2,D3導通,則V2,V3可實現零電壓開通;還可分擔變壓器原邊繞組上的壓降,減少變壓器匝數,進而減小變壓器磁心。
圖3為利用PSPICE軟件對圖2仿真的結果。圖中上部為變壓器原邊繞組電流i1,下部為輸出電壓Uo。
圖3:仿真波形
仿真參數:開關頻率f=20kHz,
死區時間t=2μs,
L=100μH,變壓器變比N1:N2=24:60
C0=100μF。
[page]
3、設計要點
電源系統中,電感L與高頻變壓器T的設計是關鍵。從圖2看出,逆變電路的負載只有電感L及變壓器T的原邊,當功率管導通,直流電壓Ui加于圖4所示位置時,電感上電壓為Ui-UT1,則變壓器原邊電流i1=(Ui-UT1)t/L
圖4:計算電路
式中,UT1為輸出電壓Uo(高壓整流橋導通時就是UT2)折算到變壓器原邊的值,UT1=U0/n,n為變壓器副、原邊匝比,又△Uo=(1/C0),
i2=i1/n
考慮到輸出電壓在逐步上升,而電流i1的幅值在不斷下降,計算過程應該是一個迭代過程。
i1(m)=[Ui-U0(m-1)/n]t/L
U0(m)=U0(m-1)+△U0(m)=U0(m-1)+(1/C0)(i1(m)/n)dt
=U0(m-1)+Uit2/2CLn-U0(m-1)t2/2CLn2
其中,t為半個周期,開關頻率f為20kHz時,t=25μs;C0=100μF;L為限流電感電感量。
根據負載特性,最大工作頻率為60Hz,即儲能電容在1秒鐘內放電60次,周期為16.7ms。考慮放電時間,則充電時間最多只有11ms。所以上式中m最大值取11ms/25μs=440
用MATLAB對上式進行計算,并繪出不同的L值、不同的n值、不同的直流電壓Ui(Ui有一允許變化范圍)情況下,電容電壓U0的上升曲線。從中選取最佳方案,最終確定參數如下:
L=100μH
n=N2:N1=60:24
圖5中,橫坐標表示變壓器副邊繞組匝數N2,縱坐標表示輸出電壓U0,在L=100μH,Ui=520V,f=20kHz,N2=60時,輸出電壓U0為峰值。
圖5:MATLAB計算最佳變比
4、試驗結果
圖6為實測波形,(b)圖示出(a)圖的前幾個周期。圖中上部是變壓器原邊電源i1波形,下部是儲能電容U0的電壓波形,與圖3仿真波形對應。由圖中看出,i1為零后,U0并未立刻下降,而是保持一段時間,這是因為充放電時間固定的緣故,當U0達到預定值后保持至充電時間終了。
圖6:實驗波形






