【導讀】移動電源現在已經成為人手必備的產品,智能機平板的流行讓電量總是處于一種不夠用的狀態,移動電源也應時而生,不過移動電源的問題也越來越多,更新換代也就越來越頻繁,如何讓移動電源高效率又安全呢?請看本文。
隨著智能移動設備性能的不斷提升,電池越來越不堪重負,移動電源產品隨之發展壯大,此外,用戶需求的提升也要求產品朝著靈活設計的方向發展。目前市場上的鋰電池充電管理IC大多為1A線性充電,其缺點表現為:1A的線性充電溫度很高、片上熱阻損耗嚴重,導致線性電池充電管理IC的電流很難做到2A,即使通過外擴MOS做到2A,溫度也比較高,而且轉化效率在70%左右,因此,開關充電就顯得非常必要。目前市場上對鋰電池充電管理IC的需求主要是:2A~3A大電流集成MOS、開關式效率達到90%以上,以及低溫充電管理IC。另外,多功能的集成芯片越來越受歡迎,包括開關充電管理、電池電量檢測顯示、同步升壓輸出限流等功能集成于單一芯片之上成為當今的發展趨勢。
集成多功能,低成本更可靠
“三合一”、“五合一”芯片受到市場歡迎。ZS6366即是一款應用于移動電源,集成了開關鋰電池充電管理、同步升壓輸出限流、電池電量檢測顯示、LED手電筒及按鍵控制為一體的便攜式電源管理IC。它以開關方式進行充電,集成了包括涓流充電、恒流充電和恒壓充電全過程的充電方式,浮充電壓精度在全溫度范圍可達±1%,并且具有充電電流溫度低,充電效率高等優點,配合適當的外圍器件可以達到2A甚至更高的充電電流。
在充電狀態下,如果輸出USB同時接了負載,ZS6366的動態路徑調整功能會智能分配輸入電流優先提供給負載,如果負載電流增大,則會自動關閉充電,待負載充電電流逐漸減小到一定值時再打開電池充電,有效地限制了輸入電流,防止損壞供電的適配器或者USB。同時也可以通過按鍵切換充電或放電。
ZS6366的DC-DC升壓可達到±1%的精度,可以提供高達90%以上的升壓轉換效率,同時具有精確的升壓限流功能。ZS6366 配置了4個LED恒流驅動端口,智能顯示電池電量,芯片內置邏輯鎖定功能,防止電量指示的狀態不穩,同時集成了電池真實電壓追蹤技術,跟蹤電芯內部真實電量,防止充放電造成的電壓偏差。另外,ZS6366具有多重保護設計,包括負載過流保護、短路保護、軟啟動保護等,同時芯片端口設計了高性能的ESD保護電路,使得該款芯片具有極高的可靠性。電池放電在2.9V時關斷,有效保護和延長電池充放次數和壽命。
基于ZS6366的應用實例
ZS6366采用同步降壓方式來對鋰電池進行充電,此做法的好處是可以將轉換效率提升至90%以上,并且能很好地規避線性管理IC的溫度高、電流無法做大的問題。而在充電功能、升壓功能及保護功能上都做了非常好的優化,在做到快速充電的同時,提高了可靠性,降低了成本。圖1為基于ZS6366的典型應用方案的系統框圖,圖2為充電過程中的狀態轉換示意,圖3是一個典型應用的電路圖。

圖1:ZS6366芯片系統框圖

圖2:狀態轉換圖
1 開關充電 在充電過程中,ZS6366用開關方式對電池進行涓流/恒流/恒壓三段式充電。當電池電壓低于3V時進行涓流充電;當電池電壓高于3V時進行恒流充電;當電池電壓接近4.2V時進行恒壓充電,此時充電電流開始逐漸減小,當電流減小到恒流充電電流的1/10時,4個LED燈全部常亮,指示電池已經飽和。這時,芯片可選擇電流進一步減小到零,維持浮充電壓;或者終止充電,等待電池電壓降低到一定電壓(VRECHG)時進行復充(Recharge)。
[page]
充電時,對電池充電的電流大小由芯片的SNS引腳和BAT引腳之間的采樣電阻RS來設定。恒流充電電流ICharge由下式決定:

涓流充電電流為ICharge的1/8,充滿判斷電流為ICharge的1/10。
電流的瞬時增大會對電池造成傷害,當電池直接進入恒流充電時,ZS6366會控制充電電流逐漸增大到設定值,避免了瞬間大電流沖擊引起的各種問題。
另外,ZS6366具有動態路徑調整功能,保證了USB端負載的優先供電。如果充電過程中,輸出USB同時帶有負載,ZS6366會控制系統給電池充電同時供電給負載;如果VCCS>3.7mV,ZS6366會控制系統優先供電給負載,同時逐漸減小充電電流直到不充電,讓全部輸入電流供給負載,同時達到了輸入限流的效果,如果VCCS<3.2mV,芯片會控制恢復充電。
2. 同步升壓
此方案具有同步升壓功能,可將單節鋰電池2.9V ~4.2V之間的電壓升壓到5V輸出,給負載供電。電池電壓低于2.9V時,芯片系統將判斷為電池電量不足,停止升壓。當VIN電壓低于3.3V時,系統將判斷為電源適配器掉電,并啟動升壓電路。
升壓時,ZS6366通過CS和CSN檢測負載電流,如果負載電流逐漸增加,到達限流值時輸出電壓會下降,直到不升壓(同步整流PMOS常開)。限流值的計算:

同時要滿足:

直觀地講,充電電流和升壓電流是相關的,如果充電電流設定為1A,在電池電壓最低的情況下升壓,升壓時最多能輸出1A左右的電流。如果想增大升壓輸出電流,則充電電流也要相應增加。
另外,ZS6366還具有放電過流保護和短路保護功能,負載電流超過限流電流繼續增大,直至CS與CSN兩端的壓差超過60mV,且維持時間超過1s,則系統啟動負載過流保護功能,芯片關閉USB的輸出通路,進入待機狀態。
3 保護
此方案擁有多種保護功能,可保障器件的正常工作。保護功能包括:充電USB短路保護、升壓USB短路保護、二級短路保護和USB過壓保護等功能。
[page]
充電USB短路保護:當充電時USB發生短路,芯片會關閉USB輸出,熄滅電量指示燈,同時繼續為電池充電;短路解除后,短按按鍵可以解除短路保護狀態,USB輸出打開,電量指示燈亮起,16s后恢復充電。
升壓USB短路保護:當電池升壓時,USB發生短路,芯片會關閉升壓,進入待機狀態;短按按鍵可以解除短路保護狀態。
二級短路保護:在某些極限狀態下發生USB短路,芯片檢測不到短路狀態,但仍然可以關閉USB輸出,短路解除后會自動恢復原來狀態,保護器件不被損壞,電池端也不會出現大電流,保護IC不會保護。
USB過壓保護:輸入電壓過高,超過6V時,芯片會控制關閉USB輸出,防止接在USB的便攜設備因為過壓而損壞,指示燈閃爍,提示輸入電壓異常,充電仍然正常進行。輸入電壓正常后狀態解除。
4. 系統其他控制功能
當一個燈以4Hz頻率開始閃爍時,表示系統內部電池電量不足(即電池電壓已經低于2.9V),需要充電,這時升壓系統已經關閉,LED燈閃爍4s后,系統進入待機狀態。
在無電源的情況下,短按按鍵,啟動5V升壓系統給負載供電,同時LED燈顯示當前電量,維持時間約為8秒鐘,之后LED燈自動關閉,如果在8秒鐘內燈沒有熄滅的時候再一次短按手動開關,則燈會馬上關閉。

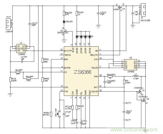
圖3:典型應用電路圖
設計的注意事項
在設計過程中,電阻、電容、電感等元器件的選擇對于系統的正常工作起著非常重要的作用。比如電阻,RS和RCS的精度影響采樣電流的精度,因此推薦使用1%精度的電阻;對于封裝,請根據電阻實際的功率計算,也可以用兩個并聯的形式分散熱量。例如:RS在升壓時流過電流最大為2A,則它最大功耗是2A×2A×0.04Ω=0.16W
RFB1和RFB2的精度影響輸出電壓的精度,因此推薦使用1%精度的電阻,如擔心虛焊的問題也可考慮RFB1采樣兩個電阻并聯。
總結
ZS6366運用了比較新穎的拓撲結構,升壓和降壓用同一個電感,不但充電可以做到同步,還支持同步升壓給手機充電,所以在1A~2A輸入充電時效率和溫度表現都很好,同時還集成了運算放大器,可實現精準電量指示,并提供過充過放、過壓、過流、短路、限流保護等功能。
相關閱讀:
教你選擇正確的移動電源設計
深度揭曉,小米移動電源設計的真正內幕
推薦:一款高效穩定的單片機控制移動電源設計



