直流穩壓電源是任何電子電路試驗中不可缺少的基礎儀器設備,基本在所有的跟電有關的實驗室都可以見到。對于一個電子愛好者來說,直流穩壓電源也是必不可少的。要得到一個電源,一般有兩種方法:一是購買一臺成品電源,這樣最為省事:二是自己制作一臺電源(因為你是電子愛好者),當然相比于第一種方法會麻煩很多。很顯然這篇文章不是教你如何去選購一臺直流穩壓電源……
基本的恒壓恒流電源結構框圖如圖1所示。由電壓基準源、調整管、誤差放大、電壓取樣以及電流取樣組成。電壓基準源的作用是為誤差放大器提供一個參考電壓,要求電壓準確且長時間穩定并且受溫度影響要小。取樣電路、誤差放大和調整管三者組成了閉環回路以穩定輸出電壓。這樣的結構中電壓基準源是固定的,電壓和電流的取樣電路也是固定的,所以輸出電壓和最高的輸出電流就是固定的。而一般的可變恒壓恒流電源是采用改變取樣電路的分壓比例來實現輸出電壓以及最高限制電流的調節。

圖1 基本恒壓恒流電源框圖

圖2 基本穩壓電源簡圖
圖2中所示的是一個基本輸出電壓可變的穩壓電源簡圖,可以很明顯地看出這個電路就是一個由運算放大器構成的同相放大器,輸出端加上了一個由三極管組成的射極跟隨器以提高輸出能力,因為射極跟隨器的放大倍數趨近于1,所以計算放大倍數時不予考慮。 輸入電壓V+通過R1和穩壓二極管VD產生基準電壓Vref,然后將Vref放大1+R3/R2倍,即在負載RL上的得到的電壓為Vref(1+R3/R2),因為R3可調范圍是0~R3max,所以輸出電壓范圍為Vref~Vref(1+R3max/R2)。這不就和我們常用的LM317之類的可調穩壓芯片一樣了,只是像LM317之類的芯片內部還集成了過熱保護等功能,功能更加完善,但是也有它的弊端,主要因為它是將電壓基準、調整管、誤差放大電路都集成在了一個芯片上,因此在負載變化較大時芯片的溫度也會有很大的變化,而影響半導體特性的主要因素之一就是溫度,所以使用這種集成的穩壓芯片不太容易得到穩定的電壓輸出,這也正是高性能的電壓基準都是采用恒溫措施的原因,比如LM399、LTZ1000等。
[page]

圖3 一只正在FLUKE 8808A 五位半數字萬用表中“服役”的LM399H
圖3是我從FLUKE 8808A五位半數字萬用表中拍的恒溫電壓基準LM399H。扯遠了,言歸正傳(欲了解更多關于電壓基準源的知識,請參看以前《無線電》雜志2008年第7期中張利民老師有關電壓基準的文章)。這種以改變取樣電阻阻值來改變輸出電壓的穩壓電源應用是比較普遍的,圖4照片中是我們實驗室中大量使用的穩壓電源,就是使用調節取樣電阻阻值來調節輸出電壓的,電壓電流的顯示是使用一片專用的電壓測量芯片ICL7107實現的,這種電源價格低廉易于普及,但也有顯而易見的缺點,因為進行電壓調節的可變電阻經過長時間使用會出現接觸不良的情況,這導致的后果是相當嚴重的,假設你正在將電壓從5V慢慢地向6V調整,因為某個點電位器接觸不良,相當于電位器開路,從圖2可以看出,R3開路的話,輸出電壓就是能輸出的最高電壓,那么你心愛的電路板就可能會回到文明以前了。

圖4 常用的穩壓電源

圖5 Agilent E3640A數控穩壓電源
所以更高端的電源如圖5所示的Agilent E3640A采用數字控制的方法來實現電壓以及電流調節的,使用按鍵或旋轉編碼器進行設定,這樣就根除了調節環節的隱患。
[page]
然而一切事物都不可能完美,因為數控電源的輸出電壓都是以最小步進電壓值為間隔的離散的電壓點,所以不能像模擬控制的電源那樣輸出連續的電壓。但這個缺點對我們平時的實驗基本沒有影響,所以這樣的電源在我們看來還是“完美”的。這篇文章要講的就是制作一個這樣“完美”的數控恒壓恒流電源。圖6就是這臺電源的實物照片。

圖6 本文所講述的數控穩壓電源

圖7 面板特寫
本文所講的數控恒壓恒流電源特性如下:
1.輸出電壓設定:0~20V/0.05V步進;
2.電壓輸出誤差:整個輸出范圍內實測小于±10mV(FLUKE 8808A五位半數字萬用表測試);
3.輸出電流設定:0~3A/0.01A步進;
4.電流顯示誤差:小于±5mA(FLUKE 8808A五位半數字萬用表測試);
5.輸出紋波峰峰值小于8mV@2A(Agilent 54641D示波器測試);
6.具有關閉設定參數記憶功能;
7.具有輸出使能功能;
8.三個常用電壓值直接設置(3.3V、5V、12V)(可通過程序修改);
9.使用12864液晶顯示器,實時顯示設定的電壓值、電流值,當前通過測試得到的電壓值、電流值以及輸出狀態(圖7所示)。
[page]
先做一下原理簡析,電源部分的原理圖見圖8所示。這是個恒壓恒流電源,所以它的結構和圖1框圖中所示結構的就不會有太大的差異。首先220V的交流市電經過變壓器T1變壓后得到交流雙12V輸出,即有中間抽頭的交流24V,VD1~VD4組成了橋式整流電路,這個相信大家不會陌生。在這個橋式整流的上方還多了兩只可控硅VT1、VT2,方向和VD1、VD2相同,這兩個可控硅的作用是進行電壓檔位切換的。當電源的設定輸出電壓在8V以內時,P4端口的第4腳HI/LOW為低電平(該電平由單片機控制提供),IC1、IC2兩只光電耦合器不工作,所以可控硅VT1、VT2斷開,此時的整流橋由VD1、VD2、VD3和VD4組成,這時進入整流橋的是交流12V。當電源的設定輸出電壓高于8V時,P4端口的第4腳HI/LOW為高電平,這時IC1、IC2兩只光電耦合器上電工作,VT1、VT2工作,交流24V被加到了VT1、VT2上,VD1和VD2此時被反偏而截至,交流12V斷開,所以此時的整流橋由VT1、VT2、VD3和VD4組成,對交流24V進行整流。這樣就實現了電壓檔位的切換,以代替傳統以繼電器切換的方式,因為沒有機械部件所以壽命更長、可靠性更高。

圖8 原理圖1(電源部分)
與圖1中的結構圖相比這個電源的電壓電流值都是可以調節的,所以不是取樣電路可調就是基準電壓可調。這里我們使用了調基準電壓的方法,因為取樣電路的調整一般是通過改變兩個分壓電阻的阻值來調整,要數字控制不容易實現,雖然現在有數控電阻但大多只有8位,精度太低不能滿足要求。在這里調節基準電壓是使用了一只12位的雙通道電壓輸出型DA轉換器TLV5618(IC5),關于這個芯片使用可以參考2010年1月份《無線電》雜志中我寫的數字示波表的文章,其中有詳細的描述這理解不多說了。TLV5618是雙通道12位的DA轉換器,A通道用于最高輸出電流的設定,B通道用于輸出電壓的設定。使用REF191E(IC6)作為TLV5618的電壓基準,這也就是整個電源的電壓基準,基準電壓為2.048V,因為REF191E的溫度系數為5ppm,負載調整率為4ppm,而且輸出電流高達30mA所以完全滿足穩壓電源對基準的需求,屬于“高配”。TLV5618使用2.048V的基準,輸出電壓0~4.095V時對應的輸入數據為0~4095,我們在這里只取其0~4.000V的輸出電壓范圍,步進1mV。對其進行5倍放大就得到了0~20.00V的輸出電壓,步進5mV,而我們的電源所采用的步進是50mV,這樣就有足夠的余量對DA轉換器的輸出帶內誤差進行修正,但實際使用中不經修正也是滿足要求的。
[page]

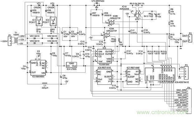
圖9 原理圖2(控制部分)
誤差放大器使用了高精度雙運算放大器OPA2277P(IC9),因為它有著超低的失調電壓和超低的溫度漂移系數,以對提高電源的精度和穩定度有著至關重要的作用。TLV5618的B通道輸出電壓用于設定輸出電壓,該電壓送到IC9A的同相輸入端,反相輸入端輸入通過R8、R9和R10組成的1/5分壓電路分壓后的輸出電壓,兩者進行比較輸出誤差電壓用以控制調整管進行輸出電壓的調整,進而實現穩壓的目的。對輸出電壓和電流的測量為了能和輸出DA轉換器對應,所以使用了一片12位4通道的AD轉換器ADS7841E,一通道用于輸出電壓的測量,二通道用于輸出電流的測量。ADS7841E需要一片4.096V的電壓基準,所以使用REF198E(IC7)為其提供,REF198E和REF191E是同系列芯片,就不多說了。輸出電壓經過1/5分壓后一路送入電壓誤差放大器IC9A,而另一路送到了ADS7841E(IC8)的第2腳,即ADS7841E的第一模擬輸入單通道進行AD轉換,ADS7841E的輸入范圍是0~4095V,對應的輸出數據為0~4095,測試轉換的電壓分辨率為1mV,但是輸入電壓是經過1/5分壓的,所以轉換后的數值再乘以5才能得到輸出電壓值,所以電壓測量的最小分辨率為5mV。
為了提高輸出電流取樣的精度,所以輸出電流取樣使用了一只DALE產的0.04Ω3W 1%精度的低阻值電阻R5,流過1A的電流可以產生40mV的壓降,然后使用儀表放大器AD620(IC10)對R5兩端的壓降進行25倍放大,可以得到1V/1A的電流取樣關系,0~3A的輸出電流對應0~3V的取樣輸出電壓,可以同時滿足DA轉換器和AD轉換器的要求。電流取樣所得到的電壓一路送到IC9B進行誤差放大,另一路送到AD轉換器的第二輸入通道進行AD轉換,測量輸出電流。因為ADS7841E的輸入范圍是0~4095V,對應的輸出數據為0~4095,所以電流測量的最小分辨率為1mA。 AD620的放大倍數由R6和R7的并聯值決定,計算公式為Rg=49.4kΩ/(G-1),其中G為放大倍數,帶入G=25可得,Rg=2.058kΩ,因為2.058kΩ不是標準阻值,故而使用多圈電位器調整得到,為了提高電路的可靠性,所以使用3kΩ的固定電阻和10kΩ的電位器并聯使用,即使電位器失效,也不致使電路參數發生巨大變化而損壞。TLV5618的A通道的輸出電壓送到IC9B的同相輸入端,IC9B的反相輸入端輸入電流取樣的電壓,由IC9B進行誤差放大輸出控制調整管。因為有VD7和VD8的存在,當輸出電流小于限制電流時IC9B的同相輸入端的電壓高于反相輸入端的電壓,此時IC9B輸出達到飽和,IC9B的輸出電壓高于IC9A的輸出電壓,所以IC9B的輸出電壓被VD8隔離,此時由IC9A控制調整管,電路工作在分壓狀態。當輸出電流超過最高輸出電流時IC9B反相輸入端的電壓高于同相輸入端的電壓,此時IC9B的輸出電壓低于IC9A,于是接管調整管以實現輸出電流的恒流,電路工作在恒流狀態。因為電源輸出電壓的最小值是0V,所以IC9和IC10必須工作在雙電源下,而IC9和IC10對負電源電流的需求很?。ǖ陀?0m A),所以使用一片有100mA電流輸出能力的電荷泵芯片MAX660(IC3)將+5V電壓鏡像成-5V為IC9和IC10提供負電壓,L1和C8組成LC濾波器以濾除紋波,使產生-5V電壓更純凈。
更多DIY作品:
發燒友DIY:30RMB自制便攜式耳機放大器
http://www.szzhuce.cn/rf-art/80022179
站長必備:能觸摸的的網站訪客計數器DIY
http://www.szzhuce.cn/gptech-art/80022156
新年福利,教你DIY一個“溫暖”鼠標“抗寒”
http://www.szzhuce.cn/cp-art/80022149



