【導讀】隨著各國能源價格的上升,環保意識的增強。數字控制未來將會因足以應對這些情況而被大力投入到電源制造里面,數字控制將會使得PSFB拓撲更易管理,也使之更易發揮出更高的效率。
隨著能源價格的上漲和各項“環保”計劃的成功開展,私營公司和政府監管部門對電源制造商的要求逐漸提高。歐盟委員會(歐盟(EU)的執行機構)和美國環境保護署(EPA)對服務器電源的要求進一步升級,現已涵蓋各種負載級別的效率以及待機功耗。服務器集群運營商也對電源制造商提出了類似要求。
由于法規如此嚴格,并且還有許多法規即將出臺,電源制造商正逐漸轉向數字控制。在全數字解決方案中,完全可編程的數字信號控制器(Digital Signal Controller,DSC)可直接生成用于控制功率電路級的PWM 信號。同時,控制器還能處理系統管理任務,例如數據記錄、通信和故障報告。這樣,電源設計人員可以在DSC 中編寫高級控制方法,而在模擬設計中,這即便可以實現也是極為困難的。設計人員可利用此功能靈活地實現最終客戶所需的數據記錄和通信標準。
相移全橋(Phase-Shifted Full-Bridge,PSFB)拓撲是一種有潛力滿足未來電源效率需求的直流-直流轉換器。DSC的靈活性使得不穩定的PSFB 拓撲更易于管理,并可實現進一步提高PSFB效率的先進技術。
移相全橋拓撲的必然性
下面我們將討論高頻工作所必需的簡單全橋拓撲,然后討論效率提高策略。
全橋轉換器
如圖1 所示,全橋轉換器使用四個開關(Q1、Q2、Q3 和Q4)進行配置。對角開關Q1、Q4 和Q2、Q3 同時導通時,將在變壓器的初級繞組上提供完整的輸入電壓(VIN)。在轉換器每半個周期中,對角開關Q1 和Q4 或Q2 和Q3 導通,并且變壓器的極性會在每半個周期中反轉。在全橋轉換器中,給定功率下的開關電流和初級電流與半橋轉換器相比將減半。這種電流減少使得全橋轉換器適用 于高功率等級。但是,對角的開關采用硬開關,當其導通和關斷時會導致較高的開關損耗。
過去,由于合適的控制器尚未出現,電源工程師不得不使用效率較低的硬開關電源轉換方法。這些方法的損耗隨頻率的增加而增加,因而限制了工作頻率,進而限制了電源高效供電的能力。

圖1:全橋轉換器
軟開關全橋(PSFB)拓撲
利用現有DSC,設計人員現在可考慮使用更高的工作頻率來減少電源中磁性元件和濾波電容的數量。頻率的升高會導致硬開關電源轉換器(例如傳統全橋轉換器)中產生更高的開關損耗。一種較好的替代方案是選擇相對復雜的軟開關方法來減少開關損耗并提供較高的功率密度。
PSFB 轉換器是一種軟開關拓撲,使用寄生電容(例如MOSFET 和IGBT 等開關器件的輸出電容)和變壓器的漏電感來實現諧振轉換。這種諧振轉換可以使開關器件在接通時兩端電壓為零,從而消除其接通時的開關損耗。
PSFB 轉換器已廣泛用于轉換器的功率密度和頻率至關重要的電信和服務器應用中。PSFB 轉換器的常規工作在許多文章中都有介紹,我們將在此基礎上展示DSC 如何進一步提高性能。

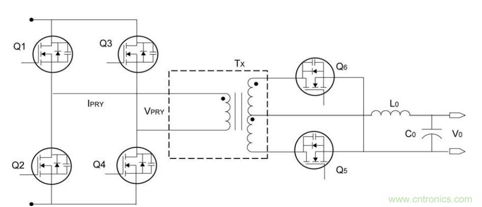
圖2:相移全橋轉換器
[page]
帶傳統同步MOSFET柵極驅動的相移全橋轉換器
為確保用戶安全以及符合監管機構制定的規則,大多數直流-直流轉換器設計有隔離變壓器。額定值較高的電源在初級設計有PSFB 拓撲,在次級設計有全波同步整流器,以實現較高效率。
在PSFB 轉換器中,如果使用傳統方法控制的同步MOSFET 配置,則MOSFET 的Q1、Q3 或Q2、Q4 應處于導通狀態。此時,沒有任何功率從初級傳輸到次級,并且MOSFET Q5 仍處于導通狀態。
由于轉換器的次級側存在電感(Lo),因此輸出電感中的能量在MOSFET Q5 和變壓器(Tx)的次級線圈之間循環。電流會通過MOSFET 的通道或通過MOSFET的內部二級管持續流經變壓器次級線圈。由于電流會從次級反射到初級,所以在初級的零狀態(初級到次級無任何能量傳輸)期間將存在環流,這會導致轉換器中出現損耗。與額定輸入電壓的情況相比,這些環流損耗在較高的電壓下尤其明顯。此外,為避免跨導,在Q5 和Q6 MOSFET 柵極驅動之間有意地引入一個死區。在此期間,任何同步MOSFET均不會導通。因此,電流將流經MOSFET內部二極管。與MOSFET的Rds(ON)相比,這些MOSFET 內部二極管具有高正向壓降,即(VF * I)》(I2rms*Rds(on))。
通過疊加柵極驅動信號,可防止傳統的同步柵極驅動中產生較高損耗,這將在下一部分中介紹。

圖3:同步MOSFET 柵極驅動的傳統配置
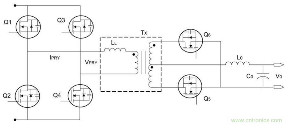
同步MOSFET 柵極驅動信號的疊加
通過疊加同步MOSFET的PWM柵極驅動信號,可避免在變壓器初級側的零狀態期間發生損耗。這將在以下三個方面提高電源效率。
首先,在中心分接的全波整流器中,疊加同步MOSFET 的柵極驅動信號將消除變壓器次級中心分接線圈中的磁通,這樣在變壓器次級和初級之間實際上不會有磁通。
其次,兩個同步MOSFET 和兩個變壓器中心分接線圈同時導通,而不是一個同步MOSFET 和一個中心分接變壓器導通。因此,次級電流將只有一半的有效電阻,與只有一個同步MOSFET 導通的情況相比,損耗會降低一半。

圖4:疊加同步MOSFET 柵極驅動信號以提高效率
最后,在傳統的開關方法中,有意引入的死區可能為開關周期的10%,并且在該死區期間,高次級電流將流經MOSFET的高正向壓降內部二極管。通過配置同步MOSFET的PWM 柵極驅動信號疊加,高次級電流可流經MOSFET通道。在這種情況下,將只有Rds(ON)損耗,其與死區中MOSFET內部二極管導致的損耗相比非常小。對于具有電信輸入(36 至76 VDC)的系統,通過疊加同步MOSFET柵極驅動信號,直流-直流轉換器的效率將提高3 - 4%.
實現這些技術需要靈活的具有完全獨立PWM 輸出的電源控制器。DSC提供了靈活性以及PWM外設,可輕松實現此技術和其他效率提升技術。
結論
PSFB 拓撲具有實現現代電源所需效率的潛力。數字控制使設計人員能夠非常精確地控制PSFB拓撲和實現高級控制技術(例如疊加同步MOSFET)。新拓撲、新技術及新理念正在推動電源進入二十一世紀。數字控制器已經為未來的電源需求做好了準備。
相關閱讀:
交流電機數字控制系統的構成及功能詳解
http://www.szzhuce.cn/motor-art/80020164
如何提升數字控制電源性能?MOSFET驅動器有辦法
http://www.szzhuce.cn/power-art/80019131
無線充電設計:隨時隨地進行智能充電
http://www.szzhuce.cn/sensor-art/80020927



