【導讀】機載計算機主機對其電源部件的體積和重量提出了進一步小型化的要求,然而現有的機載計算機電源,已經普遍采用了開關式穩壓電源,而且大部分都是集成模塊,要進一步縮小電源的體積,減輕其重量,就有一定的難度。以下就實現電源小型化的途徑進行分析和探討。
機載計算機電源的小型化途徑
機載計算機是一種抗惡劣環境計算機,其電源部件也必須滿足抗惡劣環境的要求,例如必須適應-55℃~+60℃的環境溫度和較寬的輸入電壓變化范圍;還要耐振動、撞擊,抗電磁干擾等高可靠性要求。因此,在分析和探討電源小型化的方案時,須考慮到工作在惡劣環境下仍然滿足各項電氣性能指標。
采用功率密度更大的DC/DC變換器模塊
隨著功率電子學的興起與快速發展,DC/DC變換器集成電源模塊已被大量開發并投放市場,而且得到了越來越廣泛的應用,但各供應商生產的模塊電源,其工作頻率、變換效率各不相同,在輸出功率相同的情況下,體積、重量相差較大,同時應用環境也各不相同,因而設計體積小、重量輕,又能適應惡劣環境下使用的電源部件,真正可選用的電源模塊并不多,只有幾種國外電源模塊可選用,如美國的VICOR、abbott,法國的GAA等電源模塊。
優先選用具有多路輸出電壓的電源模塊
單路電壓輸出與多路電壓輸出的電源模塊,各有優缺點,前者只有一路輸出電壓,是直接受調控的,因而輸出電壓的精度高,后者輸出電壓好幾路,但只有主回路輸出的電壓精度高,其余的是間接受到控制,因而輸出電壓的精度比較低。由于多種電壓要由多塊單輸出模塊來實現,所以要比直接采用多路電壓輸出模塊體積大。為了減小體積和重量,在滿足技術要求的前提下,應優先選用多路電壓輸出的電源模塊,如美國的abbott和法國的GAA模塊都有多路輸出。
采用低壓差線性集成穩壓器作為二次穩壓
在普遍采用開關式集成穩壓模塊的情況下,線性集成穩壓器(特別是低壓差的線性集成穩壓器)仍然廣泛地被采用。例如采用三端低壓差線性集成穩壓器,將5V經二次穩壓得到3.3V,將±15V經二次穩壓獲得精密的±10V電源。
必要的少量外圍分立元件也盡量采用體積小、重量輕的片式表面貼裝元件
采用集成電源模塊組成的電源部件,仍有少量的分立元件,如濾波用的電感器、X電容器和Y電容器,以及調節電壓的電阻器等,也一律采用貼片式。
電源部件所需的某些非標準輸出電壓,當無法從單塊電源模塊獲得時,可采用標準電壓輸出的小型電源模塊,進行相互串聯得到.例如將體積小的±15VGAA電源模塊作單路輸出而得到±30V,再相互串聯得到±60V。
當一家供應商不能滿足體積、重量要求時,可采用多家供應商提供的電源模塊進行組合設計。
要減小整個電源的體積和重量,將電源模塊基板貼在機箱內壁利用金屬殼體散熱是非常必要的。
某機載計算機電源的小型化設計
某機載計算機對電源的技術要求
(1)輸入電壓28.5V(23~32VDC);
(2)輸出電壓
電壓種類+5V±15V±24V±60V+12V
輸出電流5A0.8A2A0.1A0.2A
穩壓精度≤±1%≤±1%≤±1%≤±2%≤±2%
紋波燥聲Vpp≤50mV≤80mV≤100mV≤100mV≤100mV
(3)工作溫度-55℃~+60℃;
(4)外形尺寸178mm×105mm×20mm;
(5)重量≤0.5kg;
(6)滿足其它機載條件。
根據技術要求確定電源部件的設計方案
根據該電源部件輸出電壓種類多,給定的外形尺寸小,且輸入電壓變化范圍大,工作溫度范圍寬等特點,必須選用小型、高可靠性的軍檔電源模塊。
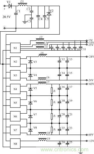
(1)5V(5A),±15V(0.8A)選用美國生產的abbott三路輸出NB50TM/5/15/15—C電源模塊,該模塊輸出5V(5A),±15V(0.83A),工作溫度-55℃~+100℃,金屬殼封裝,外形尺寸為76.2mm×50.8mm×9.7mm,其性能滿足設計要求。
(2)±24V(2A)選用兩塊美國生產的VICOR電源模塊MIJ23MX/S,該模塊輸出24V(3.1A),工作溫度-55℃~+100℃,外形尺寸為57.9mm×45.7mm×12.7mm,其性能滿足設計要求。
(3)±60V(0.1A),+12V(0.2A)分別選用法國生產的GAA電源模塊MGDB04JF(/T)和MGDS04JE(/T),前者輸出±15V(130mA)或30V(130mA),后者輸出+12V(330mA),工作溫度均為-55℃~+100℃,外形尺寸為32mm×19.3mm×7mm,利用前者兩塊串聯可得60V電壓,性能滿足設計要求。

圖題:電源電路圖
電源電路的組成
電源電路見圖中電源電路圖。
散熱與分立元器件的處理
(1)由于各種電源模塊的厚度不同,為了將模塊基板貼靠箱體散熱,在計算機箱體的后壁作適當結構處理,使不同高度的模塊基板都能緊靠機箱后壁,并在中間涂導熱膠或散熱護墊,以減少接觸熱阻。
(2)濾波電容采用CA45、CAK45型片式固體電解質鉭電容器,其外形最大尺寸為7.3mm×4.3mm×2.8mm,濾波電感采用小型磁芯繞制的電感器。
(3)28.5V輸入端采用TVS瞬變電壓吸收二極管(1.5KE43A)和小型的抗干擾濾波器。
應用效果
該電源部件中的所有元器件全部組裝在178mm×105mm的板面內,元器件最大高度≤13mm,重量≤0.5kg。電源經各項性能測試和高低溫實驗,并與計算機聯試,其各項技術性能均達到設計要求,滿足整機需要。





