【導讀】對MCM功率電源而言,由于其工作在幾百kHz的高頻開關狀態,故易成為干擾源。電磁兼容性EMC(Electro Magnetic Compatibility),是指設備或系統在其電磁環境中符合要求運行并不對其環境中的任何設備產生無法忍受的電磁干擾的能力。
EMC包括兩個方面的要求:一方面是指設備在正常運行過程中對所在環境產生的電磁干擾不能超過一定的限值;另一方面是指器具對所在環境中存在的電磁干擾具有一定程度的抗擾度,即電磁敏感性。從國外同類公司的報告及實際措施來看,解決DC/DC變換器電磁干擾主要就是滿足10kHz~10MHz電源線傳導發射的要求。
解決的關鍵技術
電路的設計技術
通過EDA仿真,利用可靠性優化和可靠性簡化技術設計電路參數,著重解決如下問題。
① 線路的自激振蕩:合理地選擇消振網絡,消除DC/DC變換器的R、L、C參數選取的不合理性引起的振蕩,減小EMI的電平。DC/DC電源由于工作在高頻開關狀態,有時反應為帶滿載時正常帶輕載時自激,有時反映為常溫時正常高溫或低溫時自激,因此元器件的選取、補償網絡的應用顯得尤為重要。
② 紋波與噪聲的有效抑制:抑制的方法大致可以歸結為二類,即降低本身的紋波與噪聲和設計濾波電路。
為了抑制外來的高頻干擾,也為了抑制DC/DC變換器對外傳導干擾,通過在DC/DC變換器的輸入端、輸出端設計濾波電路,抑制共模、差模干擾,降低EMI電平。
為了減少DC/DC變換器通過輸入、輸出端傳導EMI,除了在輸入、輸出端采取LC濾波外,還在電源的輸入地到金屬外殼之間、輸出地到金屬外殼之間增加高頻濾波電容,以減少共模干擾的產生。但此處要注意電容耐壓要大于500V,以滿足產品隔離電壓的要求。

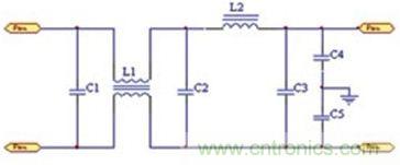
圖1:濾波器的原理圖
圖中,L1、C1組成的輸入濾波電路和L2、C2組成的輸出濾波電路能減少紋波電流的大小,從而減少通過輻射傳播的電磁干擾。濾波電容C1、C2采用多個電容并聯,以減少等效串聯電阻,從而減小紋波電壓。C3、C4、C5、C6用于濾除共模干擾,其值不宜取大,以避免有較大的漏電流。
濾波器是由電感器和電容器構成的網路,可使混合的交直流電流分開。電源整流器中,即借助此網路濾凈脈動直流中的漣波,而獲得比較純凈的直流輸出。最基本的濾波器,是由一個電容器和一個電感器構成,稱為L型濾波。所有各型的濾波器,都是集合L型單節濾波器而成。基本單節式濾波器由一個串聯臂及一個并聯臂所組成,串聯臂為電感器,并聯臂為電容器。在電源及聲頻電路中之濾波器,最通用者為L型及π型兩種。
抑制干擾源技術
DC/DC變換器的主要干擾源有高頻變壓器、功率開關管及整流二極管,為此逐一地采取措施。
① 高頻變壓器
在開關電源中,變壓器在電路中起到電壓變換、隔離及能量轉化作用,其工作在高頻狀態,初、次級將產生噪聲并形成電磁干擾EMI。當開關管關斷時,高頻變壓器漏感會產生反電動勢E=-Ldi/dt,其值與集電極的電流變化率(di/dt)成正比,與漏感量成正比,疊加在關斷電壓上,形成關斷電壓尖峰,從而形成傳導性電磁干擾。此外,變壓器對外殼的分布電容形成另一條高頻通道,從而使變壓器周圍產生的電磁波更容易在其他引線上耦合形成噪聲。
高頻變壓器是作為開關電源最主要的組成部分。開關電源中的拓撲結構有很多。比如半橋式功率轉換電路,工作時兩個開關三極管輪流導通來產生100kHz的高頻脈沖波,然后通過高頻變壓器進行變壓,輸出交流電,高頻變壓器各個繞組線圈的匝數比例則決定了輸出電壓的多少。典型的半橋式變壓電路中最為顯眼的是三只高頻變壓器:主變壓器、驅動變壓器和輔助變壓器(待機變壓器),每種變壓器在國家規定中都有各自的衡量標準,因此,在設計中采取了以下措施。
為減小變壓器漏感的影響,采用初、次級交叉繞制的方法,并使其緊密耦合。
盡可能采用罐型磁芯。由于罐型磁芯可以把所有的線圈繞組封在磁芯里面,因此具有良好的自我屏蔽作用,可以有效地減少EMI。

圖2:輸入輸出濾波電路
為吸收上升沿和下降沿產生的過沖,并有可能造成的自激振蕩,在初、次級電路中增加R、C吸收網絡,以減少尖峰干擾。在調試時須仔細調整R、C的參數,確保電阻R1的值在30~200Ω,電容C1的值在100~1000P之間,以免影響變壓器的效率。
② 功率開關管
由于功率管工作于高頻通斷開關狀態,將產生電磁干擾EMI。當開關管流過大的脈沖電流時,大體上形成了矩形波,含有許多高頻成分。凡有短路電流的導線及這種脈沖電流流經的變壓器和電感產生的電磁場都可形成噪聲源。開關管的負載是高頻變壓器,在開關管導通的瞬間,變壓器初級出現很大的涌流,造成尖峰噪聲。這個尖峰噪聲實際上是尖脈沖,輕者造成干擾,重者有可能擊穿開關管。因此,須采取以下措施。
優化功率管的驅動電路設計。通過緩沖電路,可以延緩功率開關管的通斷過程。
采用R、C吸收電路,從而在維持電路性能不變的同時,降低其電磁干擾的EMI電平。
③ 整流二極管
整流二極管一般為平面型硅二極管,用于各種電源整流電路中。選用整流二極管時,主要應考慮其最大整流電流、最大反向工作電流、截止頻率及反向恢復時間等參數。普通串聯穩壓電源電路中使用的整流二極管,對截止頻率的反向恢復時間要求不高,只要根據電路的要求選擇最大整流電流和最大反向工作電流符合要求的整流二極管即可。
開關穩壓電源的整流電路及脈沖整流電路中使用的整流二極管,應選用工作頻率較高、反向恢復時間較短的整流二極管(例如RU系列、EU系列、V系列、1SR系列等)或選擇快恢復二極管。
整流二極管在關斷期,由于反向恢復時間會引起尖峰干擾。為減少這種電磁干擾,必須選用具有軟恢復特性的、反向恢復電流小的、反向恢復時間短的二極管。肖特基勢壘二極管是多數載流子導流,不存在少子的存儲與復合效應,因而也就會產生很小的電壓尖峰干擾,故采取以下措施。
● 采用R1、C1組成旁路吸收網絡。
● 采用多個肖特基并聯分擔負載電流,有效地抑制整流二極管形成的EMI電平。

圖3:初級吸收網絡
產品平面轉化時EMC設計技術
影響產品EMC的方面很多。除了在線路上進行優化設計外,如何在基片有限的空間內合理的安排元器件的位置以及導帶的布線,也將直接影響到電路中各元器件自身的抗干擾性和產品的電磁兼容性EMC指標。
① 平面轉換設計規范
對于電源內部高頻開關器件,如功率VMOS管、高頻變壓器、整流管等,應盡可能地減少其電路電流的環路面積,且不要與其他導帶長距離平行分布。
設計布線時走線盡量少拐彎,因為直角或夾角會產生電流突變,產生EMI干擾。導帶上的線寬不要突變,無尖刺毛邊。
導帶印制時應盡量采用高目數的印制網,以便使線電流達到均衡。應選用電流噪聲系數較小、性能穩定性較好的電阻漿料和導帶漿料,保證不會因為工藝參數的因數帶來新的干擾。

圖4:次級整流電路
② 采用金屬全密封結構進行封裝
屏蔽有兩個目的,一是限制內部輻射的電磁能量泄漏出,二是防止外來輻射干擾進入該內部區域。其原理是利用屏蔽體對電磁能量進行反射、吸收和引導。電磁騷擾對其他電子設備的影響,可完全按照對磁場屏蔽的方法來加工金屬外殼,然后將金屬外殼與系統的機殼和地連接為一體,就能對電磁場進行有效的屏蔽。
地線設計技術
電路地線:在電路設計時,主要是防止干擾與提高無線電波的輻射效率。地線被廣泛作為電位的參考點,為整個電路提供一個基準電位。此時,地線未必與真正的大地相連,而往往與輸入電源線的一根相連(通常是零線),其電位也與大地電位無關。整個電路在設計時,以地線上電壓為0V,以統一整個電路電位。為進一步減小接地回路的壓降,可用旁路電容減少返回電流的幅值。在低頻和高頻共存的電路系統中,還應分別將低頻電路、高頻電路、功率電路的地線單獨連接后,再連接到公共參考點上,如果有可能最好設計地線層。


