- 直流系統基本原理探討
- 防止外部電源倒灌充電機
- 通過對硅鏈的自動控制,調整控制母線的輸出
1 引言
直流充電機系統根據其整流方式可以分成相控式充電機和高頻模塊式充電機,二者各有千秋。相控式充電機是一項使用時間長,技術非常成熟的產品,其特點是運行穩定,輸出功率大,但是這類充電機輸出精度低,自動化程度低,許多參數需要在平時運行過程中調整。高頻模塊組屏是九十年代發展起來的一項新技術,其特點是組屏簡單,輸出精度高,維護方便,自動化程度高。經過近二十年的發展,各方面都在不斷完善,現在是一種日趨成熟的產品,而且應用日漸廣泛,初步取代相控式的地位。下面就這兩類充電機的基本原理作一詳細介紹。
2 相控式充電機系統原理
相控式充電機系統原理圖如圖1所示。相控式充電機的核心技術包括觸發脈沖形成、可控硅整流、電感電容濾波、穩壓穩流、限流過流保護、過壓欠壓告警等。以下介紹相控式充電機系統各部分的工作過程。

圖1相控式充電機系統原理圖
三相市電380V交流,首先經過隔離變壓器。隔離變壓器有三個作用:首先,對可控硅的交流輸入進行降壓隔離;其次,產生同步電壓;然后,給后級控制回路提供輔助電源。根據脈沖觸發電路的不同,變壓器線圈繞接方式也有差異,有Y/△1,Y/△11等。從變壓器的二次輸出的交流電源,在進入可控硅之前,經過一次阻容吸收,以吸收交流尖峰,從而凈化輸入。在可控硅前級,串入三個保護熔斷器。
2.2可控硅整流部分
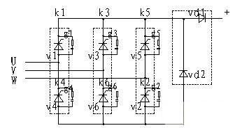
隨著現代集成技術的發展,功率大、體積小的可控硅模塊取代了原來的單元可控硅,一般一個橋臂是一個可控硅模塊,三個可控硅模塊組成一個三相全控橋,再加上一個有續流二極管和隔離二極管組成的二極管模塊,就組成了充電機的整流部分(見圖2),虛線框內表示為一個模塊。照下面的接線方式,可控硅的觸發順序為V1、V2、V3、V4、V5、V6。

圖2充電機的整流部分
2.3濾波部分
從可控硅整流出來的直流,波形并不是直線,還有很多交流成分,必須經過濾波。因此,在后級串入一個電感,并且并上一只電容和電阻,這樣,直流紋波就非常小了。
2.4充電機輸出采樣部分
采用可控硅作為整流器件的直流系統,對輸出的控制是通過改變可控硅的移相角來實現的,因而需要有采樣作為反饋,因此,在濾波回路的后面,串入一個電流傳感器,獲取輸出電流采樣,并入一個電壓傳感器,獲取電壓采樣。在控制電路中,主要的輸出調節電路是一個比例積分電路,電壓采樣和電流采樣可以分別作為它的一個輸入分支,比例積分電路的輸出端直接與脈沖觸發電路的一個控制管腳相連,這樣,通過內部邏輯回路的切換,輕松實現充電機輸出的穩壓或穩流。從而在電流傳感器后端,輸出的已經是穩定的直流。
2.5輸出負荷部分
圖中VD3的作用是一個逆阻二極管,防止外部電源倒灌充電機。二極管后邊的開關就是充電機輸出開關。從這里出去的直流分為三路:一路去電池,一路去動力合閘母線,另一路為控制母線提供前級電源。
2.6調壓及母線采樣部分
通常,比如DC220V直流系統,所配備的蓄電池組,浮充電壓在243V以上,對于大多數控保護元器件,這個電壓已經超出其額定電壓范圍。因此,在回路中串入一個調壓裝置。通過對硅鏈的自動控制,調整控制母線的輸出,使其穩定在220V輸出。給控制負荷提供安全電源。在控制母線上也有一個電壓采樣,用來采集控制母線電壓。一方面給調壓裝置提供電壓反饋,另一方面為控制母線的電壓狀態監視提供比較電位。
[page]
2.7電池采樣部分
在電池充電回路,串有一個電流傳感器,并有一個電壓傳感器,電流傳感器為電池的充電電流控制提供反饋,電壓傳感器為電池的充電電壓控制提供反饋。
合閘母線為動力負荷提供電源。因此,負荷大,工作時瞬間輸出電流大,需要直接從蓄電池提供能量,因此,動力負荷一般直接和蓄電池組相連。
3 高頻模塊式充電機系統基本原理
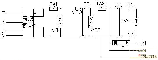
高頻模塊式充電機系統基本原理如圖3所示。

圖 3 高頻模塊式充電機系統基本原理圖
由高頻模塊組成的充電系統,在系統原理上和相控充電機一樣。但是,他們還有以下幾方面的區別。
⑴ 由于高頻模塊具有良好的輸入過欠壓和輸出過欠壓保護,而且具有良好的限流功能,因此,在輸入側和輸出側不需另加熔斷器保護。由于高頻模塊本身具有電壓電流顯示功能,而且監控器也可以顯示系統中的其他參數,因此,在高頻系統中,相控系統中常用的表記也可以省略。
⑵ 在由高頻模塊組成的系統中,一般還需要配套監控器,一方面控制高頻模塊的輸出,另一方面,控制多個模塊的并機工作,同時檢測整個系統的其他數據。監控器一方面要和高頻模塊通訊,另一方面也可以和其他設備進行通訊。
⑶ 高頻模塊系統可以由多個模塊并機工作,容易組成大型系統。同時,具有帶電插拔功能,維護非常方便。而且,單個模塊實際上就是一個完整的直流系統。
⑷ 高頻模塊的內部原理框圖如圖4所示。單個高頻模塊本身就是一個完整的直流系統。模塊輸出精度高,穩壓精度、穩流精度、紋波系數都能達到0.5%以下。而且,轉換效率高。高頻模塊內部采用高頻變壓器,體積非常小巧,省去了相控系統中笨重的隔離變壓器。

圖4高頻模塊內部原理框圖
隨著數字化改革的不斷深入,數字化產品越來越推廣普及,數字花產品會越來越受到歡迎。而且,隨著大功率高頻模塊的問世,高頻充電機將以其無與比擬的優勢,成為直流電源系統的主流產品。





