中心議題:
- OLED顯示器的供電方案
解決方案:
- 升壓轉換器的選型
- 雙輸出電壓的選擇
- 故障檢測
- 時鐘同步設計
- 軟啟動控制和輸入電壓斷開
因為目前許多OLED顯示器被用于便攜應用,因此功耗特別重要。本文介紹OLED顯示器的節能供電方案,主要內容包括:升壓轉換器的選型、雙輸出電壓的選擇、故障檢測、時鐘同步設計、軟啟動控制和輸入電壓斷開、滿足功能要求的OLED器件等。
有機發光二極管顯示器(OLED)是一種即將給顯示器產業帶來革命性變化的新興技術。OLED采用的有機材料在有電流流過時會發光,OLED與目前的LCD技術相比具有許多優點。其中一個優點是容易制造,最終可形成更低成本的顯示器。性能的優勢包括更快的響應時間、更寬的視角、更低的功耗和更亮/更高對比度的圖像。最核心的優點是OLED采用一種自發光技術,因此不需要背光。這不僅能節省功耗,而且可以實現只有1mm厚度的顯示器。
與LCD顯示器相似,OLED顯示器提供無源矩陣和有源矩陣兩種配置。在采用無源矩陣時,顯示器被連接成為二極管柵格,每個二極管構成一個獨立的OLED像素。可以使用外部驅動電路一次點亮一行柵格。相反,有源矩陣顯示器內含晶體管,像素可以被連續點亮。然而OLED與LCD不同的是,OLED采用電流驅動矩陣模式,這會增加有源矩陣設計的復雜性,因此目前大批量的OLED仍采用無源矩陣產品(PMOLED)。這些PMOLED可用于各種設備,包括蜂窩電話、汽車立體聲音響、MP3播放器和其它消費類產品。
OLED顯示器的供電
因為目前許多OLED顯示器被用于便攜應用,因此功耗特別重要。任何電源芯片都必須工作在最高效率,以盡可能節省功率,延長電池壽命,特別是在顯示器不工作的時候。
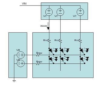
OLED顯示器的電源要求與許多因素有關。由于顯示器是電流驅動的,因此峰值電流要求取決于同一時間被點亮的像素總數量以及驅動它們的最大電流值。顯示驅動電路也會消耗部分電流。電壓要求取決于二極管的前向壓降、顯示器內部互連(往往呈現阻性)的壓降以及顯示器驅動器所需的所有壓降(見圖1)。

圖1:OLED顯示器驅動
在本例中,所需的最大電壓由以下公式給出:
![]()
其中:V二極管是二極管的前向壓降;I二極管是流經二極管的電流;Rcol是列連接的電阻;Rrow是行金屬的電阻;VCD是列驅動器所需的開銷;VRD是行驅動器所需的開銷;在典型應用中,VIN大約為20V。
峰值電流等于:
![]()
其中:I二極管是流經二極管的電流;X像素是一次點亮的像素數量;ICD是供給列驅動器的電流;IRD是供給行驅動器的電流。
[page]
便攜顯示器的節能
對于帶LCD顯示器的便攜式設備來說,如果一段時間不工作,常見的做法是關掉背光燈,幾秒鐘后再把顯示器完全斷電。而OLED顯示器沒有背光燈,因此一段時間不工作后通常屏幕就會暗下來,再過一段時間斷電。從公式1可以看出,如果減少顯示器的電流,所需的最大電壓也會降低。在供電電壓恒定的典型應用中,這一額外電壓將降在列驅動器上,從而造成額外的功耗和能源浪費。通過減少供電電壓,這一能量就不會再消耗在列驅動器上,系統效率也就得到了提高。
OLED電源芯片
目前市場上已經有專門給便攜式設備中的PMOLED顯示器供電的新型器件。適合這類應用的理想電源器件應該具有一個非常高效的升壓轉換器,能夠在便攜應用中的電池電壓下工作,或者在器件中的預整流供電下工作。輸出負載斷開和低待機電流等功能對降低顯示器不被照明時電池的漏電有很重要的作用。理想的器件還要求外部元件少和封裝尺寸小,以盡可能減小目前緊湊型手持設備的外形尺寸。
升壓轉換器
使用的升壓轉換器應該能在2.4V到5.5V電壓范圍內工作。這一范圍覆蓋了鋰離子電池的全部輸入范圍,還應能在預整流的3V或5V軌下工作。這類應用要求的輸出電壓范圍是12~25V。最優化的電源芯片設計還將集成升壓FET和肖特基二極管,從而減少對外部元件的需求。1.2A FET一般支持高達28V的輸出電壓,效率可達90%。
為了使升壓電路工作在最佳狀態下,選擇正確的元件非常重要。需要考慮的主要元件是電感和輸出電容,因為它們將影響到升壓控制環路的穩定性。一些升壓轉換器采用的外部補償電路同樣需要合理選擇補償元件。另外一種方法是采用內部補償網絡。這種設計要求電感和電容值在一定范圍內,設計手冊中通常會提供表格幫助選擇器件。電感值將影響到電感尺寸。為了實現較小的器件尺寸,推薦使用能與3.3UH的小電感工作的器件。然而,低的電感值可能導致器件工作在不連續的模式,從而增加輸出紋波。因此最好選擇能保持連續工作模式的電感值。選擇的電感還必須能夠承受應用要求的峰值和平均電流。這些值由以下公式得到:


其中:ΔIL是電感電流的紋波峰峰值,單位是A;L是電感值,單位是H;FOSC是開關頻率。
輸出電容的選擇原則是確保升壓環路的穩定工作。輸出電容容量越高,輸出電壓的紋波就越小。具體選擇時需要在紋波和元件數量/成本之間做出折衷。輸入端電容用于將輸入電流和經過電阻的開關電流隔離。在本應用中,推薦使用10~15UF范圍的電容。
雙輸出電壓選擇
如上所述,當OLED工作在暗的模式時可以通過降低輸出電壓顯著地節省功耗。因此為OLED電源選擇的最佳電源芯片應包含能夠提供這一功能的電路。采用兩條獨立的反饋路徑就可實現這一功能,而且這兩條反饋路徑可以通過簡單的邏輯輸入進行選擇。因此通過這種方法就可簡單地實現PMOLED中使用的亮→暗→關節電技術。
輸出電壓由連接在輸出引腳和反饋參考引腳間的分壓器進行設置。反饋電壓與內部設置的參考電壓比較后用于控制輸出電壓。輸出電壓的精度取決于反饋參考電壓的精度和反饋網絡中使用的電阻值。
典型的反饋電壓是1.15V±2%。當選擇引腳(SEL)設置為低時,FB0反饋引腳就與參考電壓進行比較,FB1引腳接地,用以提供反饋參考地。當SEL為高時,FB1用作參考電壓,FB0接地。輸出電壓可用公式5和公式6計算:
當SEL=0時,

當SEL=1時,

故障檢測
為保護IC和外部元件,集成眾多保護電路也非常重要。這些功能應包括:
1. 欠壓閉鎖,確保器件只在輸入電壓大于最小要求電壓時才工作;
2. 過流保護,監視開關電流,將電流限制在器件允許的最大電流值以下;
3. 過壓閉鎖,當輸出電壓超過器件允許的最大值時,器件停止工作;
4. 過溫保護,當裸片溫度超過預設最大值時關閉器件。
[page]
時鐘同步
在便攜式設備中,時鐘噪聲和串擾將成為主要考慮的因素。將開關設備與外部時鐘同步從而將所有時鐘鎖定于單一頻率,有助于產品設計師減少這些問題。對于時鐘沒有問題的設備來說,電源也應能自己同步。在1MHz范圍內的高頻率時鐘可提供最佳的效率,也有助于減小器件尺寸。一個高效的IC應能夠自同步于1MHz時鐘,也能通過將該時鐘連接到同步輸入引腳,方便地與600KHz和1.4MHz之間的外部時鐘同步。
軟啟動控制和輸入電壓斷開
當電源芯片剛開始工作時,電流需要對系統中的電容充電,從而產生明顯的輸入電流需求。如果這個電流太高,電池電壓就會降低,從而導致系統中的器件進入復位狀態,或產生錯誤的操作。為了克服這一缺點,在啟動時應采用軟啟動機制來限制電流。此時IC的電流是緩慢增長的,直到達到滿電流負荷。這種機制在如今許多升壓轉換器中很常見。
為了進一步改進電池壽命,升壓電路的輸入端集成的分斷開關非常有用。當器件不工作時,這個開關將打開從而斷開與OLED顯示器、驅動器和反饋網絡的連接,因而不會有漏電流。在這種斷電模式下,內部IC的功耗會降至最小。
當器件工作時,負載連接到輸入端,從輸入到輸出建立了一條直流通路,在輸入電容充電時將形成很大的電流尖峰。分斷開關也應提供軟啟動模式,在輸出電容充電時限制電流,從而進一步加強在其它直流/直流轉換器中常見的軟啟動機制。
滿足功能要求的OLED器件
OLED顯示器只是提出特殊的電源芯片和新增功能要求的眾多新技術之一。正在開發的許多新型IC可滿足這些挑戰。IntELSIL公司的ISL97702只是這些類型產品中的一個例子,它具有軟啟動控制、輸入電壓斷開和其它適合該應用的功能。ISL97702中使用的復雜控制機制代表了目前先進電源芯片的優秀例子,它完全可以滿足緊湊型手持設備對OLED供電的要求。這種器件的典型電路如圖2所示。

圖2:典型的ISL97702電路
圖3是ISL97702的軟啟動操作過程。

圖3:ISL97702的軟啟動
在A部分,通過限制流過分斷開關的電流來減少負載電容充電時的浪涌電流;在B部分,升壓轉換器的開始電流限制在25%;在C部分,電流限制設在50%;在D部分電流限制為75%;在E部分,電流限制為100%。



