中心議題:
- ETC系統介紹
- 低功耗智能電源在電子不停車收費系統中應用設計方案
- 智能電源電路設計及器件選擇
高性能和低功耗是電子系統發展的必然趨勢,嵌入式系統的功耗越來越受到人們的關注,這一點對于電池供電的便攜式嵌入式系統尤為明顯,在大多數嵌入式系統設計中,性能的提高總是伴隨著系統功耗的增加,解決好二者之間的矛盾,探索低功耗的電源管理技術,提供切實可行的解決方案,將是全球相關行業共同面臨的機遇和挑戰。本文以電子不停車收費系統為基礎,對系統中車載單元提出了一種有效的智能電源管理解決方案。
1 ETC系統介紹
電子不停車收費(ElectronicTollCollection,ETC)設計成由路邊讀寫設備(Road Side Unit,簡稱RSU)、車載單元(OnBoardUnit,簡稱OBU)、IC卡、計算機安全控管技術、網絡及賬務等幾大部分組成。
其組成由圖1.1 所示:

圖1. 1 ETC系統組成圖
OBU 中存有車輛的識別信息,如車牌號、汽車ID號,一般安裝于車輛前面的擋風玻璃上,RSU安裝于收費站旁邊,環路感應器安裝于車道地面下。中心管理系統有大型的數據庫,存儲大量注冊車輛和用戶的信息。當車輛通過收費站口時,環路感應器感知車輛,路邊單元發出詢問信號,車載單元做出響應。并進行雙向通信和數據交換,中心管理系統獲取車輛識別、車型等信息并和數據庫中相應信息進行比較判斷,根據不同情況來控制管理系統產生不同的動作。通過路邊單元與車載單元進行相互通信和信息交換,以達到對車輛的自動識別,并自動從該用戶的專用帳戶中扣除通行費,從而實現自動收費。
因為OBU在整個ETC 系統中起著非常重要的作用,而電源模塊的性能直接關系著OBU能否正常工作?,F有的OBU供電方式一般有兩種,但各有缺憾。據此,新的低功耗電源設計方法應該產生。
2 低功耗智能電源在電子不停車收費系統中應用設計方案
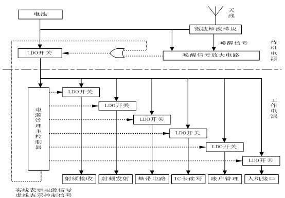
如OBU這種以嵌入式處理器為核心的系統,其功耗主要由處理器功耗和外圍電路功耗組成。考慮實際的運行情況,汽車在公路上行駛的整個過程中,經過收費站的時間是非常短的,OBU只需要在汽車經過收費站時工作,而且工作時間不到一秒鐘,其他絕大部分時間都不需要工作。OBU智能電源管理采用電池供電的方法,控制OBU 工作在兩種模式,睡眠模式和激活模式;當車進入收費站時,OBU被激活,開始工作,處于激活模式;當交易完成,車離開收費站后,OBU馬上停止工作進入睡眠模式。根據這種特點,對電源采用分級管理的策略,即分為待機電源與工作電源,如圖2.1。

圖2. 1 OBU電源管理分級模塊結構圖[page]
同時,為實現進一步的分時供電控制,工作電源模塊又按功能模塊劃分獨立電源回路,各個模塊電源獨立可控,由主控制器統一協調。
激活的MCU,使用中斷編寫方式,對各個I/O 進行判斷后分時控制,輸出各個耗電模塊的DC/DC使能高電平信號,分時為射頻接收、射頻發送、基帶電路、IC卡讀寫、賬戶管理及人機接口供電;在任一時刻,系統除主控制器外最多只為2 個模塊供電,大大減少了系統的功耗。
3 智能電源電路設計及器件選擇
3.1 放大電路設計
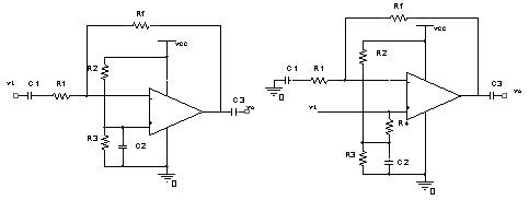
從檢波器檢測出來的信號是非常微弱的,可能是幾毫安甚至是微安級的,這么小的信號一般是不能滿足后級各種電路對信號幅度的要求,所以必須要進行放大。運算放大器的靜態電流與帶寬是成正比的,帶寬越大,靜態電流也越大,這一點在各大半導體生產商的選型表中可以明顯的看出;通過比對,為了設計出增益大、噪聲小、又具有一定帶寬的放大器,本設計選擇TLV2382 最為喚醒信號放大器。

圖3. 1 運算放大器單電源供電電路
3.2 低功耗M C U 軟硬件設計
為了實現低功耗,MCU應該選擇自身能耗低的型號,一款超低功耗MCU,主要從以下幾方面綜合考慮:系統平均電流、時鐘系統、中斷、片內外設、BOR 保護、管腳漏電流、處理效率。根據這一特點,本設計選擇了美國德州儀器(TI ) 1996 年開始推向市場的一種16 位超低功耗的混合信號處理器(Mixed SignalProcessor) MSP430 系列單片機。
3.3 系統時鐘的設計
對于一個帶有低電壓睡眠喚醒的系統,晶振的選擇非常重要。這是因為低供電電壓使提供給晶體的激勵功率減少,特別在睡眠喚醒時,造成晶振啟振很慢或根本就不能啟振,而啟動時間過長將會明顯地增加系統的功耗。MSP430F2001 設計的系統可以很好地解決這個問題。
低速時鐘選用12kHz 的VLOCLK,高頻由內部集成的DCO振蕩器產生,可以通過調整的控制參數選擇合適的輸出頻率。
3.4 電源供電的設計
本系統采用2 節干電池作為測試供電,通過電源芯片產生+3.3V的電壓。由于TPS79633 的輸入電壓范圍是2.7~5.5V,使能信號高電平,而且低電平,因而可以直接使用單片機的I/O 管腳作為使能信號。
MCU的工作與否完全由總開關的輸出POW所決定,單片機只在工作與斷電之間轉換。其他I/O 接口作為控制其余模塊的輸出,進行分時控制。
3.5 軟件設計
在降低功耗上必須軟硬件結合才能達到理想的效果。軟件設計主要注意以下方面:
系統采用中斷編寫方式,對各個I/O 進行判斷,分時控制,對每個模塊分時供電,從而降低功耗。其次輸出一個反饋信號,對總開關進行控制,達到斷電的功能。
系統的功耗會隨著系統的頻率升高而增加,在系統開始工作后使用12kHz 的主時鐘可以降低工作時的功耗。
4 結論
嵌入式系統的低功耗設計是嵌入式系統設計中必須考慮的設計原則,一個成功的低功耗設計應該是硬件設計和軟件設計的結合,從硬件設計開始,就應該充分意識到一個低功耗應用的特性,選擇一款合適MCU,通過對其特性的了解,設計系統方案;在軟件設計上,要考慮到低功耗編程的特殊性,并盡量使用單片機的低功耗模式。





