中心議題:
- 開關電源中開關晶體管的損耗
- 開關電源中開關晶體管的電子輻照實驗
- 電子輻照雙極晶體管和鉗位型雙極晶體管的比較
功率雙極晶體管的損耗是開關電源總損耗中的最多的器件之一, 采用10M eV電子輻照來降低功率雙極晶體管的下降延時, 以此來降低功率雙極晶體管的關斷損耗。在一個典型的充電器開關電源中, 85 V 交流輸入電壓下, 功率雙極晶體管總損耗最多降低了42%, 系統效率提高了2.1%.
開關電源具有功率轉換效率高、穩壓范圍寬、功率體積比高、重量輕等特點, 因此被廣泛應用于手機充電器和筆記本電腦適配器等消費類電子產品中, 如何降低開關電源的損耗受到越來越多的關注。而要在系統層面上優化使開關電源效率提高1% 左右, 已經變得非常困難。功率開關管是開關電源的核心部件之一, 其損耗是總的電源損耗最多的器件之一。為了使開關電源的變壓器、電抗器等磁性元件和平滑波形的電容器小型化, 并且進一步提高電源系統的動態響應性能, 需要提高開關頻率。但頻率越高, 開關管的開關損耗越大, 這不僅降低了電能轉換效率, 使開關管發熱, 而且限制開關頻率的提高, 嚴重時會影響電源系統的可靠性。因此,為了提高電源轉換效率和工作頻率, 就必須要降低開關管的損耗。
功率雙極晶體管由于其低廉的成本, 在開關電源中作為功率開關管得到了廣泛的應用。應用電子輻照技術可以減小少子壽命, 降低功率雙極晶體管的儲存時間、下降時間, 提高開關速度, 且一致性、重復性好, 成品率高, 這是高反壓功率開關晶體管傳統制造工藝無法比擬的。為了降低功率雙極晶體管的損耗, 本文采用了10 MeV 電子輻照來減小其關斷延遲時間, 提高開關電源轉換效率。
通過在功率雙極晶體管中加入鉗位電路使得晶體管不能達到深飽和也能降低關斷延時和關斷損耗,本文也對電子輻照雙極晶體管和鉗位型雙極晶體管進行了比較。
本文實驗中采用的開關電源為BCD 半導體公司研發的3765序列充電器, 采用的功率雙極晶體管是BCD半導體公司提供的APT13003E, 它被廣泛應用于電子鎮流器、電池充電器及電源適配器等功率開關電路中。
1 開關電源中開關晶體管的損耗
圖1所示為一個典型的反激式開關電源示意圖。在示意圖中, 開關晶體管Q1 的集電極連接變壓器T1.當控制器驅動為高電平時, Q1 導通, 能量存儲到變壓器T1 中。當控制器驅動為低電平時, Q1關斷, 能量通過變壓器T1 釋放到后端。圖2所示為開關晶體管開關過程中集電極電壓和電流的波形示意圖。

開關晶體管在工作過程中的損耗分為開關損耗和穩態損耗, 其中開關損耗包括導通損耗和關斷損耗, 穩態損耗包括通態損耗和截止損耗, 其中截止損耗占總的損耗的比率很小, 可以忽略不計。我們把Vce由90% Vindc降到110% Vcesat所用的時間定義為導通延時, 即圖2中的t1 - t0, 把IC 由90% Icmax下降到0所用的時間定義為關斷延時, 即t3 - t2。
在開關晶體管開通時, 集電極電壓在控制器驅動電壓為高時, 基極電流變大, 集電極電壓由Vindc下降為0, 此時由于變壓器與原邊并聯的寄生電容兩端的電壓差也從0變為Vindc, 寄生電容充電, 因此在開關晶體管集電極產生一個尖峰電流, 另一方面, 如果副邊整流二極管的反向恢復電流沒有降到0, 也會進一步加大這個尖峰電流。開關晶體管出現集電極電壓和電流交替現象, 產生導通損耗, 直到集電極電壓降到Vcesat.導通損耗可以表示為:
[page]
在晶體管導通后, 集電極電流從0逐漸變大, 而Vcesat不為0, 因此產生通態損耗。通態損耗可以表示為:

在開關晶體管關斷時, 集電極電流不能馬上降為0, 而集電極電壓已經從Vcesat開始上升, 在開關晶體管上產生電壓電流交替現象, 從而產生關斷損耗。
由于變壓器是電感元件, 當開關突然關斷時, 變壓器電感元件電流不能突變, 會產生較大的反激電壓, 阻礙電流變化, 通過電路加在開關管上, 產生比較大的損耗。關斷損耗可以表示為:

開關管總的損耗可以表示為:

一般情況下, 關斷損耗在開關損耗中占的比率最大, 而關斷損耗跟開關晶體管的關斷延遲時間有關, 減小關斷延遲時間( t3 - t2 ), 加快集電極電流下降速度, 可以降低開關晶體管的總損耗。
2 電子輻照實驗
電子輻照能在硅中引入多種深能級, 這些能級將根據其在禁帶中的位置, 對電子空穴俘獲截面的大小以及能級密度的大小等均對非平衡載流子的復合起貢獻, 從而引起少子壽命、載流子濃度的降低,因此影響了與少子壽命有關的一些參數, 如晶體管的開關時間、電流放大系數( hFE )等。
實驗中我們把未經封裝的功率雙極晶體管APT13003E 圓片分為四組, 其中第一組作為對照組, 不做輻照處理, 其余三組經過10M eV 的電子輻照, 輻照劑量分別為5 kGy、10 kGy、15 kGy, 輻照完成后, 經過200℃2 h的高溫退火處理, 然后四組圓片經過封裝后成為成品。表1是四組晶體管的FT測試結果。

表1 四組APT13003E 的FT測試結果
從表1中我們可以看到, 經過輻照后, 儲存時間ts 隨著輻照劑量的增大有很大幅度的減小, 下降時間tf 有所減小, 上升時間tr 有所增加; 電流放大系數隨著輻照劑量的增加而下降; 飽和壓降和擊穿電壓HBVceo隨輻照劑量的增大而增大。
3 系統測試結果
將四組不同的APT13003E 開關晶體管放入同一個使用BCD半導體公司研發的AP3765充電器系統中, 該充電器的功率是3W, 輸入交流電壓范圍是85V ~ 264 V, 輸出直流電壓是5 V.圖3所示為85 V、115 V、230 V 和264 V 交流輸入電壓下, 使用電子輻照后的APT13003E 與常規的APT13003E在輸出負載電流分別是0. 15 A、0. 30 A、0. 45 A、0. 60 A(即25%、50%、75%、100%負載)下的系統平均效率增加值。

圖3 電子輻照后的APT13003E與常規的APT13003E在各個交流輸入電壓下系統平均效率增加百分比[page]
從圖3 中可以看到, 在較低的交流輸入電壓(如85 V和115 V )下, 使用輻照后的APT13003E比使用未輻照的APT13003E 系統效率都有所提高, 而在較高交流輸入電壓下(如230 V 和264 V ), 輻照后的APT13003E 未能使系統效率提高。在85 V 交流輸入電壓下, 輻照劑量為10 kGy 的APT13003E的性能最好, 開關晶體管的總損耗由0. 209W 降低到0. 121W, 降低了42% , 使得系統整體效率提高了2. 1% , 若該開關晶體管采用TO - 92封裝, 這將使開關晶體管的結溫降低約11 ℃ ; 在115 V交流電壓下, 系統的整體效率也提高了約1. 4%, 開關晶體管的結溫將降低約7℃, 這就有效地提高開關晶體管的可靠性, 降低了開關電源的損耗。
當輻照劑量進一步增加到15 kGy后, 系統效率提高的幅度反而降低, 因此要獲得最佳的系統效率,需要采用最合適的輻照劑量。
我們對85 V 和264 V 交流輸入電壓, 輸出電流為0. 45 A 條件下四組APT13003E的集電極電壓電流波形進行了測試, 分析了開關晶體管工作的各個階段的損耗, 結果如表2所示, tON表示導通延時, toff表示關斷延時, Tw 為開關周期, P in為充電器輸入功率, P los STot為開關晶體管總的損耗, P loss tot /P in為開關晶體管損耗占系統輸入功率的百分比。

表2 四組APT13003E在充電器系統中各個階段的損耗分析
從表2中可以看出, 在85 V 交流輸入電壓下,輻照之后的APT13003E 比未輻照的APT13003E 的關斷延時有了大幅的減小, 因此關斷損耗大幅的減小, 如輻照為10 kGy的管子的關斷損耗減小為未輻照管子的1 /6; 導通延時有所增加, 但增加的幅度較小, 導通損耗有較小的增加; 飽和壓降隨輻照劑量的增加而增加, 因此通態損耗隨輻照劑量的增加而增加。開通損耗、通態損耗的增加與關斷損耗的減小是一對矛盾, 因此必須選擇合適的輻照劑量, 才能使開關晶體管總的損耗最小。
而在264 V輸入電壓下, 輻照后關斷損耗只有較小幅度的減小, 因此總損耗基本不變, 系統效率也沒有改善。如圖4 和圖5 分別為未經輻照的APT13003E 在85 V 和264 V輸入電壓下基極電流、集電極電壓和電流的波形。比較圖4和圖5中可以看出, 在264 V 輸入電壓條件下導通時集電極電流的尖峰比起85 V 時要大很多, 這是因為導通時變壓器寄生電容充電電壓增大了2. 1倍, 但充電時間只增加了約0. 6倍, 所以充電電流就會大大增加, 這也導致了APT13003E 的導通損耗由85 V 下的0. 016W 變為264 V下的0. 183W, 此時導通損耗占了總的損耗的大部分, 而電子輻照對導通損耗并沒有改善; 另一方面, 在APT13003E 關斷時, 集電極電壓并沒有直接降到0, 而是先經過一個近100 ns的電流“ 尾巴”之后, 才又下降到0, 此時集電極電壓已經比較大了, 因此這個電流“尾巴”所造成的損耗占關斷損耗的比例較大。產生這個“尾巴”的原因是, 關斷開關晶體管時, 由于管子的基區比較薄, 過大的基極電流引起較大的基區電位差, 使VBE 為負的情況下發射結局部正向偏置, 集電極電流遲遲降不下來。

圖4 85 V交流輸入電壓下APT13003E基極電流、集電極電壓、集電極電流波形圖
[page]

圖5 264 V 交流輸入電壓下APT13003E 基極電流、集電極電壓、集電極電流波形圖
而經過電子輻照后的APT13003E, 其集電極電流的這個“尾巴”并沒有減小, 所以造成了輻照后的APT13003E 的關斷損耗并沒有大幅的降低, 因此系統的效率并沒有改善。我們一方面可以優化基極驅動電路, 使關斷初始時基極反向電流不至于太大, 避免產生電流“尾巴”, 而關斷的最后階段突增反向基極電流, 則在高輸入電壓下, 系統的效率就會有所提高; 另一方面, 通過分段繞制、使用介電常數小的絕緣材料、適當增加絕緣層厚度和靜電屏蔽等方法, 降低變壓器的寄生電容, 降低開關晶體管的導通損耗,系統效率也將提高。
4 電子輻照管與鉗位型開關管的比較
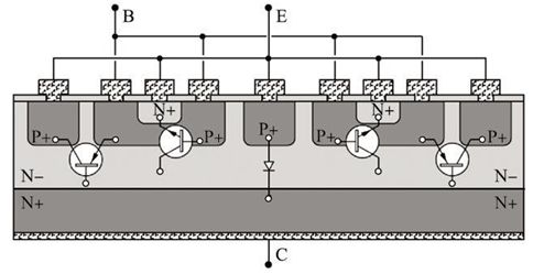
采用鉗位型開關晶體管也能降低開關晶體管的關斷延時, 其原理是通過鉗位電路使VBC在晶體管導通時不能增加到深飽和所需的0. 7 V, 這樣注入集電結兩側的少子很少, 使超量儲存電荷很少, 這樣儲存時間大大縮短。采用鉗位型開關晶體管主要有兩種, 一種是在集電結并聯肖特基二極管的晶體管,由于在高溫下漏電電流較大, 其ts - Vcesat的Trade??o ff關系最差, 目前應用較少。另一種是橫向PNP鉗位型晶體管, 其結構圖如圖6所示, 它在高溫下漏電較小, 能得到較好的Trade-off關系,電流放大系數基本不變, 目前得到了越來越多的應用, 如吉林華微電子股份有限公司研發的產品3DD13003A 就采用了這種結構。

圖6橫向PNP鉗位型晶體管結構圖
表3是AP3765序列充電器中采用經過10 kGy電子輻照的APT13003E 及3DD13003A 在85 V 和230 V 輸入電壓下輸出負載電流分別是0. 15 A、0.30 A、0. 45 A、0. 60 A 系統平均效率的結果。從表3中可以看出, 10 kGy電子輻照后的APT13003E的效率與3DD13003A 的效率基本相同。

表3 AP3765充電器采用以下三種開關晶體管系統效率的比較
采用電子輻照工藝方法簡單, 成本很低, 輻照后將使得開關晶體管的反向擊穿電壓增大, 使開關晶體管的可靠性增加, 特征頻率基本不變, 其缺點是電流放大系數降低, 在大功率應用時可能會無法正常導通, 因此主要應用于中小功率開關電路中。而橫向PNP鉗位型開關晶體管對電流放大系數基本沒有影響, 由于在側面增加了一個pn 結, 所以晶體管面積和結電容會增加, 減小了晶體管的特征頻率, 但不能提高反向擊穿電壓, 可以應用在雙極數字電路和中小功率開關電路中。
5 結論
本文采用了10MeV 電子輻照來降低開關晶體管的下降延時, 以此來降低開關晶體管的關斷損耗, 在較低交流輸入電壓下使得開關電源效率得到了提高,但在較高交流輸入電壓下由于變壓器寄生電容充電造成導通損耗過大及關斷階段集電極電流“尾巴”的存在, 使得系統效率沒有改善。由于電子輻照使得導通損耗和通態損耗增加, 因此只有采用合適的電子輻照劑量才能使系統效率得到最大的提高。采用合適的電子輻照劑量的開關晶體管與采用橫向PNP鉗位型晶體管的開關電源系統效率基本相同。




