中心議題:
- 電源的過壓、欠壓、失壓保護
- 電網尖峰脈沖干擾的防治
- 工業控制機直流電源過壓、欠壓保護技術
- 電源的交流掉電保護
電源抗干擾的解決方案:
- 濾波法
- 隔離法
- 吸收法
- 回避法
計算機用于工控自動化,對于提高產品的產量與質量、節約能源和材料、保障生產安全和減輕勞動強度、實現生產的現代化管理等等方面都具有重要的作用,是直接提高經濟效益、最具發展潛力的重大領域。工業控制機要成功地運行,并產生預期的效益,是一個多因素且頗具難度的系統工程。根據我多年來的工控研究經驗,其抗干擾性能是一個很重要的環節。它與工控機應具有一個好的硬件系統結構及有效的控制對策同算法同樣重要,都關系到控制項目的成敗。
工業控制機抗干擾技術主要包含:①電源抗干擾技術;②屏蔽和接地抗干擾技術;③輸入/輸出通道抗干擾技術;④通信抗干擾技術;⑤軟件抗干擾技術。本文主要討論電源抗干擾技術。
工業現場種類繁多的加工機械和動力設備的啟停運轉如電焊和電火花加工、晶閘管調壓、變頻設備等等,都是干擾源。這些干擾源既能以電磁場方式作用到工控機系統上,又能通過電源侵入計算機系統造成干擾。而通過電源造成干擾是最直接的,甚至是破壞性的,占工業控制機被干擾的絕大比例。雷擊對工控機造成的干擾和破壞,大多數也是從電源入侵的。因此,要提高工業控制系統的抗干擾性能,首先要在電源上下功夫。
1 過壓、欠壓、失壓保護
工業現場的供電品質很差,常常不能達到國家對電網波動等級中規定的最低標準C級。表1列出了國家標準對電網波動等級的規定。當供電電壓超過C 級規定時,通常稱為過壓或者欠壓。而失壓又稱瞬時斷電。產生瞬時斷電,最常見的原因是用電設備突然短路而它的保險絲還沒有熔斷的瞬間。另外開關或刀閘觸點接觸不良或顫抖等也會產生瞬間斷電。瞬間斷電所允許時間國內尚無標準,表2列出了日本《工業用計算機環境標準》中規定的瞬間斷電級別。

表1 國標電壓波動等級表

表2 日本瞬時斷電級別表
當過壓或者欠壓超過工控機電源工作范圍時,會使電源失常或者損壞,直接威脅工控機的安全。而瞬時過壓或者欠壓形成涌流,即使不超過工控機電源的工作范圍,也會造成很強的干擾和破壞性。我們在某鋼廠的控制項目的安裝調試中發現,煉鋼電爐的電極升降,或者大電機啟停,常常造成近百伏的瞬時過壓或者欠壓(車間400 V低壓側供電)。克服過壓、欠壓的方法是選用寬電壓范圍的優質開關電源,或者外加交流穩壓器、UPS電源以及在工控機內設置欠壓、掉電保護電路等抗干擾措施。
[page]
1.1 開關電源
開關電源是把220 V交流供電直接整流濾波之后,再采用20 kHz 頻率的脈寬調制型振蕩變換為交流,通過高頻變壓器隔離變換,再整流變為計算機所需要的多種直流電壓輸出。由于甩掉了傳統的工頻變壓器,因此具有體積小、效率高、電網電壓寬范圍變化時輸出不易過電壓或欠電壓的優點。目前,做得好的開關電源能夠在100 V~300 V寬范圍正常工作,完全不需要再使用交流穩壓器。由于結構上的優勢,開關電源抗雷擊的能力比普通電源強,抗電網1個周期內的失壓能力也比普通電源強。因此,工業控制機應選用優質的開關電源,而不應當再使用傳統的變壓器降壓電源。
1.2 交流穩壓器
交流穩壓器的類型和產品都很多,有電子式、鐵磁諧振式、分接開關式、伺服調整式和電源凈化器等等。它們的共同特點是把電網電壓波動±10%甚至±15%的范圍穩定到±1%~±2%以內。選用時應優選具備抗電網干擾能力,或者原、副邊具有隔離的類型。例如電源凈化器(也稱凈化電源),采用大功率的LC濾波器,若在輸入端加入3 kV尖峰干擾,在輸出端只有低于3 V的輸出。除了具有抑制尖峰干擾性能之外,對半周失壓、過壓、欠壓等干擾有極好的動態響應。鐵磁諧振方式的交流穩壓器有很好的電網抗干擾能力和原、副邊隔離,可靠性很高,只是它的動態響應較差。計算機控制系統使用這兩種類型的交流穩壓器效果較好。
1.3 UPS(Uninterruptible Power System)
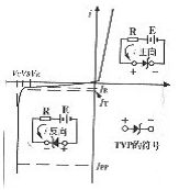
UPS,即不間斷電源。UPS最適合的應用領域是電網突然掉電,而計算機不能停止工作或者需要一個充足的時間保護重要數據的場合。隨著技術的進步,目前的UPS除了不間斷供電之外,還具備過壓、欠壓保護功能,軟件監控功能等等。其中在線式的UPS還具備與電網隔離、強抗干擾特性,是高可靠性控制系統的最佳選擇。圖1示出了工業控制系統使用UPS的正確方法。正常工作時,電子開關K接到觸點1上,工控系統由UPS逆變供電,一旦UPS發生故障,電子開關K立即轉換到觸點2上,由市電供電。這種正常情況下由UPS逆變供電,市電作為備用的方法是最有效的電源抗干擾方法。因為UPS逆變的輸出電壓非常穩定干凈,完全隔離了工業現場供電電源的各種干擾污染,而且抗雷擊效果也較其他的方式好。由于逆變器輸出的交流電壓與市電同步鎖相,因此,開關由1切換到2位置時,不會引起大的干擾。

圖1 工業控制系統使用UPS的正確方法
2 電網尖峰脈沖干擾的防治
工業現場的電網污染嚴重。但對工業控制機來說,危害最嚴重的是電網尖峰脈沖干擾。圖2示出了尖峰脈沖的形狀。在煉鋼廠、 軋鋼廠或者大量使用晶閘管設備、電火花設備、電力機車等地方,這種尖峰干擾為害尤厲。其幅度大的可達數百伏甚至上千伏,而脈寬一般為μS數量級。雷電也常以尖峰脈沖方式入侵。尖峰脈沖幅度很大時,會破壞工控機開關電源輸入濾波器、整流器甚至主振管。再加之其頻譜很寬,也會竄入計算機造成干擾。對尖峰脈沖干擾的防治方法,主要有濾波法、隔離法、吸收法和回避法。

圖2 電網正弦波上的尖峰干擾
2.1 濾波法
主要是采用電源濾波器濾除尖峰干擾。圖3示出了典型的電源濾波器原理圖。L1、L2是繞在同一鐵心上的共模軛流圈,對共模形式的干擾呈現很大的阻抗,而對工頻和常模形式的干擾電感為零。因此對圖2所示的形成常模形式的尖峰干擾無效。但電容C1、C2、C3卻對其有一定的衰減。目前這類產品繁多,大多數按IEC/CISPR №。17出版物的規定指標生產。例如常州堅力電子有限公司生產的D、DZ、PC、K、T、F系列的電源濾波器,對共模干擾插入衰減,在10~30 MHz頻率范圍,可為20~50 dB以上。電源濾波器體積小,價格便宜,但效果一般。

圖3 典型的電源濾波器電原理圖
[page]
2.2 隔離法
采用1∶1隔離變壓器供電是傳統的抗干擾措施,對電網尖峰脈沖干擾有很好的效果。圖4是典型的隔離變壓器原理圖。它抗干擾的原理是原邊對高頻干擾呈現很高的阻抗,而位于原邊、副邊繞組之間的金屬屏蔽層又阻隔了原、副邊所產生的分布電容,因此原邊繞組只有對屏蔽層的分布電容存在,高頻干擾通過這個分布電容而被旁路入地。

圖4 1∶1隔離變壓器屏蔽及接地方式圖 a. 單屏蔽層 b.雙屏蔽層
1∶1隔變效果的好壞,往往取決于屏蔽層的工藝。最好選用0.2 mm 厚的紫銅板材,原邊、副邊各加一個屏蔽層。通常,原邊的屏蔽層通過一個電容器與副邊的屏蔽層接到一起,再接到副邊的地上。也可以原邊的屏蔽層接原邊的地線,副邊的屏蔽層接副邊的地線。并且接地引線的截面積也要大一些好。1∶1隔變還有效地隔離了接地環路的共模干擾,是個好辦法,只是體積較大。
2.3 吸收法
就是使用一種新型高效的器件TVS(Transient Voltage Suppressor) 吸收工業控制機電源進線上的尖峰脈沖。TVS又稱TVP,中文譯作瞬變電壓抑制器。TVP事實上是一種特殊的穩壓二極管。當它的兩端經受瞬間的高能量沖擊時,它能以極高的速度把兩端間的阻抗值由高阻抗變為低阻抗,吸收一個瞬間大電流,從而把它的兩端電壓箝制在一個預定的數值上,保護了后面的電路元件不受瞬態高壓尖峰脈沖的沖擊。正因為如此,其防雷效果也很好。圖5示出了它的伏-安特性曲線。TVP管和穩壓管一樣,是反向應用的。其中VR稱為最大轉折電壓,是反向擊穿之前的臨界狀態。VB是擊穿電壓,其對應的反向電流IT一般取值為1 mA。VC是最大箝位電壓,當TVP管中流過峰值電流為Ipp的大電流時,管子兩端電壓就不再上升了。因此TVP管始終把被保護的器件或設備的端口電壓限制在VB~VC的有效區內。與穩壓管不同的是,Ipp的數值可達數百安培,箝位響應時間僅為1×10-12S。TVP最大允許脈沖功率PM=VC·Ipp。TVP管的PM分為四個檔次,即500 W、1000 W、1500 W和5000 W。圖6是TVP用于普通電源進線的原理圖。這里采用的是雙向TVP管。它對于電網的尖峰脈沖電壓和雷電疊加電壓等等干擾超過其額定的VC數值量,都能有效的吸收。在國外已廣泛應用于計算機、通信和儀器儀表之中。過去使用的壓敏電阻器,它的響應時間慢,通常為5×10-9S,它的使用溫度范圍窄,漏電流大,吸收電流小,并且體積也較大,因此已逐步被TVP取代。TVP的用途很多,它還可用作計算機通信口的防雷以及各種大功率器件的保護和吸收電路。還可以用作計算機直流電源的過壓保護和主機防雷保護。

圖5 TVP的代表符號和伏安特性

圖6 TVP管電源過壓保護及尖峰抑制電路 a.常用電路 b.全保護電路
2.4 回避法
就是拉專線供電方法。對于大型動力設備集中且干擾很大的工業現場,應當盡量少使用現場工頻電源。采用非動力供電線路供電或者直接從非動力低壓變壓器“根部”拉專線供電的辦法,避開大負荷動力線,減少電網干擾。這個方法很有效。因為電力導線存在電阻,大量的動力設備的運行和啟停,在這個電阻上產生壓降而成為強烈的干擾。尤其是尖峰脈沖干擾,在動力變壓器根部明顯減小,而在非動力變壓器的低壓輸出根部,幾乎不存在。這在很多工業現場都很實用。
2.5 其它方法
采用電源凈化器、鐵磁諧振交流穩壓器、在線式UPS 等抗尖峰脈沖干擾效果都很好,只是體積大,價格貴。
[page]
3 工業控制機直流電源過壓、欠壓保護技術
前述的大量的抗干擾措施,都是在進入直流電源前的處理措施。工業控制機成年累月地運行,其直流電源本身也會受到干擾或者出故障,或者負載發生短路等等。這些都會使工業控制機出錯造成事故。直流電源出故障的主要特征是輸出電壓不穩定、欠壓或者掉電,而輸出過壓相對較少。直流電源的不穩定實際是反復的欠壓過程,它直接干擾CPU或者外設接口的正常工作。而過壓可能造成工業控制機的損壞。
3.1 直流電源的欠壓保護技術
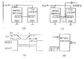
最常用的欠壓保護措施,是采用電源監視IC電路監視直流電壓的輸出。當其低過某個限定值時,監視電路將持續產生復位信號使CPU 和外設接口處于復位狀態,避免其不正常操作而帶來的事故。當電源恢復其輸出為正常值時,該電路經過一個規定的延遲時間后撤消復位信號,從而保證了工業控制機的正常工作。一個采用最新的電源監視IC的電路原理圖示于圖7。在圖中,IMP809專門產生低電平有效的復位信號。如果μC或者μP的復位引腳是雙向的,或者內部具有Watchdog Timer電路,例如68HC11,8098、80198系列等等,要在IMP809的RESET引腳上串聯一個4.7 kΩ的電阻。此時,電路如圖7b示。IMP809的復位輸出與電源電壓的時序關系如圖7c所示。如果CPU的復位信號是高電平有效時,可以選用具有高電平RESET輸出的IMP810,它在電路中的連接與圖7相同。IMP809/810都采用3腳SOT23型封裝,即只有米粒大小的表面安裝元件。如果工業控制機還需要一個手動復位電路的話,可以按照圖8結構電源監視電路。圖中的IMP811具有手動復位輸入引腳MR(Manual Reset )。當CPU需要高電平復位信號時,選用IMP812電路就行了。IMP811/812采用4腳SOT143型封裝。圖8b是它們的引腳圖。

圖7 電源監視IC電路及時序圖 a.一般用法 b.具有雙向RESET引腳時的用法 c.時序圖 d.引腳圖

圖8 具有手動復位的電源監視電路 a.手動復位電路b.引腳圖
IMP809/810、811/812是美國IMP公司的產品。是美國Maxim 公司MAX809/810、811/812的改進型替代產品。它們的功耗更低,性能更好。 并且有六種監視電壓門限,供3~5 V供電系統選用。表3列出了器件的分檔后綴及其監視電壓門限。

表3 IMP809/810/811/812電壓 [page]
3.2 直流電源的過壓保護技術
直流電源輸出過電壓故障較少,但過電壓具有破壞性。最有效的過壓保護措施是使用2.3節的TVP瞬態電壓抑制器件。它不但可以吸收電源因雷擊或者干擾造成的過電壓尖峰脈沖,而且對電源出現過壓故障也有很好的保護。圖9是使用TVP管構成的電源過壓保護電路。當電源發生過壓故障時,TVP管被擊穿而將電壓箝位于TVP管的VC以內,從而保護了控制裝置。 只是當電壓持續過壓時燒毀保險絲,而抑制電源線上的尖峰干擾通常不會燒毀保險絲,也不干擾計算機正常運行。

圖9 直流過壓保護電路
4 交流掉電保護
交流掉電也是一個可能發生的故障,它也可能導致某些控制事故,即使是使用了UPS。因為UPS有時候也會發生故障。因此,如果能預知交流掉電的發生,并及時把所有的執行機構控制到安全的位置或者狀態上,將會避免一些損失。同時,也把重要的數據或運行狀態保存起來,這在某些系統里是非常必要的,因為重新運行需要這些數據。
一個實用的掉電檢測電路如圖10所示。220 V交流電流經橋式整流后驅動光電隔離管T1(TLP521)中的發光二極管發光,并使T1的光電三極管導通,給電容C1充電。C1上的電壓經過R2,Rw分壓后送到比較器U1(LM393)正極性輸入端。當交流電正常工作時,調節電位器Rw使U1的“+”輸入端的電壓比“-”輸入端(穩壓管Dz的值)略高0.2 V左右,則U1輸出高電平,觸發器不翻轉,其Q端輸出高電平。當交流掉電時,C1不能被充電其電壓將很快下降。于是,比較器U1輸出低電平,觸發RS觸發器U2翻轉,產生非屏蔽中斷申請信號。如果在非屏蔽中斷服務程序中,把有危險的控制機構調到其安全的位置,并且保存當前運行的重要數據和寄存器的狀態,這就完成了掉電處理。通常,由于直流開關電源具有較大的輸入電容器,因此從檢測到交流掉電起,到直流失電計算機不能工作時為止,還有10 ms以上的時間,足夠完成掉電處理操作。

圖10 交流掉電檢測電路
5 結束語
電源抗干擾措施是由工控系統開發者操作的項目,應用恰當與否取決于開發者的實踐經驗和對現場的深刻認識。電源抗干擾措施是控制系統的基礎建設,首先做好它是成功的保證。



