中心議題:
- 功率晶體管二次擊穿的原因
- 避免功率晶體管二次擊穿的措施
- 開關電源中可選用的緩沖電路
解決方案:
- 耗能式關斷緩沖電路
- 耗能式開通緩沖電路
- 無源回饋關斷緩沖電路
- 無源回饋開通緩沖電路
- 復合緩沖電路
隨著電子技術的不斷發展和新型元器件的問世, 開關電源以其體積小、重量輕、效率高、對電網電壓適應范圍寬等優勢, 越來越受到大家的青睞, 在絕大多數領域中取代了傳統的線性電源并被廣泛地應用于不同的電子產品中。
在大部分的開關電源中, 功率開關晶體管工作在高電壓、大電流的高頻脈沖狀態下,在這種條件下的開與關會給晶體管造成很大的沖擊。二次擊穿是造成晶體管損壞的重要原因之一。要設計出高性能、高可靠性的開關電源, 清楚地了解晶體管二次擊穿的有關知識和避免措施很有必要。
本文分析了晶體管二次擊穿的現象和產生原因, 并結合開關電源的設計及生產實際, 介紹了緩沖回路的應用及其它有關晶體管防護措施。
1 二次擊穿的原因
二次擊穿主要是由于器件體內局部溫度過高造成。溫度升高的原因是當正向偏置時由熱不均衡性引起, 反向偏置時由雪崩擊穿引起。
因為晶體管的熱阻在管子內部各處分布是不均勻的, 在一些薄弱的區域, 溫升將比其它部分高,形成所謂"熱點", 局部溫引起局部電流增加, 電流增加又使溫度升高, 如此循環直至一個臨界溫度,造成管子的擊穿。
雪崩擊穿引起的二次擊穿是由于發生一次雪崩擊穿后, 在某些點上因電流密度過大, 改變了結的電場分布, 產生負阻效應從而使局部溫度過高的一種現象。
2 避免二次擊穿的措施
開通與關斷損耗是影響開關器件正常運行的重要因素。尤其是晶體管在動態過程中易產生二次擊穿的現象, 這種現象又與開關損耗直接相關, 所以減少自關斷器件的開關損耗是正確使用器件的必備措施。要減少損耗可通過兩條途徑來實現:
(1) 在盡量低的集- 射極電壓( Vce ) 下關斷晶體管;
(2) 射極電壓升高過程中關斷晶體管要盡量減小射極電流。引入緩沖電路是達到上述目的途徑之一。
[page]
3 開關電源中可選用的緩沖電路
在開關電源的設計中可選用下列緩沖電路, 以確保晶體管在安全區(SOA) 內運行。
1) 常用的關斷緩沖電路是一種耗能式關斷緩沖電路。它雖然耗能較多, 但電路簡單。如圖1 所示。

圖1 常用的關斷緩沖回路
它由RCD 網絡與晶體管開關并聯組成。當晶體管關斷時, 負載電流經二極管D 給電容C充電,使管子的集電極電流逐漸減小。因為電容C 兩端電壓不能突變, 故而其集電極電壓受到牽制。避免了集電極電壓與電流同時達到最大值的情況, 因而不會出現最大的瞬時尖峰功耗。管子開通時, 電容放出能量并將其消耗在電阻上。
2) 兩種常用的耗能式開通緩沖電路。
a.具有非飽和電抗的開通緩沖電路(圖2) : 電感- 二極管網絡與晶體管集電極串聯, 形成開通緩沖電路。當管子開通時, 在集電極電壓下降期間, 電感Ls 控制電流的上升率di/ dt .當管子關斷時,貯存在電感Ls 中的能量1/ 2(LsI2m) 通過二極管Ds 續流,其能量消耗在Ds 和電抗器的電阻中。

圖2 具有非飽和電抗的開通緩沖回路[page]
b. 具有飽和電抗器的開通緩沖電路(圖3) : 采用開通緩沖電路的目的就是為了使正在開通的晶體管在集電極電流較小時, 集電極電壓就下降至0 , 以使開通損耗最小。特別對電感性負載效果更為顯著。設計的飽和電抗器應作到: 集電極電壓下降到零后, 緩沖電抗器處于飽和態; 在飽和前, 即集電極電壓下降到零前, 電抗器呈高阻, 流過管子的磁化電流很小從而達到減小開通損耗的目的。

圖3 具有飽和電抗的開通緩沖回路
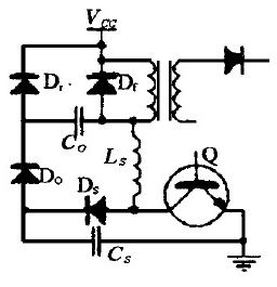
3) 無源回饋關斷緩沖電路(圖4): 圖中Co 為轉移電容, Dc 為回饋二極管,由這兩個元件將能量回饋到負載上。當管子關斷時,緩沖電容Cs 充電至電源電壓Vcc ,在管子下一次開通時,負載電流從續流二極管Df 轉移至晶體管。同時, Cs 上的電壓諧振到Co 上。 當管子再關斷時,電容Cs 再次充電,電容Co向負載放電,能量得到回饋。

圖4 無源回饋關斷緩沖回路[page]
4) 無源回饋開通緩沖電路(圖5) :此電路通過變壓器將磁場貯能回饋到電源。變壓器為雙線繞制,其原邊具有一定電感;幅邊的極性與原邊相反,并且接有反向二極管。管子開通時,原邊承受全部電源電壓,副邊無通電回路。管子關斷時,副邊感應電壓極性換向,當其電壓高于電源電壓Vcc 時, 向電源饋送能量。

圖5 無源回饋開通緩沖回路
5) 復合緩沖電路: 將開通緩沖電路與關斷緩沖電路結合在一起, 則形成復合緩沖電路, 在晶體管開通和關斷時復合緩沖電路均有保護作用。這種電路也分為耗能式和饋能式兩類。
a. 耗能式復合緩沖電路(圖6) : 在管子開通時, 緩沖電容經Cs 、Rs 、Ls 回路放電, 減少了管子承受的電流上升率。此外,在管子開通時,電感Ls 還可限制續流二極管Df 的反向恢復電流。

圖6 耗能式復合緩沖回路[page]
b. 饋能式復合緩沖電路(圖7) : 當晶體管關斷時, 電容Co和電感Ls 并聯運行,將貯存的能量饋送到負載。當電容Co 放電時,電感Ls 上的電壓逐漸減小為0 ,在這段時間內負載電流經續流二極管Df 導通。

圖7 饋能式復合緩沖回路
上述各種緩沖電路不外乎分為兩大類型, 即耗能式和饋能式。耗能式線路簡單但相對耗能較高,適合于較小功率電源使用。饋能式線路復雜, 但在大功率電源中, 如果將緩沖電路所耗散的能量以熱的形式散發, 勢必造成很大麻煩, 因此, 要采用饋能式緩沖電路。
4 其它保護措施
傳統上我們在開關電源輸入單元的設計中, 在整流橋和濾波電容之間加入一個線繞電阻或負溫系數的熱敏電阻R , 用以抑制開啟瞬間的浪涌電流, 同時它在某種程度上延緩了濾波電容兩端電壓的上升速度(如圖8 示) .設計中要在電壓達一定值時就使脈寬調制IC 工作, 再配合IC 上所設的軟啟電路, 使得功率晶體管在相對低的電壓下以相對短的導通時間開始工作, 并逐步達到穩定狀態。設計好這個時序, 能很好地提高電源的可靠性。圖中的可控硅SCR 一般用在較大功率電源中, 其控制端與功率變壓器的一個副繞組相連, 在電源正常工作后使其導通, 以減小功耗。

圖8 傳統開關電源中的輸入單元[page]
筆者在1000W半橋式開關電源的設計中, 首次用一個單向可控硅代替前端AC 輸入整流橋的一個橋臂, 其控制端由主變壓器的一個副繞組來控制(如圖9 所示) .這樣, 在電源接通的初始態, 該整流橋處于半波整流態。待電源啟動后, 可控硅導通, 整流橋轉為全波整流。由此可達到降低啟動電壓的目的。同時, 還可有效地抑止浪涌電流。實踐證明, 該電路簡單可靠很值得大家借鑒。

圖9 實用軟啟動電路
結束語
有效地避免主開關管的二次擊穿是提高開關電源可靠性的關鍵, 也是值得研究的一個課題。當前, 開關電源正朝著高頻化、大功率化的方向發展, 上面所討論的問題會顯得更為突出。應引起足夠的重視。






