中心議題:
- LED區域照明應用要求
- LED區域照明電源架構
- 典型大功率LED區域照明驅動方案
- NUD4700分流器件增強LED串的可靠性
解決方案:
- 分布式/模塊化方案
- 整體式/單段式方案
- 高能效LLC拓撲結構驅動電源
相關閱讀:
【class1】:LED照明驅動方案選型
http://www.szzhuce.cn/art/artinfo/id/80012637?source=lecture
LED越來越多地開始被用于大功率區域照明,如高頂燈、停車庫照明、洗墻燈、街燈、隧道照明等。隨著LED照明技術的不斷演進,應用于大功率LED區域照明應用的驅動方案需要不斷更新、改進,使LED控制達到新高度,實現智能控制,增強節能和延長LED工作壽命。本期大講臺將在介紹LED區域照明應用的要求及LED區域照明電源架構的基礎之上,重點介紹安森美半導體在大功率LED區域照明方面的一些典型驅動方案,以幫助工程師進行大功率LED區域照明設計。
LED區域照明應用要求
LED驅動器的主要功能就是在多種條件下限流,并保護LED免受浪涌及其它故障條件影響,以及提供某種等級的安全性,避免(電氣和/或機械方式的)震動及著火,可能需要“智能”控制光輸出等級,來配合遠程控制、監控及保護 。對于區域照明應用而言,室外環境會給LED驅動器帶來溫度挑戰,且可能需要承受277 Vac、347 Vac或者甚至480 Vac等比標準電壓更高的交流輸入電壓。
區域照明應用的LED驅動器可能還需要符合某些有關功率因數或諧波含量的規范標準。如歐盟的國際電工聯盟(IEC)的IEC61000-3-2標準對功率超過25 W的照明設備(C類)的諧波含量提出了要求,相當于總諧波失真(THD)低于35%;但符合IEC61000-3-2 C類諧波含量要求并不必然表示功率因數(PF)高于0.9。而某些市場(如美國)通常要求PF高于0.9及THD低于20%。
很多區域照明應用都在室外,可能會經受各種嚴格溫度條件,從而使總體使用壽命受到影響。而總體系統設計對使用壽命有重要影響,故使用內部發熱較少、損耗更低的高能效LED驅動器非常重要,而且在設計中要對驅動器與LED熱源進行熱隔離,從而增強系統可靠性。
區域照明驅動器示例如圖1所示。

圖1 區域照明驅動器示例
LED區域照明電源架構
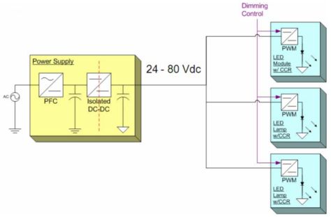
LED區域照明電源需要很多顆1 W LED來產生所要求的流明輸出(40到超過100顆),要可以調節設計以用于多種不同的光等級,此外,街燈要求特殊的光分布,對光電器件有要求。大功率LED區域照明應用中,一種常見的電源架構是“功率因數校正(PFC)+恒壓(CV)+恒流(CC)”的三段式架構。這種架構中,交流輸入電源經過功率因數校正和隔離型直流-直流(DC-DC)轉換后,輸出24至80 Vdc的固定電壓,提供給后面內置DC-DC降壓轉換電路的恒流LED模塊(見圖2)。這種架構的設計提供了能夠現場升級的模塊化途徑,可根據實際需求,靈活改變LED光條數量,從而增加或減小光輸出,滿足具體區域照明應用要求。

圖2 典型的模塊化LED區域照明電源架構示意圖[page]
典型大功率LED區域照明驅動方案
1)適合線性燈、線槽燈等應用的分布式/模塊化方案
在“功率因數校正(PFC)+恒壓(CV)+恒流(CC)”的三段式架構下,交流-直流(AC-DC)轉換與LED驅動電路并未集成在一起,而是采用分布式配置,既簡化安全考慮又增強系統靈活性,也稱作分布式方案,典型應用包括線性燈及線槽燈等。
在模塊化途徑下,一項設計能夠擴展用于多種光輸出等級。而且隨著LED光輸出性能增強,LED模塊要提供相同光輸出等級,所需采用的燈條就更好。而每個燈條都設有一個專用的DC-DC LED驅動器,如可以采用安森美半導體的CAT4201高能效降壓LED驅動器。CAT4201專門優化用于驅動大電流LED,采用具有專利的開關控制算法,提供高能效及精確的LED穩流(可達350 mA)。CAT4201的工作簡化框圖如圖3所示。

圖3 CAT4201工作簡化框圖
CAT4201可采用最高36 V的電源電壓供電,并兼容于12 V和24 V標準照明系統。圖4顯示的是CAT4201的高壓LED驅動器配置,外圍的N溝道MOSFET支持高壓輸入:100 V輸入電壓時LED功率達30 W;50 V輸入時LED功率達13 W。

圖4 CAT4201高壓LED驅動器配置
典型高壓降壓LED驅動器性能如圖5所示,從圖中可以看出當Vf/Vin大于0.8時,CAT4201可以提供93%至95%范圍的能效。

圖5 典型高壓降壓LED驅動器性能[page]
2) 適合洗墻燈、外墻燈等應用的整體式/單段式方案
區域照明應用除了采用分布式/模塊化方案之外,還可采用整體式/單段式方案。例如可以采用安森美半導體的NCL30001功率因數校正TRIAC可調光LED驅動器。
NCL30001是一種單段拓撲結構LED驅動方案,其靈活的特性非常適合應用于新的LED照明產品,其他規格特性還包括高壓啟動電路、電壓前饋以改善環路響應、輸入欠壓檢測、內部過載定時器、閂鎖輸入,以及減少輸入線路諧波的高精度乘法器。這種方案采用連續導電模式(CCM)工作,集成了PFC和隔離型DC-DC轉換電路,并提供恒定電流來直接驅動LED,相當于將AC-DC轉換與LED驅動兩部分電路整合在一起,均位于照明燈具內,省去了LED光條中集成的線性或DC-DC轉換器。這種整體式方案的電源轉換段更少,減少元器件使用數量(如光學元件、LED、電子元件及印制電路板等),降低系統成本,并支持更高的LED電源總體能效。當然,這種方案的功率密度更高,可能并不適合所有區域照明應用,其光學圖案可能更適合較低功率的LED,典型應用包括LED街燈、外墻燈、洗墻燈及電冰箱箱體照明等。
NCS1002是一款帶PWM調光功能的次級端恒壓恒流(CVCC)控制器,適合LED街燈等區域照明應用,配合NCL30001控制器更可以設計出高功效、具有調光功能的LED驅動器演示板。基于NCL30001 LED驅動器和NCS1002控制器的90 W LED驅動器演示板電路如圖6所示。

圖6 基于NCL30001 LED驅動器和NCS1002控制器的90 W LED驅動器演示板電路
安森美半導體提供的這款基于NCL30001 LED驅動器和NCS1002控制器的90 W恒壓恒流演示板,可接受90至265 Vac的擴展通用輸入電壓(更換元件條件下可支持305 Vac),提供0.7 A至1.5 A的恒定電流輸出范圍及30 V至55 V的恒定輸出電壓范圍(可通過電阻分壓器來選擇),最大輸出功率90 W,支持50至1,000 Hz調光控制,并包含可連接至可選調光卡的6引腳接口,用于模擬電流調節/雙亮度等級數字調光等智能調光應用。此外,這款演示板還提供短路保護、開路保護、過溫保護、過流保護及過壓保護等豐富保護特性。測試結果表明,如表1所示,這演示板在50 W輸出功率、1,000 mA輸出電壓/48 V正向壓降條件的能效高于87%,在50%至100%負載條件下功率因數高于0.9,同時符合IEC61000-3-2 C類設備諧波含量標準。

表1 基于NCL30001和NCS1002的90 W LED驅動器演示板能效測試結果
3) 適合更大功率區域照明應用的高能效LLC拓撲結構驅動電源
近年來,業界對超高能效的LED照明拓撲結構興趣日濃,期望在更大功率的50 W至250 W LED區域照明應用中提供高能效(如高于90%)。要提供這樣高的能效,需要采用高能效的電源拓撲結構,如諧振半橋雙電感加單電容(LLC)拓撲結構,從而充分發揮零電壓開關(ZVS)的優勢。
LLC拓撲結構采用串聯類型的諧振轉換器,能在相對寬的輸入電壓和輸出負載范圍下工作。此外,由于諧振儲能元件可以部分或完全集成在主變壓器中,LLC拓撲結構只需要數量有限的元器件。再加上在所有負載條件下,LLC拓撲結構的初級開關都能工作在零電壓開關條件,次級整流器都能工作在零電流開關條件。所以,LLC拓撲結構是高性價比、高能效及優化了電磁干擾的解決方案。
[page]
在這類要求超高能效的更大功率LED區域照明應用中,可以結合采用安森美半導體的NCP1607 PFC控制器和NCP1397雙電感加單電容(LLC)半橋諧振控制器,用于功率在100到300 W范圍的高能效LED街道照明應用,如圖7所示。NCP1397是最新高性能諧振模式LLC控制器,集成了600 V高壓浮動驅動器,支持50到500 kHz的高頻工作,內置高端和低端驅動器,支持可調節及精確的最低頻率,提供極高能效,并具備多種故障保護特性。

圖7 基于NCP1607和NCP1397的街道照明高能效LED電源方案
NUD4700分流器件增強LED串可靠性
區域照明應用中通常會采用多串LED,雖然LED本身可靠性高,但若LED串中的某個LED開路,那么整串LED就可能關閉,而街道照明等應用中必須避免這種狀況,從而降低后期維護成本。為了增強LED串的可靠性,這種安森美半導體推出了NUD4700 LED電流旁路保護器。NUD4700器件是一款分流器件,當LED串中某個LED開路時,就會提供電流旁路,確保整串LED不會關閉;而且恰當處理散熱的話,還可支持大于1 A的大電流,其工作原理如圖8所示。

圖8 NUD4700工作原理
總結
本文主要介紹了安森美半導體提供的幾種典型大功率LED區域照明應用驅動方案,包括CAT4201降壓LED驅動器、NCL30001功率因數校正TRIAC可調光LED驅動器、基于NCL30001 LED驅動器和NCS1002控制器的90 W LED驅動器演示板以及NCP1607 PFC控制器及NCP1397諧振半橋LLC控制器方案,這些方案具有高效、可靠的特點,工程師在設計大功率LED照明的時候不妨拿來使用,或作為參考。




