有源濾波器的中心議題:
- 有源濾波器的原理及其結構
- 有源濾波器的拓撲結構及其應用
- 有源濾波器的發展趨勢
- 并聯型
- 串聯型
- 混合型
1 引言
隨著電力電子技術的迅猛發展和成熟,電力系統中的大型功率電子裝置日益增多,在提高工業自動化水平和效益的同時,由于是各種使用傳統相控整流技術的大容量非線性負荷,在運行過程中所產生的高諧波和低功率因數的運行狀態,嚴重危害著電力系統的安全和電網供電質量。
傳統的諧波抑制和無功補償的方法是將電力無源濾波器與需補償的非線性負載并聯,為諧波提供一個低阻通路的同時也提供負載所需的無功功率。無源濾波器(PF)具有結構簡單,使用方便,技術成熟以及成本低等優點。同時,它的缺點也很明顯[1]: 1)它的補償特性受電網及負載影響較大,其濾波效果依賴于電網和負載的參數,濾波特性較差;2)給電網帶來一定隱患,可能發生電網與濾波器間的串、并聯諧振;3)只能補償固定的無功功率,對變化的無功功率不能進行精確的補償,不能對諧波和無功實現動態補償;4)所需儲能元件的體積大。有源濾波器(APF, AcTIve POWER Filter)則有效的解決了無源濾波器的缺點。有源濾波器的補償特性受電網及負載影響很小,不但避免了與電網發生串、并聯諧振的危險,同時還可抑制串并聯諧振的發生;實現了動態補償,可以對頻率和大小都變化的諧波以及變化的無功功率進行迅速的動態跟蹤補償;可以同時對諧波和無功進行補償,且補償無功的大小可做到連續調節,既可對一個諧波和無功源單獨補償,也可對多個諧波和無功源進行綜合補償;有源濾波器補償無功功率時不需儲能元件,補償諧波時所需儲能元件容量不大。
本文在介紹有源濾波器的基本原理和結構特點的基礎上,介紹了有源濾波器拓撲結構的發展現狀及其運用,最后展望了有源濾波器的發展前景。
2 有源濾波器的原理及其結構
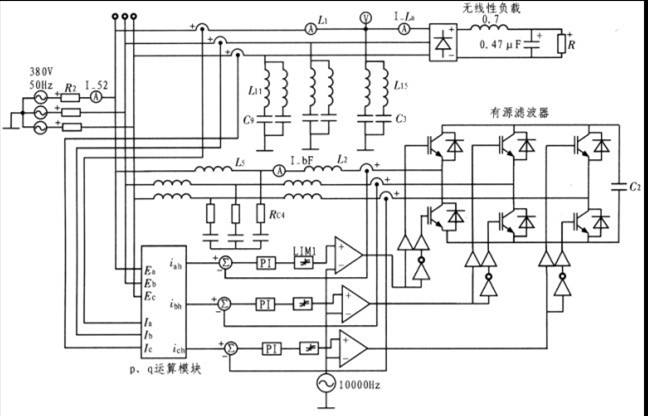
有源濾波器是由一組開關器件和無源儲能元件如電感和電容組成,其系統主要由指令電流運算電路和補償電流發生電路兩大部分組成。有源濾波器結構如圖1。設負載電流 的高次諧波含量為 。它的基本工作原理是:檢測補償對象的電流(或電壓),經過指令運算電路得到補償電流的指令信號。該信號經控制器由補償電流發生電路獲得,補償電流 與負載中的諧波電流 抵消,使電網的電流恢復為純正弦波形;同時,有源濾波器發出基波無功電流,進行無功補償。

圖1 有源濾波器的結構
[page]
3 有源濾波器的拓撲結構及其應用
根據電力有源濾波器接入電網的方式,可將其系統構成分為三大類,即并聯型[2-4],串聯型[5,6]和混合型。
3.1 并聯型有源濾波器
一般情況下,并聯型有源濾波器有三種使用方式,單獨使用方式、與PF混合使用方式以及注入電流方式。
3.1.1 并聯APF單獨使用方式
圖2為單獨使用方式的并聯型有源濾波系統的構成拓撲。它是有源濾波器中最基本的形式,它可產生與負載諧波大小相等,方向相反的補償電流,從而將電源側電流補償為正弦波。并聯型有源濾波器主要用于感性電流源型負載的補償,它也是工業上已投入運行最多的一種方案,但由于電源電壓直接加在逆變橋上,因此對開關元件的電壓等級要求高;負載諧波電流含量高時要求這種APF的容量必須很大,同時具備大的補償容量和寬的補償頻帶比較困難。

圖2 單獨使用的并聯APF
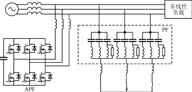
3.1.2 與PF混合使用方式
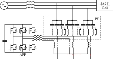
為克服單獨使用時面臨的缺點,并聯型APF常常與PF混合使用。就與PF混合使用的形式來說又可分為兩種:一種是有源電力濾波器與無源濾波器并聯;另一種是有源電力濾波器與無源濾波器串聯。圖3(a)是并聯型APF與PF并聯的結構圖。APF與PF并聯接入電網,共同承擔補償諧波的任務。PF主要補償較高次的諧波,是一個高通濾波器,它一方面用于消除補償電流中因主電路中器件通斷而引起的諧波,另一方面它可濾除補償對象中次數較高的諧波,從而可降低對APF主電路中器件開關頻率的要求。圖3(b)為并聯型APF與PF串聯使用的結構圖,該方式中,APF的用于改善PF的濾波特性,克服PF易受電網阻抗影響和易與電網阻抗發生諧振缺點。而諧波和無功主要由PF補償,而這種方式中,APF不承受交流電源的基波電壓,因此裝置容量比較小。并聯混合型有源電力濾波器具有安裝、維護簡單的優點, 可以直接在已有的無源濾波器上進行改造, 因此并聯混合型電力有源濾波器的使用最為廣泛。

圖3(a)是并聯型APF與PF并聯的結構圖

圖3(b)為并聯型APF與PF串聯使用的結構圖
3.1.3 注入電路方式
注入電路方式又可分為與LC串聯諧振注入電路方式和與LC并聯諧振注入電路方式兩種。這種方式可降低APF的容量,它是用電感和電容構成注入回路,利用電感電容電路的諧振特性,使得APF只需承受很小部分的基波電壓,從而使APF 容量減小。
3.2 串聯型有源濾波器
串聯型APF的包括單獨使用方式和與無源濾波器混合使用方式兩種。串聯型APF的結構圖如圖4。這種裝置相當于一個電壓控制電壓源,通過對電源電壓中的諧波分量的檢測,產生與之相反的附加電壓信號,從而實現系統與諧波的隔離,使電源端電壓恢復正弦波形。這種方式的特點是有源濾波器作為電壓源串聯在電源和基波源之間,它主要用于消除帶電容二極管整流電路等,電壓型諧波源負載對系統的影響,以及系統側電壓諧波與電壓波動對敏感負載的影響。
與并聯型APF相比,由于串聯型APF中流過的是正常負荷電流,因此損耗較大;此外,串聯型APF的投切,故障后的退出及各種保護也較并聯APF復雜。因此,目前應用較多的是串聯型APF與PF混合使用方式。圖5為這種方式的典型系統結構。該方案的特點是諧波基本由PF補償,而APF作用只是改善PF的濾波特性。
[page]
3.3 混合型有源濾波器
混合型是指串聯APF和并聯APF的混合使用。如圖6,串聯的APFI將電源與負載隔離,阻止電源諧波電壓傳入負載端,同時也阻止了負載中的諧波電流污染電網;并聯的APFII則提供了一個低阻抗的諧波電流支路,用于吸收負載中的諧波電流,阻止負載中的諧波電流在電源端產生額外的諧波電壓。
這種混合型APF結合了串聯型APF和并聯型APF的優點,又稱為統一電能質量調節器(UPQC)。混合型APF結構的主要缺點是控制方法復雜,成本較高。
4 有源濾波器的發展趨勢
有源濾波器是改善供電質量,凈化電網污染的一種有效裝置,自從七十年代提出以來,有源濾波技術得到了長足的發展,越來越多的APF投入了運行,無論從現實功能還是運行功率上都有明顯進步。目前,APF已經運用在提高電能質量,解決三相電力系統中終端電壓調節,電壓波動抑制,電壓平衡改善以及諧波消除和無功補償等問題上。從近年來的研究和應用[1-8]可以看出,有源濾波器的發展前景如下:
1)隨著新型能源的發展,有源濾波器的運用范圍得到極大擴展。特別是新型能源發電后并入電網時,有源濾波器可減少其對電網產生危害,如文獻[8]介紹了一種可運用于太陽能發電的有源濾波器。
2)從成本和效率,以及擴大容量來說,APF與PF混合使用的有源濾波器系統將得到更加廣泛得運用。
3)有源濾波器裝置的多功能化也是其發展的一個方向。APF在消除高次諧波的同時,提高電力系統的穩定性,抑制閃變和補償無功。這樣既符合電力系統發展的需要,又從功能上降低了裝置得成本。
5 結束語
本文在介紹有源濾波器的工作原理的基礎上,分析了各種有源濾波器的結構特點,總結了有源濾波器的發展現狀,展望了有源濾波器的發展趨勢。
隨著我國電力事業的發展,電能質量的要求將不斷提高,利用有源濾波進行電能質量治理有著巨大的市場潛力。特別在補償諧波、無功功率、中線電流、不平衡電流等方面,有源濾波技術必將擁有更加廣闊的前景。






