- 優化高電壓IGBT
- 高側晶體管利用超高速溝道IGBT
- IGBT提供方形反向偏壓工作區
要為這些應用以高效率生產所需的交流輸出電壓和電流,太陽能逆變器就需要控制、驅動器和輸出功率器件的正確組合。要達到這個目標,在這里展示了一個針對500W功率輸出進行優化,并且擁有120V及60Hz頻率的單相正弦波的直流到交流逆變器設計。在這個設計中,有一個DC/DC電壓轉換器連接到光伏電池板,為這個功率轉換器提供200V直流輸入。不過在這里沒有提供太陽能電池板的詳細資料,因為那方面不是我們討論的重點。
現在,市場上有不同的高級功率開關,例如金屬氧化物半導體FET(MOSFET),雙極型三極管(BJT),以及絕綠柵雙極晶體管(IGBT)來轉換功率。然而,這個應用要達到最高的轉換效率和性能要求,就要選擇正確的功率晶體管。
多年來的調查和分析顯示,IGBT比其他功率晶體管有更多優點,當中包括更高電流能力,利用電壓而非電流來進行柵極控制,以及能夠與一個超快速恢復二極管協同封裝來加快關斷速度。此外,工藝技術及器件結構的精細改進也使IGBT的開關性能得到相當的改善。其他優點還包括更好的通態性能,以及擁有高度耐用性和寬安全工作區。在考慮這些質量之后,這種功率逆變器設計就會選用高電壓IGBT,作為功率開關的必然之選。
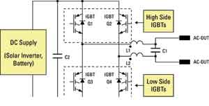
因為這個設計所實施的逆變器拓撲屬于全橋,所以有關的太陽能逆變器采用了4個高電壓IGBT,如圖1所示。在這個電路中,Q1和Q2晶體管被指定為高側IGBT,而Q3和Q4則為低側功率器件。為了要保持總功率耗損處于低水平,但功率轉換則擁有高效率,設計師要在這個DC/AC逆變器解決方案正確應用低側和高側IGBT組合。

圖1采用4個IGBT的逆變器設計
溝道和平面IGBT
為了要同時把諧波和功率損耗降到最低,逆變器的高側IGBT利用了脈寬調制(PWM),同時低側功率器件就用60Hz進行變化。通過把PWM頻率定在20kHz或以上操作,高側IGBT有50/60Hz調制,輸出電感器L1和L2便可以保持實際可行的較少尺寸,提供有效的諧波濾波。再者,逆變器的可聽聲也可以降到最低,因為開關頻率已經高于人類的聽覺范圍。
我們研究過采用不同IGBT組合的各種開關技術后,認定能夠實現最低功率耗損和最高逆變器性能的最好組合,是高側晶體管利用超高速溝道IGBT,而低側部分就采用標準速度的平面器件。與快速和標準速度平面器件比較,開關頻率在20kHz的超高速溝道IGBT提供最低的總通態和開關功率損耗組合。高側晶體管的開關頻率為20kHz的另外一個優點,是輸出電感器有合理的小尺寸,同時也容易進行濾波。在低側方面,我們把標準速度平面IGBT的開關頻率定在60Hz,使功率損耗可以保持在最低的水平。
當我們細看高電壓(600V)超高速溝道IGBT的開關性能,便會知道這些器件為20kHz的開關頻率進行了優化。這使設計在相關的頻率下能夠保持最少的開關損耗,包括集電極到發射極的飽和電壓Vce(on)及總開關能量ETS。結果,總通態和開關功率損耗便可以維持在最低的水平。根據這一點,我們選擇了超高速溝道IGBT,例如,IRGB4062DPBF作為高側功率器件。這種超高速構道IGBT與一個超高速軟恢復二極管采用協同封裝,進一步確保低開關耗損。
此外,這些IGBT不用要求短路額定值,因為當逆變器的輸出出現短路時,輸出電感器L1和L2會限制電流di/dt,從而給予控制器足夠的時間做出適當的回應。還有,與同樣尺寸的非短路額定IGBT比較,短路額定IGBT提供更高的Vce(on)和ETS。由于擁有更高的Vce(on)和ETS,短路額定IGBT會帶來更高的功率損耗,使功率逆變器的效率降低。
再者,超高速溝道IGBT也提供方形反向偏壓工作區、最高175℃結溫,還可承受4倍的額定電流。為了要顯示它們的耐用性,這些功率器件也經過100%鉗位電感負載測試。
與高側不同,通態耗損支配了低側IGBT。因為低側晶體管的工作頻率只有60Hz,開關損耗對這些器件來說微不足道。標準速度平面IGBT是特別為低頻率和較低通態耗損而設計。所以,隨著低側器件于60Hz進行開關,這些IGBT要通過采用標準速度平面IGBT來達到的最低功率耗損水平。因為這些器件的開關損耗非常少,標準速度平面IGBT的總耗散并沒有受到其開關耗損所影響。
基于這些考慮,標準速度IGBTIRG4BC20SD因此成為低功率器件的最好選擇。一個第四代IGBT與超高速軟恢復反向并聯二極管協同封裝,并且為最低飽和電壓和低工作頻率(<1kHz)進行優化。在10A下的典型Vce(on)為1.4V。針對低正向降壓及反向漏電流,跨越低側IGBT的協同封裝二極管已經優化了,以在續流和反向恢復期間把損耗降到最低。




