中心議題:
- 安森美對LED通用照明電源面臨的挑戰提出相關解決方案
解決方案:
- LED通用照明系統面臨的要求及挑戰
- 通用照明電源轉換及LED驅動示例
- 保護通用照明應用中的LED
通用照明市場常用的光源包括白熾燈、緊湊型熒光燈(CFL)、線性熒光燈、高強度氣體放電燈(HID)以及新興的高亮度發光二極管(HB LED)等。隨著人們綠色環保意識的提高,通用照明市場也成為業界致力提高能效的重要目標。
就能效(總輸出流明與輸入功率比,lm/W)而言,不同的通用照明光源中,白熾燈的能效相對較低,標準60 W白熾燈能效范圍介于10至13 lm/W之間(總輸出為600至800 lm),而CFL的典型能效達55至60 lm/W(由于光損耗,55 lm/W的CFL燈具的凈能效僅在28至50 lm/W之間)。其它的光源,如金屬鹵素HID燈能效約在80 lm/W,但在燈光投射路徑上會有大量的損耗。

圖1:通用照明光源的發展趨勢
相比較而言,LED擁有著越來越高的能效,業界近期宣稱的最強的白光LED研發能力達到了132至136 lm/W,色溫達(4,500-6,000K)。實際上,LED的低壓、小體積、定向光、固態器件、長工作壽命等優勢,對于通用照明特別具有吸引力。
LED通用照明系統面臨的要求及挑戰
對于LED在通用照明中的應用,需要從系統的角度來分析其要求。總的來看,LED通用照明系統涉及到LED光源(緊湊高效,提供寬廣范圍的色彩和輸出功率)、電源轉換(將交流墻式插座、電池、太陽能電池的電源高效地轉換至安全的低壓直流電源)、控制和驅動(采用電子電路對LED進行穩壓和控制)、熱管理(結點溫度控制非常重要,需要分析散熱,從而實現更長的工作壽命)及光學器件等。
要開發高能效的LED通用照明解決方案,這幾方面的要求都非常重要。其中,本文主要討論LED的控制和驅動,同時也會在下文的太陽能供電街燈照明示例中結合討論高效的電源轉換問題。
對于LED驅動而言,它面臨的主要挑戰就在于LED的非線性。這主要體現在LED的正向電壓會隨著電流和溫度而變化,不同LED器件的正向電壓會有差異,LED“色點”會隨著電流和溫度而漂移,而且LED必須在規范要求的范圍內工作從而實現可靠工作。而LED驅動器的主要作用,就是在工作條件范圍內限制電流,而無論輸入條件和正向電壓如何變化。
對于LED驅動電路而言,除了進行恒流穩流,還面臨著其它一些關鍵要求。例如,如果需要LED調光,通常采用的是脈寬調制(PWM)調光技術;而用于LED調光的典型PWM頻率是1至3 kHz。此外,LED驅動電路的功率處理能力必須充足,且功能強固,可以承受多種故障條件,并且要易于實現。
通用照明電源轉換及LED驅動示例
根據具體應用的不同,LED可能會采用不同的電源來供電,如交流線路、太陽能板、12 V汽車電池、直流電源或低壓交流系統,甚至是基于堿和鎳的電池或鋰離子電池等。
1) 采用寬輸入范圍的直流-直流(DC-DC)電源為LED供電
許多高亮度LED應用工作在高至40 VDC范圍的電源,如活動式照明、景觀和道路照明、汽車和交通照明、太陽能供電照明,以及陳列柜照明等。
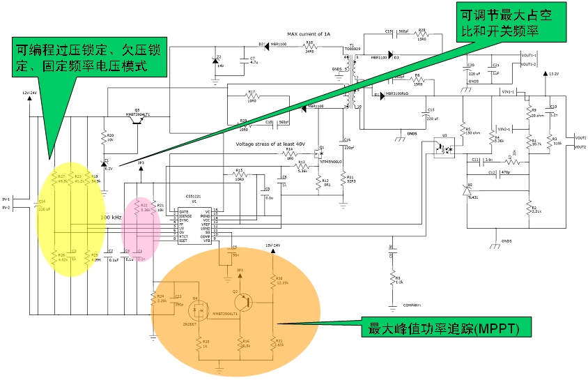
以太陽能電池板供電為例,提高太陽能電池板的光電轉換能效(目前僅為約30%)非常重要。太陽能電池板的電壓-電流(V-I)特性曲線呈現非線性和可變性,要從中析取最大量的電能非常困難。這需要太陽能LED街燈的充電控制器及其它相關電子電路(一般采用微控制器來實現)盡可能地提高能效,從而發揮最大優勢。

圖2:安森美半導體CS51221控制器的太陽能板充電控制應用示意圖
最新支持最大峰值功率追蹤(MPPT)功能的控制器能對太陽能電池不斷變化的V/I特性曲線提供補償,優化太陽能電池的功率輸出,提高能效,并使蓄電池充電至優化電量。具體而言,當我們實際上無法改變負載時,MPPT功能使太陽能電池“認為”負載正在發生變化;通過這種方式,MPPT“欺騙”太陽能板輸出不同電壓和電流,從而允許更多電能輸入至蓄電池。
安森美半導體針對太陽能板電池充電控制應用,推出CS51221增強型電壓模式PWM控制器(見圖2),支持最大峰值功率追蹤,輸入電壓為12至24 V,輸出為12V @ 2A,并提供可調節逐脈沖限流、輸入欠壓鎖定和輸出過壓鎖定等保護特性。這控制器提供輔助輸入端,用于遠程傳輸和監控;能夠適應功率高至90 W的太陽能板應用。
而在后續的LED驅動方面,可以選用安森美半導體的NCP3066驅動方案。。NCP3066是一款高亮度LED恒流降壓穩壓器,帶專用“啟用”引腳用于實現低待機能耗,具有平均電流感測功能(電流精度與LED正向電壓無關),提供0.2 V電壓參考,適合小尺寸/低成本感測電阻。這器件不需要環路補償,易于設計。需要指出的是,NCP3066也可用作控制器,如可采用100 V外部N溝道FET來進行升壓。這器件支持4至30 W功率的不同應用,且提供不同MOSFET選擇。
除了太陽能供電街道照明應用外,在針對新興的高亮度、高視覺沖擊力LED建筑物照明的RGB LED像素控制應用中,還可以采用安森美半導體的三通道線性恒流LED驅動器CAT4103。CAT4103為高端、多色彩、“智能”LED建筑物照明應用而設計。它具有高速串行接口,能夠支持達25 MHz的數據率,提供完全緩沖的數據輸出,確保在分布式(長距離)、菊花鏈型照明系統中維持最高的數據完整性。
CAT4103支持每通道達175 mA的寬廣范圍LED恒流驅動,電流為60 mA時壓降電平至0.3 V ,確保在驅動長串LED時提供最高性能。這種驅動器每通道支持25 V的電壓電平,能夠以超過10瓦(W)的高亮度功率電平支持RGB像素。

圖3:安森美半導體CAT4103三通道線性恒流LED驅動器應用示意圖[page]
2) 采用交流離線電源為LED供電
在采用交流離線電源為LED供電的應用中,涉及到眾多不同的應用場合,如電子鎮流器、熒光燈替代、交通信號燈、LED燈泡、街道和停車照明、建筑物照明、障礙燈和標志等。在這些從交流主電源驅動大功率LED的應用中,有兩種常見的電源轉換技術,即在需要電流隔離(galvanic isolation)時使用反激轉換器,或在不需要隔離時使用較為簡單的降壓拓撲結構。
在反激轉換器方面,根據輸出功率的不同,可以采用安森美半導體的不同反激轉換器。例如,安森美半導體的NCP1013適合于功率高達5 W(電流為350 mA、700 mA或1 A)的緊湊型設計應用,NCP1014/1028可以提供高達8 W的連續輸出功率,而NCP1351則適合于大于15 W的較大功率通用應用。
以NCP1014/1028為例,這是安森美半導體推出的離線式PWM開關穩壓器,具有集成的700 V高壓MOSFET,均采用350 mA/22 Vdc變壓器設計及700 mA/17 Vdc配置,輸入電壓范圍為90至265 Vac,具有輸出開路電壓鉗位、采用頻率抖動減少電磁干擾(EMI)信號以及內置熱關閉保護等特性,適合于LED鎮流器、建筑物照明、顯示器背光、標志和通道照明及作業燈等應用。

圖4:原50 W鹵素臺燈、所用變壓器及改造后所用的LED及驅動電路板。
為了展現LED的替代優勢,安森美半導體近期對一款從市場上所購得的50 W鹵素臺燈進行了改進(見圖4),它改用LED燈并采用安森美半導體的NCP1014開關穩壓器再輔以適當的散熱設計后,光輸出更高,但能耗僅為原臺燈的1/9。實際上,安森美半導體改進的這臺燈的總能耗甚至比基于變壓器的原鹵素臺燈的電能損耗更低(有關這轉換設計的詳情,請下載白皮書鹵素臺燈改造成LED臺燈的過程(TND358) )。
值得一提的是,在照明應用中,如果輸出功率要求高于25 W,LED驅動器則面臨著功率因數校正(PFC)的問題。在這類可能需要采用PFC控制器的應用中,傳統的解決方案是PFC控制器+PWM控制器的兩段式方案。這種方案支持模塊化,且認證簡單,但在總體能效方面會有折衷,如假設交流-直流(AC-DC)段的能效為87%至90%,直流-直流(DC-DC)段能效為85%至90%,則總能效僅為74%至81%。隨著LED技術的持續改進,這種架構預計將轉化為更加優化、更高能效的方案。根據要求的不同,有多種可供選擇的方案,如:PFC+非隔離降壓、PFC+非隔離反激或半橋LLC、NCP1651/NCP1652單段式PFC方案。
保護通用照明應用中的LED
如前所述,LED是一種使用壽命極長的光源(可長達5萬小時)。除了需要針對具體的LED應用選擇適合的LED驅動解決方案,還需要為LED提供適當的保護,因為偶爾LED也會失效。其原因多種多樣,可能是因為LED早期失效,也可能是因為局部的組裝缺陷或是因瞬態現象導致失效。必須對這些可能的失效提供預防措施,特別是因為某些應用屬于關鍵應用(故障停機成本高),或是安全攸關的應用(如頭燈、燈塔、橋梁、飛行器、飛機跑道等),或是在地理上難于接近的應用(維護困難)等。在這方面,可以采用安森美半導體的NUD4700 LED分流保護解決方案。圖5是這種分流保護解決方案的應用及原理示意圖。
在LED正常工作時,泄漏電流僅為近100 μA;而在遭遇瞬態或浪涌條件時,LED就會開路,這時NUD4700分流保護器所在的分流通道激活,所帶來的壓降僅為1.0 V,將帶給電路的影響盡可能地減小。這器件采用節省空間的小型封裝,設計用于1 W LED(額定電流為350 mA@ 3 V),如果散熱處理恰當,也支持大于1 A電流的操作。

圖5:安森美半導體NUD4700 LED開路分流保護器的應用示意圖





