中心議題:
- 安森美全高清液晶電視電源管理解決方案介紹
解決方案:
- 大尺寸的液晶電視會引領未來的全高清市場,同時大尺寸液晶電視對高效率的電源方案提出要求
- 直接采用200V/400V作為逆變器輸入電壓,省去24 V轉換段,提升能效,減少發熱,降低總成本
- 采用兩顆相對較小的NCP1601芯片,用交錯式架構來來實現PFC,支持低至10 mm的極纖薄設計
全高清(Full HD)電視已開始贏得消費者的青睞。目前,24或26英寸以上尺寸的液晶電視已可以支持全高清,而從實用角度來看,只有達到37英寸以上的全高清電視才能帶給消費者更佳的顯示效果和觀賞體驗。因此,更大尺寸的液晶電視會引領未來的全高清市場。
然而,對更佳視覺效果的追求也帶來了大大超過以往的功耗挑戰。較高的功率消耗不僅會增加消費者的電費開支,而且不配合各國節能降耗的宏觀推動。各國政府都出臺了各種綠色能效指令,如美國“能源之星”3.0版電視規范、功率因數校正(PFC)規范等;消費者也越來越關注小尺寸、多功能、節能省電等問題。在能效規范和環保意識的推動下,電源設計也在不斷推陳出新。本文針對未來將占據全高清電視最大市場份額的較大尺寸液晶電視,探討有關的電源方案。
傳統電源方案的弊端
傳統液晶電視電源主要由交流-直流(AC-DC)轉換、直流-直流(DC-DC)轉換及高壓逆變器幾部分組成。AC-DC和DC-DC在同一塊電路板上,逆變器在另一塊電路板上,通常與液晶面板在一起。其中,AC-DC電源部分將市電110 Vac/220 Vac電壓進行整流、PFC和濾波,再轉換為200 V/400 V的直流高壓。由于傳統逆變器的輸入電壓要求為24 V,所以200 V/400 V 的PFC的輸出電壓要經過降壓轉換,以產生多路輸出電壓,其中一路24 V電壓提供給逆變器,即再經過直流-交流(DC-AC)轉換為超過1,000 V甚至達2,000 V的高壓,以便驅動液晶面板的CCFL背光燈。這種標準24 V逆變器液晶電視開關電源的功能框圖如圖1所示。

圖1:采用標準直流24 V逆變器的傳統液晶電視開關電源框圖。
取代傳統電源方案的LIPS解決方案
目前,上述傳統電源仍然占市場上的液晶電視電源的大多數。為了符合各種能效規范,降低較大尺寸液晶電視的電能消耗,降低系統成本及減小解決方案尺寸,使之更受消費者青睞,可以通過多種途徑設計液晶電視電源。
針對26英寸及以上尺寸的液晶電視,近年來出現了一種新的逆變器概念——高壓液晶顯示集成電源(LCD Integrated Power Supply,縮寫為LIPS)。與采用位于獨立電路板上逆變器的傳統電源不同,這種LIPS解決方案將AC-DC、DC-DC和逆變器整合在同一塊電路板上,在經過對市電的整流、PFC和濾波并獲得200 V/400 V直流電壓后,將直接采用200 V/400 V作為逆變器的輸入電壓,通過DC-AC升壓轉換為液晶面板所需的1,000 V以上,甚至高達2,000 V的電壓。這樣就省去了24 V轉換段,減少了先降壓至24 V再大幅升壓背光源用一兩千伏高壓過程中的大量功率損耗,從而提升了系統能效,減少底盤發熱量,并降低了總成本。

圖2:安森美半導體針對32英寸液晶電視的全橋高壓LIPS解決方案功能框圖。
在這方面,安森美半導體與Microsemi公司充分發揮各自專長合作開發了適合多種功率等級的高壓LIPS整套解決方案。針對32英寸液晶電視的LIPS解決方案如圖2所示。在系統主板電源方面,這個解決方案采用了安森美半導體的NCP1606 PFC控制器,以及作為輔助開關電源的NCP1351 PWM控制器;在LIPS逆變器部分,采用了Microsemi使用軟開關技術的LX6503移相全橋驅動器,它可以在固定工作頻率進行零電壓開關(ZVS)。與半橋架構相比,這種全橋逆變器解決方案具有顯著優勢,如減少電磁干擾(EMI)和功率損耗,同時改善背光燈的驅動電流波形,無需在橋上使用額外的功率二極管。這個全橋結構所采用的4個MOSFET和變壓器中的電流規格是半橋結構的一半,這樣就可以通過隔離變壓器直接驅動功率MOSFET,更易于實現初級端過流保護(OCP)等功能。
為了更好應對市場對更大尺寸LIPS液晶電視的需求,安森美半導體計劃于2009年推出下一代46英寸的參考設計,在LIPS逆變器部分將采用與32英寸方案相同的全橋逆變器和背光控制器LX6503,但會大幅提高輸出功率,以驅動更多的CCFL燈。而在系統主板電源方面,可以根據具體設計要求來靈活選擇安森美半導體的解決方案,如NCP1601、NCP1606或NCP1631等PFC控制器,以及NCP1351或NCP1379等PWM控制器。這個新方案采用帶繼電器的專用待機開關電源,支持低至150 mW的超低待機能耗,而電路板上的元件高度則低于16 mm(系統總度度低于20 mm),支持更纖薄液晶電視設計。
此外,針對北美、中國及歐盟等不同區域市場電源的不同要求,安森美半導體針還可以提供符合相應規范的電源方案,以優化設計、縮小系統尺寸并降低成本。
超薄全高清電視設計的先進PFC架構
如今,液晶電視的厚度已經越來越薄,最新的趨勢是電子模塊部分的厚度接近10 mm以下。如此纖薄的厚度,給電源設計帶來了更嚴峻的挑戰,通常需要使用低高度的變壓器(這對要考慮隔離和漏電的高壓LIPS特別關鍵)或將多個部件(PFC線圈)串聯起來,并采用低高度的散熱片,對部件進行水平安裝,還要將垂直插入的所有電容的高度限制在10 mm以下。
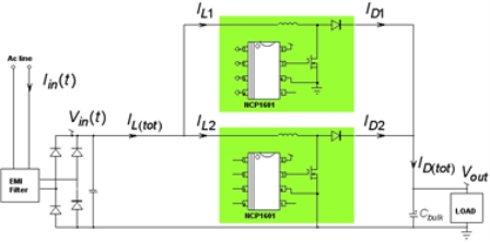
而在PFC方面,采用安森美半導體的NCP1606和NCP1654等PFC控制器,已經可以將液晶電視厚度降到較低;為了支持低至10 mm的極纖薄設計,可以采用兩顆相對較小的NCP1601芯片,用交錯式架構來來實現,如圖3所示。交錯式PFC是在原來放置單個較大PFC的地方并行放置兩個功率為一半的較小PFC。這兩個較小PFC以180°的相移交替工作,在輸入端或輸出端累加時,它們可以抵消每相電流紋波的主要部分。

圖3:用兩顆NCP1601 PFC控制器實現交錯式PFC架構的功能框圖。
安森美半導體還計劃于2009年推出新的交錯式PFC控制器NCP1631,為客戶提供更多可行的選擇。這種單芯片方案,可以替代2顆NCP1601,以同樣極低的設計高度適合10 mm厚度的極纖薄液晶電視設計。該方案還擴展了功率范圍,以有效減少電流紋波。
待機輸入能耗低于100 mW是下一波驅勢?
另一個焦點是液晶電視的待機能耗。2008年11月開始生效的“能源之星”3.0版電視規范規定的待機能耗的標準是低于1 W。盡管不是強制要求,這個標準還是具有很高的市場指導意義。
未來,液晶電視的待機能耗將會進一步下降。例如,在增加小型專用微處理器的條件下,輸出功率為50 W時能耗低于600 mW;而在采用專用待機開關電源條件下代機能耗將低于400 mW;如果采用專用待機開關電源并增加繼電器(從而在待機時斷開所有PFC和開關電源),能耗可低于200 mW。如制造商想使用更加“綠色”的技術來使產品差異化,就需要進一步改進設計,使待機能耗低于100 mW可能成為下一波的趨勢。
總結
利用液晶顯示集成電源(LIPS)替代傳統的24 V逆變器電源,以及采用新穎的交錯式架構減小PFC模塊厚度,就可以實現非常薄的全高清電視設計。這類方案可滿足今天消費者對1,080線逐行掃描(1,080p)垂直分辨率的全高清電視越來越青睞的需求。為了符合世界不同應用市場的要求,全球領先的高能效電源管理方案供應商安森美半導體提供高性能電源方案及參考設計,幫助電子產品制造商縮短全高清電視產品的開發周期,將新產品更快推向市場。




