中心議題:
- 分析和比較幾種DC/DC 電源模塊并聯均流技術
- 介紹TI公司生產的UC3907芯片內部結構和功能
- 設計基于UC3846和UC3907的帶自動均流的大功率DC/DC 變換器的控制電路
解決方案:
- 并聯電源模塊間必須采用均流措施
- DC/DC變換器主電路采用半橋式電路拓撲
- 控制芯片采用TI公司生產的電流控制型PWM集成控制芯片UC3846
- 檢測每個模塊輸出電流,精確均流
引 言
電源并聯運行是電源產品模塊化、大容量化的一個有效方法, 是電源技術的發展方向之一, 是實現組合大功率電源系統的關鍵。電源并聯擴容的基本要求為: 電源并聯后, 總電源系統的源電壓效應和負載效應要滿足所要求的技術指標; 每個電源模塊的輸出電流應相等; 有一個低帶寬的總線來連接所有的電源模塊; 具有良好的負載瞬態響應特性。
因為電源并聯在一起, 很難達到輸出電流分配均勻, 所以并聯電源模塊間必須采用均流措施。某DC/DC變換器要求: 輸入電壓為385V, 輸出電壓38V, 輸出電流為100A, 必要時多臺開關穩壓電源可以直接并聯使用, 并聯使用時的負載不均衡度小于5%。DC/DC變換器主電路采用半橋式電路拓撲,控制芯片采用TI公司生產的電流控制型PWM集成控制芯片UC3846, 在比較幾種均流控制方案的基礎上, 選擇了根據最大電流自動均流法而設計的UC3907 均流控制芯片, 實現了并聯運行時均流控制。電源模塊在并聯時, 取得較好的均流效果。
常用的并聯均流技術
a.常用的幾種并聯均流技術比較
直流模塊并聯的方案很多, 常用的均流方法有: 下垂法、主從設置法(Master-Slaves)、外部控制電路法、平均電流型自動均流法及最大電流自動均流法。下垂法雖然簡單易行, 但負載效應指標較差, 均流精度太低; 主從設置法和平均電流型自動均流法都無法實現冗余技術, 因為一旦主電源出故障, 則整個電源系統都不能正常工作, 使電源模塊系統的可靠性得不到保證; 外控法的控制特性雖好, 但需要一個附加的控制器, 并在控制器和每個單元電源之間有許多附加連線; 而最大電流自動均流法依據其特有的均流精度高、動態響應好及可以實現冗余技術等性能, 越來越受到開發人員的青睞。
b.UC3907的控制功能介紹
TI公司根據最大電流自動均流法開發出均流控制集成芯片UC3907, 該芯片通過對各個電源模塊的輸出電壓進行微調來實現均流。通過均流總線(CURRENTBUS) 電路監視每一電源模塊的輸出電流, 判斷出并聯模塊中輸出電流最大者, 標為主模塊, 調整其余模塊, 使其輸出電流與主模塊輸出電流之差在5%以內。
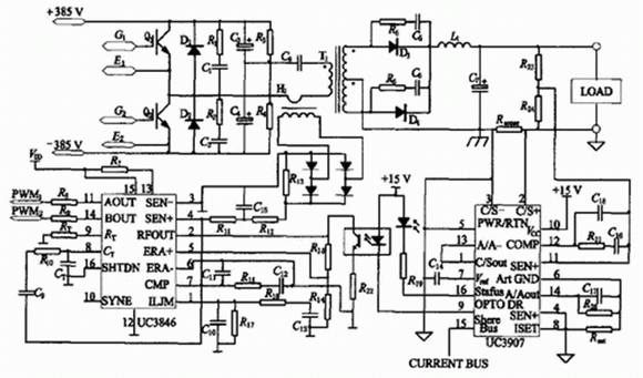
UC3907的內部結構如圖1所示。可分為電壓環與電流環(包括均流控制) 兩部分。其中電壓環由電壓放大器、接地放大器和驅動放大器構成。電流環由電流放大器、緩沖放大器、調節放大器和狀態指示構成。

圖1 UC3907內部結構
電壓環用以穩定輸出電壓, 電流環由于要抑制噪聲所以是一個較低帶寬的環路。芯片的均流部分使用了電流放大器、緩沖放大器和調節放大器。電流放大器的輸出, 代表了負載電流的模擬信號并送至單向緩沖放大器的輸入端。由于緩沖放大器只提供電流, 所以它可以保證輸出電流最高的模塊成為主模塊, 并能夠以較低的阻抗驅動均流母線, 向其它模塊傳遞信息, 而其它緩沖器在其對地負載阻抗達到10 kΩ時截止。調節放大器將模塊自身的輸出電流與均流母線的信號相比較, 發出指令調節各單個模塊的基準電壓, 以保證電流平均分配。調節放大器的反向輸入端有50mV的失調電壓, 使該單元作為一個低輸出信號的主控單元電源, 并產生一個零調節命令。而50mV的失調電壓代表均流中的誤差信號, 電流放大器通過電流檢測電阻可以使誤差減小到2.5mV, 導致所有從電源模塊分流均勻, 主模塊分擔的電流比從模塊分擔的高幾個百分點, 該失調電壓也克服了因低頻噪聲的影響而使主控單元不穩定的情況。
一種離線式均流的應用
a.主電路及驅動電路的設計
電源模塊控制電路如圖2所示。該電路采用IGBT半橋式DC/DC變換器, 高頻變壓器采用國產鐵氧體EE85B磁芯, 原邊繞組為12匝, 副邊兩個繞組均為6匝, 開關頻率為30kHz。為了防止電源在運行過程中產生偏磁, 在變壓器原方繞組回路中串入隔直電容C8。UC3846用作調制器, 其開關頻率為: fs=2. 2/(RtCt) , 電流互感器H1用以監測初級線圈中的電流。

圖2 電源模塊控制電路
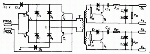
該系統主電路的開關管使用IGBT, 用脈沖變壓器作驅動。當IGBT容量較小時UC3846的11腳和14腳可以直接驅動變壓器; 當IGBT容量較大時, 可以采用圖3所示的驅動電路。該驅動電路結構簡單, 具有負壓關斷能力, 且驅動功率大。電路中, 二極管D9、D10有助于T1~T4的關斷。

圖3 IGBT 驅動電路
b.調節器的設計
整個系統由調節器、控制器、L及C濾波電路構成。控制器的傳遞函數近似為一個慣性環節, 即

式中 K ——由38 V 輸出及2.5V給定確定
T ——調節器的開關頻率確定
L 、C濾波電路及負載的傳遞函數為

其中, K1= a0= RLOAD; a1= L1; a2=RLOADC7L1。
UC3846的誤差放大器正向輸入為2.5V, 試驗時采用PI調節器, 發現輸出波形穩定性較差。若在UC3846的6腳與7腳間接一個電容C11, 輸出波形明顯改善。此時調節器的傳遞函數可表示為

其中, b = C12R 16; a4 = C11C12R 16; a3 = C11 + C12。
調節器系統結構框圖, 如圖4 所示。

圖4 調節器系統結構框圖
c.UC3907均流環節的設計
模塊之間為了精確均流, 每個模塊輸出電流必須被檢測。對檢測電阻的選擇有兩個因素: 最大功耗和最大壓降。考慮輸出電流較大, 本設計采用霍爾傳感器檢測電流。
驅動放大器將電壓放大器輸出電壓轉換成電流誤差信號并送至光電耦合器, 其計算電流為:

其中, Ve為誤差放大器的輸出。其小信號增益為:
為了保證光電耦合工作在近似線性段, 光耦原方電流應小于1mA。假設驅動放大器的輸出電壓為2.5 V, 可計算出Rset > 6.25kΩ, 實際選擇Rset = 10 kΩ , R22是一個4.7 kΩ電阻和一個10 kΩ的電位器串連, 調節該電位器, 可將輸出電壓調至38V。
UC3907的調節放大器, 將模塊自身電流與均流總線的信號相比較, 當調節放大器自身的電流小于均分總線電流, 即其為輔控時, 調節器使基準電壓升高100mV。該取值源于調節放大器的嵌位輸出與基準電壓之間的內部電阻比率17. 5∶1及基準電壓相對虛地端6腳的電壓1.75V。為了克服噪聲, 在14腳和6腳之間接一個0.22μF的電容, 如圖2中的C17。在實驗中出現狀態指示燈明暗交替變化的現象, 分析原因是當電源模塊為輔控時, 由于調節器的作用使基準電壓提高100mV, 將使其輸出電壓增大, 對應輸出電流加大。如果其開始電流與主控模塊的電流差別不大, 該模塊可能變為主控模塊, 但在下一次調節后該模塊又變為輔控模塊。如此循環下去, 造成該模塊在主控、輔控狀態交替變化, 并使輸出電壓發生波動。為了克服這種現象, 可以減小100mV基準電壓的提高, 因此在14腳和6腳之間的電容上再并上一個電阻, 如圖2中的R20。該電阻起到分壓作用, 能夠減小基準電壓的提高。如果電阻選取適當, 既能保證電源模塊并聯運行時的均流精度, 又不會使其發生主控、輔控交替現象。
實驗與結論
用兩個電源模塊作并聯實驗, 實驗數據見表1所列。由表1知, 它的負載均流精度(負載不平衡度)控制在5%以內。
直流模塊并聯方案很多, 在實際應用中較多地采用了最大電流自動均流法。UC3907以其使用方便、均流效果好等特點得到廣泛應用。實驗表明, 本文介紹的PWM控制芯片UC3846和均流控制芯片UC3907構成的離線式開關穩壓電源并聯均流系統, 具有較好的均流控制特性。





