【導讀】LED的亮度與通過LED的電流成正比,因此,為使LED電流大小一致,需要設計一款恒流驅動器。本文設計的寬電壓輸入、大電流、高調光比LED恒流驅動芯片,具有結構簡單、動態響應快、不需要補償電路等優點,通過DIM引腳,芯片可以方便的進行LED開關、模擬調光和寬范圍的PWM調光。
隨著LED技術的發展,大功率LED在燈光裝飾和照明等領域得到了普遍的使用,同時功率型LED驅動芯片也顯得越來越重要。由于LED的亮度輸出與通過LED的電流成正比,為了保證各個LED亮度、色度的一致性,有必要設計一款恒流驅動器,使LED電流的大小盡可能一致。
基于LED發光特性,本文設計了一種寬電壓輸入、大電流、高調光比LED恒流驅動芯片。該芯片采用遲滯電流控制模式,可以用于驅動一顆或多顆串聯LED。在6V~30V的寬輸入電壓范圍內,通過對高端電流的采樣來設置LED平均電流,芯片輸出電流精度控制在5.5%,同時芯片可通過DIM引腳實現模擬調光和PWM調光,優化后的芯片響應速度可使芯片達到很高的調光比。
本文對整體電路進行了分析,并介紹各個重要子模塊的設計,最后給出了芯片的整體仿真波形、版圖和結論。
LED驅動電路系統原理
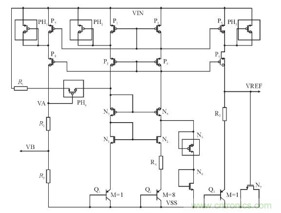
圖1是芯片整體架構以及典型應用電路圖。
該電路包括帶隙基準、電壓調整器、高端電流采樣、遲滯比較器、功率管M1、PWM和模擬調光等模塊。此外該芯片還內置欠壓和過溫保護電路,從而能在各種不利的條件下,有效的保證系統能夠穩定的工作。

圖1:LED驅動芯片整體等效架構圖
從圖1中可以看到電感L、電流采樣電阻RS、續流二極管D1形成了一個自振蕩的連續電感電流模式的恒流LED控制器。該芯片采用遲滯電流控制模式,因為LED驅動電流的變化就反應在RS兩端的壓差變化上,所以在電路正常工作時,通過采樣電阻RS采樣LED中的電流并將其轉化成一定比例的采樣電壓VCS,然后VCS進入滯環比較器,通過與BIAS模塊產生的偏置電壓進行比較,產生PWM控制信號,再經柵驅動電路從而控制功率開關管的導通與關斷。
下面具體分析電路的工作原理。首先芯片在設計時會內設兩個電流閾值IMAX和IMIN。當電源VIN上電時,電感L和電流采樣電阻RS的初始電流為零,LED電流也為零。這時候,CS_COMP遲滯比較器的輸出為高,內置功率NMOS開關管M1導通,SW端的電位為低,流過LED的電流開始上升。電流通過電感L、電流采樣電阻RS、LED和內部功率開關從VIN流到地,此時電流上升斜率由VIN、電感(L)、LED壓降決定。當LED電流增大到預設值IMAX時,CS_COMP遲滯比較器的輸出為低,此時功率開關管M1關閉,由于電感電流的連續性,此時電流以另一個下降斜率流過電感(L)、電流采樣電阻(RS)、LED和續流肖特基二極管(D1),當電流下降到另外一個預定值IMIN時,功率開關重新打開,電源為電感L充電,LED電流又開始增大,當電流增大到IMAX時,控制電路關斷功率管,重復上一個周期的動作,這樣就完成了對LED電流的滯環控制,使得LED的平均電流恒定不變。
從以上分析可知,LED的平均驅動電流是由內設的閾值IMAX和IMIN決定,因而不存在類似于峰值電流控制模式的反饋回路。所以與峰值電流控制模式相比,滯環電流控制模式具有自穩定性,不需要補償電路,另外峰值電流檢測模式動態響應調節一般需要幾個周期的時間,而滯環電流控制至多一個周期就可以穩定系統的動態響應,所以滯環電流控制的動態響應更加迅速。當然滯環電流控制模式存在著輸出紋波較大,變頻控制容易產生變頻噪聲等缺點,但是在大功率LED照明驅動應用中,一定的紋波變化和開關頻率變化不會對LED的整體照明性能產生較大影響。
[page]
LED驅動電路子模塊設計
帶隙基準(Bandgap)
圖2為采用共源共柵電流鏡,可以改善電源抑制和初始精度的CMOS自偏置基準電路。其中,R1和PH4組成啟動電路,當電源上電時,若電路出現零電流狀態,此時VA為低,MOS管PH4開啟,并向基準核心電路中注入電流,使得基準電路擺脫零簡并偏置點,當電路正常工作時,通過合理的設置P7和P8的寬長比,使它們都處于深線性區,由于R2和R3阻值很大,此時VA的大小接近輸入電壓,MOS管PH4關斷,啟動結束。此外,由于VA的電壓接近電源電壓,通過電阻R2和R3的分壓后,電壓VB就能表征電源電壓,從而在電源電壓低于設定值時,輸出欠壓信號,關斷功率管,起到欠壓保護的功能。

圖2:帶隙基準電壓源電路圖
由于基準電路的輸入電壓最高可達到30V,而普通MOS管漏源和柵耐壓為5V。而且為了使電流鏡像更加匹配,P1、P2、P5、P7必須使用普通的MOS管。所以,為了防止管子在高壓時被擊穿,需在這些管子的漏源之間加入柵漏短接的厚柵氧MOS管作為保護管,即PH1、PH2、PH3。
遲滯比較器(CS_COMP)
圖3為遲滯比較器等效電路圖,其中VTH_H和VTH_L為BIAS模塊提供的偏置基準電壓,而CS為電流采樣模塊提供的采樣電壓。電流采樣和遲滯比較器模塊是組成該芯片的核心模塊,通過這兩個模塊就可以很好的實現滯環電流控制。

圖3:遲滯比較器等效電路圖
電路工作時,高端電流采樣模塊采樣輸出電流,并按一定比例轉化成采樣電壓CS,當CS電壓大于VTH_H時,P_OFF為高,P_ON為低,M1關M2開啟,此時COMP1_G負端輸入VTH_L,并且此時由于P_ON為低,功率管關斷,LED電流開始減小,采樣電壓也開始減小。當CS電壓小于VTH_L時,P_OFF為低,P_ON為高,M1開啟,M2關斷,COMP_G負端輸入VTH_H,此時P_ON為高,功率管開啟,LED電流開始增大,采樣電壓也開始增大。當CS電壓大于VTH_H時,遲滯比較器模塊將重復上一個周期的動作。這樣通過遲滯比較器就能產生一定占空比的方波來控制功率開關管關與斷,從而有效控制外部LED的電流大小。
此外,高端電流采樣和遲滯比較器模塊需要有較高的單位增益帶寬GBW,從而提高電流采樣和遲滯比較的速度,這樣就可以減少電路延遲,提高芯片的響應速度,同時也提高了芯片輸出電流精度。
[page]
模擬和PWM調光(DIM)
通常希望在不同的應用場合和環境下,LED的發光亮度能夠隨著應用和環境的變化隨時可調,這就需要LED驅動器具有調光的功能。現在,最常用的LED調光方式有:模擬調光、PWM調光、數字調光等方式。
模擬調光是通過線性的改變LED驅動器的輸出電流來調整LED的發光亮度,它的優點是能夠避免由PWM或數字調光所產生的噪聲等問題,缺點是模擬調光會改變LED的驅動電流,從而引起LED的色偏。PWM調光方式是通過反復開關LED驅動器,在PWM信號使能期間輸出電流,其它時間內關閉LED驅動,通過調節PWM信號的占空比可來實現調光。PWM調光的原理是利用人眼的‘視覺暫留’效應,但為了避免人眼能夠看到LED的閃爍,PWM調光的頻率應在100Hz以上。
由于不會改變LED平均電流,PWM調光也就不會改變LED的色度。

圖4:模擬調光等效電路圖
圖4給出了模擬調光等效電路圖。圖4是一個差分輸入結構。其中輸入V1為一固定電平2.5V,V2為DIM引腳的輸入經電阻分壓后的電平。由于本電路只工作于大信號情況下,所以首先對其大信號進行分析。N1、N2管組成的電流鏡將兩通路電流強制相等,則:

壓大于V1時,由于L2點電壓為低N3、N4截止。輸出Io為零,無調光效果。當V2減小到2.5V,兩邊電流相等,輸出也為零。此時若V2從2.5V減小ΔV,由公式(3)可知電壓L1與L3之差就增大ΔV,這樣引起的電壓差在電阻上產生的電流經過N3、N4鏡像后就得到輸出電流Io。該電流將進入電流采樣模塊,并影響電流采樣電壓CS的大小,從而起到改變輸出電流的作用。
圖5給出了芯片模擬調光過程仿真圖。從圖中可以看到,當DIM引腳電壓逐漸降低時,LED平均電流IL也開始按一定比例降低,在DIM引腳電壓低于0.3V時,功率管被關斷,LED電流下降到零。這就說明模擬調光模塊能很好的控制LED驅動電流大小。

圖5:模擬調光過程仿真圖
[page]圖6給出了PWM調光等效電路圖,通過在DIM引腳加入可變占空比的PWM信號就可以改變輸出電流,從而實現PWM調光。

圖6:PWM調光等效電路圖
圖6中,當DIM由高變低,小于VT_L時,使能變EN為高。此時VT選通為VT_H,當DIM由低變高,高于VT_H時使能轉換,并實現一定的電壓遲滯。如果輸入信號是PWM信號,同樣通過上述工作過程,這樣EN輸出同樣為PWM信號,控制內部功率管的開關,從而達到控制輸出電流的目的。
圖7給出了當DIM輸入典型值20kHz、占空比為50%的PWM方波時,輸出電流波形。從圖中可以看到在DIM引腳輸入一定占空比的方波時,LED的平均電流與PWM方波的占空比成正比,因此通過設定PWM方波的占空比,就可以改變LED平均電流的大小。

圖7:PWM調光波形圖
由上圖還可以看出,當輸出一個電感電流周期時,PWM方波具有最小的占空比,約為4%,此時最大調光比為25:1。顯然,采用周期越長,頻率越低的PWM方波進行數字調光所獲得的調光比就越高,但考慮到人眼的視覺暫留效應,為防止輸出LED電流頻率過低引起閃爍,應用時一般設置最低fDIM=100Hz,此時最大調光比可高達5000:1。
LED驅動芯片仿真結果
本文基于1μm40VCSMC工藝模型,使用HSPICE軟件,對整體芯片進行了仿真驗證。
表1給出了典型條件下,采樣電阻RS=0.33ohm,電感L=100μH時,在不同的電源電壓,不同LED連接數目下,LED輸出電流精度。芯片由于采樣延遲、采樣精度、驅動級延遲等因素,會導致輸出電流產生誤差。在不同的電源電壓和負載條件下,從表一中可以看到輸出電流精度均能很好的控制在5.5%以內。同時也可以看到,要實現較好的電流精度,固定負載下需要相應的電源電壓與之匹配。

表1:輸出電流精度
結束語
本文基于1μm40VCSMC高壓工藝,設計了一種寬電壓輸入、大電流、高調光比LED恒流降壓驅動芯片。在滯環電流控制模式下,芯片具有結構簡單、動態響應快、不需要補償電路等優點。通過DIM引腳,芯片可以方便的進行LED開關、模擬調光和寬范圍的PWM調光。仿真結果表明,當輸入電壓從8V變化到30V時,芯片輸出電流最大偏差不超過5.5%。此外,在芯片驅動7個LED時,效率可高達97%。
相關閱讀:
一款高精度、低成本的LED 老化測試方案
http://www.szzhuce.cn/opto-art/80021536
工程師必看!LED照明電源設計四大難題解析
http://www.szzhuce.cn/opto-art/80021571
【圖文】利用單片機設計制作LED搖搖棒方案
http://www.szzhuce.cn/opto-art/80021564
LED驅動器設計:如何用低成本實現高功率因數
http://www.szzhuce.cn/opto-art/80021530





