中心議題:
- 單線串接通信的LED顯示系統方案
解決方案:
- LED顯示系統的系統架構設計
- LED顯示系統的通信方法
本文介紹了一種基于單線串接通信的LED顯示系統方案。該方案可以有效地解決傳統LED通信系統信號傳輸苛刻的時序配合問題,提高整個LED顯示系統的穩定性和控制靈活性,同時也比當前LED通信系統具有更高的效率,具有通信方式簡單、生產成本低、應用支持方便等特點。
1 、引言
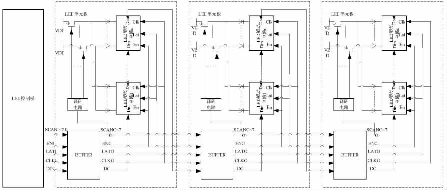
目前國內外大多數大型LED 顯示系統基本由LED 控制板和若干個依次串接的LED 單元板組成。
LED 控制板與LED 單元板構成的LED 顯示系統的主體,如圖1 所示。其中,LED 單元板包括了增強信號驅動能力的BUFFER 電路、產生動態顯示掃描時序的譯碼電路、若干個開關管和若干個LED 驅動電路。其通信過程為:LED 控制板發出的通信信號依次經過各串接的LED 單元板的BUFFER 電路進行驅動增強;各LED 單元板中經BUFFER 電路增強后的掃描信號(SCANO)提供給本LED 單元板的譯碼電路,譯碼電路譯碼產生動態顯示掃描時序控制開關管;各LED 單元板中經BUFFER 電路增強后的使能信號(ENO)、鎖存信號(LATO)、時鐘信號(CLKO)分別提供給本LED 單元板中所有LED 驅動電路。

圖1 常用的LED顯示系統[page]
當前的LED 顯示系統因數據信號經過依次串接的各LED 單元板上所有的LED 驅動電路,顯示刷新頻率受限于LED 驅動電路的數量及LED 驅動電路的通信速度,LED 驅動電路大多采用成本控制較嚴格的高壓、大電流、大尺寸工藝,一般通信速度不超過30 MHz,當顯示分辨率較高時,為了保證顯示所需的顯示刷新頻率,LED 控制板需發出多組通信信號,分別控制多組依次串接的LED 單元板,大部分應用場合下,往往需要幾十組控制信號,造成生產成本較高,應用支持復雜,如圖2 所示。

圖2 常用的大型LED顯示系統
本文提出的新型LED 顯示系統基于當今熱點通信技術之一的單總線技術。它通過單條連接線解決了通信和供電的問題,具有結構簡單、成本低廉、節省I/O 口資源、便于總線擴展和維護等優點。該LED 顯示系統可以有效地解決上述問題。
2、 系統架構及其通信方法
2. 1 系統架構
本文提出了一種通信速度高、在大部分應用場合下LED 控制板只需輸出一組通信信號、生產成本低、應用支持方便的新型LED 顯示系統。系統由一個LED 控制板和若干個依次串接的LED 單元板組成,LED 單元板的數量視LED 顯示系統的規模而定。該系統基于單線通信協議,系統架構圖如圖3 所示。

圖3 LED顯示系統架構[page]
LED 單元板由一個LED 通信電路、若干個開關管和若干個LED 驅動電路組成。其中,LED 通信電路端口包括通信信號輸入端、通信信號輸出端、動態顯示掃描時序輸出端、控制信號輸出端和數據輸出端。
2. 2 通信方法
LED 控制板發出通信信號提供給第一個LED單元板上LED 通信電路的通信信號輸入端,此后的各LED 單元板的LED 通信電路的通信信號輸出端連接下一個LED 單元板的LED 通信電路的通信信號輸入端,最后一個LED 單元板的LED 通信電路的通信信號輸出端懸空或者返回到LED 控制板,組成了本文所述的LED 顯示系統的通信系統。
基于圖2 所示的LED 顯示系統架構和以上所述的通信系統,其通信方法如下:
定義LED 通信電路包括通信信號輸入端、通信信號輸出端、動態顯示掃描時序輸出端(SCAN<7:0>)、控制信號輸出端(En、Lat、Clk)、數據輸出端(DATAOUT);定義通信信號包括通信信號輸出指令、動態顯示掃描時序解析指令、控制信號時序控制解析指令、數據;各LED 單元板上LED 通信電路根據接收到的通信信號,解析出通信信號輸出并經通信信號輸出端提供給下一個LED 單元板的LED 通信電路的通信信號輸入端;各LED 單元板的LED 通信電路根據接收到的通信信號,解析出動態顯示掃描時序并經動態顯示掃描時序輸出端(SCAN<7:0>)控制本LED 單元板的開關管;各LED 單元板的LED 通信電路根據接收到的通信信號,解析出控制信號時序并經控制信號輸出端(En、Lat、Clk)控制本LED 單元板的LED 驅動電路;各LED 單元板的LED 通信電路根據接收到的通信信號,解析出數據,經數據輸出端(DATAOUT)提供給本LED 單元板的第一驅動電路數據信號輸入,本LED 單元板的各LED 驅動電路的數據信號輸出連接下一個LED 驅動電路的數據信號輸入,最后一個LED 單元板的LED 通信電路的通信信號輸出端懸空或者返回到LED 控制板。
通信原理是系統將需要傳輸給各個LED 單元燈驅動電路的信號用一組串行的幀數據表示,接收這些信號的LED 單元燈驅動電路從輸入幀數據中,根據通信模式和指令類型接收并處理接收到的數據,將處理后的數據構建成新的幀數據作為輸出,根據通信模式和指令類型發送給后續地址有效的LED 驅動電路,完成一次通信。LED 通信電路根據接收到的通信信號進行解析的方法可采用《LED顯示系統的單線串接通信方法》文中公開的方法。
3、 結論
本文提出的LED 顯示系統中,通信信號中包括的數據只需經過依次串接的各LED 單元板的LED通信電路,再由LED 通信電路的數據輸出端控制本LED 單元板上的LED 驅動電路,顯示刷新頻率僅僅受限于LED 單元板的數量及LED 通信電路的通信速度,從而使通信速度得到了數量級的提高,在大部分應用場合下LED 控制板只需輸出一組通信信號,即可實現LED 顯示系統的控制,該LED 顯示系統具有生產成本低、應用支持方便等優點。



