中心議題:
- LED顯示面板的功能
- 通用型智能LED顯示面板設計
解決方案:
- LED數碼管顯示電路設計
- 發光二極管電路設計
- 通信接口電路和按鍵設計
- 通用型智能LED顯示面板的軟件設計
目前,控制儀表經常使用的顯示面板主要有LCD和LED兩種類型,其中LCD比較美觀,省電,顯示方式靈活,但是價格比較昂貴,最重要的是它的醒目程度較低,可視角度也比較小;而LED數碼管雖然功耗較大,但它亮度高,用作工業現場指示時更醒目,而且價格低。因此,用LED作為工業現場的指示器,具有更好的性價比。
本文介紹一種采用LED數碼管作為顯示元件的通用型智能數字顯示面板的設計方法。該面板根據80×160 ×160標準儀表機箱設計,采用AT98C5X單片機作為控制器。它既可作為其他儀表的顯示單元,也可作為獨立的現場顯示器使用。
1 LED顯示面板的功能
本文的LED通用智能型顯示面板如圖1所示。該面板中央為兩排LED數碼管,每排4位。上排為紅色,下排為綠色。面板左邊為四個發光二極管,右邊為四個按鍵開關。其顯示和開關可根據不同應用定義。

該面板作為調節儀表的顯示器時,上排LED可顯示測量值,下排LED可顯示閥位反饋值。左邊的發光二極管用做工作狀態指示,從上到下,依次為高報警、低報警、自動(亮)/手動、以及儀表通信狀態指示。右邊的按鍵用于參數設定與查詢等操作。為方便描述,其按鍵從上到下分別稱為按鍵1~4。
在調節儀表正常工作狀態下,按鍵1按下時,報警上限值顯示;按鍵2按下時,報警下限值顯示;按鍵3為閥門開度手動/自動切換。當設為手動狀態時,按鍵1和按鍵2用于遙調閥門開度,每按一次,閥位反饋值(綠色LED最后一位)±1。按鍵4為功能切換按鍵。
在儀表參數設定狀態下,按鍵1為循環方式選擇參數,紅色LED顯示當前設定值,綠色LED顯示被設置參數的序號;按鍵2為設置位參數值加1;按鍵3可以右循環方式選擇設置參數的當前位,當前設置的數據位用閃爍表示;按鍵4為確認參數設置,連按兩次按鍵4可進行功能切換。
作為獨立的顯示器單元時,本顯示面板可作為多路巡回顯示報警器。正常巡檢時,上排LED顯示測量值,下排LED顯示巡檢回路號。左邊的發光二極管顯示回路工作狀態,從上到下依次為高報警、低報警、回路中斷、巡檢(亮)/停止狀態。當某回路參數越限時,對應的報警指示二極管發亮。
右邊的按鍵可用于設定參數與查詢等操作。正常工作(巡檢)時,按鍵2為功能切換,按鍵4為顯示方式切換。按鍵4按下一次,停止巡檢,保持當前顯示狀態。在此狀態下,按下按鍵1和按鍵2,可分別顯示該回路上、下限報警設定值。按鍵3用于循環選擇顯示回路號,每按一次,回路號加一。按下按鍵4一次。系統又將進入正常巡檢狀態。
[page]
2 硬件部分設計
2.1 LED數碼管顯示電路
LED數碼管是由若干個發光二極管按一定的規律排列而成的,當某個發光二極管導通時,相應的段就會被點亮。根據內部發光二極管連接方式的不同,LED數碼管可以分為共陽極和共陰極兩類。本文采用共陽極顯示方式,段碼值從0到9依次為:0x0C0、0xF9、0x0A4、0x0BO、0x9 9、0x92、0x82、0x0F8、Ox80、0x90。
數碼管顯示驅動方式可以分為動態(掃描)驅動和靜態驅動,以下是三種設計方案:
(1)靜態驅動方式
該方式中,各個LED數碼管同時顯示各自的字符,并維持不變,直到顯示下一個字符為止。這種方式下,每一個數碼管要對應一個8位驅動存儲器,8個數碼管共需64根驅動線,因而需要較多芯片,顯示面板面積較大。
(2)采用8根位選線的動態驅動顯示
這是將所有數碼管相同的段選線并聯,各數碼管位選線輪流選通,分時多路復用。這種方案在任一時刻只有一位數碼管被選中發光,然后利用人眼的視覺暫留特點實現同時顯示的效果。本顯示面板有8個數碼管,只需要8個位驅動線和8個段驅動線。但8位循環顯示時,每一位數碼管的發光時間只占1/8循環時間,可能導致數碼管顯示閃爍。
(3)采用4位分組動態驅動顯示
這是將兩個LED數碼管共用一根位選線。這種方案相對于方案2少用一個8位驅動器,每一位發光時間有1/4循環,因而比較容易保證數碼管顯示不閃爍。
本設計選用4位分組動態驅動顯示方式。顯示面板采用AT89C5X單片機作為LED控制驅動器。單片機的P1和P2口分別與兩個LED數碼管的段選線相連,P0口的P0.0、P0.1、P0.2、P0.3分別是兩個LED數碼管的位選線,主要用來控制兩個數碼管的相同位。
2.2 發光二極管電路
發光二極管電路的設計比較簡單??蓪纹瑱CP3口的P3.0、P3.1、P3.6、P3.7分別與四個發光二極管的陽極相連,以便控制四個發光二極管的工作。
2.3 通信接口電路
此顯示面板既可作為智能調節儀表的顯示器使用,也可作為獨立顯示器使用。但是,無論何種應用,都需數字通信。
AT89C5X單片機有一個內置的串行通信接口。在作為智能調節儀表的顯示器使用時,考慮到智能調節儀表與上位機通信要占用儀表的串行通信接口,因此,顯示面板與調節儀表的通信就不能使用此接口。為此,本顯示面板自定義了與調節儀表的通信接口電路,即將單片機的P3.2、P3.3、P3.4、P3.5作為與調節儀表的數字通信接口。通信時,可將兩個單片機的P3.2、P3.3交叉相連作為握手信號,P3.4、P3.5互聯作為數據傳輸線。P3.2、P3.3具有外部中斷功能,故可設計采用外部中斷方式來進行通信,以提高數據的傳輸速度。
若作為獨立顯示器使用時,可使用顯示面板內部的串行通信接口。該方式只需要對連接串口引腳的發光二極管進行調整即可。
2.4 按鍵
通常根據按鍵數量的多少,可將按鍵的設計分為矩陣式鍵盤和獨立式鍵盤。
矩陣式鍵盤常用在按鍵數量較多的系統中,這種鍵盤由行線和列線組成,按鍵設置在行、列結構的交叉點上。行列線分別連在按鍵開關的兩端。
[page]
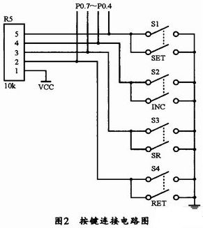
獨立式鍵盤通常用在按鍵較少的系統中,每個按鍵單獨占有一根I/O口線,各鍵的工作狀態相互獨立,互不影響。由于本文的顯示面板的調節按鍵只有4個,因此,設計使用獨立式按鍵接法。其鍵盤接口電路如圖2所示。

圖2中,單片機P0口的P0.4、P0.5、P0.6、P0.7分別與按鍵1、2、3、4相連,以對按鍵操作進行控制。在按鍵處理時,通常要考慮按鍵去抖問題,經常使用的硬件去抖方法有濾波消抖電路和雙穩態消抖電路,也可以采用軟件去抖。本文在設計時,考慮到LED顯示面板大小的限制,故采用軟件去抖方法。
3 軟件設計
本LED顯示面板的功能可用C51語言實現。軟件功能包括正常運行和儀表參數設定。
3.1 主程序
本設計的主程序主要完成顯示面板功能的確定、系統初始化、定時器初始化、按鍵功能的實現以及二極管的功能實現等。
(1)顯示面板功能的確定
這里采用組合鍵操作來進行顯示面板的功能切換。
初始狀態下,若作為調節儀表的顯示器使用,則其正常工作狀態,為狀態1。
在狀態1情況下,按下按鍵4不釋放,再將按鍵1按下,此時仍可作為調節儀表的顯示器使用,但系統會進入參數設定狀態,此為狀態2。為了提醒進入狀態2,紅色發光二極管會閃爍三次以提示參數設定完畢,連按兩次按鍵4,即可返回狀態1。
在狀態1下,按下按鍵4不釋放,再將按鍵2按下,此時將為獨立的顯示單元使用狀態,該狀態為狀態3。同樣,為了提醒是進入狀態3,綠色發光二極管會閃爍三次予以提示。若需狀態3返回狀態1,只要在正常巡檢情況下,將按鍵2按下即可。
(2)系統初始化
系統初始化主要包括按鍵、LED數碼管以及發光二極管的初始狀態設定。本面板右邊四個按鍵對應P0口初始狀態值為0xf0;LED數碼管對應的P1、P2口的初始狀態值可先設置為0x00、0x00,經過一段時間延遲后再設置為0xff,0xff,這樣,在程序開始執行時就可以檢查數碼管是否能正常工作;發光二極管對應的P3口的P3.0、P3.1、P3.6、P3.7的初始狀態設置與LED數碼管相同。
(3)定時器初始化
定時器的初始化包括定時器工作方式的設定和定時初值的設置。
本文的LED數碼管采用動態(掃描)驅動顯示方法,設計時要注意掃描時間的設置。該時間要既能保證LED數碼管的亮度,又不會使人眼感覺到閃爍。
定時器的工作模式為方式1。此模式下的計數脈沖頻率為fcont=fosc/12,計數初值x可以通過公式設定:
X=M-計數值=M-t/T=M-fosct/12
其中,fosc為振蕩器的振蕩頻率,t為要定時的時間。M為定時器的最大定時時間。
[page]
根據視覺暫留特性。人眼睛對動態頻次的分辨率一般為1/16~1/24s,因此,可以將LED數碼管輪流顯示的時間設定為小于這個分辨率的任何一個時間。本文在設計時,經過多次試驗發現,將定時器的初值設定為EC00H(2.78ms)比較合適,此時,在狀態1、3下,對于LED數碼管的閃爍,人眼幾乎不可識別。
(4)按鍵功能的實現
在狀態1及狀態3下,按鍵的功能比較容易理解,這里來對狀態2下的按鍵功能進行說明,圖3所示依次為1、2、3、4鍵。其中按鍵1可進入設定狀態,上面一行顯示參數的值,下面一行顯示當前是第幾個參數;按鍵2用于對當前閃爍數據位進行加1操作,可依次從0增加到9,當增加到10時,又自動變為0;按鍵3用于改變設定的位,每按下一次,閃爍數據位向后移動一位,當移動到第四位再按下此鍵時,閃爍位變為第一位;按鍵4用于確認參數的設定和保存。

(5)發光二極管功能的實現
當測量值到達測量上下限、或者按鍵進行操作時,將相應單片機引腳置1,即可使發光二極管點亮,從而實現報警提示功能。
圖4所示是本系統的主程序流程圖。
[page]
3.2 中斷程序
在狀態1及狀態3下,中斷程序功能是在定時時間到時,將段碼值賦給相應的數碼管,并將時間初值裝入相應的寄存器。
在狀態2下,參數設定時,設定位要實現閃爍,以確定正在被設置的數據位。實現閃爍的基本思想是每隔500 ms,當前閃爍數據位的段碼值就由數據狀態變為空碼狀態,下一個500 ms再由空碼狀態變為數據狀態,并不斷循環執行此操作(共陽極顯示方式下空碼值為0XFF)。這樣,從用戶角度看,當前被設定的數據位就是閃爍的。這里可通過設定一個計數器來確定轉換時間,當計數值達到500/2.78(約為180)時,當前閃爍數據位就進行段碼值轉換。本系統的中斷程序流程圖如圖5所示。

4 結束語
本文是配合智能調節儀表設計的一種智能LED顯示面板。為了擴大其應用范圍,在該面板硬件電路不變的情況下,通過軟件調整可使其成為巡檢報警器。目前,該顯示面板在功能性和靈活性方面都有了很大提高。



