【導讀】隨著清潔能源需求增長,太陽能的潛力日益受到關注,太陽能電池通過吸收光子釋放電子,將陽光直接轉化為電能。電氣測試廣泛用于研發和生產中,以表征其性能,包括直流/脈沖電壓測量、交流電壓測試等,分析關鍵參數如輸出電流、轉換效率和最大功率輸出,常結合不同光強和溫度條件進行。
隨著清潔能源需求增長,太陽能的潛力日益受到關注,太陽能電池通過吸收光子釋放電子,將陽光直接轉化為電能。電氣測試廣泛用于研發和生產中,以表征其性能,包括直流/脈沖電壓測量、交流電壓測試等,分析關鍵參數如輸出電流、轉換效率和最大功率輸出,常結合不同光強和溫度條件進行。
4200A-SCS參數分析儀可簡化這些電氣測量過程,集成直流和快速I-V、C-V測量功能,具備控制軟件、圖形繪制和數學分析能力。它適用于多種測量,包括直流/脈沖I-V、C-V、C-f、驅動級電容分析(DLCP)、四探針電阻率和霍爾電壓測量。本應用說明描述了如何使用4200A-SCS對光伏電池進行這些電測量。為了簡化光伏材料和電池的測試,4200A-SCS配有對應的測試和一個可以輕松地進行多項常用相關測量的項目,包括I-V、電容和電阻率測量,還包括提取最大功率、短路電流、缺陷密度等公共參數的公式。
直流電流/電壓(I-V)測量
太陽能電池的多項參數可通過電流-電壓 (I-V) 測量獲得。使用4200A-SCS的源測量單元 (SMU) 便可完成此任務,它既可作為電壓源,又可測量電流。4200A-SCS的SMU具有四象限工作能力,能夠以施加電壓的函數吸收電池電流,并提供四種型號:4200-SMU/4201-SMU(最大100mA)和4210-SMU/4211-SMU(最大1A)。若電池電流超出以上范圍,可通過減小電池面積或使用吉時利SourceMeter?儀器獲得更高電流支持。
從I-V測量得到的參數
太陽能電池的等效電路模型包括光感應電流源 (IL)、二極管、串聯電阻 (rs) 和分流電阻 (rsh),其中串聯電阻影響短路電流和輸出功率,理想值為0Ω,而分流電阻反映漏流損耗,理想值為∞。當光照射在太陽能電池上并連接負載電阻時,總電流為 I=ls(eqV/kT?1)?IL。表征電池效率的關鍵參數包括最大功率點 (Pmax)、能量轉換效率 (η) 和填充因子 (FF),最大功率點對應電池I-V曲線的“拐點”,此處輸出功率達到最大。
連接到太陽能電池進行I-V測量
圖1顯示了使用4200A-SCS連接太陽能電池進行I-V測量的配置。太陽能電池通過四線連接測試,其中一對引線 (Force) 提供電壓,另一對引線 (Sense) 測量壓降。這種配置可消除引線電阻的影響,確保測量的準確性,同時Sense端引線能補償電壓偏差,確保電池電壓與設定值一致。
圖1. 4200A-SCS連接到太陽能電池進行I-V測量
正向偏置I-V測量
太陽能電池的正向偏置I-V測量在受控光照下進行,通過“fwd-ivsweep”測試由4200A-SCS的SMU完成,電壓從0掃至開路電壓 (Voc)。短路電流 (Isc) 和開路電壓 (Voc) 可直接從掃描數據中提取,其他參數如轉換效率 (η) 和電流密度 (J) 可通過公式器計算。I-V掃描結果可生成半對數圖或倒置圖形,以支持不同分析需求。
串聯電阻 (rs) 可通過不同光強下的正向I-V曲線確定,方法為連接線性區域點并測量其斜率的倒數。4200A-SCS的SMU具有極低的電壓負荷,僅幾百μV,與傳統數字萬用表相比,更適合太陽能電池的低電壓測量,減少測試誤差。
反向偏置I-V測量
從反向偏置I-V數據可以推導出太陽能電池的漏電流和分流電阻 (rsh)。測試通常在暗室中進行,通過逐步增加電壓至擊穿電平并測量電流繪制曲線。SMU的前置放大器支持pA級甚至更小的精確測量,使用低噪聲電纜和屏蔽盒可進一步減少干擾,屏蔽連接至4200A-SCS的Force LO端子。
分流電阻 (rsh) 可通過反向偏置I-V曲線的線性區域斜率計算(如圖2所示)。Solar Cell Reverse I-V Sweep (“rev-ivsweep”) 測試可生成實際的反向偏置特性曲線,半對數圖顯示了電流絕對值與反向偏置電壓的關系(如圖3所示),用于更直觀的分析。
圖2. 太陽能電池典型的反向偏置特性
圖3. 用SMU測量硅太陽能電池的反向偏置 I-V
電容的測量
C-V測量在推導太陽能裝置的特定參數時是非常有用的。根據太陽能電池的類型,電容-電壓 (C-V) 測量可用于推導摻雜濃度和結的內置電壓等參數。電容 - 頻率(C-f) 掃描可用于提供耗盡區是否存在陷阱(空穴/阱 電 容)。4200A-SCS的可選4210-CVU或4215-CVU作為電容計,測量電容的相關函數:施加的直流電壓 (C-V),頻率 (C-f),時間 (C-t),或施加AC電壓。CVU還可以測量電導和阻抗。
為了進行電容測量,如圖4所示,將太陽能電池連接到CVU上。與使用SMU進行的I-V測量一樣,電容測量也涉及四線連接以補償引線電阻。HPOT/HCUR端子連接到陽極,LPOT/LCUR端子連接到陰極。將CVU的直流高壓源端連接到陽極。
圖4. 將太陽能電池連接到CVU電容計
圖4顯示了來自電容計四個端子的四根同軸電纜的屏蔽連接。來自同軸電纜的屏蔽必須盡可能靠近太陽能電池連接在一起,以獲得最高的精度,因為這減少了測量電路中電感的影響。這對于在更高的測試頻率下進行電容測量尤其重要。
考慮到電池的電容與器件的面積直接相關,在可行的情況下,可能需要減小電池本身的面積,以避免電容可能過高而無法測量。此外,將CVU設置為在較低的測試頻率和/或較低的AC驅動電壓下測量電容,將允許測量較高的電容。
C-V掃描
C-V測量可在正向或反向偏置下進行,但正向偏置時需限制直流電壓,以避免過高電導導致測量失敗,且直流電流不得超過10mA,否則儀器可能進入鉗位狀態。反向偏置條件下,通過Solar Cell C-V Sweep測試生成的C-V曲線如圖5所示。
圖5. 硅太陽能電池的C-V掃描
為了進一步分析,可繪制1/C2與電壓的關系曲線(如圖6所示)。內置電壓可通過1/C2曲線與橫軸的交點推導,摻雜密度則作為電壓的函數顯示在Analyze窗口中。用戶可使用公式器輸入電池面積以計算這些參數,或通過線性擬合選項直接獲取內置電壓值。
圖6. 1/C2 vs. 硅太陽能電池的電壓
C-f掃描
CVU選項還可以測量電容、電導或阻抗與測試頻率的函數。頻率范圍從1kHz到10MHz。圖7中的曲線是使用Solar Cell C-f sweep或“cfsweep”測試生成的。掃描頻率的范圍和偏置電壓都可以調節。所需的參數,如陷阱密度,可以從電容與頻率的數據中提取。測量可以在不同溫度下重復進行。
圖7. Solar Cell的C-f掃描
驅動級電容分析 (DLCP)
驅動級電容分析 (DLCP) 是一種技術,用于確定陷阱密度 (NDL) 隨光伏電池結深的變化。在DLCP測量中,AC電壓的峰峰值進行掃頻,同時直流電壓隨著電容測量而變化。與傳統C-V測量不同,DLCP保持總施加電壓 (AC+直流) 恒定,通過調節直流電壓偏置來改變樣品內固定位置 (Xe),從而確定裸露電荷密度 (ρe)。
DLCP的關鍵優勢是能夠通過調整直流偏置,分析陷阱密度隨距離變化的特性,還可進行特定深度的能量分析。此外,測量中可改變測試頻率和溫度,以實現基于能量的更詳細分析。
脈沖式I-V測量
脈沖式I-V測量用于分析太陽能電池參數,如轉換效率、最小載流子壽命和電池電容影響。通過4225-PMU模塊進行測量,可輸出脈沖電壓、捕獲高速波形并吸收電流,支持單通道或雙通道配置,采用2線技術校正電纜電壓損失,無需4線測量。
為確保測量準確性,需驗證脈沖寬度足夠長,波形捕獲模式可用于動態測試和脈沖設置優化。對電容較大的太陽能電池,可通過減小電池面積減少穩定時間。圖8顯示的結果表明,PMU吸收電流,電流曲線延伸至第四象限。
圖8. 使用 4225-PMU對太陽能電池進行脈沖I-V測量
電阻率和霍爾電壓測量
電阻率的大小直接影響太陽能電池的性能,因此測量電池材料的電阻率是一項常見的電學測試。半導體材料的電阻率通常采用四探針法測量,該方法能有效消除探頭電阻、擴展電阻以及金屬觸點與材料之間接觸電阻引起的誤差。
常用的電阻率測量技術包括四探針法和范德堡法。SolarCell項目中包含了用于執行這兩種測量的多項測試,還提供了測量范德堡系數和霍爾系數的獨立測試。用戶可在Select視圖的搜索欄中輸入相應測試名稱(如vdp-surface-resistivity、vdp-volume-resistivity或hall-coefficient)以快速找到所需測試。
四探針測量法
四探針技術是將四個等間距的探針與阻值未知的材料接觸。如圖9所示,探針陣列被放置在材料的中心。兩個外部探針用于加載電流源,兩個內部探針用于測量通過材料表面產生的電壓差。
圖9. 四探針測電阻率
已知加載電流和被測電壓計算表面或薄膜電阻率 :
如果樣品的厚度已知,則體電阻率可以按如下方式計算:
用范德堡法測量電阻率
范德堡(vdp)技術測量電阻率使用四個孤立的觸點在一個扁平的,任意形狀的樣品。電阻率是根據圖10所示在樣品周圍進行的8次測量得出的。
圖10. 范德堡電阻率測量方法
一旦完成了所有的電壓測量,就可以推導出兩個電阻率值ρA 和ρB:
采用vdp-resistivity subsite和vdp法進行測試
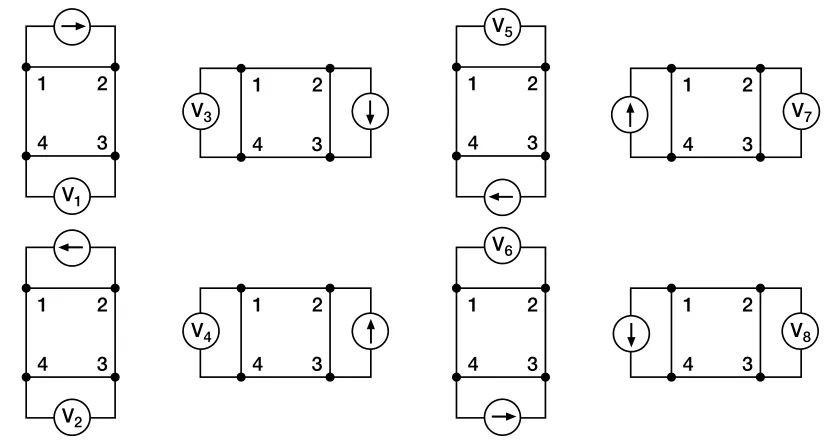
為了實現vdp電阻率測量的自動化,solarcell項目有一個vdp-resistivity subsite,包含四個測試:“i1-v23”、“i2-v34”、“i3-v41”和“i4-v12”。測試的截圖如圖11所示。
圖11. 范德堡測試的截圖
圖12. 范德堡測量的SMU配置
樣品的每個端子都連接到SMU的Force HI端子,因此需要帶有四個SMU的4200A-SCS。四個SMU在每個測試中的配置不同:一個SMU提供測試電流,兩個配置為電壓表,一個設置為公共端。在樣品周圍重復此測量設置,四個SMU中的每一個都在四個測試中的每個測試中發揮不同的功能。圖12顯示了每次測試中每個SMU的功能。
霍爾電壓測量
霍爾效應測量對于半導體材料的表征很重要,因為霍爾電壓可以導出導電類型、載流子密度和霍爾遷移率。在外加磁場的情況下,可以使用圖13所示的配置來測量霍爾電壓。
圖13. 霍爾電壓測量
SolarCell項目不包括測量霍爾電壓的具體測試;然而,可以在subsite上增加四個測試,以確定霍爾系數和遷移率。考慮到霍爾測量的配置與范德堡電阻率測量非常相似,可以復制和修改vdp測試以進行霍爾電壓測量。這些修改涉及改變SMU的功能。如果使用永磁體,則可以使用動作庫中的動作來創建一個對話框項目提示,該對話框將停止項目樹中的測試序列,并指示用戶更改應用于樣品的磁場性。項目提示符是一個對話框窗口,它暫停項目測試序列并提示用戶執行某些操作。有關如何使用對話框動作的說明,請參閱4200A-SCS參考手冊。最后,在subsite的Calc表中推導出霍爾系數和遷移率。這些數學函數可以加到其他公式中,用于測定電阻率。
結論
測量太陽能電池的電特性對于確定設備的輸出性能和效率至關重要。4200A-SCS通過自動化I-V、C-V、脈沖I-V和電阻率測量來簡化電池測試,并提供圖形和分析功能。對于大于1A的電流測量,Keithley提供可用于太陽能電池測試的源表儀器。代替使用四個獨立的測試在subsite的Cals表格中進行霍爾電壓測量,從庫中添加霍爾系數測試,它將所有測量和參數提取合并到一個測試中。
(來源:泰克科技)
免責聲明:本文為轉載文章,轉載此文目的在于傳遞更多信息,版權歸原作者所有。本文所用視頻、圖片、文字如涉及作品版權問題,請聯系小編進行處理。
推薦閱讀:



