自從人類1947年發明晶體管以來,50多年間半導體技術經歷了硅晶體管、集成電路、超大規模集成電路、甚大規模集成電路等幾代,發展速度之快是其他產業所沒有的。半導體技術對整個社會產生了廣泛的影響,因此被稱為“產業的種子”。中央處理器是指計算機內部對數據進行處理并對處理過程進行控制的部件,伴隨著大規模集成電路技術的迅速發展,芯片集成密度越來越高,CPU可以集成在一個半導體芯片上,這種具有中央處理器功能的大規模集成電路器件,被統稱為“微處理器”。需要注意的是:微處理器本身并不等于微型計算機,僅僅是微型計算機的中央處理器。
微處理器已經無處不在,無論是錄像機、智能洗衣機、移動電話等家電產品,還是汽車引擎控制,以及數控機床、導彈精確制導等都要嵌入各類不同的微處理器,而本文介紹的是一款采用微處理器控制方式的洗碗機。其使用電壓220V。清洗泵電機功率120W,排水泵電機功率60W,發熱器功率800W。采用噴臂噴射洗滌,設預洗、清洗、中洗、強洗四種洗法;洗滌時間為清洗檔20—25min,中洗、強洗檔35~70min;利用余熱干燥餐具。
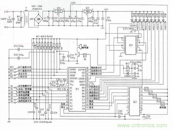
電路原理:
(1)220V市電電源加至電源變壓器T的初級,降壓后由次級輸出16V交流電壓。該電壓經整流器VD1—VD4橋式整流、電容C1和C2濾波后,產生直流電壓,再經三端穩壓集成電路IC4穩壓,產生12V直流電壓,供功率驅動集成電路IC2及控制繼電器K1~ K5用電。同時,該直流電壓再經三端穩壓集成電路IC5穩壓,產生5V直流電壓,作為微處理器IC1、IC3及蜂鳴器HA的工作電源。
在輸入電源兩端并聯高頻濾波電容C和壓敏電阻RV。高頻濾波電容C能濾除交流電網雜波信號,防止干擾微處理器工作;壓敏電阻RV能防止過電壓和雷電竄入電路,起過壓保護作用。

(2)微處理器IC1⑥腳為5v電源輸入端,23腳為接地端。由IC1①腳及其外接65℃溫度開關ST2,②腳及其外接55℃溫度開關ST1以及電阻Rl和R2、電容C10和C11等元件組成水溫控制開關電路,用來控制水的溫度。由IC1③、④腳與7~12腳及其外接水位開關SL、門控開關SQ、水位檢測開關S4、“啟動/暫停”鍵S1、“程序選擇”鍵“S2、加熱選擇”鍵S3、冷檔選擇開關S5、熱檔選擇開關S6以及電阻R3—Rl0、電容C12~C19等元件共同組成程序功能開關電路,用于程序功能選擇。
(3)由ICl@腳及其外接電阻Rll、三極管VT、蜂鳴器HA等元件共同組成蜂鳴器控制電路。當洗碗機排水后,ICl@腳輸出脈沖信號,經三極管VT放大,驅動蜂鳴器HA發出嗚叫聲,提示洗碗機洗滌結束。由IC124腳及其外接電阻R13、電容C22~C24及二極管VD5等元件共同組成復位電路,每次通電開機時,對ICl@腳的內電路進行清零。
(4)由IC1(18)~22腳、26~28腳及其外接55℃指示燈、電源指示燈、強洗指示燈、65℃指示燈、中洗指示燈、清洗指示燈、加熱指示燈、預洗指示燈等元件共同組成功能顯示控制電路,用于程序功能顯示。其中,指示燈LED6~LED9 分別受IC3⑧、11、③、⑥腳輸出信號控制。IC1(13)~(17)腳分別是加熱、停止、進水、排水、清洗功能輸出端,對應與功率驅動集成電路 IC2④、⑤、①~③腳輸入端連接。IC2的12~16腳分別外接控制繼電器K1~K5,其吸合與斷開受IC1輸出信號控制,使相應繼電器的常開觸點動作,實現進水、清洗、加熱、排水、停止等功能。
編者結語:
洗碗機是自動清洗碗、筷、盤、碟、刀、叉等餐具的設備。目前在市面上的全自動洗碗機可以分為家用和商用兩類,家用全自動洗碗機只適用于家庭,主要有柜式、臺式及水槽一體式。 商用洗碗機按結構可分為箱式和傳送式兩大類,為餐廳、賓館、機關單位食堂的炊事人員減輕了勞動強度,提高了工作效率,增進清潔衛生。而編者認為本文介紹的此款洗碗機較適合家用,具有小巧輕便,節省空間,操作簡單、方便的特點。




